BLUE SEA 1842 M2 OLED Bilge Monitor

Installation Checklist
- Check for components included
- Read Warning and Cautions
- Read page 3 for mounting instructions
- Read System Overview, Mounting Considerations, Detailed Wiring, and Sensing Description
- Follow Initial System Setup instructions
- Configure Displays
- Configure Alarms
- Configure Relays
Specifications
- Display Size : 5mm x 28mm
- Power Supply: 7V–70V DC
- Power Consumption: 0.3W–1.0W*
- Alarm/Relay Notification: Run time per hour
- Cycles per 24-hour: Cycle Counter
Cycle Counter Compatible with bilge monitors with external floats switches or with automatic bilge switches that indicate status via a 12V output.
- Variable with voltage, display intensity, and sleep mode
Regulatory
Monitor face is IP66 – protected against powerful water jets when installed according to instructions
Warning and Caution Symbols
WARNING: The symbol refers to possible injury to the user or significant damage to the monitor if the user does not follow the procedures.
CAUTION: The symbol refers to restrictions and rules with regard to preventing damage to the monitor.
WARNING
- If you are not knowledgeable about electrical systems, have an electrical professional install this unit. The diagrams in these instructions pertain to the installation of M2 Digital Meters and not to the overall wiring of the vessel.
- If an inverter is installed on the vessel, its power leads must be disconnected at the battery before the monitor is installed.
- If an AC generator is installed on the vessel, it must be stopped and rendered inoperable before the monitor is installed.
- Verify that no other DC or AC sources are connected to the vessel’s wiring before installing the monitor.
CAUTION
- The back of the unit is not waterproof. Do not install where the back of the monitor is exposed to water.
Components Included
360 Panel Mounting Kit (PN 1525 sold separately)
Installation
- Make all connections to the monitor’s terminal block before connecting the terminal block to the unit. Keep hands away from the terminal block when applying power to the monitor.
- As the final DC connection, insert a fuse into the in-line fuse holder on the wire to the positive (+) battery terminal.
Mounting Templates
Mounting Considerations
M2 Digital Monitors have three mounting methods: surface mount, flat panel mount, and 360-panel mount. When surface mounted per instructions the unit face is waterproof to IP66. Flat panel and 360-panel mounting systems are not waterproof. The unit should not be flat panel or 360 panels mounted if used in an exposed location. For all mountings, the back of the unit is not waterproof and must be kept dry.
Flat Mount
Surface Mount
360 Panel Mount PN 1525
STEP 1: Use 1/4″ Mounting Screws
STEP 2: Snap header and footer into mounting clips and post. Snap the mounting bezel into place with the flat edge up.
STEP 3
Bilge Functions (1842)
Monitor up to four bilge pumps. Provides High/Low-level alarms for each channel.
Connections
IMPORTANT! The Sensing Description section of this manual gives important details about the location of sensors in the AC and DC electrical systems of the boat. Improper location and configuration of sensors can result in erroneous readings and possible damage to components.
Pin-out Table
1842 Connector Pin Assignment Table
| 8 Pin Connector* | Function |
| 1 Required Connection | DC Negative |
| 2 Required Connection | DC Supply |
| 3 | Relay DC Out to Load |
| 4 | Relay DC + |
| 5 | Bilge Pump 1 |
| 6 | Bilge Pump 2 |
| 7 | Bilge Pump 3 |
| 8 | Bilge Pump 4 |
| USB | Micro USB Port |
- The 8-pin low voltage connector supports wire sizes from 16-26 AWG
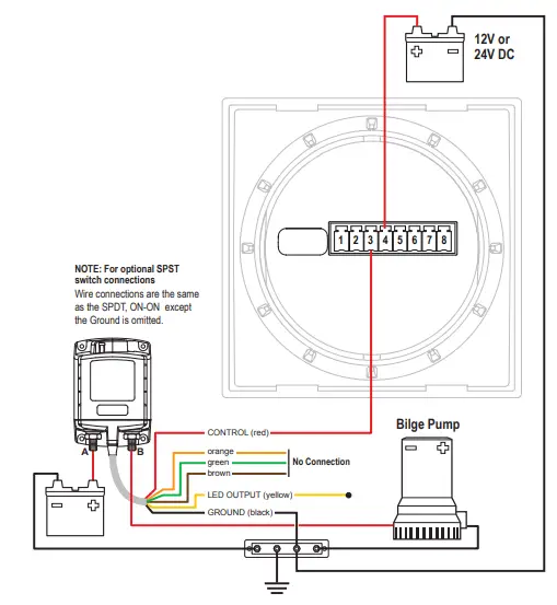
Monitor Power Supply Connections
All monitors must have pins 1 (DC Negative) and 2 (DC Supply) connected. These pins are used to provide power to the monitor. Connect pin 1 to ground and pin 2 to a 12V to 48V power source.
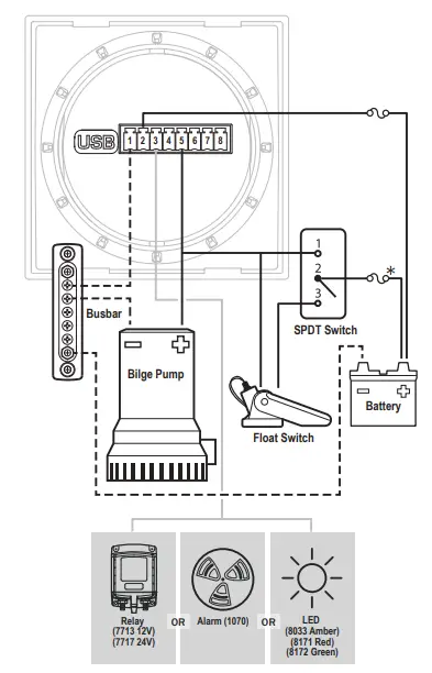
Bilge Connections
The 1842 Bilge Monitor will register any bilge activity anytime the bilge input is greater than 5 volts. The inputs can be connected directly to a float switch or the bilge motor supply.
Note: The 1842 Bilge Monitor is not compatible with most automatic style bilge pumps.
Detailed Wiring
1842 Bilge Pump Monitor
- Use bilge pump manufacturer-recommended fuse.
Float Switch Connections
M2 Relay Connections
M2 Meters contain an internal MOSFET relay that can drive external DC loads up to 0.5A. The input is protected with a thermally activated auto-reset-ting fuse that will protect against shorts. In addition, an inline fuse rated at 5A should be used to protect against shorts. In typical applications, a power source is connected to the Relay+ pin and a load is connected to the Relay Out to Load connection.
External LED
An external LED such as 8171 can be connected to the Relay Output terminal. If the system is going to operate at more than 24V nominal, an additional 4K Ohms of resistance should be placed in line with the LED.
External Alarm (1070 Floyd Bell Turbo)
The Relay+ terminal can support an external audible alarm. Such as the Floyd Bell Turbo Alarm (1070).
External Relay
If you need to switch more than 0.5 A, you can use an external relay such as PN 7713, 12V or PN 7717, 24V Remote Battery Switch. Connect the Relay+ terminal to the red control wire. Activating the internal relay will also activate PN 7713.
NOTE: 9012, 7700, 7701, 7702, & 7703 Remote Battery Switches are not compatible with the internal relay.
Getting Started
Example Screens From PN 1842 Bilge Monitor
When an M2 Meter is initially powered up, it will display the Blue Sea Systems Logo, its serial number, and its Software revision. After a couple of seconds, the unit will display a high-level System Summary screen.
Pressing any button will display a temporary pop-up menu. Select an option by pressing the button beneath it. The pop-up menu will disappear after the first button is pressed.
The menu system is a two-dimensional matrix. Pressing the NEXT button will transition the display between the System Summary screen which displays summary information for each of the “bilge pump” channels.
Press the UP ↑ or DOWN ↓ arrow buttons to display more detailed information about an input channel or to show a single parameter, such as “B1” in the display (see example below).
Press the Menu button to bring up the Setup menus. Press the UP ↑ and DOWN ↓ arrow buttons to move the cursor over the options and press the Select button to see a selected display. To return to the previous display, press the Back button.
Configuring the Monitor
Monitor settings can be configured from the Setup menu. This menu can be accessed by pressing the Menu button and then scrolling to and selecting Setup. Press the UP ↑ and DOWN ↓ arrow buttons to move the cursor. The different setup options are described below.
Alarm Setup & Control
The meter monitors two different conditions that can active an alarm. The meter monitors the amount of time the bilge is active over the last
60 minutes. The monitor can be set to sound an alarm anytime the monitor exceeds a certain on time. The monitor can also monitor the number of cy-cles that have occurred in the last 24 hours. Alarms can be set from the Alarm Setup menu. To get there, first navigate to the Setup menu. Then scroll to Alarm Setup and press the Select button.
Setting Alarms
The M2 Monitor family provides monitoring capability of bilge input channels. Alarms are triggered if a channel is above or below a certain user select-ed threshold value. The following example indicates how to setup a run time high alarm.
- Go to the Alarm Setup menu.
- Scroll to the desired input channel (i.e., Bilge 1 Hi).
- Press the Select button and the cursor should start blinking.
- Set the bilge threshold using the ← and → buttons. (Holding down the buttons allows faster selection)
- Press the Enter button to save the change or the Cancel button to cancel any change.

In the above example, an alarm will set anytime Bilge 1 is running longer than or equal to 8 minutes.
Clearing Alarms
When an alarm occurs, the buzzer will sound, the red ALARM LED will light, and the screen will display which alarm was triggered, the Alarm set point, and the current value. Pressing any button silences the buzzer and another button press returns to the previous display. Until the cause of the alarm is resolved, the ALARM LED will remain on and the channel that triggered the alarm will blink.
Viewing Alarms Status
For any active alarm, the parameter will flash if it is displayed. To view a complete list of active alarms, press Menu>Setup>Alarm Setup. Any active alarm will flash. You may have to scroll through the menu to see all of the alarms.
Relay Setup & Control
M2 Monitors provide an option to control an external relay. The M2 can trigger the relay based on runtime in an hour or the number of cycles in 24 hours. These relay options can be set from the Relay Setup menu. To get there, first navigate to the Setup menu. Then scroll to Relay Setup and press the Select button.
Relay Normally On/Off
This setting sets the normal operating state of the connected relay. The options are ON or OFF where ON means the relay is on (contacts closed) in normal operation and OFF means it is normally off (open contacts). Scroll to Relay Normally, press Select (selection will flash), then press the LEFT ← or RIGHT → arrow buttons to change the setting. Press Enter to save your selection. Press Cancel to cancel a change.
Notification
The Notification setting controls whether or not a notification is displayed when a relay is activated. Notifications will show which relay threshold was surpassed and for which channel. Scroll to Notification and press Select to change the setting. Press the LEFT ← or RIGHT → arrow buttons to choose either ON or OFF. ON will display notifications and OFF will not. Use this option if you don’t want to be notified that the relay is activating. Press Enter to save the setting or Cancel to cancel a change.
Silence Relay
Turn this option on if you want the relay to deactivate after the user presses a key on the display. The key press will only de-activate the relay and will not engage any functions on the monitor. For example, this option could be used to silence an external buzzer. Scroll to Silence and press Select to change the setting. Press the LEFT ← or RIGHT → arrow buttons to choose either ON or OFF. Press Enter to save the setting or Cancel to cancel any change.
Viewing Relay Status
To view a complete list of active relays, press Menu>Setup>Relay Setup. Any active relay will flash.
Setting Input Thresholds
Settings for each channel’s high and low thresholds are provided. The connected relay’s normal operating state will toggle (change state) if these thresholds are met. For both high and low thresholds, the activation and deactivation levels are different to prevent the relay from rapidly toggling (cycling on and off). Each channel has Hi ON and Hi OFF settings and Lo ON and Lo OFF settings.

Example. If the relay is Normally On (closed) and Bilge 1 is configured as above, then it will open when the bilge has been running longer than 10 minutes in any given hour. When the runtime drops below 8 minutes/hr then the relay will turn off again. To change one of the settings, scroll to the desired setting and press Select. Press the LEFT ← or RIGHT → arrow buttons to change the value and then press Enter to save the setting. Press Cancel to cancel the change.
NOTE: Lower threshold settings cannot be set above higher threshold settings. Similarly, higher thresholds cannot be set below lower thresholds. The monitor will automatically increase or decrease the thresholds to enforce this.
Clearing Relay Notification
If the Notification option is set to ON then any time the relay is opened (Normally Off) or closed (Normally On). A message will be displayed on the main screen. Pressing a key will clear this notification. If Silence is set to ON then the relay will be opened (Normally Off) or closed (Normally On).
Viewing Relay Status
For any active alarm, the parameter will flash if it is displayed. To view a complete list of active alarms, press Menu>Setup>Relay Setup. Any active relay will flash.
Display Setup
The monitor display settings can be accessed from the Display Setup menu. From the setup screen, scroll to Display Setup and press the Select button. The different display settings are described below. To change a setting, press Enter and press the LEFT ← or RIGHT → arrow buttons to view the available setting options. Press Enter to save the setting. Press Cancel to cancel a change.
Brightness
This setting is for adjusting the brightness of the display. The value is a percentage where 0 % is dimmest and 100 % is brightest.
Sleep Timer
Following a certain period of inactivity, the monitor will enter sleep mode and will turn off the display. Any button may be pressed to exit the sleep mode and restore the display. The Sleep Timer sets the number of minutes from 0 to 600 before entering sleep mode. This feature will be disabled by changing the setting to OFF.
Dim Timer
In addition to sleep mode, the monitor can also dim its display after a period of inactivity. The duration of delay in minutes from 0 to 600 can be adjusted with this setting. This feature will be disabled by changing the setting to OFF. By continuously pressing the LEFT ← button the monitor can be placed in AUTO dim mode. In this mode the monitor will automatically dim after two minutes when the ambient light is low (night mode). When the light comes back on, the monitor will revert to its normal brightness.
Demo Mode
With Demo Mode ON, the monitor displays factory-programmed values. Changing the setting to OFF returns the monitor to display actual measured values. This mode is typically used for commercial or promotional purposes. Note: Alarms and Relay settings will still respond to the actual settings and not the Demo settings. To enter Demo Mode, press Menu>Setup>Display Setup>Demo Mode. Press the LEFT ← or RIGHT → arrow buttons to toggle Demo Mode ON or OF
Bilge Setup
Changing System Labels
The M2 allows the user to change the labels that are displayed above each channel. Each channel can have a maximum of 16 characters however in the summary screens only the first 11 or 12 characters of the channel label are displayed.
Changing Label Names
To change the name of a bilge channel, follow the instructions below:
- Navigate to the setup menu for the desired bilge channel. Menu->Setup->Bilge 1 Setup
- In the battery setup menu, move the cursor to bilge channel name to be changed (indicated by the >> symbol)
- Press Select to enter the name editing mode.
- Use the LEFT ← and RIGHT → arrow buttons to move the cursor over the characters.
- When the cursor is over a character, press Enter to edit that character. The cursor will start blinking.
- Use the UP ↑ and DOWN ↓ arrow buttons to select a new character and press Ok to set that character.
- Once all desired characters have been changed, press the Cancel button to exit the name editing mode.
Note: Although the maximum label length is 14 characters, some screens may only be able to display the first 5 or so characters.
Additional Bilge Settings
The monitor provides custom settings for each bilge input. To access these settings, first go to the Setup menu. Scroll to the desired bilge channel. The bilge setup settings are described below. To make a change, scroll to setting and press Enter. Press the LEFT ← or RIGHT → arrow buttons to view the available setting options. Press Enter to save the setting. Press Cancel to cancel a change.
Enable
To display the bilge measurements, change this setting to ON. If enable is OFF, the bilge along with its measured values will not be displayed. However, any associated alarm or relay settings are still activate. To de-active the alarm or relay, disable them in the Alarm Setup and Relay Setup menus.
Cycle Reset
Resets the bilge cycle counter to zero.
Version Info
The Version Info option in the Setup menu displays the product name, serial number, and software version. This information will be displayed on a screen after scrolling to Version Info and pressing Select. Pressing any button will return to the Setup menu.
Factory Reset
The Factory Reset option in the Setup menu allows the user to restore the monitor’s factory default settings. First scroll to Factory Reset and press Select. Text will appear asking to confirm or cancel the reset request. Press Yes to confirm or No to cancel the reset.
Software Upgrade
The monitor firmware can be updated in one of two ways. The first option is to use the Software Upgrade option in the Setup menu. The second option is to force the monitor into upgrade mode on startup.
Each method involves using a USB memory stick connected to the USB port on the back of the monitor. The USB port is a type A/B micro USB port. This port is also known as a Micro USB Host OTG. Available at Best Buy or Amazon: http://amzn.com/B00J631SU8
CAUTION: Removing power or the USB memory stick during the upgrade process will render the monitor inoperable.
Both methods are described below:
Upgrade via Software Upgrade Option Download a new version from http://www.bluesea.com/m2firmware. Copy firmware to a USB Memory Stick. The file name should be image.1842.bin., where 1842 is the PN of the monitor. i.e., image.1842.bin, etc. Remove USB dust cover plug. Insert the memory stick into the USB socket on back of the monitor. Note: You made need an adapter dongle to interface between the memory stick and the monitor (http://a.co/6eHeaMK). Select the Software Upgrade option. Answer Yes to “Are you sure you want to update the Flash?” The red LED on the M2 will rapidly flash for about 10 seconds. If the upgrade was successful, a message with the new software version will be displayed. If there is an error then a message will be displayed (see error messages below).Remove the USB memory stick. Replace USB dust cover with “USB” text right side up. Download a new version from http://www.bluesea.com/m2. Copy firmware to a USB Memory Stick. The file name should be image.1842.bin., where 1842 is the model number of the monitor. i.e., image.1842.bin, etc. Turn off the power to the unit. Remove the USB dust cover plug. Insert the memory stick into the USB socket on the back of the unit. Note: You made need an adapter dongle to interface between the memory stick and the monitor: (http://a.co/6eHeaMK). While pressing and holding the leftmost and rightmost keys, turn the power to the monitor ON. The red LED on the M2 will rapidly flash for about 10 seconds. If the upgrade was successful, a message with the new software version will be displayed. If there is an error then a message will be displayed (see error message below). Remove the USB memory stick. Replace USB dust cover with USB label facing up. Upgrade via Forcing Monitor into Upgrade Mode
Upgrade Messages
Flash Successful / SW Version: xxx – Upgrade successful. File Not Found – A valid flash image was not found on the monitor. The downloaded upgrade filename should be image.1842.bin, where XXXX is the model number of the monitor. i.e., image.1841.bin, image.1842.bin, etc. Corrupted File – The image is not valid or corrupted. Re-download the updated image from www.bluesea.com. No USB Device – The USB memory card is not plugged in or the cable is defective. Wrong Model Number – The image file is for a different monitor. Download a new file from www.bluesea.com/m2firmware. Wrong HW Version – The new image file does not support this revision of the hardware.
- 425 Sequoia Drive
- Bellingham, WA 98226 USA
- p 360.738.8230
- p 800.222.7617 USA and Canada Customer Service f 360.734.4195
- conductor@bluesea.com
- www.bluesea.com
- 980026130 Rev. 001

























