BLUE SEA SYSTEMS M2 OLED Digital Bilge Meter

Components Included

360 Panel Mounting Kit
PN 1525 sold separately

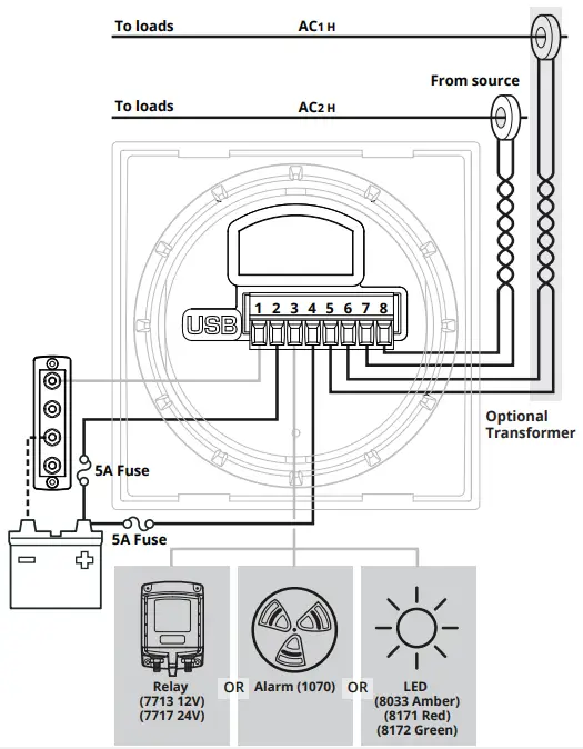
Connector Pin Assignment
Connector Pin Assignment Table
| USB | Micro USB Port |
| 8 Pin Connector* | Function |
| 1 Required Connection | DC Negative |
| 2 Required Connection | DC Positive |
| 3 | Relay DC Output |
| 4 | Relay DC Supply |
| 5 | AC 1 Current Transformer – |
| 6 | AC 1 Current Transformer + |
| 7 | AC 2 Current Transformer – |
| 8 | AC 2 Current Transformer + |
*The 8 pin low voltage connector supports wire sizes from 16-26 AWG
Screen Menu Functions
Press any button to bring up the menu.
- After start-up, press any button to access the menu.
- Press the UP or DOWN arrow buttons to scroll through menu windows.
To set alarms and for more detailed information, see the online manual at bluesea.com/products/1836
System Overview
1836 AC Ammeter Connections

For the online manual that includes other configurations, go to bluesea.com/products/1836
Installation Steps
- Choose meter mounting style and location
- Turn of AC Power
- Prepare mounting hole using cutout templates
- Using wiring diagram:
- Install provided 150A/50mA Current Transformer.
- Make all connections to the meter’s connector.
Do not put fuses into fuse holders at this time.
- Plug wired terminal block into the meter
- Insert fuses into fuse holders, making the fuse to Pin 2 (DC Supply) Last.
- Turn on AC Power.
Basic Meter Setup
- If using the included 150A/50mA Current Transformer, no setup is required.
- If you are only monitoring one AC Line, you may want to turn o the unused inputs to prevent them from being displayed.
- For information regarding advanced setup options, see the full instructions on our website.
Mounting Options
Flat Mount

Surface Mount

Mounting Templates


WARNING
The WARNING symbol refers to possible injury to the user or significant damage to the monitor if the user does not follow the procedures.
CAUTION
The CAUTION symbol refers to restrictions and rules with regard to preventing damage.
WARNING
- If you are not knowledgeable about electrical systems, have an electrical professional install this unit. The diagrams in these instructions pertain to the installation of the unit and not to the overall wiring of the vessel.
- Verify that no other DC or AC sources are connected to the vessel’s wiring before installing the unit
CAUTION
The back of the unit is not waterproof. Do not install where the back of the monitor is exposed to water.
Warranty
- The M2 OLED Digital Meters come with a 5 year manufacturer’s warranty. This means the meter is warranted to be free from defects in materials or workmanship for 5 years from the date of first purchase. The warranty is limited solely to the cost of repair or replacement of the M2 Meter product. Costs associated with labor or shipping of the defective parts are not covered.
- Blue Sea Systems cannot accept liability for damage due to the misuse of the M2 Meter.




















