BLUE SEA SYSTEMS M2 OLED Digital Monitor

Components Included

360 Panel Mounting Kit 1525 (sold separately)

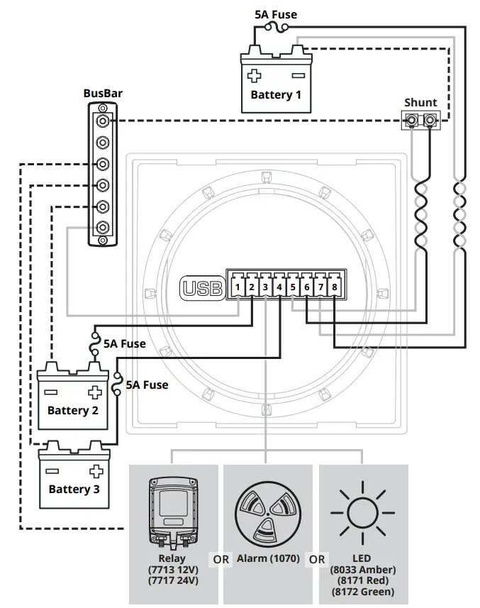
Connector Pin Assignment
| USB | Micro USB Port |
| 8 Pin Connector* | Function |
| 1 Required Connection | DC Negative |
| 2 Required Connection | DC Supply/Battery 2 + |
| 3 | Relay Output |
| 4 | Relay Supply/Battery 3 + |
| 5 | Shunt 1 – |
| 6 | Shunt 1 + |
| 7 | Battery 1 – |
| 8 | Battery 1 + |
*The 8 pin low voltage connector supports wire sizes from 16-26 AWG
Screen Menu Functions
Press any button to bring up the menu.
- After start-up, press any button to access the menu.
- Press the UP or DOWN arrow buttons to scroll through menu windows.
- Press the NEXT button to scroll right.
- To set alarms and for more detailed information, see the online manual at bluesea.com/products/1830

System Overview

For the online manual that includes other configurations, go to bluesea.com/products/1830
Installation Steps
- Choose meter mounting style and location.
- Prepare mounting hole using cutout templates.
- Using wiring diagram:
- Install provided 500A/50mV Shunt.
- Install busbar, if needed.
- Make all connections to the meter’s connector.
Do not put fuses into fuse holders at this time.
- Plug wired connector into the meter.
- Insert fuses into fuse holders, making the fuse to Pin 2 (DC Supply/Battery 2+) Last.
Basic Meter Setup
- Ensure Battery 1 (House Battery) is fully charged.
- Have Battery 1 information ready:
- Battery Voltage: options are: 12V, 24V, 36V, or 48V
- Battery Type: options are:
- Ltd – Standard Flooded Acid Batteries
- AGM – Standard AGM Batteries
- TPPL – Thin Plate Pure Lead AGM Batteries
- Gel – Gel Batteries
- FLRsv – Flooded Acid Reserve
- from – Flooded Low Maintenace, Sealed
- Flooded Acid Batteries.
- foam – Carbon Foam AGM Batteries
- Lilon – Lithium Ion Batteries.
- Battery Capacity: The setting indicates the capacity of the battery in Amp-hours (Ah)
- Navigate to DC 1 Setup by g Menu>Setup>DC1 Setup.
- Enter information for Battery 1 from step 2
- Select Set SoC to Full. This resets the meter SoC to 99%.
- For information regarding Alarm Setup, Relay Setup, or Advanced SoC setups such as setting Charge parameters or using a different-sized shunt, see the full instructions found at bluesea.com/products/1830
Click here for more information at bluesea.com/products/1830

Mounting Options
Flat Mount
Flat Mount

Mounting Templates


WARNING
The WARNING symbol refers to possible injury to the user or significant damage to the monitor if the user does not follow the procedures.
CAUTION
The CAUTION symbol refers to restrictions and rules with regard to preventing damage.
WARNING
- If you are not knowledgeable about electrical systems, have an electrical professional install this unit. The diagrams in these instructions pertain to the installation of the unit and not to the overall wiring of the vessel.
- Verify that no other DC or AC sources are connected to the vessel’s wiring before installing the unit.
CAUTION
- The back of the unit is not waterproof. Do not install where the back of the monitor is exposed to water.
Warranty
The M2 OLED Digital Meters come with a 5 year manufacturer’s warranty. This means the meter is warranted to be free from defects in materials or workmanship for 5 years from the date of first purchase. The warranty is limited solely to the cost of repair or replacement of the M2 Meter product. Costs associated with labor or shipping of defective parts are not covered. Blue Sea Systems cannot accept liability for damage due to the misuse of the M2 Meter.




















