BLUE SEA 1839 M2 OLED Tank Monitor

Instructions
M2 OLED Tank Monitor Instructions
PN 1839
Installation Checklist
- Check for components included
- Read Warning and Cautions
- Read QuickStart Installation Guide for mounting instructions
- Read System Overview, Mounting Considerations, Detailed Wiring, and Sensing Description
- Read QuickStart Installation Guide for installation notes
- Follow Initial System Setup instructions
- Configure Displays
- Configure Alarms
- Configure Relays
Display Size: 55mm x 28mm
Power Supply: 7V–70V DC
Power Consumption: 0.3W–1.0W*
* Variable with voltage, display intensity, and sleep mode Regulatory
Monitor face is IP66 – protected against powerful water jets when installed according to instructions
1839 Specifications
Tanks Senders
North American 240Ω–33Ω European 10Ω–180Ω
Blue Sea Systems Ultrasonic Custom
Sender Resolution 1%
Custom Tank Shapes Auto Calibration
Components Included
360 Panel Mounting Kit (PN 1525 sold separately)
Warning and Caution
WARNING: The symbol refers to possible injury to the user or significant damage to the meter if the user does not follow the procedures.
CAUTION: The symbol refers to restrictions and rules with regard to preventing damage to the meter.
WARNING
- If you are not knowledgeable about electrical systems, have an electrical professional install this unit. The diagrams in these instructions pertain to the installation of M2 Digital Meters and not to the overall wiring of the vessel.
- If an inverter is installed on the vessel, its power leads must be disconnected at the battery before the meter is installed.
- If an AC generator is installed on the vessel, it must be stopped and rendered inoperable before the meter is installed.
- Verify that no other DC or AC sources are connected to the vessel’s wiring before installing the meter.
CAUTION
- The back of the unit is not waterproof. Do not install where the back of the meter is exposed to water.
Installation
- Make all connections to the meter’s terminal block before connecting the terminal block to the unit.
Keep hands away from the terminal block when applying power to the meter. - As the final DC connection, insert a fuse into the in-line fuse holder on the wire to the positive (+) battery terminal.
Mounting Templates
Mounting Considerations
M2 Digital Meters have three mounting methods: surface mount, flat panel mount, and 360 panel mount. When surface mounted per instructions the unit face is waterproof to IP66. Flat panel and 360 panel mounting systems are not waterproof. The unit should not be flat panel or 360 panel mounted if used in an exposed location. For all mountings, the back of the unit is not waterproof and must be kept dry.
Flat Mount
360 Panel Mount PN 1525
Surface Mount
Snap header and footer into mounting clips and post. Snap the mounting bezel into place with the flat edge up

Tank Functions (1839)
Monitor up to four tanks. Provides High/Low level alarms for each channel.
Connections
IMPORTANT! The Sensing Description section of this manual gives important details to the location of sensors in the AC and DC electrical systems of the boat. Improper location and configuration of sensors can result in erroneous readings and possible damage to components.
Pin-out Table
1839 Connector Pin Assignment Table
| 8 Pin Connector* | Function |
| 1 Required Connection | DC Negative |
| 2 Required Connection | DC Supply |
| 3 | Relay DC Out to Load |
| 4 | Relay DC + |
| 5 | Tank 1 |
| 6 | Tank 2 |
| 7 | Tank 3 |
| 8 | Tank 4 |
| USB | Micro USB Port |
Meter Power Supply Connections
All meters must have pins 1 (DC Negative) and 2 (DC Supply) connected. These pins are used to provide power to the meter. Connect pin 1 to ground and pin 2 to a 12V to 48V power source.
Tank Connections
North American Standard Senders
North American Standard senders are resistive type senders that have a resistance between 240 and 33 ohms. (With 240 ohms indicating empty).
European Standard Senders
European Standard senders are resistive type senders that have a resistance between 10 and 180 ohms. (With 10 ohms indicating empty).
Blue Sea System Ultrasonic Senders
Blue Sea Systems Ultrasonic sender use sound waves to measure the distance from the sender to the top of the liquid in the tank. Blue Sea Systems has two different senders, one for gasoline (1800) and one for diesel, water, and waste (1810).
Detailed Wiring
1839 Tank Monitor
Blue Sea Systems Ultrasonic Sender 1810, 1811
Resistive 2 Wire Sender
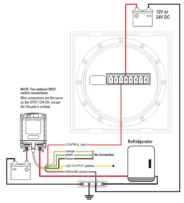
M2 Relay Connections
M2 Meters contains an internal MOSFET relay that can drive external DC loads up to 0.5A. The input is protected with a thermally activated auto-reset-ting fuse that will protect against shorts. In addition, an inline fuse rated at 5A should be used to protect against shorts. In typical applications, a power source is connected to the Relay+ pin and a load is connected to the Relay Out to Load connection.
External LED
An external LED such 8171 can be connected to the Relay Output terminal. If the system is going to operate at more than 24V nominal, an additional 4K Ohms of resistance should be placed in-line with the LED.
External Alarm (1070 Floyd Bell Turbo)
The Relay+ terminal can support an external audible alarm. Such as the Floyd Bell Turbo Alarm (1070).
External Relay
If you need to switch more than 0.5 A, you can use an external relay such as PN 7713, 12V or PN 7717, 24V Remote Battery Switch. Connect the Relay+ terminal to the red control wire. Activating the internal relay will also activate PN 7713.
Getting Started
Example Screens From PN 1839 Tank Meter
When an M2 Meter is initially powered up, it will display the Blue Sea Systems Logo,its serial number and its Software revision. After a couple of seconds, the unit will display a high-level System Summary screen.
Pressing any button will display a temporary pop-up menu. Select an option by pressing the button beneath it. The pop-up menu will disappear after the first button is pressed.
The menu system is a two dimensional matrix. Pressing the UP ↑↑ or DOWN ↓↓ arrow buttons will transition the display between the System Summary screen which displays summary information for each of the “tank” channels.
Press the Next button to display more detailed information about an input channel or to show a single parameter, such as “T1” in the display (see example below).
Press the Menu button to bring up the Setup menus. Press the UP ↑↑ and DOWN ↓↓ arrow buttons to move the cursor over the options and press the Select button to see a selected display. To return to the previous display, press the Back button.
Configuring the Meter
Meter settings can be configured from the Setup menu. This menu can be accessed by pressing the Menu button and then scrolling to and selecting Setup. Press the UP ↑↑ and DOWN ↓↓ arrow buttons to move the cursor. The different setup options are described below.
Alarm Setup & Control
The meter’s alarm can be set to trigger for full or empty tanks. Alarms can be set from the Alarm Setup menu. To get there, first navigate to the Setup menu. Then scroll to Alarm Setup and press the Select button.
Setting Alarms
The M2 Meter family provides monitoring capability of input channels. Alarms are triggered if a channel is above or below a certain user selected threshold value. The following example indicates how to setup a tank full alarm.
- Go to the Alarm Setup menu.
- Scroll to the desired input channel (i.e., Tank 1 Hi).
- Press the Select button and the cursor should start blinking.
- Set the tank level threshold using the ←← and →→ buttons. (Holding down the buttons allows faster selection)
- Press the Enter button to save the change or the Cancel button to cancel any change.
NOTE: A low tank level threshold cannot be set above a high tank level threshold. Likewise, a high tank level threshold cannot be set below the low tank level threshold. The meter will automatically increase or decrease the tank level thresholds to enforce this.
In the above example, an alarm will set anytime Tank 1 is greater than or equal to 90% of the full scale rating. This could be used to monitor a holding tank or to indicate that a tank is almost full while filling fuel. Note that the display can be changed from % to gallons or liters in Tank 1 Setup.
Tank Alrm Dly (Alarm Delay)
An alarm delay can be specified so that alarms don’t immediately trigger. This can be useful if tank sloshing is causing false alarms.
The hold off timer operates as a count-up/count-down timer. When the tank value exceeds the alarm value then the timer will start counting up until it reaches the delay time. When it reaches the delay timer, an alarm will sound. If the alarm condition goes away before the delay timer has been met, then the timer will count down until the timer is zero again. For example, if the Alarm Delay is set for 5 minutes and an alarm condition is active for 4 minutes and then inactive for 1 minutes then if the alarm condition is active again, the alarm will sound in 2 minutes (5 minutes – 4 minutes + 1 minute). Note that there is only one delay per channel.
Clearing Alarms
When an alarm occurs, the buzzer will sound, the red ALARM LED will light, and the screen will display which alarm was triggered, the Alarm set point and the current value. Pressing any button silences the buzzer and another button press returns to the previous display.
Until the cause of the alarm is resolved, the ALARM LED will remain on and the channel that triggered the alarm will blink.
Viewing Alarms Status
For any active alarm, the parameter will flash if it is displayed. To view a complete list of active alarms, press Menu>Setup>Alarm Setup. Any active alarm will flash. You may have to scroll through the menu to see all of the alarms.
Relay Setup & Control
M2 Meters provide an option to control an external relay. The M2 can trigger the relay based on high or low tank levels.
These relay options can be set from the Relay Setup menu. To get there, first navigate to the Setup menu. Then scroll to Relay Setup and press the Select button.
Relay Normally On/Off
This setting sets the normal operating state of the connected relay. The options are ON or OFF where ON means the relay is on (contacts closed) in normal operation and OFF means it is normally off (open contacts). Scroll to Relay Normally, press Select (selection will flash), then press the
LEFT ←← or RIGHT →→ arrow buttons to change the setting. Press Enter to save your selection. Press Cancel to cancel a change.
Notification
The Notification setting controls whether or not a notification is displayed when a relay is activated. Notifications will show which relay threshold was surpassed and for which channel. Scroll to Notification and press Select to change the setting. Press the LEFT ←← or RIGHT →→ arrow buttons to choose either ON or OFF. ON will display notifications and OFF will not. Use this option if you don’t want to be notified that the relay is activating. Press Enter to save the setting or Cancel to cancel a change.
Silence Relay
Turn this option on if you want the relay to de-activate after the user presses a key on the display. The key press will only de-activate the relay and
will not engage any functions on the meter. For example, this option could be used to silence an external buzzer. Scroll to Silence and press Select to change the setting. Press the LEFT ←← or RIGHT →→ arrow buttons to choose either ON or OFF. Press Enter to save the setting or Cancel to cancel any change.
Tank Relay Dly (Delay)
An alarm delay can be specified so that alarms don’t immediately trigger. This can be useful if tank sloshing is causing false alarms.
Viewing Relay Status
To view a complete list of active relays, press Menu>Setup>Relay Setup. Any active relay will flash.
Setting Input Thresholds
Settings for each channel’s high and low tank thresholds are provided. The connected relay’s normal operating state will toggle (change state) if these thresholds are met. For both high and low thresholds, the activation and deactivation levels are different to prevent the relay from rapidly toggling
(cycling on and off). Each channel has Hi ON and Hi OFF settings and Lo ON and Lo OFF settings.
Example. If the relay is Normally On (closed) and Tank 1 is configured as above, then it will open at the user input threshold value for Tank 1 (90%). To close, the level must drop below the User’s input value for Tank 1 On (80%). Similarly, the relay will open at the User input for
Tank 1 Lo Off (5%). The level must meet the User input for Tank 1 Lo On to close the relay.
To change one of the settings, scroll to desired setting and press Select. Press the LEFT ←← or RIGHT →→ arrow buttons to change the tank value and then press Enter to save the setting. Press Cancel to cancel the change.
NOTE: Lower threshold settings cannot be set above higher tank threshold settings. Similarly, higher tank thresholds cannot be set below lower tank thresholds. The meter will automatically increase or decrease the tank thresholds to enforce this.
Clearing Relay Notification
If the Notification option is set to ON then any time the relay is opened (Normally Off) or closed (Normally On). A message will be displayed on the main screen. Pressing a key will clear this notification. If Silence is set to ON then the relay will be opened (Normally Off) or closed (Normally On).
Viewing Relay Status
For any active alarm, the parameter will flash if it is displayed. To view a complete list of active alarms, press Menu>Setup>Relay Setup.
Any active relay will flash.
Display Setup
The meter display settings can be accessed from the Display Setup menu. From the setup screen, scroll to Display Setup and press the Select button.
The different display settings are described below. To change a setting, press Enter and press the LEFT ←← or RIGHT →→ arrow buttons to view the available setting options. Press Enter to save the setting. Press Cancel to cancel a change.
Brightness
This setting is for adjusting the brightness of the display. The value is a percentage where 0 % is dimmest and 100 % is brightest.
Sleep Timer
Following a certain period of inactivity, the meter will enter a sleep mode and will turn off the display. Any button may be pressed to exit the sleep mode and restore the display. The Sleep Timer sets the number of minutes from 0 to 600 before entering sleep mode. This feature will be disabled by changing the setting to OFF.
Dim Timer
In addition to sleep mode, the meter can also dim its display after a period of inactivity. The duration of delay in minutes from 0 to 600 can be adjusted with this setting. This feature will be disabled by changing the setting to OFF. By continuously pressing the LEFT ← ← button the meter can be placed in AUTO dim mode. In this mode the meter will automatically dim after two minutes when the ambient light is low (night mode). When the light comes back on, the meter will revert to its normal brightness.
Demo Mode
With Demo Mode ON, the meter displays factory programmed values. Changing the setting to OFF returns the meter to display actual measured values. This mode is typically used for commercial or promotional purposes. Note: Alarms and Relay settings will still respond to the actual settings and not the Demo settings. To enter Demo Mode, press Menu>Setup>Display Setup>Demo Mode. Press the LEFT ←← or RIGHT →→ arrow buttons to toggle Demo Mode ON or OFF.
Changing System Labels
The M2 allows the user to change the labels that are displayed above each channel. Each channel can have a maximum of 16 characters however in the summary screens only the first 11 or 12 characters of the channel label are displayed.
Changing Label Names
To change the name of a tank, follow the instructions below:
- Navigate to the setup menu for the desired tank (such as tank Setup). Menu->Setup->Tank 1 Setup
- In the menu, move the cursor to tank name to be changed (indicated by the >> symbol)
- Press Select to enter the name editing mode.
- Use the LEFT ←← and RIGHT → → arrow buttons to move the cursor over the characters.
- When the cursor is over a character, press Enter to edit that character. The cursor will start blinking.
- Use the UP ↑ ↑ and DOWN ↓↓ arrow buttons to select a new character and press Ok to set that character.
- Once all desired characters have been changed, press the Cancel button to exit the name editing mode.
Note: Although the maximum label length is 14 characters, some screens may only be able to display the first 5 or so characters.
Tank Setup
The meter provides setup settings for each tank. To access these settings, first go to the Setup menu. Scroll to the desired tank.
The tank setup settings are described below. To make a change, scroll to setting and press Enter. Press the LEFT ←← or RIGHT →→ arrow buttons to view the available setting options. Press Enter to save the setting. Press Cancel to cancel a change.
Enable
To display the tank and its measurements, change this setting to ON. If enable is OFF, the tank along with its measured values will not be displayed. However, any associated alarm or relay settings are still activate. To de-active the alarm or relay, disable them in the Alarm Setup and Relay Setup menus.
Volume
To display the tank and its measurements, change this setting to ON. If enable is OFF, the tank along with its measured values will not be displayed. However, any associated alarm or relay settings are still activate. To de-active the alarm or relay, disable them in the Alarm Setup and Relay Setup menus.
Show Percent
If this value is on, then tank values will displayed as a percentage. If the value is off then it will be displayed in either gallons or liters.
Sender Type
This setting presets the Resistance Lo and Resistance Hi values based on the type of sender attached to the meter. The available options are listed below:
- USA– North American Standard type of sender between with a resistance between 240 and 33 ohms.
- Euro – European Standard type of sender with a resistance between 10 and 180 ohms
- 1810 – Blue Sea Systems Ultrasonic Tank Sender for Diesel, Water & Waste.
- 1811 – Blue Sea Systems Ultrasonic Tank Sender for Gasoline Only
- Cstm – Indicates the Resistance Lo or Resistance Hi value has been manually changed.
Resistance Lo/Resistance Hi
The tank meter operates by reading the resistance of the tank sender. The resistance value (in ohms) can be entered here for an empty tank (Resistance Lo) and for a full tank (Resistance Hi). Changing either of these values when the Sender Type is set to either 1810 or 1811 will give unpredictable results when an Ultrasonic Tank Sender is used.
Tank Depth (Only used with 1810 and 1811 Senders)
This setting indicates the depth of the tank in inches. This setting is not affected by switching the units in Setup->Display->Units.
Tank Shape
- Rect – Standard Rectangular Tank
- Tri – Triangular Shaped Tank. Good for tanks in Bilges.
- Auto – This setting only shows up after the tank has been auto calibration. Changing this value back to Rect or Tri will overwrite the auto-cal values.
- Cstm – This setting indicates that the User has manually changed the tank settings.
Custom Tank Shapes
The M2 Tank Meter has the ability to define custom tank shapes. This can be done two ways by either using the Auto Calibrate feature or manually entering the tank Parameters.
Manually Entering Custom Tank Shapes
The M2 Tank Meter has five setup points that can help define odd sized shapes. Each of the set points allows the actual volume of the tank to be defined for various sensor readings. For example, setting the Sensor 20% value to 10%, indicates that when the tank sensor reads 20% the tank is really just 10% full. Similar set points are available at 40%, 60%, 80%, and 100%.
If a tank can be completely emptied, then to calculate the set points do the following:
- Empty the tank. (If the tank cannot be completely emptied, the estimation works best if the tank is emptied with the sensor reading under 20%.
- Set the tanks shape to Cstm, and set each Sensor X% value to itself. Sensor 20% set to 20. Sensor 40% set to 40, etc.
- Set the tank to display percentage.
- Add liquid to the tank until the meter reads 20%.
- Record the actual number of gallons added to the tank.
- Keep on adding liquid and record the number of gallons added when the meter reads 40%, 60%, 80% and 100%.
- Press Setup->Tank X Setup and scroll down to Sensor 20%.
- Enter the following value: (Tank Capacity – Total Gallons Added + Gallons Added at 20%)/(Tank Capacity)
- Repeat Step 8 for 40%, 60%, 80% and 100%.
Example: Triangle Tank
A user has a triangle fuel tank that has a Tank Capacity of 50 Gallons. The tank isn’t completely empty and the meter reading is less than 20% in Rectangular mode. The user adds fuel until the meter reads 20%. The amount of fuel added was 1 gallon, at 40% he has added 7 gallons, at 60% he has added 17 gallons, at 80% he has added 31 gallons and at 100% he has added 49 gallons. The total gallons Added is 49 gallons.
To calculate the Sensor 20% value we use the equation in step 8 above: (50g – 49g + 1g)/50g = 4%.
To calculate the Sensor 40% value we use the equation in step 8 above: (50g – 49g + 7g)/50g = 16%.
Likewise we can calculate the rest of the values
(60% & 80%) as shown in the table.
Note: It is possible to have the tank full before the sensor reads 100% by inputting a value into the Sensor 100% field that is greater than 100%. For example if the sensor reading for a full tank is 90% and Sensor 80% is calculated to be 75% then Sensor 100% can be calculated with the following:
Using Auto-Calibrate
The Auto-Calibrate function requires the tank to be filled at a constant rate and for the sensor reading be initially less than 15%. For grey, waste, and water tanks a hose can be used to provide a constant flow. Diesel and Gas tanks can be more difficult because foaming may cause the user to slow down filling once the tank is almost full. If foaming is a problem then use the Manual method described above.
- Select Setup->Tank(1-4)->Auto Calibrate->Ok
- If the sensor reads more than 15% an error message will be displayed along with the sensor reading. At this point the tank can be emptied or the back button can be pressed to exit the auto calibrate procedure.

- If the sensor is less than 15% then an option to start the calibration process is given.
- Press the start button and start filling the tank at a constant rate.

- The timer will start counting as the tank fills. In addition the sender will indicate that the tank is getting filled. When the tank reaches 100%the timer will automatically stop. Press the Finish button to accept the calibration values or the Cancel to abandon the changes. If the tank is full before the sender reaches 100% then press Finish.
- After the Finish button is pressed the M2 will populate Sensor 20% – Sensor 100% with the proper calibration values. Scroll down to inspect the values.
Version Info
The Version Info option in the Setup menu displays the product name, serial number, and software version. This information will be displayed on a screen after scrolling to Version Info and pressing Select. Pressing any button will return to the Setup menu.
Factory Reset
The Factory Reset option in the Setup menu allows the user to restore the meter’s factory default settings. First scroll to Factory Reset and press Select. Text will appear asking to confirm or cancel the reset request. Press Yes to confirm or No to cancel the reset.
Software Upgrade
The meter firmware can be updated in one of two ways. The first option is to use the Software Upgrade option in the Setup menu. The second option is to force the meter into upgrade mode on startup.
Each method involves using a USB memory stick connected to the USB port on the back of the meter. The USB port is a type A/B micro USB port. This port is also known as a Micro USB Host OTG. Available at Best Buy or Amazon: http://amzn.com/B00J631SU8
CAUTION
Removing power or the USB memory stick during the upgrade process will render the meter inoperable.
Both methods are described below:
Upgrade via Software Upgrade Option
- Download a new version from http://www.bluesea.com/m2firmware.
- Copy firmware to a USB Memory Stick. The file name should be image.xxxx.bin., where xxxx is the PN of the meter. i. e., image.1830.bin, image.1839.bin, etc.
- Remove USB dust cover plug.
- Insert memory stick into the USB socket on back of the meter. Note: You made need an adapter dongle to interface between the memory stick and the meter (http://amzn.com/B00J631SU8).
- Select Software Upgrade option.
- Answer Yes to “Are you sure you want to update the Flash?”
- The red LED on the M2 will rapidly flash for about 10 seconds.
- If the upgrade was successful, a message with the new software version will be displayed.
- If there is an error then a message will be displayed (see error messages below).
- Remove USB memory stick.
- Replace USB dust cover with “USB” text right side up.
Upgrade via Forcing Meter into Upgrade Mode
- Download a new version from http://www.bluesea.com/m2.
- Copy firmware to a USB Memory Stick. The file name should be image.xxxx.bin., where xxxx is the model number of the meter. i. e., image.1830.bin, image.1839.bin, etc.
- Turn off the power to the unit.
- Remove USB dust cover plug.
- Insert the memory stick into the USB socket on back of the unit. Note: You made need an adapter dongle to interface between the memory stick and the meter: (http://amzn.com/B00J631SU8).
- While pressing and holding the leftmost and rightmost keys, turn the power to the meter ON.
- The red LED on the M2 will rapidly flash for about 10 seconds.
- If the upgrade was successful, a message with the new software version will be displayed.
- If there is an error then a message will be displayed (see error message below).
- Remove USB memory stick.
- Replace USB dust cover with USB label facing up.
Upgrade Messages
- Flash Successful / SW Version: xxx – Upgrade successful.
- File Not Found – A valid flash image was not found on the meter. The downloaded upgrade filename should be image.xxxx.bin, where xxxx is the model number of the meter. i.e., image.1830.bin, image.1839.bin, etc.
- Corrupted File – The image is not valid or corrupted. Re-download the updated image from www.bluesea.com.
- No USB Device – The USB memory card is not plugged in or the cable is defective.
- Wrong Model Number – The image file is for a different meter. Download a new file from www.bluesea.com.
- Wrong HW Version – The new image file does not support this revision of hardwar
4600 Ryzex Way Bellingham, WA 98226 USA
p 360.738.8230 f 360.734.4195
[email protected]
bluesea.com
























