AtlasIED PSR-206 Zone Page Powered Relay Pack

Product Information
The PSR Series PSR-206 is a zone-page, powered relay pack unit with an internal power supply. It is a relay commonly used in communication applications where selective activation of speakers is needed. The model is designed to be used for zone paging in restaurants, reception areas, professional offices, health clubs, production, and customer service departments.
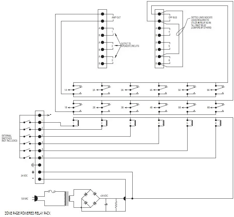
The PSR-206 is a zone page, powered relay pack with an internal power supply. The unit is completely wired and ready for mounting. The power supply is capable of delivering 500mA at 24VDC. A fuse is used for extra protection. Six 24VDC, DPDT relays are pre-mounted and wired to the power supply. The contacts are of silver, gold plated and the contact rating is 3 amps. The coil current is a nominal 35mA. The relays are wired and terminated as shown in the wiring diagram. The terminals are easily identified by a silkscreened diagram. Any relay may be easily converted to an ‘all page’ relay by connecting the Off bus to the selected relay-switch output. Note: Allows for 5 zones, plus All Page, or 6 zones without an All Page.
Product Usage Instructions
- The PSR-206 is completely wired and ready for mounting.
- Connect the PSR-206 to a 120 VAC power source using the 6′ power cord.
- Connect the external switches (not included) to the numbered terminals on the wiring diagram.
- Connect the speaker circuits to the numbered terminals on the wiring diagram.
- Any relay may be easily converted to an ‘all page’ relay by connecting the Off bus to the selected relay-switch output.
Features
- Capacity for Additional External Relays or Lights
- Easy Conversion For All-Page Applications
- Pre-Mounted and Wired to Power Supply
Applications
The PSR Series PSR-206 is a zone-page, powered relay pack unit with an internal power supply. This relay is commonly used in communication applications where selective activation of speakers is needed. The model is designed to be used for zone paging in restaurants, reception areas, professional offices, health clubs, production, and customer service departments.
Relay packs can be easily converted to accommodate “all page” applications, and have the capacity of adding external relays or lights.
General Description
The PSR-206 is a zone page, powered relay pack with an internal power supply. The unit is completely wired and ready for mounting. The power supply is capable of delivering 500mA at 24VDC. A fuse is used for extra protection. The output of the power supply is terminated at the terminal strip as well as internally to the relay coils. This allows the use of excess power supply capacity for external relays.
Six 24VDC, DPDT relays are pre-mounted and wired to the power supply. The contacts are of silver, gold plated and the contact rating is 3 amps. The coil current is a nominal 35mA. The relays are wired and terminated as shown (see page 3). The terminals are easily identified by a silkscreened diagram. Any relay may be easily converted to an
‘all page’ relay by connecting the Off bus to the selected relay-switch output.
Note:
Allows for 5 zones, plus “All Page”, or 6 zones without “An All Page”.
The PSR-206 is completely enclosed in a compact 18-gauge CRS chassis finished in black epoxy. It features a 6′ power cord.
Specification
| System | |
| Type | Zone Page, Powered Relay Pack |
| Input Power | 120 VAC @ 60 Hz, 12 Watts |
| Output Power | 24 VDC, 500mA |
| Relays | Qty 6 |
| Relay Type | 24 VDC, DPDT |
| Relay Coil Current | Nominal 35mA |
| Relay Contact Rating | 3 Amps |
| Mechanical | |
| Chassis Finish | Black |
| Chassis Material | Steel |
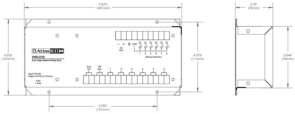
| Product Dimensions (HxWxD) | 4.750″ x 9.875″ x 2.75″ (121mm x 251mm x 70mm) |
| Shipping Dimensions (HxWxD) | 5″ x 18.8″ x 6″ (127mm x 478mm x 152mm) |
| Unit Weight | 4.5 lbs. (2.04kg) |
| Shipping Weight | 5.0 lbs. (2.27kg) |
| Warranty Coverage | |
| Warranty Period | 1 Year |
Wiring Diagram

Dimensional Drawings

Architect & Engineer Specifications
The zone page powered relay pack shall be AtlasIED Model PSR-206 or approved equal. It shall include a power supply. The unit shall be wired and ready for mounting. The power supply shall be capable of delivering 500mA at 24VDC. The relay pack shall utilize 6 relays and shall have external provisions to wire one relay as an ‘all page’ application.
Each relay shall be a DPDT with a 24VDC power supply. The unit output shall be terminated at screw terminals for easy access. The chassis shall be constructed of 18-gauge CRS. The model shall include a silkscreened terminal diagram and a 6 ft power cord.
©2022 Atlas Sound LP. The Atlas “Circle A”, Soundolier, and Atlas Sound are trademarks of Atlas Sound L.P. IED is a Registered Trademark of Innovative Electronic Designs LLC. All rights reserved. All other Trademarks are the property of their respective owners. No endorsement is implied. Due to continual product development, specifications are subject to change without notice. ATS006930 RevA 1/22.
1601 JACK MCKAY BLVD. ENNIS, TEXAS 75119 U.S.A.
TELEPHONE: (800) 876-3333
[email protected].
AtlasIED.com.


















