NOVUS SSR 100 Solid State Relay SSR

FEATURES
The Solid State Relays (SSR) are electronic devices used for switching resistive and inductive AC loads with many advantages over the conventional relays. The device has an internal thyristor protection circuit (Snubber) and a Zero Crossing system, which allows switching on at zero Volt and off at zero Ampere. It also has optical isolation between INPUT and OUTPUT and a LED to indicate the on and off status.
OPERATION
A control voltage applied to the device input turns the ssr on, energizing the load. The conduction effectively occurs at the next zero crossing of the mains voltage. When the input signal is removed, the ssr turns off when the load reaches a current equal to zero. This means that the load switching may be delayed by ½ of mains period (or 8.3 ms for the 60 hz mains).

Turning the output ON and OFF only on the mains voltage zero crossing brings important performance advantages to the system: practically no EMI is generated during the load switching and the SSR is submitted to less severe switching conditions. On the other hand, the SSR is suitable to AC loads only (it cannot be used to switch DC loads). This device CANNOT be used to command electrical charges in installations with DC voltage
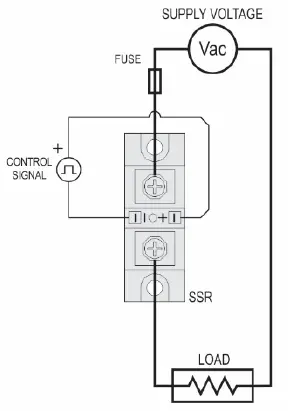
ELECTRICAL CONNECTIONS
The two connections needed for the installation of the SSR are the command signal and the load circuit. The load circuit must be protected by an ultra-fast fuse with a rate that matches the SSR nominal current specification. The SSR terminals must be firmly screwed and the wire gauge compatible with the output load.

Recommended cables are:
70, 95 and 310 mm for the currents of 150, 200 and 300 A, respectively. For the connections, use compatible cables and terminals to the compression.

HEAT DISSIPATION
The SSR generates heat during its conduction. This heat must be dissipated to avoid SSR fail due to over-heat. The nominal SSR load specification assumes the use of a suitable heat sink. Without a heat sink the allowed load current is substantially reduced. The user may calculate the needed heat sink or make use of a heat sink suggested by NOVUS.

For better heat transfer, a thermal conducting paste must be used between the SSR and the heat sink. The SSR along with its heat sink must be mounted in a vertical position such as to allow for air flow and thus a good heat exchange
Notes:
- The use of the Thermal Pad that comes with the SSR is optional. It is recommended for installations where the surface of the heatsink to receive the SSR is not perfectly flat or regular.
- Make sure that the screws on the SSR terminals are properly tightened. Contact problems at these points influence the proper operation of the entire installation power system.
- Prior validation tests are important to identify failures in the installation, especially overheating points.
The graphs below show the current carrying capacity of the SSR as a function of ambient temperature when mounted on the indicated heatsink and whether or not the fan is used.

The length measurement of the NDP3 heatsink varies according to the nominal SSR current used
| SSR48100 – M | SSR48150 – M | SSR48200 – M | SSR48300 – M |
| 120 mm | 120 mm | 180 mm | 220 mm |
The proper fan is also offered to the user. It has 127 and 220 Vac power and dimensions of 120×120 x 40 mm. The minimum air flow is 3 m / s.
OUTPUT SPECIFICATIONS
| Parameter | Model | |||
| SSR 48100 – M | SSR 48150 – M | SSR 48200 – M | SSR 48300 – M | |
| Description | 100 | 150 | 200 | 300 |
| Operating voltage (47-63 Hz) [Vrms] | 40-480 | 40-480 | 40-480 | 40-480 |
| Frequency (Hz) | 47 to 63 | |||
| Transient overvoltage [Vpk] | 1200 | 1200 | 1200 | 1200 |
| Maximum off-state leakage current @ rated voltage [mArms] | 8 | 8 | 8 | 8 |
| Minimum off-state dv/dt @ maximum rated voltage [V/μs] | 500 | 500 | 500 | 500 |
| Maximum load current [Arms] | 100 | 150 | 200 | 300 |
| Minimum load current [Arms] | 0.15 | 0.15 | 0.15 | 0.15 |
| Maximum 1 cycle surge current (50/60 Hz) [Apk] | 1050/1100 | 1528/1600 | 2100/2200 | 3056/3200 |
| Maximum on-state voltage drop @ rated current [Vrms] | 1,30 | 1.30 | 1.30 | 1.30 |
| Thermal resistance junction to case (Rjc)[°C/W] | 0.43 | 0.40 | 0.39 | 0.36 |
| Maximum ½ cycle l²t for fusing (50/60 Hz) [A² seg] | 3751/3410 | 5626/5115 | 7502/6820 | 10230/11253 |
| Minimum power factor (with maximum load) | 0.5 | 0.5 | 0.5 | 0.5 |
| Weight (typical) [g] | 142 | 232 | 232 | 232 |
INPUT SPECIFICATIONS
| Description | Parameter |
| Control voltage range | 3-32 VDC |
| Maximum Reverse Voltage | -32 |
| Minimum Turn-On Voltage | 3.0 VDC |
| Minimum Turn-Off Voltage | 1.0 VDC |
| Minimum Input Current a [mA] | 7 |
| Maximum Input Current [mA] | 20 |
| Maximum Turn-On Time [msec] | 1/2 cycle |
| Maximum Turn-Off Time [msec] | 1/2 cycle |
GENERAL SPECIFICATIONS
| Description | Parameter |
| Dielectric Strength, Input/Output/Base (50/60 Hz) | 4000 vrms |
| Minimum Insulation Resistance (@ 500 VDC) | 109 Ohm |
| Maximum Capacitance, Input/Output | 8 pF |
| Ambient Operating Temperature Range | -40 to 80 °C |
| Ambient Storage Temperature Range | 40 to 125 °C |
| Housing Material | UL E211125: 94 V-0 |
| Terminal Material | Gilded |
| Baseplate Material | Copper |
| Certifications | CE, UKCA, UL |
DIMENSIONS

WARRANTY
The warranty conditions are set forth on our website www.novusautomation.com/warranty.



















