
Simply Vento V 2.1 S
Vento Compact V 2.1 FE
INSTALL

Simply Vento V 2.1 S Cyclonic Vacuum Degasser







DNe
| L max 10 m | DNe |
| L max 20 m | DNe |
| L max 30 m | DNe |
| V2.1 S | V2.1 FE |
| 25 | 25 |
| 25 | 25 |
| 32 | 32 |




![]()
SAFETY – INSPECTION
Personnel
Installing and operating personnel must possess the appropriate knowledge and training.
Follow the instructions
Installation, operation, maintenance and disassembly must be carried out as stated and showed in the different instruction manuals making integral part of the delivery and in accordance with best practice. In addition to the IMI Hydronic Engineering instructions, additional instructions from other companies may be included for the components used (e.g. backflow preventers). You must follow these instructions in the same way as the IMI Hydronic Engineering instructions. If anything is unclear, please contact IMI Hydronic Engineering customer service.
Tests for commissioning and periodic inspections
Test required for commissioning and periodic inspections must be performed according to the regulations in the country where the device is installed and operated. There are no unified international regulations for the acceptance test prior to commissioning and periodic inspections. It is usually the vessels that determine how the installation is classified.
These are CE type-tested in accordance with guideline PED/2014/68/EU for pressurised equipments. For periodic inspections, openings are provided for flange-type or endoscope inspections.
In Switzerland, Compresso does not require autorisation from the SVTI if the installation is protected in such a way that psCH is not exceeded. Vessels with psv x V up to 3000 bar*litres do not require inspection by the SVTI.
Following combinations with TecBox are recommended:
Primary vessel (2)
| ≤ | 1000 litres |
| ≤ | 800 litres |
| ≤ | 700 litres |
| ≤ | 600 litres |
| ≤ | 500 litres |
| ≤ | 300 litres |
TecBox safety valve (SV)
| C 10 | C15 |
| 3 bar | on request |
| 3.75 bar | on request |
| 4.2 bar | on request |
| 5 bar | on request |
| 6 bar | 6 bar |
| – | 10 bar |
For Transfero as many extension vessels as required can be connected to the primary vessel. The CE-approved 2 bar safety valve protects the vessels from inadmissible pressures. In Switzerland, SVTI inspection is not required for these types of vessels.
Backflow preventer BA: Perform inspection and maintenance in accordance with EN 1717 and the rules in the operator’s country. Functional testing, with documentation, must normally be carried out annually. Dirt trap (SF): Inspect and clean if necessary after a drop in the water make-up capacity or before functional testing of the backflow preventer BA. We recommend including the Pleno P / P R / P CR / BA4R in the maintenance cycle of the connected pressure-maintaining or degassing station.
Follow the maintenance instructions for Refill softening modules. The Pleno P / P R / P CR / BA4R can work as an accessory in systems requiring technical inspections (Compresso | Transfero) and can be included as part of the inspection.
Place of installation
The access to the place of installation must be restricted to trained and specialised personnel. The floor statics must be able to support the maximum operating and installation conditions. Connections for electricity, communication, main water and waste water must correspond to the requirements of the device. The room must be thouroughly ventilated. Do not store flammable, explosive materials near the pressure vessel. Pressurized containers (eg Compresso expansion vessels) must be protected against external fire, at least according to national regulations.
Water quality
IMI Hydronic Engineering devices are designed to maintain pressure, to degass or to make-up and/or treat water in closed heating, solar and cooling systems with water that contains no aggressive or toxic agents.The entire system must be dimensioned and operated in such a way as to minimise the amount of oxygen admitted through the make-up water or through permeable components. Water treatment systems are to be dimensioned, installed and operated according to the current state of the art.
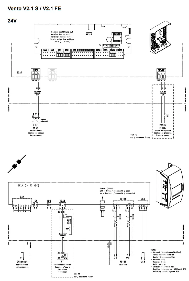
Electrical connection
The electrical and the communication wiring and connections should be carried out by a qualified electrician, in accordance with current local regulations. The devices and the potential free outputs must be disconnected from the electrical supply before working on electrical components. Protection on the supply to be done by the contractor:
Compresso C2.1, C10.1; C10.2; C15; CX: 10 A
Compresso C15.2: 16 A
Transfero range 4, 6, 8, 10, 14 = 1 x 230 V:
T.1: 10 A
T.2: 16 A
Transfero 19, 25 = 3 x 400 V: 10 A
Vento range 2, 4, 6, 8, 10, 14 = 1 x 230V: 10 A
Vento range 19, 25 = 3 x 400 V: 10 A
Pleno PI9.1; PI6.1; PIX: 10 A
Pleno PI9.2; PI6.2: 16 A
Pleno P BA4R: not applicable
Residual current device (RCD) following local regulation.
If installed in residential building we recommend a commercially available line filter to the junction box.


We reserve the right to introduce technical alterations without prior notice.
www.imi-hydronic.com


















