F100 TH Bathroom Fan
Installation Guide
Fresh F100
Fresh F100 T
Fresh F100 TH![]()
F100 TH Bathroom Fan
Fresh F100 with back draught shutter.
Fresh F100 T with back draught shutter and overrun timer.
Fresh F100 TH with back draught shutter, humidity sensor, and overrun timer.
Installation and electrical connection for Fresh exhaust fans F100/F100 T/F100 TH.
IMPORTANT: READ THESE INSTRUCTIONS BEFORE COMMENCING THE INSTALLATION. DO NOT install this product in areas where the following may be present or occur:
- The fan must not be used in an explosive environment or connected to a flue gas duct, nor may it be used as a kitchen fan.
- Where corrosive or flammable gases, liquids, or vapors may be present.
- At ambient temperatures above 40°C or below -5°C.
- Where there are potential obstacles that may restrict access to the fan.
SAFETY AND GUIDANCE NOTES
A. Electrical installation must be carried out by a registered electrical installation company. All wiring must be in accordance with national electrical installation rules for each country’s electrical regulations.
B. A device for disconnecting the fan must be included in the main supply network as specified in the national electrical installation rules.
C. Ensure that the mains supply (Voltage, Frequency) complies with the rating label.
D. The fan is only intended for fixed installation.
E. When the fan is used to remove air from a room containing a fuel-burning appliance, ensure that the air replacement is adequate for both the fan and the fuel-burning appliance.
F. The fan should not be used where it is liable to be subject to direct water spray for prolonged periods of time.
G. Where ducted fans are used to handle moisture-laden air, a condensation trap should be fitted. Horizontal ducts should be arranged to slope slightly downwards away from the fan.
H. According to standard EN 60335, the following should be taken into account: The appliance can be used by children aged eight and above, people with impaired physical, sensory or mental capabilities, or who lack experience and knowledge if they are supervised or have been instructed in the safe use of the appliance and are aware of the risks involved.
I. Children must not play with the appliance.
Cleaning and maintenance must not be carried out by children without supervision.
J. After installation, make sure that the front cover is hooked into the fan chassis as shown below.
INSTALLATION
IMPORTANT: The fan should only be used in conjunction with fixed wiring.
Before starting any kind of electrical work, live cables must be disconnected.
CEILING MOUNTING
- When mounting on a ceiling/wall, the fan must be installed in a duct protected by an external air grille that must comply with the country’s standard requirements for preventing access to the fan’s propeller.
- Holes are preferably made with a hole saw 108 mm in diameter for 100 mm fans.
Key dimensions, (see Figure 3). NOTE that the fan is seen from behind in this view.
To avoid condensation in draught ducts (in winter), these must be insulated if they pass through unheated spaces, e.g. cold winds. - Press the two clamps onto the base of the fan (see Figure 2) and remove the cover from the chassis.
- Mark the screw holes (see figure 3) using the fan base plate as a drilling template. Drill, plug and screw the fan in place.
- If the fan is connected to the draught duct in the ceiling, the back draught shutter must be removed. NOTE: A back draught shutter is actually harmful if the fan is fitted in a ventilation duct with a natural draught. After installation, make sure that the impeller can rotate freely.
- Replace the fan cover, making sure the hooks lock the cover securely.
WALL MOUNTING
- When mounting on a ceiling/wall, the fan must be installed in a duct protected by an external air grille that must meet the country’s standard requirements to prevent access to the fan’s propeller
- Holes are preferable to be made using a 108 mm diameter hole saw for 100 mm fans.
Insert the wall tube, tilt the tube slightly downwards from the fan, cut to length, and fix both ends in place in line with the wall surfaces. - Press the two clamps on the bottom of the fan (see figure 2) and remove the cover from the chassis.
- Mark the screw holes (see Figure 3) using the fan’s base plate as a drilling template, and adjust the base plate until it is level using the built-in spirit level (see Figure 1)
Drill, plug and screw the fan in place. Secure the outer wall grille in place with the slats facing downwards so that rainwater drains off.
(Note: – The walled tube used must not be shorter than 100 mm to leave enough room for the cold race protection to operate. - See points 5 and 6 above.

ELECTRICAL INSTALLATION
IMPORTANT: The fan should only be used in conjunction with fixed wiring.
Before starting any kind of electrical work, live cables must be disconnected.
- Press the two clamps onto the base of the fan (see Figure 2) and remove the cover from the chassis.
- The fans in the Fresh F100 series can be installed so that the cables are concealed (Figure 4) or exposed (Figure 5). Assembly, see the previous page.
Open the internal cover (X) to access the terminal block electrical connection. - The fans are intended for connection to 220-240V 50/60Hz. (power 7,5W, IPX5) The fans are class II, double-insulated products, and SHOULD NOT be earthed.
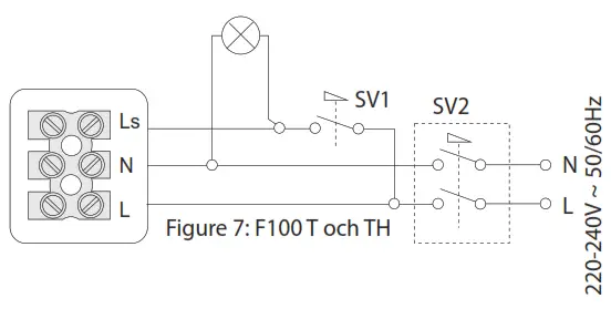
Select and follow the appropriate wiring diagram. (Fig. 6 or 7).
Fig. 6 = Wiring diagram for F100, Fig. 7 = Wiring diagram for F100 T and TH Check that all connections have been made correctly and properly.
Make sure that the impeller rotates and is free of obstacles. - Replace the fan cover, making sure the hooks lock the cover securely.

Fresh F100
Single-speed fan. Controlled by
external switch (e.g. light switch).
Fresh F100 T:
Single-speed fan with overrun time.
The fan can be controlled via an external power switch (SV2).
Or via a light switch (SV1) to the terminal marked Ls.
When SV1 is ”ON” – activated, the fan will operate at full speed and continue to run for a preset time after the switch has been turned to ”OFF”.
Fresh F100 TH:
Two-speed fan with automatic high-speed at high humidity levels.
Timer function with overrun time etc.
See the next page for more information.
SETTINGS for Fresh F100 T
When setting TIMER.
DISCONNECT THE POWER TO THE FAN.
THE TIMER SHOULD ONLY BE ADJUSTED BEFORE OR DURING INSTALLATION.
- Press the two clamps onto the base of the fan (see Figure 2) and remove the cover from the chassis.
The control is set at the factory to approx. 15 minutes overrun time. - The overrun time period can be adjusted from 5 to 30 minutes.
Note that the exact min / max time may vary between products. - To reduce operating time:
Use a small screwdriver to turn the potentiometer Fig.8. COUNTERCLOCKWISE. - To increase operating time:
Use a small screwdriver to turn the potentiometer Fig.8. CLOCKWISE. - Replace the fan cover, making sure the hooks lock the cover securely. Turn on the power.
When setting the starting point for MOISTURE and changing the jumpers.
DISCONNECT THE POWER TO THE FAN.
TIMER AND MOISTURE LEVEL SHOULD ONLY BE ADJUSTED BEFORE OR DURING INSTALLATION.
The fan contains a built-in humidity detector that automatically sets the fan to full speed when the relative humidity (RH) of the room increases. The fan continues to run until the room RH falls.
The fan also has a built-in timer function which gives a fixed overrun time of approx. 15 minutes.
The timer can be deactivated by removing jumper JP1, (Fig. 9).
- Press the two clamps on to the bottom of the fan (see Figure 2) and remove the cover from the chassis.
- To increase the START POINT, turn the potentiometer clockwise. This reduces the internal setpoint for relative humidity at which the fan is switched on. (Fig. 9)
- To reduce the START POINT, turn the potentiometer counterclockwise. This increases the internal setpoint for relative humidity at which the fan is switched on. (Fig. 9)
The integrated pull cord activates the internal 15-minute timer. The timer can be interrupted by pulling on the pull cord again. The pull cord can be removed by cutting the cord.
COMFORT MODE (TH model only)
The TH model includes comfort mode, which is activated by holding the pull cord firmly for 5 seconds.
The function delays activation of the LS input for a maximum of 20 minutes to reduce noise and cold draughts when taking a bath. When the LS is switched off, the fan will be switched on for the same period that the LS would have been active (up to 20 minutes), plus the overrun time if selected (15 minutes).
The LED flashes slowly repeatedly (every 4 seconds) while counting down the comfort mode.
The LED changes from flashing to constant LED when LS boost is activated.
The fan’s internal humidity sensor is deactivated in comfort mode.
This function is reset if a power failure occurs.
SPEED SELECT (TH model only)
The fan can be set to high or low speed depending on the installation requirements.
The fan is factory-set to low speed with jumper JP2 fitted.
To activate the high-speed setting, remove jumper JP2. (Fig. 9)
Fresh F100 T
Fresh F100 TH
Moisture adjustment
To increase START POINT: Turn the potentiometer clockwise.
This makes the automation LESS sensitive.
To reduce SETUP POINT: Turn the potentiometer counterclockwise.
This makes the controller MORE sensitive.
Speed selection (JP2).
The fan is factory set at low speed
with jumper JP2 fitted.
To activate the high-speed setting remove jumper JP2.
Overrun timer function (JP1).
JP1 to deactivate the timer, and remove the jumper.
15 min. timer = jumper in place.
No timer = remove the jumper.

FOR CLEANING AND MAINTENANCE: DISCONNECT THE POWER TO THE FAN.
- At regular intervals (every three months) the fan should be inspected and cleaned to ensure that dirt or other deposits do not form.
- Wipe the inlet and front with a damp cloth until clean.
The fan has sealed bearings that do not require lubrication.

Warranty conditions
Fresh F100 series has a five-year warranty for defects in manufacturing and materials.
The warranty is subject to the following conditions:
- The fan must have been installed by a qualified electrician.
- The fan must have been assembled and installed in accordance with this User and Installation guide.
- The fan must be regularly cleaned in accordance with this user and installation guide.
- The fan must be installed and used indoors.
- The fan must not be used in exposed environments (eg in industrial or other environments where there is a risk of the fan being exposed to solvents, a high dust density level, gases, etc.).
5-year warranty
© Copyright Fresh AB.
We accept no liability for printing errors and reserve the right to make changes to materials and designs.
496011 B 1120
fresh.se


















