FOAMit Pre-Mix Electric Fog / Mist Unit MU-JR-PSGN130-H50

READ ALL INSTRUCTIONS BEFORE USING, OR SERVICING, THIS EQUIPMENT. KEEP THIS MANUAL IN A LOCATION THAT IS READILY AVAILABLE TO USERS AND SERVICE TECHNICIANS.
Safety
WARNING
- PEOPLE OR OBJECTS CAN BE HURT OR DAMAGED IF THIS UNIT IS NOT USED CORRECTLY!
- Failure to read all the instructions before operating the unit may result in personal injury or death from the improper use of the chemical solution. Anyone handling, operating or using the unit must read, and understand, the instructions in the manual. The buyer assumes all responsibility for safety and proper use in accordance with the instructions.
- Using, or servicing, the unit without proper protective clothing, gloves, and eye wear may result in serious injury such as burns, rashes, eye, throat or lung damage and death. Always wear protective clothing, gloves, and eye wear when using, or servicing, the unit. Protect eyes, skin, and lungs against drifting spray.
- Chemical solutions may pose a health risk and death if they contact the skin or eyes, are inhaled or swallowed. Always read, and follow, all chemical safety precautions and handling instructions provided by the chemical manufacturer and the Safety Data Sheet (SDS) associated with the chemical solution being used before using the unit.
- Pressure within the equipment may cause an unexpected release of the chemical solution and cause serious injury such as burns, rashes, eye damage, throat or lung damage and death. Always depressurize and clean the unit after each use. Never leave the unit unattended while pressurized.
- Using the unit with fluid temperatures above 100°F (37.77°C) may result in scalding, burns, serious injury or death.
- DO NOT use a solution with a temperature above 100°F (37.77°C).
- Operating the unit when damaged or leaking may result in exposure to chemical solutions, serious injury or death.
- Never use the unit if it is damaged or leaking.
- Never point the discharge wand at yourself, another person, or any object you do not want covered in chemical.
- Using incoming air pressure exceeding 100 psi (7 bar) may result in pressure buildup, explosion, serious injury or death. DO NOT exceed 100 psi (7 bar) incoming air pressure when operating the unit.
- Use of hydrocarbons and flammable products may result in explosions, fire and serious injury or death.
- Never use hydrocarbons or flammable products with the unit. Mixing an alkaline with an acid may result in a chemical reaction. Overheating of the mixture may cause it to splatter caustic compounds or release hazardous fumes, gas and vapors. Always flush the unit with fresh water for five (5) minutes when switching from an alkaline to an acid or an acid to an alkaline.
NOTICE
Servicing, or modification, of this unit with parts not listed in this manual may cause the unit to operate improperly. Do not use unauthorized parts when servicing the unit.
Use of an air lubricator before the unit may result in diminished performance and damage to the unit. Do not use an air lubricator before the unit.
Moisture in the air lines may damage the pump and diminish the units life. The air must be filtered, clean, dry and free of moisture.
PROTECT THE ENVIRONMENT
Please dispose of packaging materials, old machine components, and hazardous fluids in an environmentally safe way according to local waste disposal regulations.
Product Overview
Product requirements
| Operating air pressure | 50-80 psi (3.4-5.5 bar) |
| Liquid temperature range | 40-100˚F (4.4-37˚C) |
| Chemical compatibility | Chemical products used with this equipment must be formulated for this type of application and compatible with unit materials and pump seals. For more information on chemical compatibility, consult the manufacturer or SDS for your product or contact our customer service department. |
Product specifications
| MU50-PSGN130 | |
| Power type | Electricity |
| Chemical pickup type | Draws from pre-mixed solution |
| Number of products unit can draw from | One product |
| Suction line length/diameter | 6 ft. (1.8 m) clear hose with 1/4 in. (6.4 mm) inside diameter |
| Discharge line length/diameter | 50 ft. (15.2 m) twin-line tubing 1/4 in. (6.4 mm) outside diameter |
| Discharge wand/tip type | Polypropylene trigger handle for liquid output and polypropylene fog/ mist nozzle with Kynar tip |
| Output distance | 3-4.5 ft. (0.9-1.4 m) |
| Output volume | 8.96 oz/min at 50 psi (3.4 bar) – static |
| Flow rate* | 8.96 oz/min at 50 psi (3.4 bar) – static |
| Pump seals | Santoprene, Viton, or Kalrez |
| Droplet size | 15 microns at 50 psi (3.4 bar) |
| Coverage area | 1 liter of solution will cover approximately 1000 cubic feet |
| Nozzle type | Pneumatic fog nozzle |
| Number of nozzles | One |
*Dilution rates and flow rates given are based on chemical with viscosity of water and factory air pressure settings.
Product components
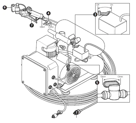
Before you begin get to know the MU-JR-PSGN130-H50 components that you will need to use, adjust or assemble.

- Control box
- Pump
- 1/4 tube x 1/4 tube quick-fit check valve
- Solution discharge hose
- Air discharge hose
- Air compressor handle and frame
- Air gauge
- Air tank
- Electrical cord
- Air inlet shut-off valve
- Suction hose
- PSG-N130 wand
- Air discharge shut-off valve
Operation

- Follow all instructions from chemical manufacturer. Place the chemical suction line into a container of pre-mixed chemical solution.
- Plug the unit in to a GFCI protected 120 VAC power outlet.
- Turn the power switch ON to start the air compressor.
- Verify that the air shut-off valve at the trigger gun is in the closed position
- Open the air inlet valve (QFSOV14) to the control box.
- Point the discharge wand in a safe direction and open the air shut-off valve at the trigger gun.
- Squeeze the trigger handle to begin misting.
Note: Both discharge valves should be completely open while misting. - To stop misting, release the trigger handle and the close the air shut-off valve.

- Flush the unit with fresh water for 5 minutes.
- Shut off the air supply to the unit by closing the air inlet valve to the control box.
- Turn the power switch OFF to shut off the air compressor.
- Unplug the air compressor.
- Open the air shut-off valve at the trigger gun and squeeze the trigger handle to relieve any pressure remaining in the unit.
Once pressure is relieved, release the trigger handle and close the air shut-off valve at the trigger gun. - Depressurize and drain the air compressor tank by opening the drain valve on the compressor tank.
Parts

| Item number | Description |
| ACLA5721 | 1-HP 2-GALLON TWIN STACK AIR COMPRESSOR |
| CV14QF-S | 1/4 Tube x 1/4 tube check quick fit-small |
| FV2 | FOOT VALVE, VITON, BLUE |
| H14BU | 1/4 in. OD blue polyurethane tubing – Available per ft. |
| H14C | 1/4 in. ID (3/8 in. OD) clear polyvinyl tubing – Available per ft |
| H14RU | 1/4 in OD red polyurethane tubing – Available per ft. |
| H14TRB-50 | 50 ft. section of 1/4 in. red/blue polyurethane twin tube |
| H14TRB-100 | 100 ft. Section of 1/4 in. red/blue polyurethane twin tube |
| P56 | Pump with Santoprene seals – includes hose barbs, air fitting, and exhaust barb |
| P56K | Pump with Kalrez seals – includes hose barbs, air fitting, and exhaust barb |
| P56V | Pump with Viton seals – includes hose barbs, air fitting, and exhaust barb |
| PFN-N130 | Pneumatic fog nozzle – polypropylene and kynar tip – 3.7 gallon/hour per nozzle |
| PFN-NZGRD-A | Nozzle guard assembly for pneumatic fog nozzles-includes 2 guards and hardware |
| PSG12 | 1/2 in. poly spray gun with o-ring and gray handle and 316SS |
| PSG-N130 | PSG12 gun with PFN-N130 and nozzle guard |
| QF1214 | Quick fit-1/2 MPT x 1/4 OD tube-polypropylene |
| QF14P | Quick fit-1/4 MPT X 1/4 OD tube-polypropylene |
| QF14PAF | Quick fit-1/4 MPT pump air fitting |
| QFBH14 | Bulkhead 1/4 in. tube polypropylene |
| QFSOV14 | Shut off valve 1/4 in. tube – polypropylene |
| QFT14 | Union tee 1/4 in. tube – polypropylene |
Air Compressor Instructions
EXTENSION CORDS
The use of any extension cord will cause some drop in voltage and loss of power. For optimum performance, plug the compressor power cord directly into a grounded wall socket.
Do not use an extension cord unless absolutely necessary. It is better to use a long air hose to reach area where work is being performance. If use of an extension cord can not be avoided, refer to the following guidelines
- Use only 3-wire extension cord. Make sure your extension cord is in good condition.
- Be sure gauge is sufficient to carry the current the unit will draw.
- Note that the smaller the gauge the heavier the cord. Example: Gauge 10 is heavier than gauge 12.




















