FOAMit 15 Gallon Electric Fog/Mist Unit

Safety
⚠ WARNING
PEOPLE OR OBJECTS CAN BE HURT OR DAMAGED IF THIS UNIT IS NOT USED CORRECTLY!
Failure to read all the instructions before operating the unit may result in personal injury or death from the improper use of the chemical solution. Anyone handling, operating or using the unit must read, and understand, the instructions in the manual. The buyer assumes all responsibility for safety and proper use in accordance with the instructions.
Using, or servicing, the unit without proper protective clothing, gloves, and eye wear may result in serious injury such as burns, rashes, eye, throat or lung damage and death. Always wear protective clothing, gloves, and eye wear when using, or servicing, the unit. Protect eyes, skin, and lungs against drifting spray.
Chemical solutions may pose a health risk and death if they contact the skin or eyes, are inhaled or swallowed. Always read, and follow, all chemical safety precautions and handling instructions provided by the chemical manufacturer and the Safety Data Sheet (SDS) associated with the chemical solution being used before using the unit.
Pressure within the equipment may cause an unexpected release of the chemical solution and cause serious injury such as burns, rashes, eye damage, throat or lung damage and death. Always depressurize and clean the unit after each use. Never leave the unit unattended while pressurized.
Using the unit with fluid temperatures above 100°F (37.77°C) may result in scalding, burns, serious injury or death. DO NOT use a solution with a temperature above 100°F (37.77°C).
Operating the unit when damaged or leaking may result in exposure to chemical solutions, serious injury or death. Never use the unit if it is damaged or leaking.
Never point the discharge wand at yourself, another person, or any object you do not want covered in chemical.
Using incoming air pressure exceeding 100 psi (7 bar) may result in pressure buildup, explosion, serious injury or death. DO NOT exceed 100 psi (7 bar) incoming air pressure when operating the unit.
Use of hydrocarbons and flammable products may result in explosions, fire and serious injury or death. Never use hydrocarbons or flammable products with the unit.
Mixing an alkaline with an acid may result in a chemical reaction. Overheating of the mixture may cause it to splatter caustic compounds or release hazardous fumes, gas and vapors. Always flush the unit with fresh water for five (5) minutes when switching from an alkaline to an acid or an acid to an alkaline.
Touching damaged electrical cords (i.e.: bare wires, bare receptacles) may result in electrical shock, serious injury or death. Always inspect the electrical cords and extension cords for damage before connecting the unit to the power supply. DO NOT touch a damaged electrical cord, or extension cord, that is connected to the power supply.
Operating the air compressor in wet weather or in wet conditions may result in electrical shock, serious injury or death. Always place the unit (air compressor) in an area away from the misting direction. DO NOT touch the air compressor, electrical or extension cords if your hands or feet are wet.
NOTICE
Servicing, or modification, of this unit with parts not listed in this manual may cause the unit to operate improperly. Do not use unauthorized parts when servicing the unit.
Use of an air lubricator before the unit may result in diminished performance and damage to the unit. Do not use an air lubricator before the unit.
Moisture in the air lines will damage the pump and diminish the pumps life. The air must be filtered, clean, dry and free of moisture. If needed, install an air dryer before the unit.
Using an excessively long or thin-wired extension cord will cause severe damage to the motor. Always use a 3-wire extension cord that has a 3-blade grounding plug and is no more than 25 ft. long and at least 14 gauge.
Operating the air compressor motor with excessive, or insufficient, electrical supply (i.e.: low voltage and/or an overloaded circuit) can cause the air compressor motor’s overload protection system circuit breaker to trip. Refer to the serial label for voltage and amperage requirements. Ensure the electrical supply supports the air compressor motor’s requirements. For best results use a dedicated circuit.
PROTECT THE ENVIRONMENT
Please dispose of packaging materials, old machine components, and hazardous fluids in an environmentally safe way according to local waste disposal regulations
Product Overview
| Liquid temperature range | 40-100˚F (4.4-37˚C) |
| Electrical requirements | 120 VAC at 60 Hz, 8.5 amps (GFCI protected outlet) |
| Operating voltage | 120 VAC |
| Chemical compatibility | Chemical products used with this equipment must be formulated for this type of application and compatible with unit materials and pump seals. For more information on chemical compatibility, consult the manufacturer or SDS for your product or contact our customer service department. |
Product specifications
| Power type | Electricity |
| Chemical pickup type | Draws from pre-mixed solution |
| Number of products unit can draw from | One product |
| Suction line length/diameter | 3/8 in. (9.5 mm) inside diameter |
| Capacity | 15 gallons (56.8 liters) |
| Discharge line length/diameter | 25 ft. (7.6 m) coiled twin-line tubing with 1/4 in. (6.4 mm) outside diameter |
| Discharge wand/tip type | Handheld double-barrel misting wand with one nozzle or Polypropylene trigger handle with misting nozzle |
| Output distance | 3-4.5 ft. (0.9-1.4 m) |
| Output volume | 8.9 oz/min (263.2 ml/min) at 50 psi (3.4 bar) |
| Flow rate* | 8.9 oz/min (263.2 ml/min) at 50 psi (3.4 bar) |
| Pump seals | Santoprene, Viton, or Kalrez |
| Run time from full tank** | Approx. 3.5 hours |
| Nozzle type | Pneumatic fog nozzle |
| Number of nozzles | 1 nozzle |
| Droplet size | See Micron Size data on Page 6 |
| Wheel type | Two 10 in. (25.4 cm) non-marking wheels Two 5 in. (12.7 cm) casters with lock |
* Dilution rates and flow rates given are based on chemical with viscosity of water and factory air pressure settings.
** Area covered and run time may vary based on humidity, air flow, and product used.
MU-AC-15N Micron Size
· Micron Size Testing Parameters for PFN-N130 · Micron size measured using a Malvern Particle Analyzer 19.5 inches from nozzle averaged over 15s at a rate of 25Hz using a 300mm lens · Backplate regulator set to 50psi · Compressor tank pressure set to 40psi · Micron size is Volume Median Diameter* · *Due to pump cycle fluctuations, VMD should be considered +/- 15%
MU-AC-15N Micron Size Chart (40 psi @compressor) | ||||
| Hose part number | CT25 | H14TRB-50 | H14TRB-100 | H14TRB-150 |
| Hose length (feet) | 25 | 50 | 100 | 150 |
| Droplet size (µ) | 44.6 | 46.4 | 58.1 | 67.3 |
Product components
Before you begin get to know the MU-AC-15N and MU-AC-15N-PSGN130 components that you will need to use, adjust or assemble.
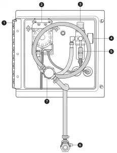
Back plate assembly · Inside view

- Hinged back plate
- Quick-change pump
- Air regulator
- Air pressure gauge
- 1/4 tube x 1/4 tube quick-fit check valve
- Suction line valve
- In-line strainer
Tank assembly • Back view


9. PSG-N130 wand
10. Hinged cap assembly
11. Air inlet valve
12. Bulkhead 1/4 in. tube
13. Suction line valve
14. MGA-RAC-N130 wand
Tank assembly • Front view

15. Drain plug
16. Air compressor bracket
17. 120V air compressor – 1HP
18. Tank
19. Air supply line
20. 25 ft. coiled tubing
Assembly
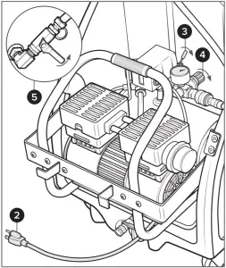
- Remove all components from packaging.
- Remove the compressor bracket from the tank. Note: Save the screws to re-attach the compressor later.
- Place the compressor into the cavity.

- Attach the compressor bracket to the compressor using the included plastic clamps, 1/4-20 screws, and lock nuts.
- Align the holes on the compressor bracket with the holes on the front tank sides and fasten the screws into the tank.
- Attach the ¼ in. blue air hose from that back of the unit to the air compressor using the quick connect fittings.

Operation
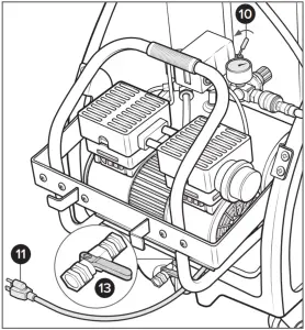
- Follow all instructions from the chemical manufacturer and fill the tank with a ready-touse solution or mix to the chemical manufacturer instructions. Important! Do not spill the solution on the air compressor.
- Plug the unit in to a 120 VAC GFCI protected power outlet.
- Turn the power switch ON to start the air compressor.
- Set the pressure setting to 85 psi.
- Verify that the air shut-off valve at the trigger gun is in the closed position and open the air inlet valve on the back plate.

- On model MU-AC-15-PSGN130:
Point the discharge wand in a safe direction and open the air shut-off valve at the trigger gun. Then squeeze the trigger handle to begin misting.
Note: Both discharge valves should be completely open while misting.
On model MU-AC-15N:
Point the discharge wand in a safe direction and press the red and blue discharge trigger buttons at the same time to begin misting. Note: Both discharge buttons should be completely open while misting. - On model MU-AC-15-PSGN130:


To stop misting, release the trigger handle and the close the air shut-off valve.
On model MU-AC-15N:
To stop misting, release the red and blue discharge trigger buttons.
After Use Instructions - Flush the unit with fresh water for 5 minutes.
- Shut off the air supply to the unit by closing the air inlet valve on the back plate.

- Turn the power switch OFF to shut off the air compressor.
- Unplug the air compressor.
- On model MU-AC-15-PSGN130:
Open the air shut-off valve at the trigger gun and squeeze the trigger handle to relieve any pressure remaining in the unit.
Once pressure is relieved, release the trigger handle and close the air shut-off valve at the trigger gun.
On model MU-AC-15N:
Press the red and blue trigger buttons to relieve any pressure remaining in the unit. Once pressure is relieved, release both trigger buttons. - Depressurize and drain the air compressor tank by opening the ball valve on the compressor tank.



Troubleshooting
| Issue | Solution |
| Air passes through the pump without cycling |
|
| The solution backs up into the air regulator |
|
| The unit operates at a reduced pressure |
|
Air Compressor
| Issue | Possible cause | Solution |
| The compressor stopped and does not start. | Overloaded because of motor overheating. |
|
| Motor windings are burned out. |
| |
| The motor does not start and makes a humming noise. | Low voltage supply to the motor. |
|
| The compressor is noisy with metallic clangs. | Compressor head gasket broken or valve plate faulty. |
|
| Compressor worn or broken piston ring |
| |
| Compressor worn or broken cylinder ring |
|
Parts


| Item number | Description |
| AC120V-1HP-CAT | 120v air compressor – 1hp |
| AG100 | 1.5 in. dry model 20 dual scale gauge |
| AP25 | Air fitting 1/4 mpt x plug-nickel-plated brass |
| BVB14 | Air inlet valve-1/4in mpt x 1/4in mpt |
| CST5SS | 5 in. S.S. Swivel caster with 4 in. wheel |
| CST5SS-L | 5 in. S.S. Swivel caster with 4 in. wheel and lock |
| CT25 | 25 ft. coiled 1/4 in. poly urethane red/blue tubing |
| CV14QF-S | 1/4 Tube x 1/4 tube chk quick fit-small |
| DFP7 | 7 Inch hinged cap assembly – includes black cap, lid flange and hinge pin |
| DP-A | Drain plug assembly for natural portable units – includes plug and gasket |
| H14B-F | 1/4 in. blue hose-hybrid tpe-available per ft. |
| H14BU | 1/4 in. od blue polyurethane tubing – available per ft. |
| H14RU | 1/4 in. od red polyurethane tubing – available per ft. |
| H38B-F | 3/8 in. blue hose-hybrid tpe-available per ft. |
| HBSSEL1438 | Stainless hose barb 1/4 mpt x 3/8 barb elbow |
| HHPB3414 | Hex head poly bushing 3/4 mpt x 1/4 fpt |
| MGA-RAC-N130 | Misting gun assembly-rac gun- PFN-N130 |
| P56 | Pump with santoprene seals – includes hose barbs, air fitting, and exhaust barb |
| P56K | Pump with kalrez seals – includes hose barbs, air fitting, and exhaust barb |
| P56V | Pump with viton seals – includes hose barbs, air fitting, and exhaust barb |
| PFN-N130 | Pneumatic fog nozzle – polypropylene and kynar tip – 3.7 Gal/hr per nozzle |
| PSG-N130 | PSG gun with PFN-N130 |
| PVCV34FM | PVC Valve 3/4 in. fpt X 3/4 in. mpt |
| QF14P | Quick fit-1/4 mpt x 1/4 od tube-polypropylene |
| QF1814SS | Quick fit-1/8 mpt x 1/4 od tube-stainless |
| QFBH14 | Bulkhead 1/4in tube polypropylene |
| R25 | Air regulator – 1/4fpt two port 1/8 fpt two port – includes filter and bowl |
| RAC-GUN-.5 | Polypro body, twin trigger, ss lance, .5 Meter |
| RAC-GUN-N130-BRKT | SS bracket for PFN-N130 on rac-gun |
| STR38-IL-80 | In line strainer-3/8 barb-epdm gasket-20 mesh SS |
| TANK-15N-C | 15 Gallon concentrate tank natural in color |
| TANK-15NC-CATBRKT | SS bracket for cat air compressor on tank-15nc |
| W15 | Non-marking wheel for portable units |
Model: MU-AC-15N, MU-AC-15N-PSGN130 V20210127




























