Pioneer Quantum Series Mini Split Systems

Product Information
The 24 Volt Interface Adapter is an accessory that makes any Pioneer Quantum Series mini split system compatible with 24V analog heat pump thermostats. It is designed to be installed indoors in an area free from drips and moisture. The dimensions of the interface kit are as follows:
- Length: 283mm (11.1 inches)
- Width: 220mm (8.7 inches)
- Height: 63mm (2.5 inches)
It is important to note that the interface kit should not be installed near flammable liquids or gases, as it can create a fire hazard.
Product Usage Instructions
- Before starting the installation, ensure that you have all the necessary parts and tools as listed in Tables 1 and 2 respectively.
- Select a suitable installation location for the 24 Volt Interface Adapter.
- Remove the cover of the interface kit by unscrewing the four screws.
- Mount the back plate of the interface kit vertically on the wall using three screws and anchors.
- Wire the connections according to the specified wiring diagram (Fig. 3).
- Cover the interface kit with the lid and secure it with the locking screw.
Please refer to the product manual for more detailed information on system configuration, application scenarios, and connection wiring specifications.
Read this manual carefully before installing or operating your new air conditioning unit. Make sure to save this manual for future reference.
WARNING
- Wires must be properly sized according to the NEC/NFPA 70, CEC and all prevailing codes, ordinances and standards.
- All conductors must be installed with a strain relief eliminating stress on the wire following installation which may result in wire damage and/or overheating with a potential for fire. Installation must be performed in accordance with the requirement of NEC and CEC by authorized personnel only.
- All wiring to be rated for the control box amperage rating.
- All wiring installed to meet general industry standards and practices,
- Do not install adapter near flammable liquids or gases.
- Do not operate the unit with wet hands, as this could lead to electrical shock.
CAUTION
- When connecting with RS 485 communication to the outdoor unit, shielded wire must be used and grounded at one end only.
- When using shielded wire the cable should be grounded at one end to reduce EMI.
- T1 sensor cable shall not exceed 23′ (7 m).
Read this manual carefully before installing or operating your new air conditioning unit.Make sure to save this manual for future reference.
Wall-Mounted 24V INTERFACE KIT Installation
Wear appropriate personal protection equipment (PPE) when installing or servicing.
24V INTERFACE KIT Dimensions
This interface must be installed indoors in an area free from drips and moisture.
General installation instructions Location and clearances
Preparation Before Installation
- Ensure you have the following parts
No Name Quantity Remarks 1 Control box 1 2 Screws 3 M4*20 (For mounting on the wall) 3 Anchors 3 For mounting on the wall 4 The connective wires group 2 For connecting the sensor 5 5m connective wires group 1 - Prepare the following tools
No Name Quantity 1 Switch box 1 2 Wiring tube (insulating sleeve and tightening screw) 1 - Select installation location
DO NOT install the 24V INTERFACE KIT near flammable liquids or gases such as gasoline or hydrogen sulfide. Doing so creates a fire hazard.
Installation Method
- Remove the cover of 24V INTERFACE KIT Remove the four screws of 24V INTERFACE KIT with a screwdriver or similar tool. Along the hem rotating separation lifted the lid.
Minimum free space required around the kit is 7″ (180 mm). - Mount the back plate of the 24V INTERFACE KIT
Mount 24V INTERFACE KIT vertically, and folding in on, fasten the back plate to the wall with 3 screws (M4x20) and anchors.
NOTE:
Place the unit on a flat surface. Be careful not to distort the back plate of the 24V INTERFACE KIT by over tightening the screws.- When installed vertically, the direction of the arrow must be up.
- Wiring.
- Cover the 24V INTERFACE KIT lid, locking screw.

System Configuration
NOTE:
Thermostat should be configured for use with a conventional system.
The remote controller, wiring controller, central controller and WIFI can not be used with this control box at the same time. Only the Swing and LED furcation can be used.
Connection wiring specification
| Connection wiring | Outdoor 1,2,3 | Indoor 1,2,3 | R,C | Y/W/G/G1/G2/ G3/Dry |
| Size | Refer to outdoor connecting wires size | Refer to indoor connecting wires size | 18AWG (minimum) | 24AWG (minimum) |
Application
* This system is designed for operation with standard 24 vac HVAC thermostats.
* Wifi standard configuration HVAC thermostats may be used such as NEST, Ecobee, Honeywell, etc.
SYSTEM CONFIGURATION SCENARIOS
Four application scenarios°
Scenario No. 1:
Current loop (L1/L2/S or 1/2/3) communication inverter outdoor unit match with other conventional brand 24V indoor unit;
Match with following outdoor units :
- Wall Mounted (Sizes 9K~36K) Cassette (Sizes 9K~24K)
- Ducted (Sizes 9K~24K)
- Console (Sizes 9K~12K)
- Floor ceiling (Sizes 18K-24K)

NOTE:
- T1(Room temperature) sensor should be located in the air inlet side.
- Must remove the TXV or other metering device from the indoor unit.

NOTE:
- T1(Room temperature) sensor should be located in the air inlet side.
- Must remove the TXV or other metering device from the indoor unit.
- If the indoor unit already with a 24V transformer , removing away the transformer from the interface or disconnect the transformer of the interface.
Scenario No. 2:
485 (P Q)or( S1 S2) communication inverter outdoor unit match with conventional other brand 24V indoor unit;
Match with following outdoor units :
- Cassette (Sizes 36K~48K) Ducted (Sizes 36K~60K) Floor ceiling (Sizes 36K-60K)

NOTE:
- T1(Room temperature) sensor should be located in the air inlet side.
Must remove the TXV or other throttl-ing device from the indoor.

NOTE:
- T1(Room temperature) sensor should be located in the air inlet side.
- Must remove the TXV or other throttl-ing device from the indoor.
- If the indoor unit already has a 24V transformer, removing the transformer from the interface or disconnect the transformer of the interface.
Scenario No. 3:
Current loop (L1 L2 S or 1 2 3) inverter outdoor unit match with current loop inverter indoor unit;
Match the following indoor units with the corresponding compatible SINGLE ZONE and multi zone outdoor units:
- Wall Mounted (Sizes 9K~36K)
- Cassette (Sizes 9K~24K)
- Ducted (Sizes 9K~24K)
- Console (Sizes 9K~12K)
- Floor ceiling (Sizes 18K-24K)
- Multi system (2 zone, 3 zone, 4 zone, 5 zone)

NOTE:
- Please connect thermostat G to 24V interface G as default.
- Make sure the power supply is correct.
- For Wall Mounted unit ,the up-down swing louver and the display on/off funcation is available by the wireless remote controller.
- Remove 24V control box T1 sensor when match with indoor unit,which has T1 sensor.
Scenario No. 4:
485 (P Q)or( S1 S2)inverter outdoor unit match with 485 inverter indoor unit ;
Match the following indoor units with the corresponding compatible SINGLE ZONE outdoor units:
- Cassette (Sizes 36K~48K)
- Ducted (Sizes 36K~60K)
- Floor ceiling (Sizes 36K-60K)
NOTE:
- Please connect thermostat G to 24V interface G as default.
- Make sure the power supply is correct.
- Remove 24V control box T1 sensor when match with indoor unit, which has T1 sensor.
Key Considerations
- The following steps should be taken when using this device with a conventional central air conditioning unit:
- Indoor coil metering device must be removed. 24V transformer in the interface module must be disconnected.
- Refrigerant charge amount may need to be adjusted, depending on the pipe size and length, see outdoor recharge instruction. The maximum air flow should not exceed 400 CFM/Ton.
- When the indoor air handler or furnace has its own 24 vac transformer, you must disconnect all four wires of the kit transformer.
Suction and liquid refrigerant lines must be properly insulated to prevent condensation and energy loss.
- You must remove the expansion device from an indoor evaporator coil as the refrigerant is controlled by a metering device in the outdoor unit.
- The following steps should be taken when using this device with a Hi wall (9K-36K Btu/hr) Cassette, Console, Duct, Floor Ceiling (9K – 24K Btu/hr).
- Power switch on new board is changed. Indoor unit power switch setting, ENC-1 must be changed to the proper motor wattage: Eg. 36K = 8 48K = 9
Control Logic
Connector
| Connector | Purpose |
| Y | Cooling |
| W | Heating |
| G | Fan- Auto speed |
| AUX/DRY | Aux-Heat/Dry |
Mode setting
| Y | W | G | Aux/Dry | Setting mode |
| √ | X | * | * | Cooling |
| X | √ | * | X | Heating (without aux-heater) |
| X | √ | * | √ | Heating (with aux-heater) |
| X | X | √ | X | Fan only |
| √ | √ | * | * | OFF |
| X | X | X | X | OFF |
| X | X | * | √ (Dry) | Dry |
| X | X | * | √(AUX) | Emergency heating |
Fan speed setting
| Unit ON/OFF G Setting fan speed | ||
| √ | X | Auto fan speed |
| √ | √ | Auto fan speed |
| X | X | Fan OFF |
| √ | ON |
| X | OFF |
| * | ON or OFF |
DIP Switch Definitions
DIP SWITCHES CONFIGURATION
The 24V INTERFACE KIT must be configured to operate properly with the system components with which it is installed. To successfully configure the system move the Dip Switches to match the components and functions used.

Dip Switch 1-1
Used to turn ON or OFF the diagnostic code display LED on the control board of the 24V Interface Kit.
| SW1-1 | Result | Note |
| ON | Display on | |
| OFF | Display off | Default |

Dip Switch 1-2
Used for selection of the indoor unit type.
| SW1-2 | Result | Note |
| ON | Sets – Both Ductless Indoor and Outdoor Units | |
| OFF | Outdoor only —– Compatible with other fix speed 24V control indoor (Wall Hung/ Pancake etc.). Note:
|
Default |
NOTE: If this control box is matched with other brand indoor unit, you must set OFF.
Dip Switch 2-1
Used for selection of the system: Cooling Only or Heat Pump.
| SW2-1 | Result | Note |
| ON | Cooling only | |
| OFF | Heat pump | Default |
Dip Switch 2-2
Used for freeze protection of the indoor coil.
| SW2-2 | Result | Note |
| ON | Fan do not stop | |
| OFF | Fan will stop if the indoor coil temperature is low | Default |
NOTE : Applicable only to Ductless Style Indoor (scenario 3 and 4) Heat Pump units in Heating Mode.
Dip Switch 3-1
Dry is used for thermostats with a Dry Function output. An auxiliary heater is used on the Ducted Style Indoor Units (scenario 3 and 4) to control a secondary Heat Source.
| SW3-1 | Result | Note |
| ON | Dry | |
| OFF | Aux-heater | Default |
Dip Switch 3-2
Used to increase the compressor frequency in case the set point has not been reached after 1 hour or 30min of operation.
| SW3-2 | Result | Note |
| ON | 1h | |
| OFF | 30min | Default |
Dip Switch 4-1
| SW4-1 | Note |
| OFF | Default |
For factory test only.
Dip Switch 4-2
| SW4-2 | Note |
| OFF | Default |
For factory test only.
Error Codes
| Display Malfunction & protection indication | |
| E0 | Indoor EEPROM error |
| E2 | Cross-zero detection error |
| E3 | Indoor fan speed malfunction |
| E4 | Indoor room temperature sen sor error |
| E5 | Evaporator coil temperature sensor error |
| EC | Refrigerant leak detection system malfunction |
| F0 | Current overload protection |
| F1 | Outdoor ambient temperature sensor (T4 ) malfunction |
| F2 | Condenser coil temperature sensor (T3) malfunction |
| F3 | Condenser coil temperature sensor (T5) malfunction |
| F4 | Outdoor unit EEPROM parameter error |
| F5 | Outdoor fan speed has been out of control |
| F6 | T2b sensor error |
| P0 | Inverter module (IPM) malfunction |
| P1 | Over-voltage or under-voltage protection |
| P2 | Compressor top high temperature protection (OLP) |
| P3 | Low ambient temperature cut off in heating |
| P4 | Compressor drive malfunction |
| P6 | Compressor low-pressure protection |
| 00 | Module boot mode and indoor running mode for power off |
| IN | Module and indoor unit communication malfunction |
| OU | Module and outdoor unit communication malfunction |
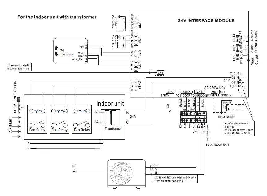
Wiring Diagram

The design and specifications are subject to change without prior notice for product improvement. Consult with the sales agency or manufacturer for details.

Minimum free space required around the kit is 7″ (180 mm).
Mount 24V INTERFACE KIT vertically, and folding in on, fasten the back plate to the wall with 3 screws (M4x20) and anchors.



















