SUB-ZERO PT244-T On-Off Temperature Controller
Introduction
A proportional–integral–derivative controller (PID controller or three-term controller) is a control loop feedback mechanism widely used in industrial control systems and a variety of other applications requiring continuously modulated control. A PID controller continuously calculates an error value as the difference between the desired setpoint (SV) and a measured process variable (PV) and applies a correction based on proportional, integral, and derivative terms (denoted P, I, and D respectively) which give the controller its name. PT244-T is a two-set point PID controller. It is available in the touch & keypad versions. Customized iconic display interprets status easily.
Caution for your safety
WIRING: The probe and its corresponding wires should never be installed in a conduit next to control or power supply lines. The electrical wiring should be done as shown in the diagram. The power supply circuit should be connected to a protection switch. The terminals admit wires of up to 2.5sq mm.
WARNING: Improper wiring may cause irreparable damage and personal injury. Kindly ensure that wiring is done by qualified personnel only.
Maintenance: Cleaning: Clean the surface of the controller with a soft moist cloth. Do not use abrasive detergents, petrol, alcohol or solvents.
Notice: The information in this document is subject to change in order to improve reliability, design or function without prior notice and does not represent a commitment on the part of the company. In no event will the company be liable for direct, indirect, special, incidental or consequential damage arising out of the use or inability to use the product or documentation, even if advised of the possibility of such damages. No part of this manual may be reproduced or transmitted in any form or by any means without the prior written permission of the company.
Controller: Controller should be installed in a place protected by vibration, water, and corrosive gasses and where ambient temperature does not exceed the values specified in the technical data.
Probe: To give a correct reading, the probe must be installed in a place protected from thermal influences, which may affect the temperature to be controlled.
Dimensions
Panel Cutout
Product Mounting
Installation: Fixing and dimensions of panel models: To fix the unit, slide fastener 1 through guide 2 as per the position shown in the figure. Move the fastener in the direction of the arrow, pressing tab 3 permits moving the fastener in the opposite direction of the arrow.
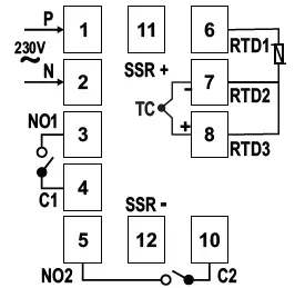
Connection Diagram ( for PT244-T- W2C30 )
Connection Diagram ( for PT244-T- W2C30AA )
Connection Diagram ( for PT244-T/K-W2C34 )
Connection Diagram ( for PT244-T/K-W*C34 )
- 12Vac/dc or 24V ac/dc on request
Index

User Interface


Model Description
- PT244-T-W2C34 / PT244-K-W2C34 – Two Relay
- PT244-T-W2C30AA – Single Relay
- PT244-T-W2C30 / PT244-K-W2C30 – Single Relay
- PT244-T-W5C34 / PT244-K-W5C34 – Two Relay
Technical Specification
- Housing: Polycarbonate Plastic
- Dimensions: Frontal : 48 X 48mm, Depth : 78mm
- Panel Cutout: 45.5 X 45.5mm
- Mounting: Flush panel mounting with fasteners.
- Protection: IP65 Front
- Connections: Terminal connectors. < 2.5sq mm terminal only.
- Display: 4 X 17mm 7 segment Red/White display, 4 X 8mm 7 segment Green display 7 Iconic LEDs for Indication
- Data storage: Non-volatile flash memory
- Operating temp: 0°C to 60°C (non-condensing)
- Operating humidity: 20% to 85% (non-condensing)
- Storage temp: -25°C to 60°C (non-condensing)
- Power input: 230 Vac ±15 %, 50/60Hz Standard. 85 to 265Vac, 12/24Vdc on request.
- Control output: (For all PT244-T- / PT244-K)
- Relay: 5A, 230V AC (Res.) or SSR (field selectable) : 10V DC, 30mA Except – (For PT244-T-W2C30 / PT244-K-W2C30)
- Relay: 10A, 230V AC (Res.) or SSR (field selectable) : 10V DC, 30mA (For PT244-T-W2C30AA)
- Relay: 16A, 230V AC (Res.) or
- SSR (field selectable) : 10V DC, 30mA
- Auxiliary output: (For all PT244-T / PT244-K)
- Relay: 5A, 230V AC (Res.)
- Input Type: RTD : Pt100
- Thermocouple: J, K
- Resolution: 0.1OC / 1OC for RTD (Pt100) input 1OC for Thermocouple (J, K) input
- Display Accuracy: RTD : 0.1% of F.S +/- 1OC
- Thermocouple: 0.3% of F.S (20 min of settling time for TC)
- Sampling Period: 1 second
Input types & Input range
| Input Type | Decimal Point | Display | Input Range (OC) | |
| Thermocouple | J | 1 | -50 to 750OC | |
| K | 1 | -50 to 1200OC | ||
| RTD | Pt 100 | 1 | -99 to 400OC | |
| 0.1 | -99.9 to 400.0OC | |||
Working
Auto tuning
The Auto-tuning function automatically computes and sets the proportional band (P), Integral time (I), and Derivative time (D) as per process characteristics.
- While Auto-tune is in progress “AUTO” led will turn ON.
- After Auto-tuning is complete the “AUTO” led will turn OFF.

If auto-tuning is not complete after 3-4 cycles, it is suspected to fail. In this case, check the wiring & parameters such as the control action, input type, etc. Carry out the auto-tuning again, if there is a change in setpoint or process parameters.
Note: In Auto Tuning running time, the user can not change the parameter value.
ON/OFF control action (For reverse mode)
The relay is ‘ON’ up to the set temperature and cuts” OFF” above the set temperature. As the temperature of the system drops, the relay is switched ‘ON’ at a temperature lower than the set point.
HYSTERESIS: The difference between the temperature at which the relay switches ‘OFF’ is the hysteresis or dead band.
Dwell Time
A dwell timer is used to control a process at a fixed temperature for a defined period. Once the process reaches the setpoint, the dwell timer starts to count until time out. After the time completes, control output goes OFF and auxiliary output energizes as an alarm.
Note
- The countdown timer is displayed on the lower display. Once total time elapsed lower display will show ” “. (Not applicable for PT244-K)
- DWL icon LED blinking indicates that the dwell timer is in progress. It switches to continuous ‘ON’ when the dwell timer is over.
- If Dwell time is programmed as OFF, it will disable the dwell timer.
- When soaking in progress & dwell time is modified, new dwell time is applicable.
- The dwell period can be reduced or increased when the timer is running. if it is reduced to meet the time elapsed. the timer will change to the end state.
- Once the timer output was energized it can be reset with the Reset key.
Initial Display when Power is ON
When power is On, the entire display part will flash for 3 sec, the software version will flash for 3 sec, and then enter into RUN mode.
- Entire display Part.
- Run Mode.
Parameter Setting Mode
Parameter: Function: To set control1 set point
- Press & hold
the key for 2 seconds.
The display will show. Users can change the value using the UP/ DOWN keys. Holding the key will change the value at a faster rate. Press the key to store the desired value & move on to the next parameter.( For 2 relays / Dwell). Set value also can be stored by pressing
Key.
Parameter: Function: To set control2 set point. (For 2 Relays)
This parameter is prompted only if Relay 2 is configured in ![]()
- As absolute auxiliary control or as an alarm (High/Low) mode.
- As deviation auxiliary control or as a deviation alarm mode.
Note: If
set to OFF,
will not be shown in the SP setting.

Parameter: Function: Sets the dwell time.
- This parameter is prompted only if Relay 2 is configured in
as “
“. - This parameter is prompted only if
the parameter in
is configured as
. (Only for Single Relay) - For dwell timer operation please refer Working section.

LEVEL1 Parameter
Press & hold
the key for 4 seconds to enter into the Level1 parameter setting( will flash). When releasing the key, will flash. Press the UP/DOWN keys to modify the set value and to go to the next parameter by pressing
a key. Press the
key to save the set value and to come out of the parameter setting after changing the set value.
Parameter: Function: Sets the type of input sensor.
While changing the sensor type![]()
parameters of level1 will reset accordingly.
For the type of input sensor & range please refer “Input types & Input range” table.
For J-type sensor
Parameter: Function: Sets input correction.
In the time it may be possible that the display may be offset by a degree or so. To compensate for this error, the user may need to add or minus the degrees required to achieve the correct temperature.
Example: The temperature on the display is 28OC, whereas the actual temperature is 30OC. The user will have to set the ” ” parameter to 2OC, which means that once out of the programming mode, the temperature on display will be 30OC (28OC+ 2OC).
Parameter: Function: Sets the lower limit of PV input.
- Sets the minimum limit for set point adjustment. It can be set from the minimum specified range of the selected sensor to the HSV-1 value.
- Once set at a particular value, this will not allow the set point to go below this value.
- When changing the setting value and SV < LSV, SV will reset as LSV.
For J-type sensor
Parameter: Function: Sets the upper limit of PV input.
- Sets the maximum limit for set point adjustment. It can be set from the LSV+1 value to the maximum specified range of the selected sensor.
- Once set at a particular value, this will not allow the set point to go above this value.
- When changing the setting value and SV > HSV, SV will reset as HSV.
For J-type sensor
Parameter: Function: To set Dwell Timer.
(Only for Single Relay)
- When Set to YES Dwell timer is enabled.
Note: When selected dwell time can be set in Set Mode.
Parameter: Function: To set maximum allowable high-temperature limit. (only for a Single relay)
Example: If this parameter is set to 700OC and the temperature reaches or goes above 700OC, the display will show a (High Temp.) alarm indicating that the temperature has reached or gone above the value set in this parameter.
Note: Ht fault will be ignored at every power ON.
![]()
(Message on display)
Parameter: Function: To set minimum allowable low-temperature limit. (only for a Single relay)
Example: If this parameter is set to -40OC and the temperature reaches or goes below -40OC, the display will show a (Low temp) alarm indicating that the temperature has reached or gone below the value set in this parameter.
(Message on display)
Parameter: Function: Sets control action for relay2. (only For 2 Relay)
This parameter is used to set the required control action for relay 2 as,
= No action
- = Reverse
- = Forward
- = Dwell time

Parameter: Function: Set the hysteresis for ON-OFF action in Control2. (only For 2 Relays)
This parameter will be prompted only if the selected control action is rE (reverse) or Fd (forward) in the setting. It sets the deadband between ON & OFF switching of the output.
Example: (For Fd control): If the set point is set at 100OC and hysteresis is set at 2OC, then when the system reaches 100OC, the heater relay will go OFF. Since the hysteresis is 2OC, the heater relay will get ON (restart) at 102OC (100OC +2OC).
Parameter: Function: Sets the alarm type. ( only For 2 Relay)
It’s applicable when is (reverse) or (forward). This parameter will be prompted only if the selected control action is rE (reverse) or Fd (forward) in the setting. It sets the deadband between ON & OFF switching of the output.
Example: (For Fd control): If the set point is set at 100OC and hysteresis is set at 2OC, then when the system reaches 100OC, the heater relay will go OFF. Since the hysteresis is 2OC, the heater relay will get ON (restart) at 102OC (100OC +2OC).



Alarm Types ( only for Two Relay )

: Alarm output hysteresis
LED Indication
| LED | Status | Description |
| OUT 1 | ON | Relay1 / SSR ON. |
| OFF | Relay1 / SSR OFF. | |
| OUT 2 | ON | Relay2 ON. |
| OFF | Relay2 OFF. | |
| AUTO | ON | Tuning is in progress. |
| OFF | Tuning Stop. | |
| DWL | FLASHING | Dwell timer is in progress.. |
| ON | Dwell time elapsed. | |
| OFF | Dwell timer disabled. | |
| AL 1 | ON | Alarm relay ON. |
| OFF | Alarm Relay OFF. | |
| ON | Alarm indication ON. (for Single Relay) | |
| OFF | Alarm indication OFF. (for Single Relay) | |
| ON | Parameters are Locked. | |
| OFF | Parameters are Unlocked. |
Error Messages

Pro-Key ( On Request ) (Not for Single Relay)
To use Pro-key user must insert it prior to powering ON. Insert the prokey and power the ON controller. When the display flashes for 5 seconds, touch
the key for 1 second. The controller will enter into Pro-key mode and will display
. Then touch either of the below-given keys to use the Pro-key. Functions of Pro-key and the keys to be used for are as given below:
| Function | Keys to be Used | |
| To upload the parameters from the controller | touch “ | key |
| To download the parameters to the controller | touch “ | key |
| To set and exit | touch “ | key |
If a user tries to enter Pro-key mode without inserting the pro key or with the wrong connection, no further function will be activated after displaying “
or
”. The controller will display “
”. Then switch off the controller and insert the pro key properly and try to enter Pro key mode. User has to first Upload the parameters in the Subzero Validated Blank Pro-Key and then subsequently use it for downloading.
Uploading mode
- Press the key
to upload the parameters to Pro Key. The lower display will show once uploading is done. - Press
the to exit display will show…….. and return to the normal display.
Downloading mode
- Similarly, connect the Pro key to the controller.
- Press
the key to download all parameters from the Pro key to the controller. - The lower display will show once the download is done.
- Once done press
the key to exit and the display will flash and return to normal mode.
Ordering Information

Calibration Certificate

The calibration of this unit has been verified at the following values:

The instrument is confirmed accepted as accuracy is within the specified limit. This certificate is valid upto one year from the date of issue.
Checked By ………………………
(Specifications are subject to change since development is a continuous process.)
PVR Controls, India
Disclaimer: This manual & its contents remain the sole property of PVR CONTROLS. India and shall not be reproduced or distributed without authorization. Although great care has been taken in the preparation of this document, the company or its vendors in no event will be liable for direct, indirect, special, incidental or consequential damage arising out of the use or inability to use the product or documentation, even if advised of the possibility of such damages. No part of this manual may be reproduced or transmitted in any form or by any means without the prior written permission of the company. PVR CONTROLS. reserves the right to make and changes or improvements without prior notice.
Warranty
This product is warranted against defects in materials and workmanship for a period of one year from the date of purchase. During the warranty period, products determined by us to be defective in form or function will be repaired or, at our option, replaced at no charge. This warranty does not apply if the product has been] damaged by accident, abuse, and misuse or as a result of service or modification other than by the company. This warranty is in lieu of any other warranty expressed or implied. In no event shall the company be held liable for incidental or consequential damages, including lost revenue or lost business opportunity arising from the purchase of this product.
OUR OTHER PRODUCTS
- Digital Panel Meter
- Power Analyzer
- Timer , PLC, HMI
- Data Logger


























