Guardian G1806LH Brass Eyewash Deck Mounted

Application
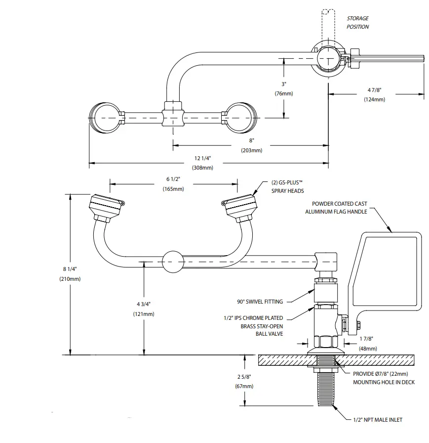
Eyewash for mounting on counter next to sink. Spray heads swivel 90 degrees from storage to operational position. Water flow is activated by flag handle.
Spray Head Assembly
Two GS-Plus™ spray heads. Each head has a “flip top” dust cover, internal flow control and filter to remove impurities from the water flow.
Valve: 1/2″ IPS chrome plated brass stay-open ball valve. Valve is US-made with chrome plated brass ball and PTFE seals.
Mounting
Unit may be mounted on right side (G1806) or left side (G1806LH) of sink. Furnished with locknut and washer for securing unit to countertop.
- Construction: Polished chrome plated brass
- Supply: 1/2″ NPT male inlet.
- Sign: ANSI-compliant identification sign.
- Quality Assurance: Unit is completely assembled and water tested prior to shipment.
Available Options
- G6020 Thermostatic mixing valve precisely blends hot and cold water to deliver tepid water as required by ANSI Z358.1-2014. Refer to “Thermostatic Mixing Valves” section for complete technical and product selection information.
- G1806 Eyewash, Deck Mounted, 90° Swivel, Right Hand Mounting
- G1806LH Eyewash, Deck Mounted, 90° Swivel, Left Hand Mounting

DIMENSION

NOTES:
- EACH GS-PLUS™ SPRAY HEAD HAS A “FLIP-TOP” DUST COVER, INTERNAL FLOW CONTROL AND FILTER TO REMOVE IMPURITIES FROM THE WATER FLOW.
- SECURE UNIT TO COUNTER USING MOUNTING SHANK AND LOCKNUT.
Due to continuing product improvement, the information contained in this document is subject to change without notice. All dimensions are ± 1/4″ (6mm).
Listed 8116. Units have been
tested to and comply with
ANSI Z358.1-2014 and the
Uniform Plumbing Code.
Guardian Equipment
1140 N North Branch St
Chicago, IL 60642
312 447 8100 TELEPHONE
312 447 8101 FACSIMILE
gesafety.com


















