Bradley S19-921 Gravity-Fed Eyewash

IMPORTANT
- Read this installation manual completely to ensure proper installation, then file it with the owner or maintenance department. Compliance and conformity to drain requirements and other local codes and ordinances is the responsibility of the installer.
- Separate parts from packaging and make sure all parts are accounted for before discarding any packaging material. If any parts are missing, do not begin installation until you obtain the missing parts.
- Test the unit for leaks and adequate water flow. The inspection and testing results of this equipment should be recorded weekly to verify proper operation. This equipment should be inspected annually to ensure compliance with ANSI Z358.1.
- Workers who may come in contact with potentially hazardous materials should be trained regarding the placement and proper operation of emergency equipment per ANSI Z358.1.
- For questions regarding the operation or installation of this product, visit www. bradleycorp.com or call 1-800-BRADLEY.
- Product warranties and parts information may also be found under ”Products” on our web site at www.bradleycorp.com.
- This unit is to be used with tepid, potable water as defined by ANSI Z358.1. (Note: avoid prolonged exposure to ambient heat sources above 100° F, or below 60° F).
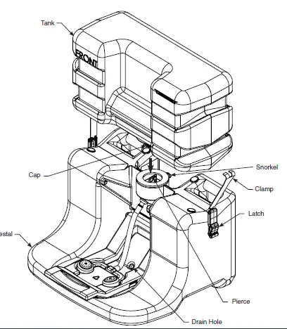
Components

Installation
- Step 1: Mount eyewash pedestal to wall (optional)

CAUTION: Eyewash station weighs 60 lbs when filled to capacity. Due to this weight, assistance from another individual is required to safely install the unit. Mounting bracket screws and wall anchors must be strong enough to support the filled unit.- To mount the pedestal to the wall, follow the procedure outlined below:
- Secure the mounting bracket to the wall with screws and wall anchors (provided by installer).
- Attach the pedestal to the mounting bracket at the handles on the back of the unit.
- Check condition of gasket; ensure clamps are out of the way.
When mounting the eyewash unit to the mounting bracket, make sure the unit is level and the sprayheads are at a height of 33-45″ from the floor and situated at least 6″ from the wall or nearest obstruction (ANSI Z358.1-2009).
- To mount the pedestal to the wall, follow the procedure outlined below:
- Step 2: Fill and mount tank

- Pour clean, potable, tepid water into the tank; continue pouring until the tank is ¹⁄₃ to ½ full.
- Add water preservative (not included) to the eyewash tank. Follow the manufacturer’s instructions for the proper use of water preservative.
- Add clean, potable, tepid water to the tank until the water level reaches the fill line.
- Insert one liner into the cap (with hole) and attach the cap to the top of the tank.
FOR TANK INSTALLATION: To ensure proper installation, the tank should be placed on the pedestal from the front of the unit. - Invert the tank and place it on top of the pedestal as shown on page 5. The pierce on the pedestal will puncture a hole in the cap liner and allow solution to flow.
- Raise the arm to snap fit in an upright position. A slight adjustment to the position of the tank may be required for proper level placement of the tank on the pedestal.
- Secure the tank to the pedestal using the side tank clamps. Make sure the latches are pulled down tight to the pedestal (see page 5).
- Lower the arm to activate the water flow. Allow the water to flow until air bubbles form in the tank. Raise the arm and “snap” in the upright position. The system is now ready for use.
After the tank is mounted to the pedestal, minor spillage may occur. Allow the fluid to stabilize completely before inspecting the unit for leaks.
- Step 3: Test eyewash unit

- After completing installation, test the eyewash station for proper operation by pulling down the tray. Check for proper water flow and quickly close the tray. Visually inspect the eyewash unit weekly for cleanliness and proper solution level (per ANSI Standard Z358.1-2009). When the water level drops below the 15-minute fill line, the tank must be emptied and then refilled. To refill the eyewash tank, follow the procedures outlined in Step 2 found on page 4.
- Attach the eyewash inspection tag (supplied) to the eyewash unit. This tag is to be used for weekly inspection documentation. Hookand- loop fasteners are provided to attach the tag to the unit.
- If the eyewash unit is not working properly, remove it from the hazard area and contact Bradley Corporation immediately.
Maintenance
Follow the manufacturer’s instructions for the proper use of water preservative.
Inspect eyewash unit
- Visually inspect the eyewash unit weekly for cleanliness and proper solution level (per ANSI Standard Z358.1-2009).
- Activate the eyewash unit each time the solution is replaced to ensure proper operation. If the unit is not working properly, remove it from the hazard area and contact Bradley Corporation immediately.
- Check the sprayheads’ water spray pattern for an even, continuous flow. The sprayheads are attached to the arm with screws and can be detached from the tray for cleaning or obstruction removal, if necessary, and reattached (use a ⁹⁄₆₄” hex-head Allen wrench to remove and reinstall the sprayheads).
- Check the water supply hose at the basin of the eyewash unit for cracks, leaks or wear.
- Check the entire unit for possible water leakage.
- Check the solution for contamination and replace with fresh solution, if necessary.
Clean eyewash unit
When using potable water and water preservative (recommended):
- Carefully remove the eyewash tank from the pedestal and drain the water solution from the tank (dispose of the solution properly). For ease of draining, the pedestal has a drain hole which will accept a ½” I.D. tube at the underside of the hole (tube supplied by others) (see page 5 for drain hole location).
- Clean the inside of the tank using warm water and a mild soap product; rinse thoroughly.
- Refill the eyewash tank following the procedures outlined in Step 2 found on page 4. Follow instructions
of the preservative manufacturer for the proper use of water preservative. - Reinstall the eyewash tank following the procedure outlined in Step 2 found on page 4.
When using potable water only:
- Empty the tank any time from once per week to once per month, depending on the quality of your water supply. The manufacturer is not responsible for variations in the water supply.
- Clean the inside of the tank using warm water and mild soap. Rinse the tank thoroughly with warm water.
- Refill the eyewash tank with tepid potable water.
To operate eyewash unit
- Begin operation by pulling down the tray.
- Hold eyelids open with thumbs and forefingers. Rotate eyes back and forth to ensure a complete rinse. Allow water to bathe both eyes simultaneously for a minimum of 15 minutes.
- Seek medical attention immediately after use. Do not lean on the eyewash tray when in the opened position. Damage to unit may result.























