Kingfisher KF400GW Deluxe Glasswasher

GENERAL INFORMATION
Before installing the appliance, read operation and maintenance instructions carefully. Wrong installation and part changing may damage the product or may cause injury on people. These are not in our company’s responsibility to damage the appliance intentionally, negligence, detriments because of disobeying instructions and regulations, wrong connections. Unauthorized intervention to appliance invalidates the warranty.
- This instruction manual should be kept in a safe place for future reference.
- Installation should be made in accordance with ordinances and security rules of that country by a qualified service personnel.
- This appliance has to be used by trained person.
- Please turn off the appliance immediately in the event of malfunction or failure. The appliance should be repaired only by authorized service personnel. Please demand original spare part.
PRODUCT DESCRIPTION
*The Professional Glasswasher ,that provides high efficiency has been designed to be used in industrial kitchens.
| Product Code | Dimensions (mm) | Weight (kg) | Packaging Dimensions (mm) |
| KF400GW | 480x580x720 | 41 | 590x510x880 |
TECHNICAL INFORMATION
| Product Code | Capacity (glass/h) | Basket Dimension (mm) | Power (KW) | Operating Voltage (V) | Water Pressure | Program Time (min) | Cable (mm2 ) | Fuse (A) |
| KF400GW | 1000 | 400×400 | 3KW | 220 | 2-4 | 3 | 3×2,5 | 13A |
TRANSPORTATION
*This appliance can not be moved by hand from area to area. It must be moved on pallet with forklift truck.
UNPACKING
*Please unpack the package according to the security codes and ordinances of current country and get rid from the pack. Parts which contacts with food are produced by stainless steel. All plastic parts are marked by material’s symbol.
*Please check that all the parts of appliance had come completely and if they are damaged or not during the shipping.
INSTALLATION
- Please place the product to straight and sturdy ground, please take necessary steps against possibility of overturn.
- Technician who will serve for installation and service for the appliance must be professional on this subject and must have installation and service licenses by the company.
- Connection to Electric Power Supply must be done by authorized person.
- Please be sure that the voltage connected to appliance must be equal with the voltage which is on appliance’s label.
This appliance must be connected to an earthed outlet in accordance with safety rules and standards. - Appliance’s earthing must be connected to earthing line on panel which is nearest to electric installation.
- Connection to the main fuse and leak current fuse must be done in accordance with the current regulations.
SAFETY INSTRUCTIONS
Do not use the appliance in insufficient lighted place.
Do not touch the moving attachments while the appliance operates.
Do not install the appliance in the presence of flammable or explosive materials.
Do not operate the appliance when the machine is empty.
Do not load so less or more than appliance’s capacity.
Do not attempt to use the appliance without suitable protective equipment.
Because of any reason if there is a fire or flame flare where the appliance is used, turn off all gas valves and electric contactor switch quickly and use fire extinguisher .Never use water to extinguish the fire.
All the damages because of not having earthing connection will not be on warranty.
Do not wash the decorated glasses. Prevent silver wares to contact with the other metals.
OPERATION
*Control Panel;

A: Water inlet-Rinsing lamp
B: Water heated lamp
C: Washing lamp
D: Evacuation lamp
E: Evacuation
F: Water inlet
G: Washing time (second)
Operating
- Change the water that is in water tank 3 times in a day.
- Before putting the glasses in to the appliance ,make prewash with cold or warm water without using any detergent.
- Turn on water source valve.
- Plug in the appliance.
- In order to take off any residue that remain in storage or pipes, operate the appliance when it is empty.
- In order to operate the appliance switch to ‘Water Inlet’ position. Water Inlet lamp signals. It means power is given to glasswasher, water is given and heated.
- When heating process completed, water heated lamp signals.
- Open the appliance’s lid and put enough detergent into the storage.
- Place the dirty glasses to the baskets.
- Close the lid and switch to washing program. Involved indicator lamp signals and washing process starts.
- Washing process; for hot water and washing with detergent (minimum 55°C) ,for rinsing with hot water (minimum 75°C).
- In order to stop washing, open the lid when it is at ‘Washing’ position.
- In order to go on washing, close the lid when it is at ‘Washing’ position.
- The appliance’s indicator lamp signals to complete washing process. Open the lid and take off the basket that includes washed glasses.
CLEANING & MAINTENANCE
► CLEANING AND MAINTENANCE AFTER EVERY USE
- Always turn off the appliance and disconnect from the power supply before cleaning.
- Clean all surfaces of the appliance with hot soapy water after every use. Rinse and dry with a wet cloth.
- Clean the control panel with soft moisty cloth, if necessary use ineffective detergent.
- Do not use abrasive cleaning chemicals as these can leave harmful residues.
- Do not clean the appliance by spraying water directly, otherwise electric motor may get damaged.
► PERIODIC CLEANING AND MAINTENANCE
- Maintenance should be done by qualified person.
- Clean the limes of the burner, inner surface of the washing tank and water pipes once or twice in a year.
- Clean the limes with using rinsing and washing nozzles once in a month by using vinegar or lime remover.
- Clean the filters in the appliance once in a week. After cleaning be sure that thumbscrew is compressed.
- Clean the appliance’s fountains once in 15 days by detaching it.
TROUBLESHOOTING
| GLASSES ARE NOT WASHED WELL |
|
| GLASSES ARE NOT DRIED WELL |
|
| MIST OVER ON CUPS |
|
| RUST ON CUPS |
|
| MUCH FOAM AT STORAGE |
|
| WASHING OR RINSING HANDLES ARE TURNING SLOWLY |
|
| VISCIDITY ON CUPS |
|
- If glass washing is not done at suitable quality
- If any function of security doesn’t work
► Do not use the appliance
*If these problems are still going on, contact with our authorized services.
SPARE PART LIST-EXPLODING DRAWING

| PRODUCT CODE:EMP.1100 | ||
| NO | PRODUCT NAME | P.CODE |
| 1 | TOP LID | Y.EMP.1100.001 |
| 2 | WARNING LAMP | Y.EMP.1100.002 |
| 3 | SWITCH | Y.EMP.1100.003 |
| 4 | BALLCOCK | Y.EMP.1100.004 |
| 5 | TOP EJECTOR | Y.EMP.1100.005 |
| 6 | LID LOCK | Y.EMP.1100.006 |
| 7 | BASKET | Y.EMP.1100.007 |
| 8 | FILTER | Y.EMP.1100.008 |
| 9 | MOTOR | Y.EMP.1100.009 |
| 10 | LID LOCK PLASTIC | Y.EMP.1100.010 |
| 11 | FRONT LID | Y.EMP.1100.011 |
| 12 | BOTTOM LID | Y.EMP.1100.012 |
| 13 | THERMOSTAT | Y.EMP.1100.013 |
| 14 | DRAINAGE PUMP | Y.EMP.1100.014 |
| 15 | DRAINAGE WEDGE BEARING | Y.EMP.1100.015 |
| 16 | BOILER | Y.EMP.1100.016 |
| 17 | BOWL RESISTANCE | Y.EMP.1100.017 |
| 18 | WATER VALVE | Y.EMP.1100.018 |
| 19 | FEET | Y.EMP.1100.019 |
| 20 | AIR LOCK | Y.EMP.1100.020 |
| 21 | BOTTOM EJECTOR | Y.EMP.1100.021 |
| 22 | EJECTOR HANDLE | Y.EMP.1100.022 |
| 23 | STOPPER | Y.EMP.1100.023 |
| 24 | BASE FRAME | Y.EMP.1100.024 |
| 25 | RINSING NOZZLE | Y.EMP.1100.025 |
| 26 | WASHING NOZZLE | Y.EMP.1100.026 |
| 27 | POLISHER PUMP | Y.EMP.1100.027 |
| 28 | BOILER RESISTANCE | Y.EMP.1100.028 |
| 29 | BOTTOM EJECTOR SHAFT | Y.EMP.1100.029 |
| 30 | TOP EJECTOR SHAFT | Y.EMP.1100.030 |
| 31 | RINSING HOSE | Y.EMP.1100.031 |
| 32 | WEDGE-LEFT | Y.EMP.1100.032 |
| 33 | WEDGE-RIGHT | Y.EMP.1100.033 |
| 34 | POLISHER PUMP HOSE | Y.EMP.1100.034 |
| 35 | BOWL PUMP HOSE | Y.EMP.1100.035 |
| 36 | POLISHER BOILER HOSE | Y.EMP.1100.036 |
| 37 | VALVE BOILER HOSE | Y.EMP.1100.037 |
| 38 | BOWL DRAINAGE HOSE | Y.EMP.1100.038 |
| 39 | TERMINAL BLOCK | Y.EMP.1100.039 |
| 40 | CONTACTOR DiLEM10 | Y.EMP.1100.040 |
| 41 | CONTACTOR DiLEM01 | Y.EMP.1100.041 |
| 42 | FUSE HOLDER | Y.EMP.1100.042 |
| 43 | GLASS FUSE | Y.EMP.1100.043 |
| 44 | WASHING TIME RELAY | Y.EMP.1100.044 |
| 45 | DRAINAGE TIME RELAY | Y.EMP.1100.045 |
| 46 | DRAINAGE WATER HOSE | Y.EMP.1100.046 |
| 47 | CLEAN WATER HOSE | Y.EMP.1100.047 |
| 48 | BALLCOCK HOSE | Y.EMP.1100.048 |
| 49 | SWITCH HOSE | Y.EMP.1100.049 |
| 50 | DETERGENT INLET | Y.EMP.1100.050 |
| 51 | EJECTOR NUT | Y.EMP.1100.051 |
| 52 | WEDGE BEARING NUT | Y.EMP.1100.052 |
| 53 | FILTER BEARING | Y.EMP.1100.053 |
| 54 | BOTTOM BRACKET GASKET | Y.EMP.1100.054 |
| 55 | BOTTOM BRACKET | Y.EMP.1100.055 |
| 56 | RINSING INLET SLEEVE | Y.EMP.1100.056 |
| 57 | LEFT BASKET SLEDGE | Y.EMP.1100.057 |
| 58 | RIGHT BASKET SLEDGE | Y.EMP.1100.058 |
| 59 | LID HANDLE SHEETMETAL | Y.EMP.1100.059 |
| 60 | WEDGE PLASTIC | Y.EMP.1100.060 |
| 61 | LID HANDLE | Y.EMP.1100.061 |
| 62 | BOTTOM LID HANDLE | Y.EMP.1100.062 |
| 63 | LID SCREW | Y.EMP.1100.063 |
| 64 | RESISTANCE LID | Y.EMP.1100.064 |
| 65 | MAGNET | Y.EMP.1100.065 |
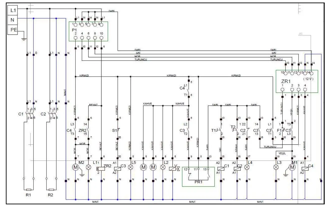
ELECTRIC CIRCUIT SCHEMA

| P1 | 51 | C1 | C2 | C3 | C4 | PR1 |
| 5 Progressive Commutator | Magnetic Door Sensor | Boiler Contactor 230V | Washing Contactor 230V | Lid Contactor 230V | Rinsing Contactor 230V | Prossestat |
| L1 | L2 | L3 | L4 | LS | ZR1 | ZR2 | V |
| Start lamp | Rinsing lamp | Water is heated lamp | Washing lamp | Evacuation lamp | 5 Cycle- cycle Relay (iNTER RR- 5TG) | 0-240 sec. cycle relay | Solenoid valve 230V |
| F1 | T1 | T2 | M1 | M2 | R1 | R2 |
| ZR1 Fuse 500mA | Boiler thermostat (30-90°C | Washing thermostat (30-90°C) | Washing motor 0,55 KW 230V | Evacuation motor 0,44 W230V | Washing resistance 2500W 230V | Boiler resistance 3000W 380V |
| TR1 | TR2 | F1 | M |
| Washing Motor Safety Relay (4.2.A.) | Evacuation Hose Safety Therm1c (4.2.A.) | Leakage Current Safety Fuse 32 A. | Detergent Pumps (220 V.) |















