
![]()
QUICK START USER MANUAL
FOR KINGFISHER DELUXE
UNDERCOUNTER GLASS & DISHWASHERS
INTRODUCTION
Welcome to your new Kingfisher Deluxe Warewasher.
This model refers to more than one type of unit in the range. For reference, refer to the product specifications overleaf to identify your appliance.
Unpacking & Positioning
This appliance is not designed to be moved by hand from area to area. It must be moved into position on a pallet with a forklift or other suitable lifting equipment before unboxing.
Upon unwrapping, inspect the machine for damage immediately. If any issues are noticed, please contact the retailer directly.
Read this user manually carefully, particularly installation instructions overleaf before attempting to use or operate the machine.
Safety Instructions
Do not use the appliance in areas without sufficient lighting.
Do not touch moving parts of the appliance whilst it is in operation.
Do not install or use the appliance in the presence of flammable or explosive materials.
Do not operate the appliance when it is not connected to a water supply
This appliance must be earthed in accordance with local regulations. All damage caused by use when not earthed will not be covered under the warranty.
If for any reason there is a malfunction of the appliance which causes a leak of water, ensure that the electrical supply is switched off at the plug/circuit breaker immediately before touching the appliance.
In the event of a malfunction of the appliance which causes fire or smoke, switch off the electrical supply at the plug/circuit breaker immediately. Do not use water to extinguish and instead use a fire extinguisher suitable for electrical fires.
For further assistance, please call our UK service partner on 01279 876 500 or write an email to [email protected]
PRODUCT SPECIFICATIONS
Model | Dimensions (mm) | Weight (kg) | Packaging Dimensions |
| KF400 | 480x580x720 | 41 | 590x510x880 |
KF500 | 590x700x820 | 67 | 725x650x970 |
Technical Information
Product Code | KF400 | KF500 |
| Capacity | 1000 glasses/hour | 540 plates/hour |
Basket Dimensions | 400x400mm | 500x500mm |
| Total Power | 2.75kw | 3kw |
Motor Power | 0.25kw | 0.55kw |
| Boiler Heating | 2.0kw | 2.5kw |
Tank Heating | 2.5kw | 2.5kw |
| Operating Voltage | 230v | 230v |
Fuse Rating | 13A | 13A |
| Water Pressure | 2-4 bar | 2-4 bar |
Program Timer | 90, 120 or 180 seconds | 90, 120 or 180 seconds |
| Drain Pump | Yes | Yes |
GENERAL INFORMATION
Before installing or using the appliance, read this quick start user manual carefully.
Incorrect installation of the machine may damage the product, cause injury to people and invalidate your warranty. The company is not responsible for damage to the appliance because of incorrect use, negligence, wrong connections etc.
- This instruction manual should be kept in a safe place for future reference
- Installation should be made by a qualified service engineer
- Please check for local regulations and rules about proper use & connection
- The appliance is designed for commercial use & operation by trained personnel only
- In the event of a malfunction or failure, turn off the appliance immediately
- The appliance should only be repaired by authorised service personell.
For further assistance, please call our UK service partner on 01279 876 500 or write an email to [email protected]
INSTALLATION
All Kingfisher Deluxe glass washers & dishwashers are supplied with the following:
- 3 pin 13amp UK Plug (Pre-Installed)
- Drain Hose (Pre-Installed)
- Water Inlet Hose (Not Installed)
- Detergent Intake Pipe (Pre-Installed)
- Rinse Aid Intake Pipe (Pre-Installed)
- Baskets (2)
- Feet (4)
![]()
Please take care when unpacking the unit as the feet do not come preinstalled. Ensure these are installed on to the unit BEFORE moving to the location you are installing to. Once in place ensure unit is level, left to right, front to back as if not this can affect the running of the machine.
Connecting the Water Supply
The mains water hose will be supplied with the unit and located in the wash tank (Seen when retrieving the feet in the previous step).
Connect one end of the hose to the Inlet valve on the unit, ensure to NOT cross thread when screwing on to the unit. Once it has been connected tightly connect the other end of the hose to your mains water supply or water softener where applicable.
Please Note: medium to hard water areas must be connected to a water softener. Failure to do so could damage your machine, cause poor wash results and invalidate your warranty.
Connecting The Waste Outlet
The grey ribbed waste hose will need to be connected to your waste outlet.
All Kingfisher deluxe machines are fitted as standard with a drain pump. However, you must ensure the waste outlet is not higher than three quarters of the height of the unit as this will prevent the pump from operating correctly.
Using an upstand is preferred, as a spigot will reduce the flow rate and may result in dirty water flowing back into the unit.
Connecting To Electrical Supply
All machines, unless otherwise specified, are 13amp 3 pin Plug. Ensure the unit is connected to a dedicated socket with no other items that use an element on the ring.
DO NOT USE AN EXTENSION LEAD OR DOUBLE PLUG.
Connecting To Chemicals
All units will come supplied with automatic chemical dosing pumps fitted internally to the machine. The pickup for these are the two pipes at the rear of the machine.
CLEAR: for glasswash or dishwash detergent
GREEN or BLUE: for rinse aid
Please Note: If the unit has 2 clear pipes fitted, there will stickers to indicate which pipe is used for which stuck to the back of the machine where the pipe exits.
RECOMMENDED ![]()
Wash results and machine longevity can be highly dependant on the quality of chemicals used. Kingfisher has been tested with and always recommends the use of EntirePro.
It is always advisable to make a small hole in the lid of the chemicals and feed the tube through, you will need to remove the weight and filter before doing so, re attach this when the tube has gone through the lid, screwing the lid back on to the chemical bottle. Ensure the chemical dosing tube has been fed through, so it is at the bottom of the bottle. This is to prevent Oxidisation of the chemicals and provide a longer shelf life.
First Use
- Ensure the power is on at the socket, the power light on the front unit will illuminate
- Make sure that the Water valve has been turned on/Water softener is open to the machine
- You are now ready to begin using the unit.
- Turn overleaf for operating instructions.
OPERATION
Control Panel Overview

- POWER
- WASHING & RINSING
- CYCLE SELECT
- DRAINING
- TEMP READY
Filling the machine
1. Using the Black Dial on the right hand side. Turn to position 1.

a) TEMP READY
2. The unit will then fill with water, after a short while this will stop at the required level and automatically start to heat the boiler and tank. This will take between 45 minutes to 1 Hour to fully heat every time you fill the unit. The chemicals will have already dispensed via the internal dosing pumps. Do not add anything to the wash tank that may interfere with this such as washing up liquid or other chemicals.
3. When both tanks are heated to their correct temperatures
- Wash Tanks: 55 – 65 °C
- Boiler: 75 – 85 °C
The temperature indicator light will illuminate to confirm they have reached their set
Starting a wash cycle
1. Please ensure that all items receive a pre rinse before going through the wash cycle. This is to ensure no grease/grime or excess food stuff goes into the wash tank. This will affect your wash results and possibly cause further problems.
2. Place the items in the basket ensuring there is nothing poking through the holes in the basket that may interfere with the bottom wash/rinse arm rotation.
3. Close the door and turn the Black Dial to Position 2, 3 or 4 for your preferred wash cycle. length.

4. The unit will perform the wash cycle and then a small rinse cycle.
5. Once this has completed open the door and remove the tray, closing the door to ensure there is minimal loss of heat. DO NOT PUT THE TRAY ON TOP OF THE UNIT TO DRIP DRY as this will cause electrical problems.
Draining and end of day cleaning
1. When the machine requires to be emptied, generally at the end of the day, remove the tray and release the overflow ensuring the filter remains in place until all of the water has been removed.
2. Turn the black dial to position 5

3. The drain pump will automatically start and water will begin to empty from the tank going through the drain pipe to your external waste pipe.
4. It may be necessary to perform this procedure more than once should there be a small amount of water left in the tank.
5. Once the tank has been completely emptied, please complete your daily/monthly cleaning schedule procedure.
Front Service Panel
Commonly adjusted configurations can easily be changed by the user underneath the front service panel. This can be removed by unscrewing the two screws located at the very bottom front of the machine.
Kingfisher Deluxe 400mm
Temperature controls set-up:

SCAN QR
https://youtu.be/ltMKoJNh6Es
Dosing pump adjustment set-up:

SCAN QR
https://youtu.be/gjVcHnoWffk
Kingfisher Deluxe 500mm
Temperature controls set-up:

SCAN QR
https://youtu.be/ogs8bIjPP6A
Dosing pump adjustment set-up:

SCAN QR
https://youtu.be/S2LVhBQ71Iw
EXPLODED SPARE PARTS DIAGRAM
Kingfisher Deluxe 400mm

PRODUCT CODE:EMP.1100 | ||
| NO | PRODUCT NAME | P.CODE |
1 | TOP LID | Y.EMP.1100.001 |
| 2 | WARNING LAMP | Y.EMP.1100.002 |
3 | SWITCH | Y.EMP.1100.003 |
| 4 | BALLCOCK | Y.EMP.1100.004 |
5 | TOP EJECTOR | Y.EMP.1100.005 |
| 6 | LID LOCK | Y.EMP.1100.006 |
7 | BASKET | Y.EMP.1100.007 |
| 8 | FILTER | Y.EMP.1100.008 |
9 | MOTOR | Y.EMP.1100.009 |
| 10 | LID LOCK PLASTIC | Y.EMP.1100.010 |
11 | FRONT LID | Y.EMP.1100.011 |
| 12 | BOTTOM LID | Y.EMP.1100.012 |
13 | THERMOSTAT | Y.EMP.1100.013 |
| 14 | DRAINAGE PUMP | Y.EMP.1100.014 |
15 | DRAINAGE WEDGE BEARING | Y.EMP.1100.015 |
| 16 | BOILER | Y.EMP.1100.016 |
17 | BOWL RESISTANCE | Y.EMP.1100.017 |
| 18 | WATER VALVE | Y.EMP.1100.018 |
19 | FEET | Y.EMP.1100.019 |
| 20 | AIR LOCK | Y.EMP.1100.020 |
21 | BOTTOM EJECTOR | Y.EMP.1100.021 |
| 22 | EJECTOR HANDLE | Y.EMP.1100.022 |
23 | STOPPER | Y.EMP.1100.023 |
| 24 | BASE FRAME | Y.EMP.1100.024 |
25 | RINSING NOZZLE | Y.EMP.1100.025 |
| 26 | WASHING NOZZLE | Y.EMP.1100.026 |
27 | POLISHER PUMP | Y.EMP.1100.027 |
| 28 | BOILER RESISTANCE | Y.EMP.1100.028 |
29 | BOTTOM EJECTOR SHAFT | Y.EMP.1100.029 |
| 30 | TOP EJECTOR SHAFT | Y.EMP.1100.030 |
31 | RINSING HOSE | Y.EMP.1100.031 |
| 32 | WEDGE-LEFT | Y.EMP.1100.032 |
33 | WEDGE-RIGHT | Y.EMP.1100.033 |
| 34 | POLISHER PUMP HOSE | Y.EMP.1100.034 |
35 | BOWL PUMP HOSE | Y.EMP.1100.035 |
| 36 | POLISHER BOILER HOSE | Y.EMP.1100.036 |
37 | VALVE BOILER HOSE | Y.EMP.1100.037 |
| 38 | BOWL DRAINAGE HOSE | Y.EMP.1100.038 |
39 | TERMINAL BLOCK | Y.EMP.1100.039 |
| 40 | CONTACTOR DILEM10 | Y.EMP.1100.040 |
41 | CONTACTOR DILEM01 | Y.EMP.1100.041 |
| 42 | FUSE HOLDER | Y.EMP.1100.042 |
43 | GLASS FUSE | Y.EMP.1100.043 |
| 44 | WASHING TIME RELAY | Y.EMP.1100.044 |
45 | DRAINAGE TIME RELAY | Y.EMP.1100.045 |
| 46 | DRAINAGE WATER HOSE | Y.EMP.1100.046 |
47 | CLEAN WATER HOSE | Y.EMP.1100.047 |
| 48 | BALLCOCK HOSE | Y.EMP.1100.048 |
49 | SWITCH HOSE | Y.EMP.1100.049 |
| 50 | DETERGENT INLET | Y.EMP.1100.050 |
51 | EJECTOR NUT | Y.EMP.1100.051 |
| 52 | WEDGE BEARING NUT | Y.EMP.1100.052 |
53 | FILTER BEARING | Y.EMP.1100.053 |
| 54 | BOTTOM BRACKET GASKET | Y.EMP.1100.054 |
55 | BOTTOM BRACKET | Y.EMP.1100.055 |
| 56 | RINSING INLET SLEEVE | Y.EMP.1100.056 |
57 | LEFT BASKET SLEDGE | Y.EMP.1100.057 |
| 58 | RIGHT BASKET SLEDGE | Y.EMP.1100.058 |
59 | LID HANDLE SHEETMETAL | Y.EMP.1100.059 |
| 60 | WEDGE PLASTIC | Y.EMP.1100.060 |
61 | LID HANDLE | Y.EMP.1100.061 |
| 62 | BOTTOM LID HANDLE | Y.EMP.1100.062 |
63 | LID SCREW | Y.EMP.1100.063 |
| 64 | RESISTANCE LID | Y.EMP.1100.064 |
65 | MAGNET | Y.EMP.1100.065 |
Kingfisher Deluxe 500mm

PRODUCT CODE: EMP.500 | ||
| NUMBER | PRODUCT NAME | PRODUCT CODE |
1 | TOP LID | Y.EMP.500.001 |
| 2 | SWITCH | Y.EMP.500.002 |
3 | WARNING LAMP | Y.EMP.500.003 |
| 4 | SWITCH BUTTON | Y.EMP.500.004 |
5 | TOP EJECTOR | Y.EMP.500.005 |
| 6 | LID HANDLE | Y.EMP.500.006 |
7 | BOWL RESISTANCE | Y.EMP.500.007 |
| 8 | DRAINAGE WEDGE | Y.EMP.500.008 |
9 | BOILER TANK | Y.EMP.500.009 |
| 10 | LID LOCK PLASTIC | Y.EMP.500.010 |
11 | LID LOCK | Y.EMP.500.011 |
| 12 | TOP EJECTOR HANDLE | Y.EMP.500.012 |
13 | BASE FRAME | Y.EMP.500.013 |
| 14 | RINSING HOSE | Y.EMP.500.014 |
15 | WASHING HOSE | Y.EMP.500.015 |
| 16 | BOTTOM LID | Y.EMP.500.016 |
17 | FRONT LID | Y.EMP.500.017 |
| 18 | DETERGENT PUMP | Y.EMP.500.018 |
19 | THERMOSTAT | Y.EMP.500.019 |
| 20 | WEDGE BEARING | Y.EMP.500.020 |
21 | DRAINAGE PUMP | Y.EMP.500.021 |
| 22 | MOTOR | Y.EMP.500.022 |
23 | BOILER VALVE HOSE | Y.EMP.500.023 |
| 24 | BOWL PUMP HOSE | Y.EMP.500.024 |
25 | DRAINAGE HOSE | Y.EMP.500.025 |
| 26 | FEET | Y.EMP.500.026 |
27 | BOWL DRAINAGE HOSE | Y.EMP.500.027 |
| 28 | AIR LOCK | Y.EMP.500.028 |
29 | VALVE | Y.EMP.500.029 |
| 30 | BOTTOM EJECTOR HANDLE | Y.EMP.500.030 |
31 | DRAINAGE ADD. PIPE | Y.EMP.500.031 |
| 32 | FILTER | Y.EMP.500.032 |
33 | RINSING NOZZLE | Y.EMP.500.033 |
| 34 | WASHING NOZZLE | Y.EMP.500.034 |
35 | EJECTOR SHAFT | Y.EMP.500.035 |
| 36 | BOILER RESISTANCE | Y.EMP.600.036 |
37 | POLISHER PUMP | Y.EMP.500.037 |
| 38 | EJECTOR NUT | Y.EMP.500.038 |
39 | BALLCOCK | Y.EMP.500.039 |
| 47 | FILTER HOLDER | Y.EMP.500.047 |
48 | FILTER NUT | Y.EMP.500.048 |
| 49 | DETERGENT INLET ATTACHMENT | Y.EMP.500.049 |

EMP.500 PANO | ||
NUMBER | PRODUCT NAME | PRODUCT CODE |
| 1 | TERMINAL BLOCK | Y.EMP.500.040 |
2 | CONTACTOR | Y.EMP.500.041 |
| 3 | CONTACTOR | Y.EMP.500.042 |
4 | FUSE HOLDER | Y.EMP.500.043 |
| 5 | GLASS FUSE | Y.EMP.500.044 |
6 | WASHING TIME RELAY | YEMP.500.045 |
| 7 | DRAINAGE TIME RELAY | Y.EMP.500.046 |
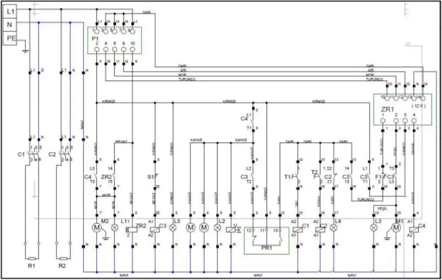
ELECTRIC CIRCUIT SCHEMA
Kingfisher Deluxe 400mm

P1 | S1 | C1 | C2 | C3 | C4 | PR1 |
| 5 Progressive Commutator | Magnetic Door Sensor | Boiler Contactor 230V | Washing Contactor 230V | Lid Contactor 230V | Rinsing Contactor 230V | Prossestat |
L1 | L2 | L3 | L4 | L5 | ZR1 | ZR2 | V |
| Start lamp | Rinsing lamp | Water is heated lamp | Washing lamp | Evacuation lamp | 5 Cycle- cycle Relay (INTER RR-5TG) | 0-240 sec. cycle relay | Solenoid valve 230V |
F1 | T1 | T2 | M1 | M2 | R1 | R2 |
| ZR1 Fuse 500mA | Boiler thermostat (30-90°C) | Washing thermostat (30-90°C) | Washing motor 0,55 KW 230V | Evacuation motor 0,44 W 230V | Washing resistance 2500W 230V | Boiler resistance 3000W 380V |
TR1 | TR2 | F1 | M |
| Washing Motor Safety Relay (4.2.A.) | Evacuation Hose Safety Thermic (4.2.A.) | Leakage Current Safety Fuse 32 A. | Detergent Pumps (220 V.) |
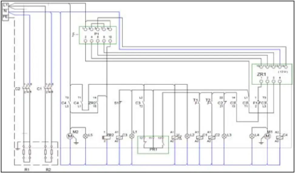
Kingfisher Deluxe 500mm

P1 | S1 | C1 | C2 | C3 | C4 | PR1 |
| 5 Progressive Commutator | Magnetic Door Sensor | Boiler Contactor 230V | Washing Contactor 230V | Lid Contactor 230V | Rinsing Contactor 230V | Prossestat |
L1 | L2 | L3 | L4 | L5 | ZR1 | ZR2 | V |
| Start lamp | Rinsing lamp | Water is heated lamp | Washing lamp | Evacuation lamp | 5 Cycle- cycle Relay (INTER RR-5TG) | 0-240 sec. cycle relay | Solenoid valve 230V |
F1 | T1 | T2 | M1 | M2 | R1 | R2 |
| ZR1 Fuse 500mA | Boiler thermostat (30-90°C) | Washing thermostat (30-90°C) | Washing motor 0,55 KW 230V | Evacuation motor 0,44 W 230V | Washing resistance 2500W 230V | Boiler resistance 3000W 380V |
















