westermo Lynx L105-S1 Industrial Ethernet 5-Port Device Server Switch User Guide

General Information
1.1. Legal Information
The contents of this document are provided “as is”. Except as required by applicable law, no warranties of any kind are made in relation to the accuracy and reliability or contents of this document, either expressed or implied, including but not limited to the implied warranties of merchantability and fitness for a particular purpose. Westermo reserves the right to revise this document or withdraw it at any time without prior notice.
Under no circumstances shall Westermo be responsible for any loss of data or income or any special, incidental, and consequential or indirect damages howsoever caused.
More information about Westermo can be found at www.westermo.com.
1.2. About This Guide
This guide is intended for installation engineers and users of the Westermo products.
It includes information on safety and regulations, a product description, installation instructions and technical specifications.
1.3. Software Tools
Related software tools are available at www.westermo.com/support/software-tools.
1.4. License and Copyright for Included FLOSS
This product includes software developed by third parties, including Free/Libre Open Source Software (FLOSS). The specific license terms and copyright associated with the software are included in each software package respectively. Please visit the product web page for more information.
Upon request, the applicable source code will be provided. A nominal fee may be charged to cover shipping and media. Please direct any source code request to your normal sales or support channel.
1.5. WeOS Management Guide
This product runs WeOS 4 (Westermo Operating System). Instructions for quick start, configuration, factory reset and use of USB port are found in the WeOS Management Guide at www.westermo.com.
Safety and Regulations
2.1. Warning Levels
Warning signs are provided to prevent personal injuries and/or damages to the product. The following levels are used:

Table 1. Warning levels
2.2. Safety Information
Before installation:
Read this manual completely and gather all information available on the product. Make sure it is fully understood. Check that your application does not exceed the safe operating specifications for the product.
SAFETY DURING INSTALLATION
The product must be installed and operated by qualified service personnel and installed into an apparatus cabinet or similar, where access is restricted to service personnel only.
Refer to chapter Compliance Information to see the required level of qualified service personnel according to safety standards.
During installation, ensure a protective earthing conductor is first connected to the protective earthing terminal (only valid for metallic housings). Westermo recommends a cross-sectional area of at least 4 mm2.
If the product does not have a protective earthing terminal, then the DIN-rail must be connected to protective earth. Upon removal of the product, ensure that the protective earthing conductor is disconnected last.
HAZARDOUS VOLTAGE
Do not open an energised product. Hazardous voltage may occur when connected to a power supply
PROTECTIVE FUSE
It must be possible to disconnect manually from the power supply. Ensure compliance to national installation regulations.
Replacing the internal fuse must only be performed by Westermo qualified personnel.
POWER SUPPLY CONNECTION
There are safety regulations governing the power source that can be used in conjunction with the product. Refer to chapter Interface Specifications.
REDUCE THE RISK OF FIRE
To reduce the risk of fire, use only telecommunication line cords with a cable diameter of AWG 26 or larger. Regarding power cable dimensions, see chapter Interface Specifications.
HANDLING OF SFP TRANSCEIVERS
SFP transceivers are supplied with plugs to avoid contamination inside the optical port. They are very sensitive to dust and dirt. If the fibre optic cable is disconnected from the product, a protective plug must be used on the transmitter/receiver. The protective plug must be kept on during transportation. The fibre optic cable must be handled the same way
CORROSIVE GASES
If the product is placed in a corrosive environment, it is important that all unused connector sockets are protected with a suitable plug, in order to avoid corrosion attacks on the gold plated connector pins.
ELECTROSTATIC DISCHARGE (ESD)
Prevent electrostatic discharge damage to internal electronic parts by discharging your body to a grounding point (e.g. use a wrist strap).
HOT SURFACE
Be aware that the surface of this product may become hot. When it is operated at high temperatures, the external surface may exceed Touch Temperature Limit according to the product’s relevant electrical safety standard.
CABLE TEMPERATURE RATING FOR FIELD TERMINAL WIRES
There may be a requirement on the minimum temperature rating of the cable to be connected to the field wiring terminals, see chapter Interface Specifications.
2.3. Care Recommendations
Follow the care recommendations below to maintain full operation of the product and to fulfill the warranty obligations:
- Do not drop, knock or shake the product. Rough handling above the specification may cause damage to internal circuit boards.
- Use a dry or slightly water-damp cloth to clean the product. Do not use harsh chemicals, cleaning solvents or strong detergents.
- Do not paint the product. Paint can clog the product and prevent proper operation.
If the product is used in a manner not according to specification, the protection provided by the equipment may be impaired.
If the product is not working properly, contact the place of purchase, the nearest Westermo distributor office or Westermo technical support.
2.4. Product Disposal
This symbol means that the product shall not be treated as unsorted municipal waste when disposing of it. It needs to be handed over to an applicable collection point for recycling electrical and electronic equipment.
By ensuring the product is disposed of correctly, you will help to reduce hazardous substances and prevent potential negative consequences to both the environment and human health, which could be caused by inappropriate disposal.
![]()
Figure 1. WEEE symbol for treatment of product disposal
2.5. Compliance Information
2.5.1. Agency Approvals and Standards Compliance

Table 2. Agency approvals and standards compliance
2.5.2. UL 62368-1 Notice
This product has been tested and found compliant to UL 62368-1, Safety for Communication Technology. In accordance with the definitions of the standard, this product shall be handled by instructed personnel. Energy source classifications are according to following:

Table 3. UL 62368-1 notice
2.5.3. UL 62368-1 DC Mains Notice
In accordance with UL 62368-1, Annex DVD and DVH then Westermo does not recommend using the mechanical enclosure/chassis (PE) as a conductive part of the sourced earthed DC power system in a DC mains distribution networks. If so, the transient protective barriers are compromised, and the product will not be compliant to evaluated standards and immunity performance according to type test table in the user guide.
The earthing electrodes shall be located at the source in the DC distribution system and separate earth and protective earth conductors shall be provided throughout the system.
The field wiring shall be sufficient fixated and the protective cap for the power connector, which is supplied with the product, shall be used on DC voltages higher than 60 VDC.
2.5.4. FCC Part 15.105 Class B Notice
This product has been tested and found to comply with the limits for a Class B digital device, pursuant to Part 15 of the FCC Rules. These limits are designed to provide reasonable protection against harmful interference in a residential installation. This product generates, uses and can radiate radio frequency energy and, if not installed and used in accordance with the instructions, may cause harmful interference to radio communications.
However, there is no guarantee that interference will not occur in a particular installation. If this product does cause harmful interference to radio or television reception, which can be determined by turning the product off and on, the user is encouraged to try to correct the interference by one or more of the following measures:
- Reorient or relocate the receiving antenna
- Increase the separation between the unit and receiver
- Connect the product into an outlet on a circuit different from that to which the receiver is connected
- Consult the dealer or an experienced radio/TV technician for help
2.5.5. Corrosive Environment
This product has been successfully tested in a corrosion test according to IEC 60068-2-60, method 3. This means that the product meets the requirements to be placed in an environment classified as ISA-S71.04 class G3.
CORROSIVE GASES
If the product is placed in a corrosive environment, it is important that all unused connector sockets are protected with a suitable plug, in order to avoid corrosion attacks on the gold plated connector pins.
2.5.6. Simplified Declaration of Conformity
Hereby, Westermo declares that this product is in compliance with applicable EU directives and UK legislations. The full declaration of conformity and other detailed information is available at www.westermo.com/support/product-support.
![]()
Figure 2. The European Conformity and the UK Conformity Assessment markings
Product Description
3.1. Product Description
The Lynx series consists of layer 2 or layer 3 industrial Ethernet switches, powered by WeOS, the Westermo network operating system. The Lynx switches are the most compact switches or device servers on the market, available with various ports depending on model, whereof two are 100 Mbit or Gbit SFP transceivers.
The Lynx series is designed for simple use in industrial applications, from the robust DIN rail clip solution to the configurable fault contact and the industrial level of dual power inputs.
Only industrial grade components are used which ensures a long service life. A wide operating temperature range of -40 to +70°C (-40 to +158°F) can be achieved with no moving parts or cooling holes in the case.
The Lynx series has been tested both by Westermo and external test institutes to meet many EMC, isolation, vibration and shock standards, all to the highest levels suitable for heavy industrial environments and rail trackside applications.
WeOS has been developed by Westermo to offer cross platform and future proof solutions. WeOS delivers unique functionality in legacy IP solutions, supporting Modbus Gateway, virtual COM, mo dem replacement or several options in dual TCP applications. For more WeOS functionality, please see the WeOS datasheet.
3.2. Available Models

3.3. Hardware Overview

Figure 3. Location of interface ports and LED indicators

Figure 4. Location of interface ports, bottom view
3.4. Connector Information
3.4.1. Ethernet Connection TX

Table 4. Ethernet connection TX
3.4.2. Power Input

Table 5. Power input
The product supports redundant power connection. The positive inputs are +DC1 and +DC2, the negative input for both supplies are -COM. Connect the primary voltage (e.g. +24 VDC) to the +DC1 pin and return to one of the -COM pins on the power input.

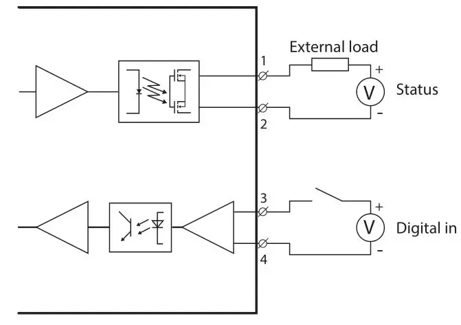
Table 6. I/O connection
The Status output is a potential free, opto-isolated, normally closed, solit-state relay. This can be configured to monitor various alarm events within the unit, see WeOS Management Guide. An external load in series with an external voltage source is required for proper functionality. For voltage/current, see Interface Specifications.
The Digital in is an opto-isolated digital input, which can be used to monitor external events. For voltage/current, see Interface Specifications.

Figure 5. Digital in
3.4.4. RS-232 Connection (DCE)

3.4.5. Connection to the Console Port
The console port can be used to connect to the CLI (Command Line Interface).
- Connect the serial diagnostic cable to the console port (use only Westermo cable 1211-2027).
- Connect cable to your computer (USB port, if drivers are needed they can be downloaded from the Westermo web).
- Use a terminal emulator and connect with correct speed and format (115200, 8N1) to the assigned port.
For more information about the CLI, see the WeOS Management guide.

Table 8. Accessories table
3.4.6. USB Connection

Table 9. USB connection
3.5. LED Indicators

Table 10. LED indicators
3.6. Dimensions
Dimensions are stated in mm and are regardless of model.

Figure 6. Dimensional drawing
Installation
4.1. Mounting
This product should be mounted on a 35 mm DIN-rail, which is horizontally mounted inside an apparatus cabinet or similar. It is recommended that the DIN-rail is connected to ground. Snap on the product to the DIN-rail according to the figure.

Figure 7. Mounting of product
4.2. Removal of Product
This product has an integrated DIN-clip. To remove the product, press down the support at the back with a screwdriver and lift it off the DIN-rail.

Figure 8. Removal of product
4.3. Cooling
This product uses convection cooling. Spacing is recommended for the use of the product in full operating temperature range and service life. To avoid obstructing the airflow around the product, use the following spacing rules.
Minimum spacing of 25 mm (1 inch) above/below and 10 mm (0.4 inches) left/right of the product is recommended.

Figure 9. Miminum spacing of product
REDUCE THE RISK OF FIRE
To reduce the risk of fire, use only telecommunication line cords with a cable diameter of AWG 26 or larger. Regarding power cable dimensions, see chapter Interface Specifications.
4.4. Getting Started
This product runs the Westermo Operating System (WeOS) which provides several management tools that can be used for configuration of the unit.
- WeConfig tool
This is a custom Westermo tool used for discovery of attached Westermo product. - Web
Configuration of the product using the web browser. - CLI
Configuration of the product via the Command Line Interface.
Username: admin
Password: westermo
If the computer is located in the same subnet as the switch you can easily use a web browser to configure the product. Within the web you can configure most of the available functions. If you are not sure about the subnet – consult your network administrator.
For advanced network settings and more diagnostic information, please use the CLI. Detailed documentation is available in the chapter ”The Command Line Management Tool” in the WeOS Management Guide.
Factory default:
IP address: 192.168.2.200
Netmask: 255.255.255.0
Gateway: disabled
4.5. Configuration Via a Web Browser
The product can easily be configured via a web browser. Open the link http://192.168.2.200 in your web browser, and you will be prompted with a login screen, where the default settings are:
Username: admin
Password: westermo
Once logged in, use the extensive integrated help function describing all configuration options.
Two common task when configuring a new switch is to assign appropriate IP settings, and to change the password of the admin account. The password can be up to 64 characters long, and should consist of printable ASCII characters (ASCII 33-126); ‘Space’ is not a valid password character.
NOTE
Version of WeConfig tool must be 10.3.0 or higher
4.6. Factory Default
It is possible to set the product to factory default settings by using two straight standard Ethernet RJ-45 cables.
- Power off the product and disconnect all Ethernet cables (copper and fibre).
- Connect one Ethernet cable between Ethernet ports 1 and 43 and 63 and 10, and the other between Ethernet ports 2 and 34 and 56 and 7. The ports need to be connected directly by an Ethernet cable, i.e., not via a hub or switch. Use a straight cable – not a cross-over cable – when connecting the ports.
- Power on the product.
- Wait for the product to start up. Control that the ON LED is flashing red. The product is now ready to be either reset to factory default or to boot as normal.
To go ahead with factory reset:
NOTE
Do not power off the product while the factory reset process is in progress.
- Acknowledge that you wish to conduct the factory reset by unplugging the Ethernet cables. The ON LED will stop flashing. This initiates the factory reset process, and after approximately 1 minute the product will restart with factory default settings. When the product has booted up, the ON LED will show a green light, and is now ready to use.
To boot as normal:
- To skip the factory reset process, just wait for approximately 30 seconds (after the ON LED starts flashing RED) without unplugging the Ethernet cables. The product will conduct a normal boot with the existing settings.
Specifications
5.1. Interface Specifications



5.2. Type Tests and Environmental Conditions

Table 11. EMC and electrical conditions

a Refer to “Safety and Regulations” chapter regarding touch temperature
b Might require Ethernet cables to be fastened close to the unit.
Table 12. Environmental and mechanical conditions
Revision Notes


Westermo • Metallverksgatan 6, SE-721 30 Västerås, Sweden
Tel +46 16 42 80 00 Fax +46 16 42 80 01
E-mail: [email protected]
www.westermo.com
6643-2230 REV. L 2022 02 Westermo Network Technologies AB, Sweden



















