RUNZE RZ01 Peristaltic Pump

Product Introduction
Pump Outline and Installation Dimensions(unit: mm)

Naming Rules
The model parameters are as follows:

Product Introduction
Flow Curve Chart

Technical Parameters of Motor
- Motor Characteristics
Name Parameter Rated Voltage 24V Rated Current 1.1A Max Output 10.1W Motor step Angle 1.8° Angle error 1.8°±0.09° Input impedance 4.2Ω±0.42Ω Work temperature -10℃~+50℃ Weight 350g - Motor Wiring
Port Wire color A+ RED A- YELLOW B+ BLUE B- ORANGE - Motor Reliability
No.
Test Item
Test Condition
Reference Specifications 1
Low temperature placement (cold resistance)
Temperature:-40℃±3℃ Test time:96h
JIS C 60068-2-1
2 High temperature (heat resistance) Temperature:85℃±2℃ Test time:96h JIS C 60068-2-2 3
High temperature and humidity (moisture resistance) Temperature:60℃±2℃ (40℃±2℃) humidity:93%+2/-3% Test time:96h
JIS C 60068-2-3
4
Hot and cold operation (temperature variation) Temperature:Low-temperature test – 40℃±3℃1h (Temperature change time: Within 5min) High Temperature Test:85%±2℃ 1h cycle index:25 times
JIS C 60068-2-14
5
Vibration Test
Vibration range:10Hz~55Hz~10Hz Amplitude:1.5mm] Direction of the vibration: X.Y.Z Time: 2h in each direction
JIS C 60068-2-6
6
DROP TEST
981 accelerated velocity m/s² half sinusoid Action time:6ms Drop Direction:±X,±Y,±Z Drops times:3 times in each direction
JIS C 60068-2-27
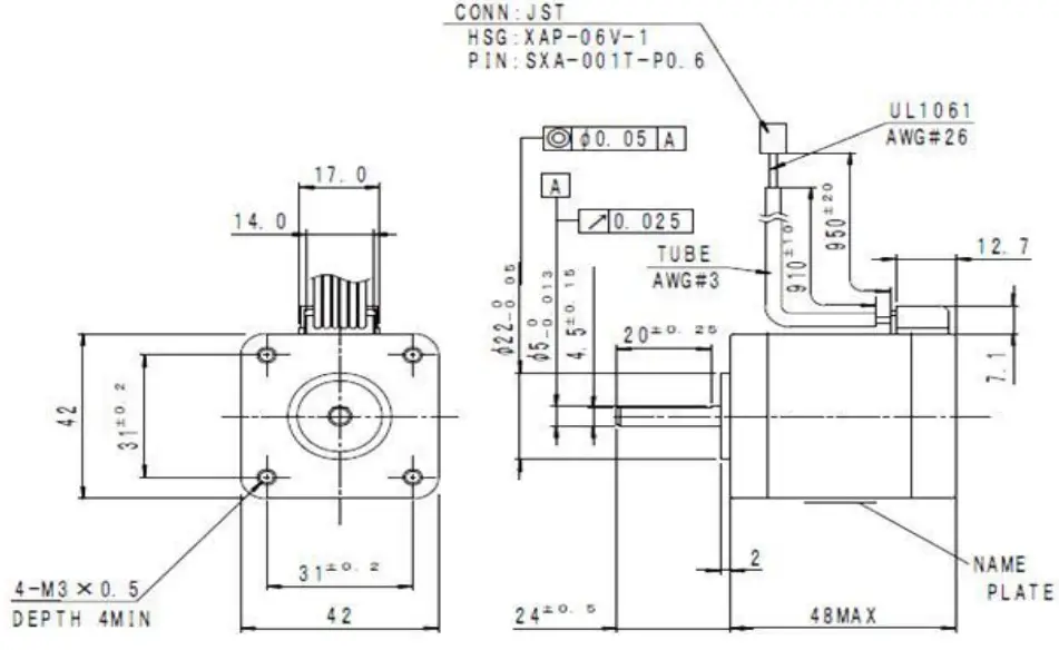
- Motor Dimension

Configuration of Pump Hose
Friendly Tip: the hose can be smeared with appropriate lubricating grease to extend its service life.
- Step 1
Open pump head lock downward
- Step 2
Remove the transparent pump head cover
- Step 3
Install the pump hose
- Step 4
Notice that the two ends of the pump hose are clamped on the pump head
- Step 5
Install pump head cover and close pump head lock upward
- Step 6
Installation Complete
Technical Service
- Tel 025-51197362
- Phone: 138 5195 4068
- Fax 025-51197362
- Technical support 183 5195 5944
- Official URL http://www.runzeflulid.com
- Alibaba Store URL: https://runzeliuti.en.alibaba.com
- Sales Email [email protected]
- Address NO.9 Tianxing West Road, Dongshan Street, Jiangning District, Nanjing, Jiangsu, China


























