RUNZE SY-08 Syringe Pump

Product Introduction
SY-08 Features at-a-Glance
Congratulations on your purchase of the SY-08 Syringe Pump from RUNZE Fluid Tech Company. SY-08 Syringe Pump is a fully programmable, small compact size, high-precision liquid handling micro industrial pump module with stable performance & long service life, developed by RUNZE Company. Controlled by a host controlling system (external computer, microprocessor, PLC, etc.), the clockwise or counterclockwise circular motion of the stepper motor is converted into linear motion through the trapezoidal screw rod, which makes the syringe pump piston moves up and down linearly to achieve aspirating and dispensing functions.1.1 SY-08 Features at-a-Glance Congratulations on your purchase of the SY-08 Syringe Pump from RUNZE Fluid Tech Company. SY-08 Syringe Pump is a fully programmable, small compact size, high-precision liquid handling micro industrial pump module with stable performance & long service life, developed by RUNZE Company. Controlled by a host controlling system (external computer, microprocessor, PLC, etc.), the clockwise or counterclockwise circular motion of the stepper motor is converted into linear motion through the trapezoidal screw rod, which makes the syringe pump piston moves up and down linearly to achieve aspirating and dispensing functions.
Configuration:5ml, 12.5ml, 25ml
Component: Borosilicate glass syringe, trapezoidal screw, optocoupler, stepper motor, driver
Usage: SY-08 syringe pump is widely used in a liquid transferring systems with high-precision and high-stability sampling requirements, such as laboratory instrument, medical analysis equipment, chromatographic analyzer, automatic biochemical analyzer, blood analyzer, trace element analyzer, electrolytic analyzer, food & beverages detection and analysis system, water quality on-line analyzer, petroleum detection equipment and biopharmaceutical extraction devices.
Naming Rules Parameters are shown in the model name as below
For example, the 5ml syringe pump, with a 0.9-degree stepper motor, single hole, female thread, and driver is named ZSB08-LS-0.9-1-5-1-Q.
http://www.runzeliuti.com
Structure Diagram
Dimension with Driver(Unit:mm)
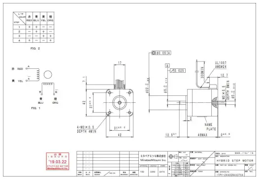
Manual for NMB 42 Stepper Motor
The product is to be examined in the following condition and satisfy 2. Electrical characteristics and 3.Mechanical characteristics.
Basic Parameters
Product Function
| Product Function | Description |
| Setting address | Set serial port address. |
| Setting baud rate | Different baud rates for RS232, RS485, CAN can be set. |
| Setting CAN destination address | If there are multiple devices, the CAN address can be set as the priority of different devices. |
| Setting speed | 5ml、12.5ml:from 1rpm to 600rpm 25ml:from 1rpm to 500rpm (There are difference for gas, liquid and models.) |
| Setting subdivision | Subdivision can be set from subdivision 2 to 32. |
| Resetting internal data | Restore factory settings. |
| Querying parameter | The device address, speed, subdivision and baud rate can be queried. |
| Querying version | Query the current firmware version. |
| Motor control direction | The motor can be controlled to rotate clockwise and counterclockwise. |
| Reset | Return the piston of the syringe pump to the home position. |
| Forced to stop | Stop the current operation of the syringe pump motor. |
| Querying motor status | Check the current motor status. |
Technical Parameters
| Product Function | Description | ||
| Accuracy | ≤1% (rated stroke) | ||
| Precision (Repeatability) | 0.3%-0.7% (rated stroke) | ||
| Service life | 3 million times no leakage (media: water; 1 rated stroke = one time) | ||
| Volume | 5ml | 12.5ml | 25ml |
| Back Pressure | 0.95MPa | 0.9MPa | 0.5MPa |
| Rated stroke (Control steps)) | 30mm (12000 steps) | 30mm (12000 steps) | 30mm (12000 steps) |
| Maximum speed | 800rpm | 800rpm | 700rpm |
| Linear speed | 0.017~13.33mm/s | 0.017~13.33mm/s | 0.017~11.67mm/s |
| Running time (Per rated stroke) | 2.25~1765s | 2.25~1765s | 2.57~1765s |
| Resolution | 0.0025mm/0.416μl | 0.0025mm/1.042μl | 0.0025mm/2.083μl |
| Syringe ID | 14.55mm | 23.03mm | 32.57mm |
| Actuator | Trapezoidal screw (Lead 1mm) | ||
| Max. Piston drive | ≥100N | ||
| Wetted material | Borosilicate glass, PTFE piston | ||
| Max. Pressure | Positive: 0-0.8Mpa (retention time based on test) Negative:0-0.06Mpa (retention time based on test) | ||
| Channel | Single channel | ||
| Connection | 1/4-28UNF | ||
| Communication interface | RS232/RS485/CAN | ||
| Baud rate | RS232/RS485:9600bps / 19200bps / 38400bps / 57600bps / 115200bps CAN:100Kbps/200Kbps/500Kbps/1Mbps | ||
| Address & Parameter setting | Via communication | ||
| Power supply | DC24V/3A | ||
| Rated power | 15W | ||
| Operating temperature | 5~55℃ | ||
| Operating humidity | ≤80%(relative humidity, non-condensing) | ||
| Dimension (L*W*H) | 42*42*189.8mm | 42*42*198.8mm | 42*42*198.8mm |
| Weight | 0.56kg | 0.62kg | 0.66kg |
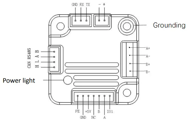
Port Definition
Port definition for driver controller panel
| Port | Description | Port | Description |
| + | DC24V Positive | A+、A- | Stepper motor Phase A wiring |
| – | DC24V Negative | B+、B- | Stepper motor Phase B wiring |
| TX | RS232 Data input | IO1 | IO1 Optocoupler signal |
| RX | RS232 Data output | A | Encoder Phase A |
| GND | RS232 Grounding | B | Encoder Phase B |
| H | CAN H | NC | Temporarily not enabled |
| L | CAN L | +5V | Power positive |
| A | RS485 A | GND | GND |
| B | RS485 B | PE | Grounding |
Control Code Description
Brief Introduction
The data transmission between the syringe pump and the host controlling system (Computer, MCU, PLC, etc.) adopts serial communication (RS232, RS485, CAN bus). Description of the communication format as follows: the communication adopts asynchronous serial communication, and the sum check with two bytes (2Byte) is adopted by the command & data frame. Commands & data in communication must be in hexadecimal. Parameters are stored in little-endian mode.
- Communication interface: RS232, RS485, CAN bus;
- Communication mode: two-way asynchronous, master-slave mode;
- Baud rate: RS232&RS485: 9600bps, 19200bps, 38400bps,57600bps, 115200bps;
- CAN : 100K, 200K, 500K, 1M;
- Data bits: 8 Bit;
- Parity check: no check;
- Response time: <1 second after receiving the command
Installation & Debugging
- Install the debugging tools, please refer to 《Debugging tools instructions》for details
- Instructions for use, please refer to 《SY08 Quick Use Guide》for details
Communication Protocols
Command format
- A: Interior parameters inquiry command (“Inquiry command”)
- B: Device control command(“Operation command”)
- C: Device interior parameter command setting (“Factory command”)
Common command format (Send 8 bytes, return 8 bytes) Byte sends:
| B0 | B1 | B2 | B3 | B4 | B5 | B6 | B7 |
| FH (frame header) | Address code | Function code | Status Parameter | EOF (End of frame) | CALUM (Cumulative sum) | ||
| SEX | ADDRESS | FUNC | 1-8 Bit | 9-16 Bit | ETC | Low byte | High byte |
- The 1st byte STX: Frame header (0xCC)
- The 2nd byte ADDR : Slave address(0x00~0x7F)
- Multicast address(0x80~0xFE)Broadcast address(0xFF)
- The 3rd byte FUNC: Function code
- The 4th, 5th byte: Parameters corresponding to the function code
- The 6th byte ETX : End of frame(0xDD)
- The 7th, 8th byte: Cumulative sum check code from byte 1 to 6
Byte return:
| B0 | B1 | B2 | B3 | B4 | B5 | B6 | B7 |
| FH (frame header) | Address code | Function code | Status Parameter | EOF (End of frame) | CALUM (Cumulative sum) | ||
| SEX | ADDRESS | FUNC | 1-8 Bit | 9-16 Bit | ETC | Low byte | High byte |
| The 1st byte STX | : | Frame header (0xCC) |
| The 2nd byte ADDR | : | Slave address(0x00~0x7F) |
| The 3rd byte FUNC | : | Multicast address(0x80~0xFE)Broadcast address(0xFF) Function code |
| The 4th, 5th byte | : | Parameters corresponding to the function code |
| The 6th byte ETX | : | End of frame(0xDD) |
| The 7th, 8th byte | : | Cumulative sum check code from byte 1 to 6 |
A: Interior parameters inquiry command (“Inquiry command”) (B2~B4)
| Comman d B2 | Specification | Response Parameters B3、B4 |
| 0x20 | Query address | The value of address is 0x0000~0x007F and the default is 00. |
| 0x21 | Query RS232 baud rate | There are five baud rates: factory default is 9600bps. B3B4=0x0000 Corresponding baud rate is 9600bps. B3B4=0x0001 Corresponding baud rate is 19200bps. B3B4=0x0002 Corresponding baud rate is 38400bps. B3B4=0x0003 Corresponding baud rate is 57600bps. B3B4=0x0004 Corresponding baud rate is 115200bps. |
| 0x22 | Query RS485 baud rate | |
| 0x23 | Query CAN baud rate | Corresponding CAN baud rate: B3B4=0x0000 100Kps B3B4=0x0001 200Kps B3B4=0x0002 500Kps B3B4=0x0003 1Mps |
|
0x25 |
Query subdivision | Corresponding subdivision: B3B4=0x0001 subdivision 2 B3B4=0x0002 subdivision 4 B3B4=0x0003 subdivision 8 B3B4=0x0004 subdivision 16 B3B4=0x0005 subdivision 32 |
| 0x27 | Query Max. Speed | Maximum speed range of 5ml and 12.5ml is 0x0000~0x0258. Maximum speed range of 25ml is 0x0000~0x01F4. |
| 0x30 | Query CAN destination address | B3B4=0x0000 |
| 0x3E | Query current channel position | B3B4=0x0000 |
| 0x3F | Query current firmware version | B3=0x01 B4=0x1E, as an example, indicates that the version is V1.30, See the version No. on the label for details. |
| 0x4A | Query motor status | B3B4=0x0000 |
| 0x66 | Query piston position | B3B4=0x0000 After the pump finished running, we can use commands to query the current position of the motor, which displays the current distance between the motor &the home position (number of steps) |
|
0x67 |
Synchronize piston position | B3B4=0x0000 When the syringe pump is suddenly powered off during operation, the pump will continue to run for a short period of time, at which time the number of steps will be out of wrong, the number of steps to reach the reset position is not the home position when the power is turned on again. At this time, we need to run the position reset command 0x67, and then send 0x66 command to query current position, it means current position is the home position when B3=0x00 B4=0x00 received. |
| 0x70 | Query multicast channel 1 address | B3B4=0x0000 |
| 0x71 | Query multicast channel 2 address | B3B4=0x0000 |
| 0x72 | Query multicast channel 3 address | B3B4=0x0000 |
| 0x73 | Query multicast channel 4 address | B3B4=0x0000 |
B: Device control command(“operation command”)(B2~B4)
| Command (B2) | Specification | Parameters B3、B4 | Response Parameters B3、B4 |
|
0x42 |
Run in CW (clockwise) |
Operating parameters | The value of B3&B4 ≥0. When the number of steps corresponding to the B3&B4 parameter is greater than the maximum stroke steps, the motor will not run, and B3=02, B4=00 will return; when the number of steps is less than the Max. stroke steps, the devices will rotate according to the set steps |
|
0x4D |
Run in CCW (counterclockwi se) |
Operating parameters | The value of B3&B4 ≥0. When the number of steps corresponding to the parameter B3&B4 is greater than the maximum number of stroke steps, the motor will not run and return B3=02, B4=00; when the number of steps corresponding to the parameter B3&B4 is less than the maximum number of stroke steps, the motor will follow the set number of steps. |
| 0x45 | Reset | 0x0000 | B3=0x00 B4=0x00 The action of reset after power on is the same as 0x4F result. The reset will go directly to the home position on other cases. |
|
0x4F |
Forced to reset |
0x0000 | B3=0x00 B4=0x00 When the syringe runs to the home position, the number of locked-rotor steps runs to the top through resetting which causes forced resetting. Then the piston will go back for a certain number of offset steps, leaving a little gap between the top of the piston and the syringe which greatly improve the service life of the piston seal. |
|
0x4B |
Set dynamic speed |
Operating parameters | It will fail when power-off, and if not set, it will be the default speed. The maximum speed of 5ml and 12.5ml is 600rpm (0x0001~0x0258). The maximum speed of 25ml is 500rpm (0x0001~ 0x01F4). |
| 0x4E | Syringe to the absolute position | Operating parameters | The value range of B3&B4 is 0x0000~0x2EE0, indicates any position between the stroke of the syringe |
| 0x49 | Forced to stop | 0x0000 | B3B4=0x00 |
Status list
| Status (B2) | Description of the response frame (B2) status |
| 0x00 | Normal status |
| 0x01 | Frame error |
| 0x02 | Parameter error |
| 0x03 | Optocoupler error |
| 0x04 | Motor busy |
| 0x05 | Motor stall |
| 0x06 | Unknown location |
| 0x07 | Command rejected |
| 0x08 | Illegal location |
| 0xFE | Task pending |
| 0xFF | Unknown error |
Note: The code B2 in the response command indicates the current running status of the motor, only when B2=0x00, the motor runs normally, and the other parameters are as shown in the above table, which means different abnormal status respectively. In principle, the 0X4A command should be sent to query the motor status when the motor finishes operation. Only when the B2=0x00, other commands can be sent and execute correctly.
Caution: In 485 communication, when sending an action command, the B2 byte in the response frame is FE, indicating that the command is received and is being executed.
Factory command format (send 14 bytes, return 8 bytes)
Factory commands need to be used with V0.8 debugging tools when RS232 or RS485 are used separately. See 《Quick Use Guide》in detail.
Byte send:
| B0 | B1 | B2 | B3,B4 B5,B6 | B7 | B8 | B9 | B10 | B11 | B12 | B13 |
| FH (frame header) | Address code | Function code | Pass word | Function Parameter | EOF (End of frame) | CUCUM (Cumulative sum) | ||||
| STX | ADDR | FUNC | PWD | 1-8 bit | 9-16 bit | 17-24 bit | 25-32 bit | ETX | Low byte | High byte |
The 1st byte STX: Frame header (0xCC)
The 2nd byte ADDR : Slave address(0x00~0x7F)
| Multicast address(0x80~0xFE)Broadcast address(0xFF) | ||
| The 3rd-byte FUNC | : | Function code |
| The 4th -7th byte | : | Factory command format |
| The 8th -11th byte | : | Parameters corresponding to the function code |
| The 12th-byte ETX | : | End of frame(0xDD) |
| The 13th, 14thbyte Byte return: | : | Cumulative sum check code from byte 1 to 12 |
Byte return:
| B0 | B1 | B2 | B3 | B4 | B5 | B6 | B7 |
| FH (frame header) | Address code | Status code | Status Parameter | EOF (End of frame) | CUCUM (Cumulative sum) | ||
| STX | ADDR | STATUS | 1-8 Bit | 9-16 Bit | ETX | Low byte | High byte |
| The 1st byte STX | : | Frame header (0xCC) |
| The 2nd byte ADDR | : | Slave address(0x00~0x7F) |
| Multicast address(0x80~0xFE)Broadcast address(0xFF) | ||
| The 3rd byte FUNC | : | Function code |
| The 4th -5th byte | : | Parameters corresponding to the function code |
| The 6th byte ETX | : | End of frame(0xDD) |
| The 7th, 8th byte | : | Cumulative sum check code from byte 1 to 6 |
C: Device interior parameter command setting (“Factory command”)
| Command B2 | Abbreviation | Password B3B4B5B6 | Parameter Specification B7 B8 B9 B10 |
| 0x00 | Set device address | B3=0xFF B4=0xEE B5=0xBB B6=0xAA | B7=0xXX (B8=0x00 B9=0x00 B10=0x00) The value range of XX is 00~ 7F, default 00 |
| 0x01 | Set RS232 baud rate | B3=0xFF B4=0xEE B5=0xBB B6=0xAA | Totally 5 baud rates, the factory default is 9600bps B7=0x0000 9600bps B7=0x0001 19200bps B7=0x0002 38400bps B7=0x0003 57600bps B7=0x0004 115200bp |
| 0x02 | Set RS485 baud rate | B3=0xFF B4=0xEE B5=0xBB B6=0xAA | |
| 0x03 | Set CAN | B3=0xFF | Totally 4 baud rates: the factory default is 100K |
| baud rate | B4=0xEE B5=0xBB B6=0xAA | B7=0x0000 corresponds to the baud rate :100Kbps B7=0x0001 corresponds to the baud rate :200Kbps B7=0x0002 corresponds to the baud rate: 500Kbps B7=0x0003 corresponds to the baud rate :1Mbps | |
|
0x05 |
Set subdivision | B3=0xFF B4=0xEE B5=0xBB B6=0xAA | Totally 5 subdivisions: the factory default is subdivision 8 B7=0x0001 subdivision 2 B7=0x0002 subdivision 4 B7=0x0003 subdivision 8 B7=0x0004 subdivision 16 B7=0x0005 subdivision 32 |
| 0x07 | Set maximum speed | B3=0xFF B4=0xEE B5=0xBB B6=0xAA | B7=0xXX(B8=0x00 B9=0x00 B10=0x00) The value range of XX is 0x01~0x258 and the default is 12C. |
| 0x0E | Set automatic reset after power-on | B3=0xFF B4=0xEE B5=0xBB B6=0xAA | B3B4=0x0000 do not automatically reset after power-on B3B4=0x0001 Automatically reset after power-on |
| 0x10 | Set the destination address of CAN | B3=0xFF B4=0xEE B5=0xBB B6=0xAA | B7=0xXX (B8=0x00 B9=0x00 B10=0x00) The value range of XX is 00~FF, default value is 00 |
| 0x50 | Set the multicast channel 1 address | B3=0xFF B4=0xEE B5=0xBB B6=0xAA | B7=0xXX (B8=0x00 B9=0x00 B10=0x00) The value range of XX is 80~FE, default value is 00 |
| 0x51 | Set the multicast channel 2 address | B3=0xFF B4=0xEE B5=0xBB B6=0xAA | B7=0xXX (B8=0x00 B9=0x00 B10=0x00) The value range of XX is 80~FE, default value is 00 |
| 0x52 | Set the multicast channel 3 address | B3=0xFF B4=0xEE B5=0xBB B6=0xAA | B7=0xXX (B8=0x00 B9=0x00 B10=0x00) The value range of XX is 80~FE, default value is 00 |
| 0x53 | Set the multicast channel 4 address | B3=0xFF B4=0xEE B5=0xBB B6=0xAA | B7=0xXX (B8=0x00 B9=0x00 B10=0x00) The value range of XX is 80~FE, default value is 00 |
Example: Use the 0x50/51/52/53 command to set the multicast address (this example only uses the three commands 0x50/51/52)
Use three sets of SY-08 syringe pumps with the same software version. In the RS485 communication mode, set their addresses to 00, 01, 02 and make a mark. Firstly, Set parameter 0x81 of SY-08 multicast http://www.runzeliuti.com
channel 1 address marked as 00 to 81 by the command 0x50, set parameter 0x83 of multicast channel 3 address to 83 by command 0x52; Set parameter 0x81 of the multicast channel 1 address of SY-08 marked as 01 to 81 by command 0x50, and the parameter 0x82 of multicast channel 2 address is set to 82 by command 0x51. Set parameter 0x82 of the multicast channel 2 address of SY-08 marked as 02 to 82 by command 0x51, and the parameter 0x83 of multicast channel 3 address to 83 by command 0x52 (See the table below for details)
| Device Items | Device 1 (Address 0) | Device 2 (Address 1 ) | Device 3 (Address 2) |
| multicast address | 81 | 81 | |
| 82 | 82 | ||
| 83 | 83 | ||
| broadcast address | FF | FF | FF |
After the setting is completed, connect the three devices in parallel to the serial port debugging tool, and use our debugging tool MotorTest V0.8 for debugging. In MotorTest V0.8, set the address to 0x81, the command to 0x4D and the parameter to 0xC8, click to send and then the pistons of device 1 and device 2 will have pumping action; Set the address to 0x82 ,the command to 0x4D and the parameter to 0xC8, click to send and then the pistons of device 2 and device 3 will have pumping action; Set the address to 0x83, the command to 0x4D and the parameter to 0xC8, click send and then the pistons of device 1 and device 3 will have pumping action; Set the address to 0xFF, the command to 0x4D, and the parameter to 0xC8 , click to send and then the pistons 1, 2, and 3 will all have pumping action. The newly added command to set the multicast address meets the needs of customer groups to a great extent and makes it easier for customers to selects the equipment that you want to control, and can complete the work requirements more efficiently and quickly during use.
Note:
All the parameters of all the above commands are set in little-endian mode. In little-endian mode storage, the low bit of data is stored in the low bit of the address, and the high bit of data is stored in the high bit of the address.
Common Problems & Solutions
| Item | Fault | Reason | Troubleshooting method |
| 1 | Not working when powered on | The working voltage is not in the acceptable range | Check whether the actual voltage deviates from the rated voltage |
| The connection is loose or disconnected | Manually check whether the connection is good, or check the line with a multimeter | ||
| 2 | Unable to aspirate or aspirate properly | The pipe system is not tightly sealed | Check whether the joint is tight |
| The aspirating pipe is blocked | Clean and dredge the pipe | ||
| The aspirating valve or the dispensing valve is blocked by debris | Clear the debris | ||
| 3 |
Bubbles | Air leakage in aspirating pipe | Find the leak and eliminate it |
| The inlet and outlet pipe joints are not tightly sealed | Replace the gasket and tighten the pipe joint | ||
| Gasket broken | Replace the gasket | ||
| Excessive fluid pipe diameter variation | The diameter of the fluid path should be as consistent as possible | ||
|
4 |
Pump stuck | Optocoupler is not triggered | Check the optocoupler wiring (refer to the optocoupler wiring method) |
| Optocoupler is burned out | Replace optocoupler | ||
| Reverse connection of motor wires | Switch any phase of the motor wires | ||
| 5 | Motor overheated | Drive voltage is too large | Adjust voltage |
| Drive current is too large | Adjust current | ||
| Holding current is too large | Holding current≤50% of rated current | ||
|
6 | Abnormal sound of pump operation | Motor running speed is too high or too low | Adjust the motor speed to a suitable value |
| There are crystals in the pump head | Cleaning steps are required after the machine runs or before it starts | ||
| 7 | Poor sampling accuracy | The pipe system is not tightly sealed | Check whether the joint is tight |
| There are bubbles in the pipe | Refer to troubleshooting method of above point 3 |
Product Safety Precautions:
- Please ensure that the voltage matches with the standard voltage of the instrument.
- Please use the original serial cable of this product to connect to the power supply.
- The three communication methods (RS232, RS485, CAN bus) of this product are in non-isolated mode.
- Do not disassemble the product parts at will. No warranty for tamper-evident label tearing.
- When operating the software, please refer to the operating instructions of the software and the communication protocol, and data input is not allowed to be fabricated without authorization.
- Discarding the instrument should be in accordance with the regulations on the disposal of equipment. For the waste after using the machine, please follow the national environmental protection requirements. Users should not throw away at will.
- When using CAN protocol to connect multiple devices, please refer to the connection method shown in Figure 3-1 below.

- When using the RS485 protocol to connect multiple devices, please refer to the connection method in Figure 3-2 below, but the resistance value needs to be determined according to the number of devices connected by the user.

Technical Service
- Tel 025-51197362
- Phone 138 5195 4068
- Fax: 025-51197362 Technical support: 183 5195 5944
- Official URL http://www.runzeflulid.com
- Alibaba Store URL: https://runzeliuti.en.alibaba.com
- Sales Email xiaoyan.[email protected]
- Address NO.9 Tianxing West Road, Dongshan Street, Jiangning District
- Nanjing, Jiangsu, China

- http://www.runzeliuti.com






















