ICM CONTROLS ICM532 Surge Protective Device

Please follow all State, Local and National electrical codes when installing this product. Installation should only be done by a licensed electrician for Type 1 devices or a licensed HVAC technician for Type 2 devices.
ELECTRICAL SHOCK HAZARD – Before installing this unit, turn off power at the main service panel by removing the fuse or switching the appropriate circuit breaker to the OFF position.
- WARNING — No Serviceable Parts (Attention: Aucune pièce remplaçable ou reparable).
- WARNING — Shock hazard — Do not open (ATTENTION – RISQUE DE CHOC – NE PAS OUVRIR).
Maintenance
Periodically check the LED status on the SPD. If the Greenlight is OFF, the protection is no longer available and the SPD needs to be replaced immediately. 12 AWG stranded copper wire or larger required. Product contains no serviceable parts. This device features an internal protection that will disconnect the surge protective component at the end of its useful life but will maintain power to the load – now unprotected.
Mode of Operation
The ICM532 is a UL Listed Type 1&2 Surge Protective Device for three phase Delta 600 VAC or Wye 347/600 VAC three phase voltage configurations. When a surge occurs, the ICM532 will absorb the surge up to the limits expressed in the specifications section of this guide. The ICM532 incorporates thermal protection on the surge elements (TMOV’s) which allows for safe disabling of the surge elements when a surge exceeds the thermal limits of the device. The ICM532 has a status light on the control which identifies operational status when illuminated. The ICM532 can be installed as a Type 1 or Type 2 device for both indoor and outdoor applications. Suitable for use on a circuit capable of delivering not more than 200kA RMS symmetrical amperes, 600V maximum (Convient à des circuits produisant au plus 200kA RMS A eff.”, 600V maximum).
Installation Instructions
The conductors used to connect the SPD shall not be any longer than necessary and shall avoid unnecessary bends.
- Turn off the main breaker and/or main power to the service disconnect.
- Determine if you have a Wye or Delta configuration.
- Verify your mains voltage and match that with ICM532 ratings.
- Remove the cover on service disconnect or the electrical panel.
- Mount the ICM532 through the 3/4” conduit connection of the electrical panel.
- Remove the retaining ring and washer on the ICM532.
- Feed the wires into the electrical panel or service disconnect.
- Re-secure the retaining ring and washer.
- Route the white wire to the neutral lug and secure.
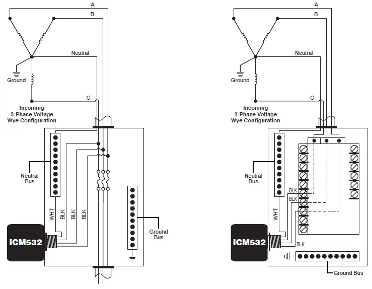
Wiring Type 1 installation
- Route the three black wires to the appropriate L1, L2, L3 connections before the breaker panel as seen in the wiring diagram for Type 1 installation and according to your local, state, and national electrical codes.
- There will be a white wire which is only used in the Wye configuration and which needs to be capped off in the Delta configuration.
Wiring Type 2 installation
- Route and connect the three black wires (L1, L2, and L3) to the individual breakers on the circuit breaker panel as seen in the wiring diagram for Type 2 installation and according to your local, state and national electrical codes.
- There will be a white wire which is only used in the Wye configuration and which needs to be capped off in the Delta configuration
- Reinstall cover on service disconnect or the electrical panel
- Restore power; Green LED should be on indicating full protection
Specifications
| Description | Ratings |
| Service Voltage (3-Phase) | 600 VAC Delta OR 347/600 VAC Wye |
| Short Circuit Current Rating (SCCR) | 200 kA |
| Nominal Discharge Current (In) | 20 kA |
| SPD Type | Type 1 (Can also be used in Type 2 applications) |
| Surge Protection Technology | TFMOV |
| Protection Mode | 3 for Delta configuration 6 for Wye configuration (neutral tied to ground) |
| VPR (Vpk) | VOLTS (V) MODE VPR (Vpk) 600 L-L 2500 600/347 L-L 2500 L-N 1500 |
| Maximum Continuous Operation Voltage (MCOV) | L-L: 920 VAC L-N: (for Wye configuration only): 460 VAC |
| Input Power Frequency | 50/60Hz |
| Diagnostics | Green LED indicates surge protection present |
| Enclosure Rating | NEMA/Type 4X water tight plastic enclosure for outdoor and indoor installation |
| Installation Point | Electrical panel/disconnect |
| Dimensions | 4.3” X 4.1” X 2.3” |
| Operating Temperature | -40°F to 185°F (-40°C to 85°C) |
| Operating Humidity | Less than 85%, noncondensing |
| Operating Altitude | Less than 2000 meters |
| Agency Certification and Approvals | ANSI/UL1449 4th Edition Listed Device cULus Listed |
Type 1 Wiring Fuse Disconnect
Type 2 Wiring Circuit Breaker
Note 1:For the ease of checking the SPD protection status, the LED display should face outwards after installation has been complete.
Note 2:ICM532 is a Type 1 and 2 SPD, designed to be compatible with 3-phase Delta and 3-phase Wye voltage configuration. Please check your supply voltage configuration and voltage levels before installing the ICM532 per wiring diagram.
Note 3:
- When installing the Surge Protecting Device (SPD), avoid sharp bends in the conduit and long line sets.
- Keep the mounting conduit straight and short in length.
Type 1 Wiring Fuse Disconnect
Type 2 Wiring Circuit Breaker
Note 1:
For the ease of checking the SPD protection status, the LED display should face outwards after installation has been complete.
Note 2:
ICM532 is a Type 1 and 2 SPD, designed to be compatible with 3-phase Delta and 3-phase Wye voltage configuration. Please check your supply voltage configuration and voltage levels before installing the ICM532 per wiring diagram.
Note 3:
- When installing the Surge Protecting Device (SPD), avoid sharp bends in the conduit and long line sets.
- Keep the mounting conduit straight and short in length.
Legend
BLK Black WHT White A,B,C Incoming phase
ICM CONTROLS www.icmcontrols.com 7313 William Barry Blvd., North Syracuse, NY 13212



















