AC CENTRIFUGALC IN LINE DUCT FANS
(Backward Curved)
BDTX 100 AC Centrifugalc In Line Duct Fans
Products with BVN brand are manufactured in production facilities with ISO 9001: 2015 Quality Management System certificate.![]()
| MANUFACTURER’S / IMPORTER’S NAME | BAI-Ic IVAN ELEKTRIK MOTOR SAN. TIC. LTD.$11. |
| ADDRESS | Omer!’ Mah. Hadimktly-Istanbul Cad.No: 147 Arnavutkdy / ISTANBUL |
| PHONE/FAX | 0212 771 48 48 / 0212 771 48 42 |
| COMPANY REPRESENTATIVE’S SIGNATURE/SEAL | |
| PRODUCT’S | |
| TYPE | FAN |
| BRAND | BVN |
| MODEL | BDTX I |
| LABEL AND SERIAL NO | |
| DELIVERY DATE&PLACE | |
| MAX.REPAIR PERIOD | 20 WORK-DAY |
| WARRANTY PERIOD | 2 YEARS |
| SELLER’S | |
| NAME | |
| ADDRESS | |
| PHONE/FAX | |
| INVOICE DATE&NUMBER | |
| DATE/SIGNATURE/SEAL | |
| CUSTOMER’S | |
| NAME SURNAME | |
| ADDRESS | |
| PHONE |
SAFETY WARNINGS
- These fans contain rotating parts and electrical connections. Therefore, pay attention to safety warnings during their assembly, maintenance and operation.
- Electrical connections and assembly must be made by authorized persons.
- Electrical connections of the fan should not be damaged when the ceiling or the wall is drilled or broken.
- The product must have an air duct of its own.
- During transport, operation and maintenance, hands should be protected with gloves against cuts.
- The fan should in no way be touched while operating.
- Proper cleaning should be done with periodic intervals; otherwise the product might be harmed.
- Keep the fan away from children and do not let unauthorized people to use it.
- Do not use do product at ambient temperature over 60°C
- To avoid any risk of accidental start-up of the thermal breaker, this device must not be powered by an external switching device, such as a timer, or connected to a circuit that is regularly switched off and opened by the utility.
- Contact separation in all poles along with a circuit breaker that must be connected to fixed wiring installations in accordance with the rules.
- Electrical cords definitely turn off the power before connecting.
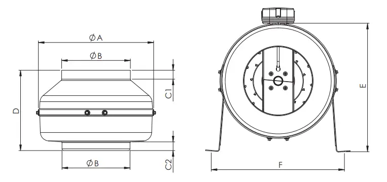
TECHNICAL FEATURE
IP 44 CL B/F
| TYPE | A | B | C1 | C2 | D | E | F |
| BDTX 100 | 245 | 97 | 20 | 20 | 197 | 273 | 268 |
| BDTX 125 | 245 | 122 | 20 | 20 | 188 | 273 | 268 |
| BDTX 150 | 272 | 147 | 23 | 25 | 192 | 286 | 295 |
| BDTX 160 | 272 | 157 | 23 | 25 | 192 | 286 | 295 |
| BDTX 200 | 330 | 196 | 30 | 28 | 230 | 380 | 352 |
| BDTX 250 | 330 | 247 | 30 | 28 | 227 | 380 | 352 |
| BDTX 315 | 400 | 313 | 30 | 30 | 285 | 415 | 422 |
| BDTX 355 | 400 | 352 | 30 | 30 | 378 | 415 | 422 |
| VOLTAGE | FREQUENCY | POWER | CURRENT | CAPACITOR | SPEED | AIR FLOW | SOUND PRESSURE | PROTECTION CLASS | INSULATION CLASS | |
| TYPE | V | Hz | W | (A) | (μF) | D/dak | m³/h | dB(A) | IP | CL |
| BDTX 100 | 240 | 50 | 60 | 0,3 | 2 | 2610 | 240 | 44 | 44 | B |
| BDTX 125 | 240 | 50 | 80 | 0,4 | 2,5 | 2325 | 315 | 43 | 44 | B |
| BDTX 150 | 240 | 50 | 78 | 0,4 | 2,5 | 2450 | 420 | 46 | 44 | B |
| BDTX 160 | 240 | 50 | 95 | 0,4 | 2,5 | 2550 | 440 | 45 | 44 | B |
| BDTX 200A | 240 | 50 | 90 | 0,43 | 2,5 | 2300 | 735 | 46 | 44 | B |
| BDTX 200B | 240 | 50 | 100 | 0,51 | 4 | 2530 | 870 | 48 | 44 | B |
| BDTX 250A | 240 | 50 | 140 | 0,69 | 4 | 2400 | 1010 | 45 | 44 | B |
| BDTX 250B | 240 | 50 | 145 | 0,74 | 6 | 2650 | 1150 | 47 | 44 | B |
| BDTX 315A | 240 | 50 | 160 | 0,8 | 6 | 2400 | 1450 | 48 | 44 | B |
| BDTX 315B | 240 | 50 | 180 | 0,87 | 7 | 2500 | 1750 | 49 | 44 | B |
| BDTX 355A | 240 | 50 | 160 | 1 | 4 | 1450 | 1300 | 45 | 44 | F |
| BDTX 355B | 240 | 50 | 445 | 1,94 | 8 | 2450 | 2620 | 54 | 44 | F |
The values declared in the markings on the product or the documents provided together with the product are values obtained in laboratory environments according to related standards. These values can change according to product use and environment conditions.
ASSEMBLY

- Wall mounting holes and the distance to the wall in accordance with feet pierced and insert the dowel.
- Combine the product with the mounting legs.
- Leg items available wall mounting.
- As shown in connect the product to the ducts with the clamps.
- Be sure to connect the power cord to the correct wiring diagram.
- Make sure you have the appropriate air direction.
- Trial the operation of the product, check for vibration and error.
CONNECTION / SINGLE-PHASE CONNECTION

- Products should be installed only by authorized persons.
- Installation of the product to be specified in the Project location to the Wall or flor must be securely mounted. If mounted on the wall, it should mounted with bracket or with clamps.
- Fan blades to be above 2,3 m from the flor must be installed.
- Fan can not be installed outside the window or wall.
- Open thegas pipe or other fuel-burning devices inside of the room to avoid there flux of gas is necessary to take pre-measures. It is recommended that gloves be worn in the assembly of products.
- The product must be connected to the input and output channels.
- When mounting brackets and mounts all the connections are made correctly to carry the weight of the product, make sure you have the strength.
- Even if the product off the main power supply is switched off when connecting equipments make sure that.
- Before mounting the electrical connection indicated on the product information (voltage, power, frequency, etc..). In the place of assembly are in keeping with that note.
- The terminal box cable inlet should be firmly plugged in. The lid should be closed correctly and should prevent water leakage.
- There shall not be any obstacles in the air flow route.
- For safety reasons, the earthing terminal on the electric terminal should absolutely be connected to the building earthing line.
- If the thermal opens circuit during in any problems (while the product is not working) it must be reset from the system
- Be sure that the motor thermic relay and overload relay are connected
- Cable connection of the product should be like the one in the electrical connection diagram.
- If the product will be used in a dusty and oily working environment, it must be used with a filter.
USAGE
BDKF series channel type impellers, high air flow and high pressure to the desired channel ventilation systems are the ideal fan. Air channels needed may be mounted in any position directly. Rectangular duct fans because they bring great advantages are achieved widespread use throughout the world.
Gardeners BDKF rectangular duct fans in the duct system applications where space is limited, medium and high-volume ventilation is designed to meet the needs. BDKF channel high performance fan, has the features work smoothly.
Compact structure without the need for large pipes and converterscan be connected directly to the channel. Industrial and construction machinery applications, factories, kitchens, bathrooms, toilets | swimming pools, gymnasiums, warehouses, hospitals, hoods, offices, laboratories, shopping malls, restaurants, theaters, apartments, equipment cooling, work areas and spot ventilation used. Users start using the fan duct before are obliged to read carefully the operating and maintenance manual.
Expected life of the products is 10 years.
When using your product for the first time;
- Before connecting electric cables, you must not forget to cut the power supply.
- Be sure that electrical connections of the product are established correctly and safely.
- Be sure that safety equipment is connected correctly.
- Properly establish earthing connections.
- Be sure that the cable and electric connection box are closed correctly and do not admit water leakage.
- Air exit direction should be in the direction indicated with the label on the body.
- There shall not be any obstacles in the air flow route.
- The wings should rotate in the correct direction.
- While the product is operating, there shall not be any vibration or internal rubbing or hitting voice due to the rotation of the fan or the suction fan.
- Power supply, current and frequency values shall comply with the product label.
- If any electricity warning device turns on, electric connection should immediately be cut from the main power supply. Before starting the product, all the installation should be controlled again carefully.
- If any problem occurs, please consult authorized persons.
- In case of any defect after you have started using the product continuously, the type of defect should be determined. In order to remove the defect, the technical service must be contacted. You must not try to fix the problem yourself.
DEFECTS AND HOW TO FIX THEM
| ABNORMAL SITUATIO | POSSIBLE CAUSE | HOW TO FIX |
| TOO MUCH SOUND (NOISE) | ROTOR IMBALANCE | CHANGE THE ROTOR |
| THE DEVICE IS NOT WORKING | MOTOR IS DAMAGED | CHANGE THE MOTOR |
| CONDENSATOR IS NOT WORKING | CHANGE THE CONDENSATOR | |
| FAULTY SPEED ADJUSTMENTCONNECTION | CHECKTHE INSTALLATION (ASSEMBLY) | |
| THE DEVICE IS ROTATING SLOWLY | FAULTY CONNECTION | CHECK THE ELECTRICAL CONNECTION |
CLEANING, MAINTENANCE and TRANSPORT
In order to protect your product from being damage during transport;
- The product has been packaged according to normal transport conditions.
In order to avoid possible damage, it should always be carried in its original package. - The product shall be kept in its own package in a vibration-free, dust-free environment away from abrasive orchemical material until it isdelivered to its placeof assembly. Do not accept the products which are not in their original ackage or which were opened before being delivered to you.
- The products should be stocked into the vehicle in a way to stay motionless in case of any turn over or fall down.
- While heavy products are being carried, use appropriate lifters to protect products or the people carrying the products.
- All necessary measures should be taken in orderto prevent damages arising from sudden and careless lifting and putting down.
- The products should be carried one by one carefully. They shall not be thrown or carried carelessly from hand to hand.
After taking the product out of its package;
* The delivered product should be checked. - The product must be checked for damage during transport. If thereis any lost or damaged part, it should immediately be informed to the transporter or our firm verbally or by writing.
- Do not hold the product on its connection box or electric cables. Abstain from applications which will damage the wings or the protective cage while carrying.
Periodic cleaning and maintenance of the product;
- Before cleaning or maintenance, even if the product is turned off, be surethatelectric connection has been cut from the main power supply.
- All electrical equipment should be regularly controlled, connections should be checked and damaged or worn-out cables and equipment should be replaced.
- Periodic maintenance should be carried out at least once every six months or more frequently, depending on its frequency of use. Maintenance and cleaning of the productsshould be carried out by qualified staff.
- Check the product regularly. In order to prevent dirt or accumulations in the wing, motor or grill, carry out the maintenance according to the operating conditions of the product. Otherwise, the expected life of your product can be substantially shortened or serious damage can occur.
- While cleaning the product, pay attention to protecting the balance on the wing and the turbine.
- Bolts which might become looseduring maintenance should be checked.
- Inappropriate parts should be immediately replaced.
- The product should not be cleaned with inflammable or combustible cleaners; it should be cleaned with a wet cloth. The product should in no way be exposed to water or pressure water.
WARRANTY and SERVICE
Dear customer,
We believe that providing good service is as important as providing good products for you. You can contact our Sales Representatives by calling us or obtain the most suitable service for you by contacting our Authorized Dealers.
We recommend you to follow the advices below.
- When you buy a product, have your Authorized Dealer approve the Warranty Dee
- Use your product according to the user’s manual.
The warranty provided by BVN does not cover the damages arising out of using the product under conditions other than its normal conditions of use. The following conditions are also not included in the warranty:
- Damages and defects arising out of faulty usage,
- Damages and defects which occur while loading, unloading or carrying the product after ithas been delivered,
- Damages and defects arising due to low or high voltage, faulty electrical installation and using the product at a different voltage than the one written on its label,
- Damages and defects due to fire, eathquake, lightening strike, etc.
- Damages occuring due to using the product under conditions not conforming to the issues stated in the user’s manual.
The above-mentioned damages are fixed on payment. Assembly and transport of the product is not included in the product price.
The responsibility of approving the warranty deed and submitting it to the customer belongs to the seller, dealer, agency or representative from which the customer has purchased the product.
Since the invoice will be taken as reference if a misunderstanding occurs about the warranty period, the user must keep the invoice and a copy of it together with the Warranty Deed.
If the warranty deed is altered, the original serial number on the product is removed or altered; the warranty deed will become invalid.
WARRANTY TERMS AND CONDITIONS
- The warranty period is 2(TWO) YEARS from the date of delivery.
- The product including all its components is under the warranty of our company.
- In case of defects within the warranty period ,the period spent in repairing is added to the warranty period.The repairing period is maximum 20 days. This period starts from the date of delivery of the product to the services centre or in case of absence of service centre to the seller, the agency the representative, the importer or the manufacturer of the product respectively.In case the defect is not repaired within 10 work-days ,the importer or the manufacturer is entitled to supply another product with similar features until the repair is completed. The warranty period of the replaced product is limited with the warranty period of the product which is purchased.
- In case the product has material, workmanship and manufacturing defects during warranty period ,the product will be repaired free of charge and expenses of any sort including labor ,the value of the parts replaced or any our charges.
- The consumer may request for replacement of product free of charge, refund of payment or price reductions in the rate of defects.
In case the product permanently dysfunctions due to repeating of the same defect for more than twice or more than twice or more than four different times within the warranty period
In case the maximum period for repairing is exceeded
In case it is determined by a written report that the defect cannot be removed by the seller ,agency, representative, importer or manufacturer of the product
respectively in case of absence of service centres. - The present warranty does not cover damages resulting from use of product against the instructions in the manual.
- General Administration of Protection of Consumer Rights and Competition in the Ministry of Industry and Commerce may be applied for problems regarding the warranty certificate.
- In accordance with issues of consumer complaints and objections on the application ,;consumers can appeal the consumer courts and arbitral committee.
- In case of the goods are found to be defective when consumers
a) Sold by declaring that it is ready to give back there turn from the contract,
b) Sold goods are held defective ratiod is count that request according to the sales price,
c) Unless require an excessive charges including all costs borne by the seller that request a free repair of the goods which has been sold,
d) If possible, ask for the replacement of free from defects in stead of goods sold. Consumer can use one of the elective rights. Seller’s preferred consumer is obliged to ful fill this demand.
Consumer can useone of the elective rights. Seller’s preferred consumer is obliged to ful fill this demand.

T. +90 212 771 48 48 F. +90 212 771 48 42
[email protected] / [email protected]



















