![]()
BLAUBERG ISO-RB Centrifugal Duct Fan In Sound Insulated Casing

This user’s manual is a main operating document intended for technical, maintenance, and operating staff. The manual contains information about purpose, technical details, operating principle, design, and installation of the ISO-RB unit and all its modifications. Technical and maintenance staff must have theoretical and practical training in the field of ventilation systems and should be able to work in accordance with workplace safety rules as well as construction norms and standards applicable in the territory of the country. The information in this user’s manual is correct at the time of the document’s preparation. The Company reserves the right to modify the technical characteristics, design, or configuration of its products at any time in order to incorporate the latest technological developments. No part of this publication may be reproduced, stored in a retrieval system, or transmitted, in any form or by any means in any information search system or translated into any language in any form without the prior written permission of the Company.
SAFETY REQUIREMENTS
- Please read the user’s manual carefully prior to installing and operating the unit.
- All user’s manual requirements, as well as the provisions of all the applicable local and national construction, electrical, and technical norms and standards, must be observed when installing and operating the unit.
- The warnings contained in the user’s manual must be considered most seriously since they contain vital personal safety information.
- Failure to follow the rules and safety precautions noted in this user’s manual may result in an injury or unit damage.
- After a careful reading of the manual, keep it for the entire service life of the unit.
- While transferring the unit control, the user’s manual must be turned over to the receiving operator.
UNIT INSTALLATION AND OPERATION SAFETY PRECAUTIONS
- Disconnect the unit from power mains prior to any installation operations.
- Unpack the unit with care.
- The unit must be grounded!
- While installing the unit, follow the safety regulations specific to the use of electric tools.
- Do not change the power cable length at your own discretion.
- Do not bend the power cable.
- Avoid damaging the power cable.
- Do not put any foreign objects on the power cable.
- Do not lay the power cable of the unit in close proximity to heating equipment.
- Do not use damaged equipment or cables when connecting the unit to power mains.
- Do not operate the unit outside the temperature range stated in the user’s manual.
- Do not operate the unit in aggressive or explosive environments.
- Do not touch the unit controls with wet hands.
- Do not carry out the installation and maintenance operations with wet hands.
- Do not wash the unit with water.
- Protect the electric parts of the unit against ingress of water.
- Do not allow children to operate the unit.
- The unit is allowed to be used by children aged from 8 years oldand above and persons with reduced physical, sensory, or mental capabilities or no experience and knowledge provided that they have been given supervision or instruction regarding safe use of the unit and understand the risks involved.
- Disconnect the unit from power mains prior to any technical maintenance.
- Do not store any explosive or highly flammable substances in close proximity to the unit.
- When the unit generates unusual sounds, odour, or emits smoke, disconnect it from power supply and contact the Seller.
- Do not open the unit during operation.
- Do not direct the air flow produced by the unit towards open flame or ignition sources.
- Do not block the air duct when the unit is switched on.
- In case of continuous operation of the unit, periodically check the security of mounting.
- Do not sit on the unit and avoid placing foreign objects on it.
- Use the unit only for its intended purpose.
PURPOSE
The unit is designed to ensure continuous mechanical air exchange in houses, offices, hotels, cafes, conference halls, and other utility and public spaces as well as to recover the heat energy contained in the air extracted from the premises to warm up the filtered stream of intake air. The unit is not intended for organizing ventilation in swimming pools, saunas, greenhouses, summer gardens, and other spaces with high humidity. Due to the ability to save heating energy by means of energy recovery, the unit is an important element of energy-efficient premises. The unit is a component part and is not designed for stand-alone operation. It is rated for continuous operation. Transported air must not contain any flammable or explosive mixtures, evaporation of chemicals, sticky substances, fibrous materials, coarse dust, soot and oil particles or environments favourable for the formation of hazardous substances (toxic substances, dust, pathogenic germs). THE UNIT SHOULD NOT BE OPERATED BY CHILDREN OR PERSONS WITH REDUCED PHYSICAL, MENTAL, OR SENSORY CAPACITIES, OR THOSE WITHOUT THE APPROPRIATE TRAINING. THE UNIT MUST BE INSTALLED AND CONNECTED ONLY BY PROPERLY QUALIFIED PERSONNEL AFTER THE APPROPRIATE BRIEFING. THE CHOICE OF UNIT INSTALLATION LOCATION MUST PREVENT UNAUTHORIZED ACCESS BY UNATTENDED CHILDREN.
DELIVERY SET
- NAME NUMBER
- Fan 1 pc.
- User’s manual 1 pc.
- Packing box 1 pc.
DESIGNATION KEY

TECHNICAL DATA
The unit is rated as a Class I electrical appliance.
| ISO-RB 100 | ISO-RB 125 | ISO-RB 125 max | ISO-RB 150 | ISO-RB 160 | ISO-RB 200 | ISO-RB 250 | ISO-RB 315 max | ISO-RB 355 | ISO-RB 400 | ISO-RB 450 L | ISO-RB 500 (∆) | ISO-RB 500 (∆) | |
| Unit voltage [V/50 (60) Hz] | 1~ 230 | 1~ 230 | 1~ 230 | 1~ 230 | 1~ 230 | 1~ 230 | 1~ 230 | 3~ 400 | 1~ 230 | 1~ 230 | 1~ 230 | 3~230 | 3~400 |
| Power [W] | 58 | 61 | 88 | 84 | 86 | 164 | 320 | 654 | 202 | 349 | 473 | 730 | 780 |
| Current [A] | 0.25 | 0.28 | 0.37 | 0.37 | 0.38 | 0.71 | 1.40 | 1.10 | 0.89 | 2.00 | 2.35 | 2.82 | 1.60 |
| Maximum air flow [m³/h] | 285 | 330 | 484 | 485 | 500 | 770 | 1515 | 2710 | 2235 | 2860 | 2760 | 7000 | 6720 |
| RPM [min-¹] | 2530 | 2560 | 2670 | 2620 | 2670 | 2580 | 2615 | 2600 | 1330 | 1380 | 1350 | 980 | 948 |
| Sound pressure level at 3 m distance [dBA] | 34 | 35 | 40 | 38 | 38 | 42 | 45 | 48 | 48 | 48 | 48 | 56 | 54 |
| Transported air temperature [°C] | -25+55 | -25+55 | -25+55 | -25+55 | -25+55 | -25+55 | -25+55 | -25+55 | -25+55 | -25+55 | -25+55 | -25+55 | -25+55 |
| Ingress protection rating | IPX4 | IPX4 | IPX4 | IPX4 | IPX4 | IPX4 | IPX4 | IPX4 | IPX4 | IPX4 | IPX4 | IPX4 | IPX4 |
| SEC class | C | C | C | C | C | C | – | – | – | – | – | – | – |

| D | H | L | A | A1 | A2 | B | B1 | d | Weight [kg] | |
| ISO-RB 100 | 99 | 258 | 517 | 414 | 458 | 507 | 420 | 228 |
14 | 13 |
| ISO-RB 125 | 124 | 258 | 517 | 414 | 458 | 507 | 420 | 228 | 13 | |
| ISO-RB 125 max | 124 | 280 | 630 | 525 | 568,5 | 617 | 533 | 333 | 19 | |
| ISO-RB 150 | 149 | 282 | 566 | 493 | 537 | 586 | 470 | 278 | 17 | |
| ISO-RB 160 | 159 | 282 | 566 | 493 | 537 | 586 | 470 | 278 | 17 | |
| ISO-RB 200 | 198 | 355 | 632 | 535 | 579 | 628 | 535 | 3575 | 22.6 | |
| ISO-RB 250 | 248 | 429 | 774 | 666 | 710 | 759 | 677 | 537 | 33 | |
| ISO-RB 315 max | 313 | 460 | 857 | 666 | 719 | 747 | 760 | 560 |
9 | 48 |
| ISO-RB 355 | 354 | 500 | 927 | 804 | 857 | 885 | 830 | 641 | 58 | |
| ISO-RB 400 | 399 | 578 | 1024 | 876 | 929 | 957 | 927 | 737 | 78.5 | |
| ISO-RB 450 L | 449 | 607 | 1152 | 968 | 1021 | 1049 | 1049 | 858 | 84 | |
| ISO-RB 500 (∆) ISO-RB 500 (∆) | 499 | 744 | 1300 | 1182 | 1235 | 1263 | 1203 | 993 | 129 |
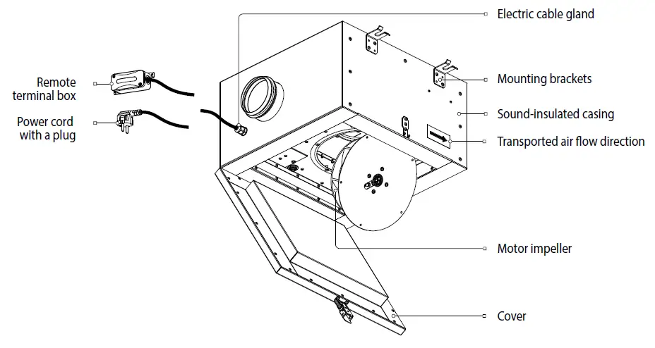
UNIT DESIGN AND OPERATING PRINCIPLE
The fan casing is made of aluzinc. For easy installation and operation, the top cover of the fan is secured with a special lock. The casing is heat- and sound-insulated with a 50 mm layer of non-flammable mineral wool. To ensure better noise absorption, the inner surface of the insulation is made of a perforated metal sheet. The round connecting spigots are rubber sealed. The fan is equipped with an asynchronous motor with an external rotor and an impeller with backward curved blades. The motor with ball bearings with specially selected grease ensures low-noise, maintenance-free operation of the fan. The fan with a three-phase motor has an integrated overheating protection with an automatic restart. Duct fans are intended for mounting to round air ducts. The fans are installed between the air ducts. In case the fan is mounted on flexible joints, attach the fan to a structural unit by means of supports, suspension links or brackets (purchased separately). The fan may be installed in any position in consideration of the air flow direction (as indicated by the arrow on the fan casing).

INSTALLATION AND CONNECTION
- Before installing the fan, make sure the casing has no visible damages and check the integrity of power supply wires. The fan casing must not contain any foreign objects which can damage the impeller blades.
- Make sure the impeller rotates freely without touching the flange and the casing.
- Mount the fan in such a way that the arrow on the fan casing matches the air flow direction in the system.
- The casing has mounting brackets to facilitate the fan installation.
- The fan may be installed in any position in consideration of the air flow direction (as indicated by the arrow on the fan casing).
- To attain the best performance of the fan and to minimize turbulence-induced air pressure losses while mounting, connect the straight air duct section to the fan spigots on both sides of the fan. The minimum straight air duct length is equal to 1 air duct diameter on the intake side and 3 air duct diameters on the exhaust side. No filters or any other similar devices are allowed to be installed in these sections.
Fan and remote terminal box installation sequence
- Before installation, lay the wires and cables necessary to connect the fan to the mains.
- Minimal distance from the fan casing to the wall is 300 mm.
- Fasteners for fan mounting are not included in the delivery set and should be ordered separately. While choosing fasteners consider the material of the mounting surface as well as the weigh of the unit, refer to the «Technical data» section. Fasteners for unit mounting should be selected by the service technician.

- 1. Mark the holes for mounting the fan.
- 2. Drill the holes according to the markings.
- 3. Fix the fan to the mounting surface.
- Connect the air ducts (purchased separately) to the fan spigots.
- 5. Mark the holes for mounting the terminal box.
- Drill the holes according to the markings. .
- Fix the remote terminal box to the mounting surface
- Unscrew the terminal box cover
- Make the electrical connections in compliance with the wiring diagram. Reassemble the terminal box in the reverse order.
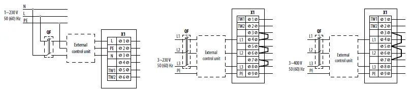
CONNECTION TO POWER MAINS
- The unit is rated for connection to 1~230 V/50 (60) Hz or 3~400 V/50 (60) Hz power mains.
- The unit must be connected to power mains using insulated electric conductors (cables, wires). The actual wire cross section selection must be based on the maximum load current, maximum conductor temperature depending on the wire type, insulation, length and installation method.
- The external power input must be equipped with an automatic circuit breaker built into the stationary wiring to open the electric circuit in case of overload or short-circuit. The circuit breaker installation place must provide quick access for emergency shutdown of the unit. The trip current of the automatic circuit breaker must exceed the maximum current consumption of the unit (refer to the technical data table). The recommended trip current of the circuit breaker is the next current in the standard trip current row following the maximum current of the connected unit. The automatic circuit breaker is not included in the delivery set.
Connection of the fan to power mains and to additional external control units is carried out in the remote control box. The same regulator device can be used for connecting several fans simultaneously provided that their combined capacity and working current remain within the nominal parameters of the regulator. External control units are purchased separately (shown in dotted lines in the diagram).
Wiring diagrams
The fan is connected to power mains by means of the power cord with a plug (XP) or in the remote terminal box (X1). ISO-RB 100, ISO-RB 125, ISO-RB 125 max, ISO-RB 150, ISO-RB 160, ISO-RB 200, ISO-RB 250, ISO-RB 355

TECHNICAL MAINTENANCE
The technical maintenance includes periodic cleaning of the surfaces from accumulated dust and dirt. The impeller blades require thorough cleaning once in 6 months. Clean the blades with a soft brush or a vacuum cleaner. While cleaning the fan be careful not to displace the impeller counter weights. Protect the electric motor against ingress of liquid

TROUBLESHOOTING
| PROBLEM | POSSIBLE REASONS | TROUBLESHOOTING |
| The fan does not start. | No power supply. | Make sure that the unit is properly connected to the power mains and make any corrections, if necessary. |
| Low air flow. | The ventilation system is soiled or damaged. | Make sure the air ducts are clean and intact. Clean them if necessary. |
| Noise, vibration. | The fan impeller is soiled. | Clean the impellers. |
| The screw connection is loose. | Tighten the fastening screws. |
STORAGE AND TRANSPORTATION REGULATIONS
- Store the unit in the manufacturer’s original packaging box in a dry closed ventilated premise with temperature range from +5 °C to + 40 °C and relative humidity up to 70 %.
- Storage environment must not contain aggressive vapors and chemical mixtures provoking corrosion, insulation, and sealing deformation.
- Use suitable hoist machinery for handling and storage operations to prevent possible damage to the unit.
- Follow the handling requirements applicable for the particular type of cargo.
- The unit can be carried in the original packaging by any mode of transport provided proper protection against precipitation and mechanical damage. The unit must be transported only in the working position.
- Avoid sharp blows, scratches, or rough handling during loading and unloading.
- Prior to the initial power-up after transportation at low temperatures, allow the unit to warm up at operating temperature for at least 3- 4 hours.
MANUFACTURER’S WARRANTY
The product is in compliance with EU norms and standards on low voltage guidelines and electromagnetic compatibility. We hereby declare that the product complies with the provisions of Electromagnetic Compatibility (EMC) Directive 2014/30/EU of the European Parliament and of the Council, Low Voltage Directive (LVD) 2014/35/EU of the European Parliament and of the Council and CE-marking Council Directive 93/68/EEC. This certificate is issued following test carried out on samples of the product referred to above. The manufacturer hereby warrants normal operation of the unit for 24 months after the retail sale date provided the user’s observance of the transportation, storage, installation, and operation regulations. Should any malfunctions occur in the course of the unit operation through the Manufacturer’s fault during the guaranteed period of operation, the user is entitled to get all the faults eliminated by the manufacturer by means of warranty repair at the factory free of charge. The warranty repair includes work specific to elimination of faults in the unit operation to ensure its intended use by the user within the guaranteed period of operation. The faults are eliminated by means of replacement or repair of the unit components or a specific part of such unit component.
The warranty repair does not include:
- routine technical maintenance
- unit installation/dismantling
- unit setup
To benefit from warranty repair, the user must provide the unit, the user’s manual with the purchase date stamp, and the payment paperwork certifying the purchase. The unit model must comply with the one stated in the user’s manual. Contact the Seller for warranty service.
The manufacturer’s warranty does not apply to the following cases:
- User’s failure to submit the unit with the entire delivery package as stated in the user’s manual including submission with missing component parts previously dismounted by the user.
- Mismatch of the unit model and the brand name with the information stated on the unit packaging and in the user’s manual.
- User’s failure to ensure timely technical maintenance of the unit.
- External damage to the unit casing (excluding external modifications as required for installation) and internal components caused by the user.
- Redesign or engineering changes to the unit.
- Replacement and use of any assemblies, parts and components not approved by the manufacturer.
- Unit misuse.
- Violation of the unit installation regulations by the user.
- Violation of the unit control regulations by the user.
- Unit connection to power mains with a voltage different from the one stated in the user’s manual.
- Unit breakdown due to voltage surges in power mains.
- Discretionary repair of the unit by the user.
- Unit repair by any persons without the manufacturer’s authorization.
- Expiration of the unit warranty period.
- Violation of the unit transportation regulations by the user.
- Violation of the unit storage regulations by the user.
- Wrongful actions against the unit committed by third parties.
- Unit breakdown due to circumstances of insuperable force (fire, flood, earthquake, war, hostilities of any kind, blockades).
- Missing seals if provided by the user’s manual.
- Failure to submit the user’s manual with the unit purchase date stamp.
- Missing payment paperwork certifying the unit purchase.
CERTIFICATE OF ACCEPTANCE
| Unit Type | Centrifugal duct fan in sound insulated casing |
| Model | ISO-RB |
| Serial Number | |
| Manufacture Date | |
| Quality Inspector’s Stamp |
SELLER INFORMATION
| Seller | |
| Address | |
| Phone Number | |
| Purchase Date | |
| This is to certify acceptance of the complete unit delivery with the user’s manual. The warranty terms are acknowledged and accepted. | |
| Customer’s Signature | |
INSTALLATION CERTIFICATE
| The ISO-RB unit is installed pursuant to the requirements stated in the present user’s manual. | ||
| Company name | ||
| Address | ||
| Phone Number | ||
| Installation Technician’s Full Name | ||
| Installation Date: | Signature: | |
| The unit has been installed in accordance with the provisions of all the applicable local and national construction, electrical and technical codes and standards. The unit operates normally as intended by the manufacturer. | ||
| Signature: | ||


















