100-2E Sound Insulated Centrifugal Fan
User Manual
Centrifugal fan in the sound-insulated casing
This user’s manual is a main operating document intended for technical, maintenance, and operating staff.
The manual contains information about the purpose, technical details, operating principle, design, and installation of the KSA unit and all its modifications.
Technical and maintenance staff must have theoretical and practical training in the field of ventilation systems and should be able to work in accordance with workplace safety rules as well as construction norms and standards applicable in the territory of the country.
SAFETY REQUIREMENTS
All user’s manual requirements, as well as the provisions of all the applicable local and national construction, electrical, and technical norms and standards, must be observed when installing and operating the unit.
Disconnect the unit from the power supply prior to any connection, servicing, maintenance, and repair operations.
Only qualified electricians with a work permit for electrical units up to 1000 V are allowed for installation. The present user’s manual should be carefully read before beginning work.
Check the unit for any visible damage to the impeller, the casing, and the grille before starting installation. The casing internals must be free of any foreign objects that can damage the impeller blades.
While mounting the unit, avoid compression of the casing! Deformation of the casing may result in motor jams and excessive noise.
Misuse of the unit and any unauthorized modifications are not allowed.
Do not expose the unit to adverse atmospheric agents (rain, sun, etc.).
Transported air must not contain any dust or other solid impurities, sticky substances, or fibrous materials.
Do not use the unit in a hazardous or explosive environment containing spirits, gasoline, insecticides, etc.
Do not close or block the intake or extract vents in order to ensure efficient airflow.
Do not sit on the unit and do not put objects on it.
The information in this user’s manual was correct at the time of the document’s preparation.
The Company reserves the right to modify the technical characteristics, design, or configuration of its products at any time in order to incorporate the latest technological developments.
Never touch the unit with wet or damp hands.
Never touch the unit when barefoot.
This appliance can be used by children aged 8 years and above and persons with reduced physical, sensory or mental capabilities or lack of experience and knowledge if they have been given supervision or instruction concerning the use of the appliance in a safe way and understand the hazards involved
Cleaning and user maintenance shall not be made by children without supervision Children shall not play with the appliance.
Connection to the mains must be made through a disconnecting device, which is integrated into the fixed wiring system in accordance with the wiring rules for the design of electrical units and has a contact separation in all poles that allows for full disconnection under overvoltage category III conditions.
If the supply cord is damaged, it must be replaced by the manufacturer, its service agent, or similarly qualified persons in order to avoid a safety hazard.
The appliance is reset by disconnection of the supply mains.
Ensure that the unit is switched off from the supply mains before removing the guard.
WARNING: If there are any unusual oscillating movements, immediately stop using the unit and contact the manufacturer, its service agent, or suitably qualified persons.
The replacement of parts of the safety suspension system device shall be performed by the manufacturer, its service agent, or suitably qualified persons.
Fixing means for attachment to the ceiling such as hooks or other devices shall be fixed with sufficient strength to withstand 4 times the weight of the appliance.
The mounting of the suspension system shall be performed by the manufacturer, its service agent, or suitably qualified persons.
The appliance is to be installed so that the blades are more than 2.3m above the floor.
Precautions must be taken to avoid the back-flow of gases into the room from the open flue of gas or other fuel-burning appliances.
THE PRODUCT MUST BE DISPOSED OF SEPARATELY AT THE END OF ITS SERVICE LIFE.
DO NOT DISPOSE OF THE UNIT AS UNSORTED DOMESTIC WASTE.
PURPOSE
The centrifugal fan in the sound-insulated casing is designed for supply and exhaust ventilation of domestic, public, and industrial premises with high requirements to the noise level and with limited space for mounting.
The unit is rated for continuous operation.
The unit is a component part and is not designed for stand-alone operation.
Transported air must not contain any flammable or explosive mixtures, evaporation of chemicals, sticky substances, fibrous materials, coarse dust, soot, and oil particles, or environments favorable for the formation of hazardous substances (toxic substances, dust, pathogenic germs).
DELIVERY SET
| NAME | NUMBER |
| Fan | 1 pc. |
| User’s manual | 1 pc. |
| Packing box | 1 pc. |
DESIGNATION KEY

TECHNICAL DATA
The fan is designed for operation in an enclosed area at ambient temperatures from +1 °C up to +40 °C.
The fan is rated as a class I electric appliance.
The fan design is regularly improved, so some models may slightly differ from those ones described herein.
OVERALL AND CONNECTING DIMENSIONS OF THE FANS
| Model | Dimensions [mm] | Weight [kg] | |||||
| 0 D | B | H | H1 | L | Ll | ||
| KSA 100-2E | 99 | 294 | 260 | 309 | 136 | 184 | 4. |
| KSA 125-2E | 124 | 310 | 260 | 309 | 154 | 206 | 5. |
| KSA 150-2E | 149 | 350 | 295 | 344 | 183 | 231 | 6. |
| KSA 160-2E | 159 | 350 | 295 | 343 | 183 | 231 | 6. |
| KSA 200-4E | 199 | 436 | 361 | 409 | 233 | 282 | 8. |

MAIN TECHNICAL PARAMETERS OF THE FANS
| KSA 100-2E | KSA 125-2E | KSA 150-2E | KSA 160-2E | KSA 200-4E | |
| Voltage [V/Hz] | 1-230/50 | ||||
| Power [W] | 130 | 155 | 335 | 335 | 115 |
| Current [A] | 0.60 | 0.70 | 1.50 | 1.50 | 0.50 |
| Maximum air capacity [m3/h] | 425 | 505 | 750 | 750 | 640 |
| Maximum air capacity [I/s] | 118 | 140 | 208 | 208 | 178 |
| RPM | 2870 | 2870 | 2870 | 2870 | 1350 |
| Sound pressure level at 3 m distance [dB(A)] through a casing in free space | 36. | 38. | 39. | 38. | 29. |
| Transported air temperature NI | -25…+40 | ||||
| Degree of fan protection | IPX2 | ||||
| Degree of motor protection | IP44 | ||||
| SEC class (+speed control and external sensor) | C | I C | I D | I D | I C |
DESIGN AND OPERATING PRINCIPLE
The fan casing is made of steel with an aluzinc anti-corrosion coating.
For easy installation and operation, the fan is attached to the surface using a special bracket.
Heat- and sound insulation are made of foam.
The round connecting spigots are rubber sealed.
The fan is equipped with an asynchronous electric motor with an external rotor and an impeller with forwarding curved blades.
The low-noise electric motor with ball bearings with specially selected grease ensures maintenance-free operation of the fan.
The duct fans are intended for mounting to round air ducts.
The fans are installed between the air ducts.
The fan is attached to the building structure using a bracket.
The fan may be installed in any position in consideration of the airflow direction (as indicated by the arrow on the fan casing).
ELECTRONICS OPERATION ALGORITHM
The KSA … U/U1/U2(n) fan is equipped with an electronic module TSC (speed controller with electronic thermostat) for automatic change of rotation speed (air flow rate) depending on the air temperature.
There are 2 control knobs on the cover of the terminal compartment:
- preset speed;
- operating threshold of the electronic thermostat.
The thermostat indicator is located on the fan cover.
It lights up when the air temperature exceeds the set value.
To set the thermostat threshold, turn the temperature control knob clockwise to increase the value and counter-clockwise to decrease the value.
To set the rotation speed (airflow), turn the speed control knob in the same way.
There are two operation algorithms – by temperature and by timer:
KSA … U(n): when the room temperature exceeds the set value, the fan switches to maximum speed.
When the temperature falls below the set threshold by 2 °C (or if the temperature was initially below the set threshold), the fan operates at the set speed.
KSA … U1(n): when the air temperature in the room exceeds the set value, the fan switches to maximum speed.
When the air temperature falls below the set threshold, the delay timer starts a 5-minute countdown, then the fan switches to the set speed.
KSA … U2(n): when the air temperature in the room exceeds the set value, the fan turns on at the set speed.
When the temperature drops below the set threshold by 2 °C (or if the temperature was initially below the set threshold), the fan turns off.
The KSA … P fan is equipped with a speed controller that allows you to turn the fan on and off, and smoothly adjust the rotation speed (airflow) in the range from minimum to maximum speed.

- speed control knob
- thermostat control knob
Caution! To reset the fan, disconnect its power supply mains.
MOUNTING AND SET-UP
READ THE USER’S MANUAL BEFORE INSTALLING THE UNIT.
WHILE INSTALLING THE UNIT ENSURE CONVENIENT ACCESS FOR SUBSEQUENT MAINTENANCE AND REPAIR.
THE UNIT MUST BE MOUNTED ON A PLANE SURFACE.
MOUNTING OF THE UNIT TO AN UNEVEN SURFACE CAN LEAD TO THE UNIT CASING DISTORTION AND OPERATION DISTURBANCE.
- Disconnect the unit from the power supply prior to any connection, servicing, and repair operations.
- Prior to installing the fan make sure the casing has no visible damage and check the integrity of the power supply wires. The fan casing must not contain any foreign objects which can damage the impeller blades.
- Make sure the impeller rotates freely without touching the flange and the casing.
- The fan shall be installed in the air duct with the same diameter.
- Mount the fan in such a way that the arrow on the fan casing matches the airflow direction in the system.
- Install flexible connectors on both sides of the fan (purchased separately).
- Ensure a direct air duct section of at least one air duct diameter long on the inlet side and at least three air duct diameters long on the outlet side.
- The fan is not a ready-to-use unit and requires a connection to the air ducts.
- Install the fan securely while ensuring free access for maintenance operations.
- The fixing means for attachment to the ceiling such as hooks or other devices shall be fixed with sufficient strength to withstand 4 times the weight of the ceiling fan.
- When mounting the fan outdoors, protect it against weather impact and water ingress, for example, by mounting a hood over the fan.
- Take steps to prevent backflow of gases from devices using gas and open flames.
MOUNTING SEQUENCE

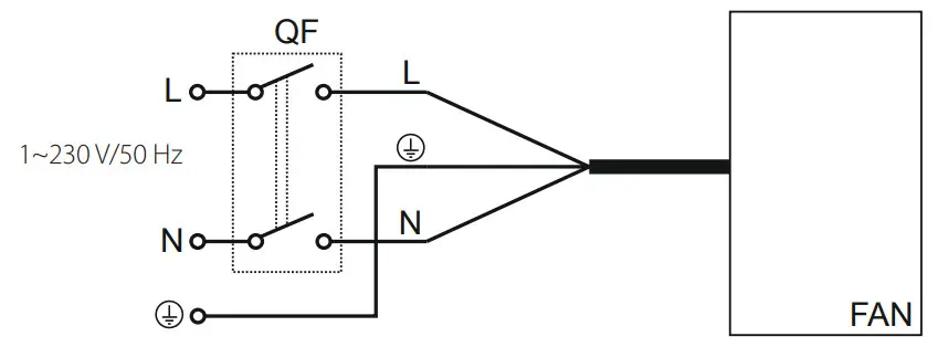
CONNECTION TO POWER MAINS
POWER OFF THE POWER SUPPLY PRIOR TO ANY OPERATIONS WITH THE UNIT.
THE UNIT MUST BE CONNECTED TO THE POWER SUPPLY BY A QUALIFIED ELECTRICIAN.
THE RATED ELECTRICAL PARAMETERS OF THE UNIT ARE GIVEN ON THE MANUFACTURER’S LABEL.
- The unit is rated for connection to 1~230 V/50 Hz power mains.
- The connection must be made using durable, insulated, and heat-resistant conductors (cables, wires).
- The actual wire cross-section selection must be based on the maximum load current, and maximum conductor temperature depending on the wire type, insulation, length, and installation method.
- The external power input must be equipped with an automatic circuit breaker QF built into the stationary wiring to open the circuit in the event of overload or short-circuit.
- The position of the external automatic circuit breaker must ensure free access for quick power-off of the unit.
- The automatic circuit breaker nominal current must exceed the ventilator current consumption.
- It is recommended to select the rated current of the circuit breaker from the standard series, following the maximum current of the connected unit.
- The circuit breaker is not included in the delivery set and can be ordered separately.
- The unit must be connected to power mains through a double pole circuit breaker of suitable rating integrated into the fixed wiring system with opening of contacts at all poles. The gap between the circuit breaker contacts at all poles must be not less than 3 mm.
Follow the wiring diagram to connect the fan using the power cable. 
Designation key:
L, N – connection terminals
PE – ground terminal
QF – automatic circuit breaker
Depending on the model, the fan may be equipped with a power cable with the main plug.
TECHNICAL MAINTENANCE
DISCONNECT THE UNIT FROM THE POWER SUPPLY BEFORE ANY MAINTENANCE OPERATIONS!
MAKE SURE THE UNIT IS DISCONNECTED FROM POWER MAINS BEFORE REMOVING THE PROTECTION
The technical maintenance includes periodic (once in 6 months ) cleaning of the surfaces from accumulated dust and dirt.
- Disconnect the fan from power mains prior to any maintenance operations.
- Use a soft dry cloth, brush, or compressed air to remove dust.
- Carry out wet cleaning using warm water and a mild household detergent. Avoid water splashes on the unit! Do not immerse the unit in the water!
- Do not use aggressive solvents or sharp objects as they may damage the impeller.
Avoid penetration of water onto the electric parts and the motor.
Wipe the unit surfaces dry after cleaning.

TROUBLESHOOTING
| PROBLEM | POSSIBLE REASONS | TROUBLESHOOTING |
| The fan does not start. | No power supply. | Make sure that the unit is properly connected to the power mains and make any corrections, if necessary. |
| Low air flow. | The ventilation system is soiled or damaged. | Make sure the air ducts are clean and intact. Clean them if necessary. |
| Noise, vibration. | The fan impeller is soiled. | Clean the impellers. |
| The screw connection is loose. | Tighten the fastening screws. |
STORAGE AND TRANSPORTATION REGULATIONS
- Store the unit in the manufacturer’s original packaging box in a dry closed ventilated premise with a temperature range from +5 ˚С to +40 ˚С and relative humidity up to 70 %.
- The storage environment must not contain aggressive vapors and chemical mixtures provoking corrosion, insulation, and sealing deformation.
- Use suitable hoist machinery for handling and storage operations to prevent possible damage to the unit.
- Follow the handling requirements applicable for the particular type of cargo.
- The unit can be carried in the original packaging by any mode of transport provided proper protection against precipitation and mechanical damage. The unit must be transported only in the working position.
- Avoid sharp blows, scratches, or rough handling during loading and unloading.
- Prior to the initial power-up after transportation at low temperatures, allow the unit to warm up at operating temperature for at least 3-4 hours.
MANUFACTURER’S WARRANTY
The product is in compliance with EU norms and standards on low voltage guidelines and electromagnetic compatibility. We hereby declare that the product complies with the provisions of the Electromagnetic Compatibility (EMC) Directive 2014/30/EU of the European Parliament and of the Council, Low Voltage Directive (LVD) 2014/35/EU of the European Parliament and of the Council and CE-marking Council Directive 93/68/EEC. This certificate is issued following test carried out on samples of the product referred to above.
The manufacturer hereby warrants normal operation of the unit for 24 months after the retail sale date provided the user’s observance of the transportation, storage, installation, and operation regulations. Should any malfunctions occur in the course of the unit operation through the Manufacturer’s fault during the guaranteed period of operation, the user is entitled to get all the faults eliminated by the manufacturer by means of warranty repair at the factory free of charge. The warranty repair includes work specific to the elimination of faults in the unit operation to ensure its intended use by the user within the guaranteed period of operation. The faults are eliminated by means of replacement or repair of the unit components or a specific part of such unit component.
The warranty repair does not include:
- routine technical maintenance
- unit installation/dismantling
- unit setup
To benefit from a warranty repair, the user must provide the unit, the user’s manual with the purchase date stamp, and the payment paperwork certifying the purchase. The unit model must comply with the one stated in the user’s manual. Contact the Seller for warranty service.
The manufacturer’s warranty does not apply to the following cases:
- User’s failure to submit the unit with the entire delivery package as stated in the user’s manual including submission with missing component parts previously dismounted by the user.
- Mismatch of the unit model and the brand name with the information stated on the unit packaging and in the user’s manual.
- User’s failure to ensure timely technical maintenance of the unit.
- External damage to the unit casing (excluding external modifications as required for installation) and internal components caused by the user.
- Redesign or engineering changes to the unit.
- Replacement and use of any assemblies, parts, and components not approved by the manufacturer.
- Unit misuse.
- Violation of the unit installation regulations by the user.
- Violation of the unit control regulations by the user.
- Unit connection to power mains with a voltage different from the one stated in the user’s manual.
- Unit breakdown due to voltage surges in power mains.
- Discretionary repair of the unit by the user.
- Unit repair by any persons without the manufacturer’s authorization.
- Expiration of the unit warranty period.
- Violation of the unit transportation regulations by the user.
- Violation of the unit storage regulations by the user.
- Wrongful actions against the unit were committed by third parties.
- Unit breakdown due to circumstances of insuperable force (fire, flood, earthquake, war, hostilities of any kind, blockades).
- Missing seals if provided by the user’s manual.
- Failure to submit the user’s manual with the unit purchase date stamp.
- Missing payment paperwork certifying the unit purchase.
FOLLOWING THE REGULATIONS STIPULATED HEREIN WILL ENSURE A LONG AND TROUBLE-FREE OPERATION OF THE UNIT.
USER’S WARRANTY CLAIMS SHALL BE SUBJECT TO REVIEW ONLY UPON PRESENTATION OF THE UNIT, THE PAYMENT DOCUMENT AND THE USER’S MANUAL WITH THE PURCHASE DATE STAMP.
CERTIFICATE OF ACCEPTANCE
| UnitType | The centrifugal fan in the sound-insulated casing |
| Model | |
| Serial Number | |
| Manufacture Date | |
| Quality Inspector’s Stamp |
SELLER INFORMATION
| Seller | |
| Address | |
| Phone Number | |
| Purchase Date | |
| This is to certify acceptance of the complete unit delivery with the user’s manual. The warranty terms are acknowledged and accepted. | |
| Customer’s Signature | |
INSTALLATION CERTIFICATE
| The unit is installed pursuant to the requirements stated | |||
| in the present user’s manual. | |||
| Company name | |||
| Address | |||
| Phone Number | |||
| Installation Technician’s Full Name | |||
| Installation Date: | Signature: | ||
| The unit has been installed in accordance with the provisions of all the applicable local and national construction, electrical and technical codes and standards. The unit operates normally as intended by the manufacturer. | |||
| Signature: | |||
WARRANTY CARD
| Unit Type | The centrifugal fan in the sound-insulated casing |
| Model | |
| Serial Number | |
| Manufacture Date | |
| Purchase Date | |
| Warranty Period | |
| Seller |



















