HOIST HD-3600 AB LOW Back Aka Fitness

Product Information
The HD-3600 is an exercise equipment designed to provide the smoothest, most effective exercise motion possible for the abdominal and lower back muscles. This equipment features a weight cage that can accommodate either Weight Stack #10 or Weight Stack #15. For safety purposes, it is important to bolt this unit to the exercise floor to prevent possible tipping, failure to do so may result in serious injury or death.
When assembling, please use the various lists in the manual to ensure that all parts have been included in your shipment. Use only HOIST replacement parts when servicing to avoid the voiding of your warranty and possible personal injury. After assembly, check all functions to ensure correct operation. If you experience problems, first recheck the assembly instructions to locate any possible errors made during assembly. If you are unable to correct the problem, call your authorized HOIST dealer.
Product Usage Instructions
Before using the HD-3600 exercise equipment, please follow these instructions:
- Bolt this unit to the exercise floor to prevent possible tipping.
- Check all functions to ensure correct operation.
- Adjust the weight cage according to your preference, either Weight Stack #10 or Weight Stack #15.
- Attach the cable and pulleys at the same time.
- Sit on the seat with your feet on the footrest and adjust the height according to your comfort.
- Select the desired weight and attach the handles to the cables.
- Hold the handles with both hands and place them on your chest.
- Slowly lean back using your abdominal muscles while inhaling.
- Hold the position for a few seconds and exhale while slowly returning to the starting position.
- Repeat the exercise for your desired number of repetitions.
If you have any further questions or concerns about the usage of the HD-3600 exercise equipment, please contact the customer service number provided in the manual.
INSTRUCTIONS
Before beginning assembly please take the time to read instructions thoroughly. Please use the various lists in this manual to make sure that all parts have been included in your shipment. When ordering, use part number and description from the lists. Use only HOIST replacement parts when servicing. Failure to do so will void your warranty and could result in personal injury.
HOIST equipment is designed to provide the smoothest, most effective exercise motion possible. After assembly, you should check all functions to ensure correct operation. If you experience problems, first recheck the assembly instructions to locate any possible errors made during assembly. If you are unable to correct the problem, call your authorized HOIST dealer. Be sure to have your serial number and this manual when calling. When all parts have been accounted for, continue on.
TOOLS REQUIRED
- Ratchet Wrench
- 1/2″, 9/16″ and 3/4″ Sockets
- Adjustable Wrench
- Rubber Mallet
- Tape Measure
- Level
- Hex Key Wrench Set
- Two People
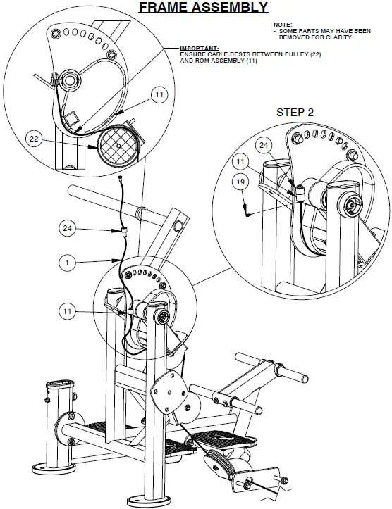
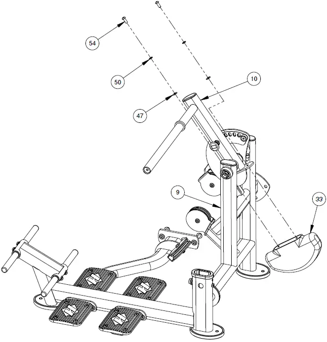
FRAME ASSEMBLY
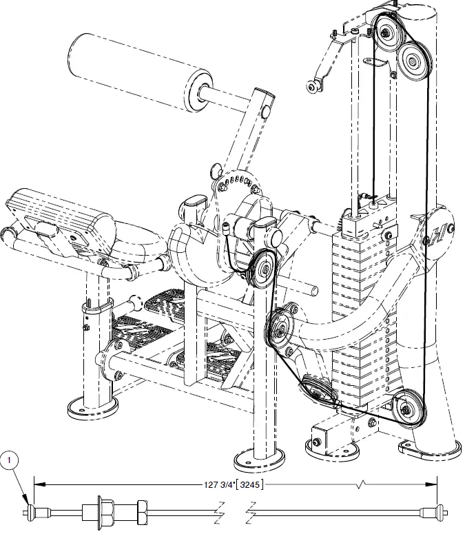
CABLE PROFILE VIEW
*ASSEMBLE WEIGHT CAGE FIRST*













*IMPORTANT*
NOW THAT THE HD-3600 IS COMPLETELY ASSEMBLED TAKE TIME TO
ASSURE THAT YOUR UNIT IS ASSEMBLED SQUARE AND PERPENDICULAR. IF NOT, IT WILL BE NECESSARY TO LOOSEN SOME FRAME HARDWARE TO RE-ALIGN THE FRAME AND RETIGHTEN BOLTS.
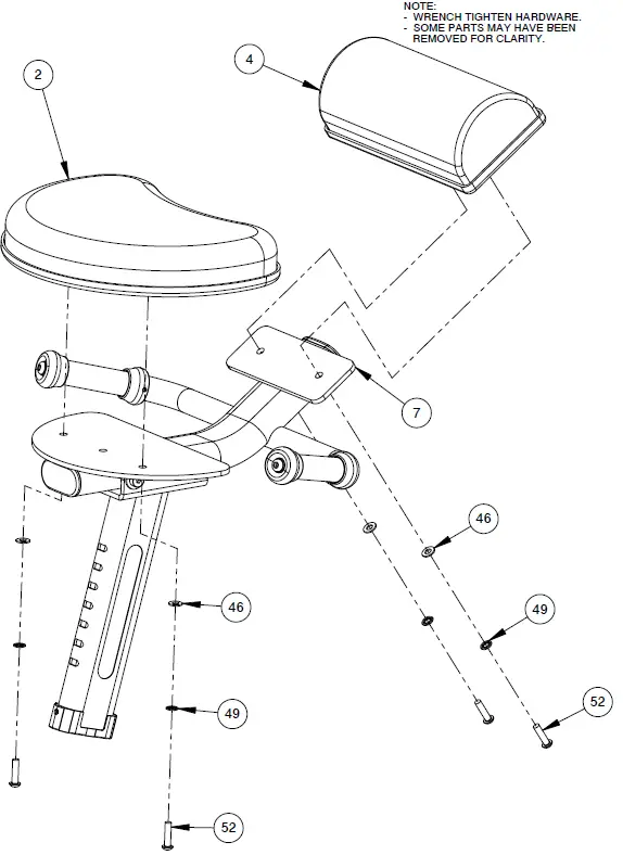
PRE-ASSEMBLY
NOTE:
– WRENCH TIGHTEN HARDWARE.
DECAL PLACEMENT
NOTE:
- ALL DECALS ARE CENTERED UNLESS OTHERWISE STATED.
- SOME PARTS MAY HAVE BEEN REMOVED FOR CLARITY.
DECAL REFERENCE


PART LIST
NOTE: SOME OF THESE PARTS MAY COME PRE-INSTALLED
| ITEM NO. | PART NUMBER | DESCRIPTION | QTY. |
| 1 | 010-01C0429 | HD-3600 CABLE | 1 |
| 2 | 022-01PD2103-A | SEAT PAD ASSEMBLY | 1 |
| 3 | 022-01PD2119 | PAD, LONG ROLLER | 1 |
| 4 | 022-01PD2326-A | LOW BACK PAD ASSEMBLY | 1 |
| 5 | 026-01X0186 | PULL-PIN ASSEMBLY | 1 |
| 6 | 026-01X2849 | RACHET PULL-PIN ASSEMBLY | 1 |
| 7 | 026-01X5831 | SEAT MOUNT | 1 |
| 8 | 026-01X6575 | PULLEY ARM HOUSING ASSEMBLY | 1 |
| 9 | 026-01X6576 | PIVOT SUPPORT FRAME | 1 |
| 10 | 026-01X6579 | ARM SUPPORT ASSEMBLY | 1 |
| 11 | 026-01X6580 | CAM/ROM ASSEMBLY | 1 |
| 12 | 026-01X6603 | UPPER CAGE TIE | 1 |
| 13 | 026-01X6604 | BASE FRAME ASSEMBLY | 1 |
| 14 | 026-01X6605 | LOWER CAGE TIE | 1 |
| 15 | 011-0711001 | SET SCREW: 1/4″-28 X .25″ LG. (Ni) | 4 |
| 17 | 011-0115005 | M4 X 10mm FHMS (Ni) | 2 |
| 18 | 014-0012014 | BEARING: FLANGELESS – 25mm I.D. | 6 |
| 19 | 014-0015019 | 7/16″ EXTERNAL RETAINING RING | 1 |
| 20 | 016-0201003 | 1 1/2″ END CAP (DOMED) | 1 |
| 21 | 016-0201010 | END CAP 1.25″ X 1.25″ (BLACK) | 1 |
| 22 | 018-0001003 | CABLE PULLEY: Ø4.50″ | 3 |
| 23 | 019-0001001 | PLUG BUMPER | 2 |
| 24 | 026-01M0836 | QUICK RELEASE CABLE LOCK 1/4″ | 1 |
| 25 | 026-01M0932 | ALUMINIUM CAP: Ø1.25″ ID | 2 |
| 26 | 026-01M0933 | ALUMINUM RING: Ø1.25″ ID | 2 |
| 27 | 026-01M2890 | SHAFT – .984 X 11.5854 LG. | 1 |
| 28 | 026-01M3112 | FINISHED CAP WASHER | 2 |
| 29 | 026-01M3114 | FOOT PEG | 2 |
| 30 | 026-01M3125 | CAP, AL ROLLER PAD | 1 |
| 31 | 026-01P2653 | ‘H’ PLATE | 1 |
| 32 | 026-01P4486 | WEAR PLATE | 1 |
| 33 | 026-01P4508 | COUNTERWEIGHT W/ COATING | 1 |
| 34 | 026-01PL0235-17 | GRIP OPEN ENDED 1.188″ X 5.00″ LG. | 2 |
| 35 | 026-01PL2122 | OVAL-SHAPED RUBBER FOOT | 3 |
| ITEM NO. | PART NUMBER | DESCRIPTION | QTY. |
| 36 | 026-01PL2260 | FOOTPLATE | 4 |
| 37 | 026-01PL2325 | PLASTIC LIMITER | 2 |
| 38 | 026-01PL2371 | 3.75″ ROLLER PAD END CAP | 2 |
| 39 | 026-01PL2553 | FINISH CAP BODY, 2.3750″ | 2 |
| 40 | 026-01PL2563 | INNER SEAT ADJUSTER BUSHING | 1 |
| 41 | 026-01PL2564 | GLIDE SLEEVE | 1 |
| 42 | 026-01PL2565 | 3.15″ X 1.57″ CAP | 8 |
| 43 | 026-01T4025 | SPACER – 1.50 X .250″ WALL X .188 LG. | 2 |
| 44 | ROC-IT WEIGHT CAGE – A2 | ROC-IT WEIGHT CAGE | 1 |
| 45 | 013-1009001 | 3/8″ CURVED WASHER (Ni) | 4 |
| 46 | 013-1002010 | 5/16″ SAE FLAT WASHER (Ni) | 4 |
| 47 | 013-1002007 | 3/8″ X 22mm FLAT WASHER (Ni) | 42 |
| 48 | 013-1002006 | 1/2″ X 27mm SAE FLAT WASHER (Ni) | 34 |
| 49 | 013-1010003 | 5/16″ INTERNAL LOCK WASHER (Ni) | 4 |
| 50 | 013-1006003 | 3/8″ SPLIT LOCK WASHER (Ni) | 11 |
| 51 | 011-0704001 | 3/8-16UNC X .75″ SQUARE HEAD (Ni) | 1 |
| 52 | 011-0701004 | 5/16″-18UNC X 1.25″ BHCS (Ni) | 4 |
| 53 | 011-0701019 | 3/8″-16UNC X .75″ BHCS (Ni) | 16 |
| 54 | 011-0701020 | 3/8″-16UNC X 1.00″ BHCS (Ni) | 5 |
| 55 | 011-0701021 | 3/8″-16UNC X 1.25″ BHCS (Ni) | 4 |
| 56 | 011-0701049 | 1/2″-13UNC X 1.50″ BHCS (Ni) | 2 |
| 57 | 011-0702026 | 1/2″-13UNC X 1.50″ FHS (Ni) | 2 |
| 58 | 011-0116145 | 3/8″-16UNC X 1.75″ LOW HEAD SHCS (Ni) | 3 |
| 59 | 011-0116122 | 1/2″-13UNC X 4.75″ LOW HEAD SHCS (Ni) | 2 |
| 60 | 011-0116108 | 1/2″-13UNC X 1.25″ LOW HEAD SHCS (Ni) | 6 |
| 61 | 011-0116116 | 1/2″-13UNC X 3.25″ LOW HEAD SHCS (Ni) | 2 |
| 62 | 011-0116118 | 1/2″-13UNC X 3.75″ LOW HEAD SHCS (Ni) | 4 |
| 63 | 012-0504005 | 3/8″-16 UNC THIN NYLOCK NUT (Ni) | 19 |
| 64 | 012-0504002 | 1/2″-13 UNC THIN NYLOCK NUT (Ni) | 18 |
| 71 | 021-0003230 | DECAL HOIST 1.625″ X 6.0613″ | 2 |
| 72 | SERIAL # DECAL | DECAL HOIST SERIAL # 1.63″ X 2.63″ | 1 |
| 73 | 021-0003916 | HD-3600 ROM Decal | 1 |
| 74 | 026-01X6627 | SEAT MOUNT ADJUSTER TUBE | 1 |
| 75 | 021-0003911 | DECAL ADJUST 1-7 VERTICAL GREY BKGRND | 1 |
| ITEM NO. | PART NUMBER | DESCRIPTION | QTY. |
| 77 | 021-0003899 | HD-3100, 3600, 3800 WEIGHT STACK DECALS | 1 |
| 78 | 021-0003914 | DUAL SERIES EYEBALL DECAL | 1 |
| 79 | 021-0003915 | HD QR DECAL | 1 |
| 80 | 021-0003888 | PLACARD HD-3600 AB/BACK | 1 |
| 83 | 011-0701120 | M4 BHB (Ni) | 2 |
| 85 | 011-0701111 | 3/8″-16UNC X 1.00″ BHCS (Ni) W/ DRI-LOC PATCH | 2 |
| 88 | 021-0003093 | DECAL MOVING PARTS 1.20″ X 2.38″ (HOR) | 2 |
| 89 | 021-0003341 | DECAL PINCH POINT 1.07″ X 2.13″ (HORIZONTAL) | 1 |
| 90 | 026-01X6638 | FOOTPLATE MOUNT | 1 |
| 91 | 021-0003930 | HDG WEIGHT STACK DECAL #16 | 1 |
ABBREVIATIONS
- BZ = Black Zinc
- Ni = Nickel Plated
- SS = Stainless Steel
- WZ = White Zinc
- HHB = Hex Head Bolt

- FHCS = Flat Head Cap Screw

- BHCS = Button Head Cap Screw

- SHCS = Socket Head Cap Screw

- Low Head SHCS = Low Head Socket Head Cap Screw

- SHSS = Socket Head Shoulder Screw

BOLT SIZING CHART



WASHER SIZING CHART




MAINTENANCE SCHEDULE
| ROUTINE | COMMERCIAL / LIGHT COMMERCIAL MAINTENANCE | HOME MAINTENANCE | LATEST DATE ENTRY | |||||||||
| Inspect; Links, Pull Pins, Snap Locks, Swivels, Weight Stack Pins | DAILY | WEEKLY | ||||||||||
| Clean; Upholstery | DAILY | WEEKLY | ||||||||||
| Inspect; Cables or Belts and their tension | DAILY | WEEKLY | ||||||||||
| Inspect; Accessory Bars, and Handles | WEEKLY | 3 MONTHS | ||||||||||
| Inspect; All Decals | WEEKLY | 3 MONTHS | ||||||||||
| Inspect; All Nuts and Bolts, Tighten if needed | WEEKLY | 3 MONTHS | ||||||||||
| Inspect; Anti-Skid Surface | WEEKLY | 3 MONTHS | ||||||||||
| Clean & Lubricate; Guide Rods with a Teflon (PTFE) based lubricant (Superlube) | MONTHLY | 3 MONTHS | ||||||||||
| Lubricate; Seat Sleeves, Turcite Bushings, Linear Bearing | MONTHLY | 3 MONTHS | ||||||||||
| Clean and Wax; All Glossy Finishes | 6 MONTHS | YEARLY | ||||||||||
| Repack with Grease; Linear Bearings | 6 MONTHS | YEARLY | ||||||||||
| Replace; Cables, Belts and Connecting Parts | YEARLY | 3 YEARS | ||||||||||
Your equipment comes with a commercial maintenance decal.
For personal, in home use, please follow the home maintenance schedule listed above.
Never use ammonia, acid-based, or petroleum-based solvents on any portion of the machine as it may damage the finish.
GENERAL MAINTENANCE INFORMATION
Links, Pull-Pins, Snap Hooks, Swivels, Weight Stack Pins:
- Check all pieces for signs of visible wear or damage.
- Check springs in snap hooks and pull-pins for proper tension and alignment.
- If the spring sticks or has lost its rigidity, replace it immediately.
Upholstery:
- To ensure prolonged upholstery life and proper hygiene, all upholstered pads should be wiped down with a damp cloth after every workout.
- Periodically take the time to use a mild soap or an approved vinyl upholstery cleaner to deter the onset of cracking or drying. Avoid using any abrasive cleaners or cleaners not intended for use on vinyl.
- Replace ripped or warn upholstery immediately.
- Keep sharp or pointed objects clear of all upholstery.
Decals:
Inspect and familiarize yourself with any safety warnings or other user information posted on each decal.
Nuts and Bolts:
- Inspect all nuts and bolts for any loosening and tighten if needed.
- Go through a re-tightening sequence periodically to ensure that all hardware is tensioned proper.
Anti-Skid Surfaces:
These surfaces are designed to supply secure footing and need to be replaced if they appear worn or become slippery.
Belts and Cables:
- Hoist uses only high quality belt, and mil-spec cables.
- Visually inspect the belts and cables for fraying, cracking, peeling or discoloration.
- While the machine is not in use, carefully run your fingers along the belt or cable to feel for thinning or bulging areas.
- Replace belts and cables immediately at the first signs of damage or wear. Do not use equipment until belts or cables have been replaced.
Belt and Cable Tension:
- Referring to the Owners Manual, when belts or cables are used check all bolts attachments to be sure they are properly attached.
- Check slack in cables and re-adjust cable tension if needed.
Seat Sleeves, Guide Rods:
- Wipe down adjusting tubes with a dust free rag before applying lubricant.
- Lubricate seat sleeves and Guide Rods with a Silicon or Teflon based lubricant spray.
Linear Bearings:
- Referring to the Owners Manual carefully disassemble the bearing from its housing and place a finger full of light grease (lithium, super lube, etc.) into the inside of the bearing. Using your finger, press the grease into the ball-bearings and their tracks. repeat until the ball-bearing tracks are full of grease. Insert the shaft back into the bearing and wipe off excess grease.
PLEASE KEEP THIS FOR YOUR RECORDS
WEIGHT TRAINING TIPS
Use this manual to guide you through the basic exercises you can perform on your HD-3600 HOIST® Fitness System. To gain maximum results and avoid possible injury, consult a fitness professional to develop your complete exercise program.
Always consult your physician before starting any exercise program.
To be successful in your exercise program, it is important to develop an understanding of the basic principles of strength training. Now that you have your HD-3600 HOIST® Fitness System, it is only natural that you want to get started immediately. First, determine a set of realistic goals and objectives for yourself. By deciding on an exercise plan that is right for you prior to starting, you will contribute significantly to your success.
Warm up properly before engaging in weight resistance training. Stretching, yoga, jogging, calisthenics or other cardiovascular exercise can help prepare your body for the heavier workload of lifting weights.
Learn how to perform the exercise correctly before using heavy weight. Correct form is important to avoid injury and to ensure that you work the proper muscle groups.
Know your limitations. If you are new to weight training or are embarking on an exercise regimen after a long layoff, start slowly and build foundational strength over a longer period of time.
Pay attention to your breathing. Exhale when you exert is a general rule of thumb. Never hold your breath.
Enjoy your HD-3600 HOIST® Fitness System!
WEIGHT RATIOS
| NUMBER OF PLATES 1 | AB 50% 5 | BACK |
| 80% | ||
| 8 | ||
| 2 | 10 | 16 |
| 3 | 15 | 24 |
| 4 | 20 | 32 |
| 5 | 25 | 40 |
| 6 | 30 | 48 |
| 7 | 35 | 56 |
| 8 | 40 | 64 |
| 9 | 45 | 72 |
| 10 | 50 | 80 |
| 11 | 55 | 88 |
| 12 | 60 | 96 |
| 13 | 65 | 104 |
| 14 | 70 | 112 |
| 15 16 | 75 80 | 120 128 |
| 17 | 85 | 136 |
| 18 | 90 | 144 |

The above chart shows the standard weight stack for this unit. The weights listed are approximate. HOIST reserves the right to modify the machine without prior notice.
WEIGHT TRAINING EXERCISE LOG
- S = Sets
- R = Repetition per set
- W = Weight used
| Date | ||||||||||||||||||||||||||||||||||||
| Exercise | S | R | W | S | R | W | S | R | W | S | R | W | S | R | W | S | R | W | S | R | W | S | R | W | S | R | W | S | R | W | S | R | W | S | R | W |
| Totals | ||||||||||||||||||||||||||||||||||||
LIMITED LIFETIME WARRANTY
Hoist Fitness Systems warrants this product to the original purchaser to be free from defects in workmanship and/or materials under normal use or service. If at any time a component part is defective, Hoist Fitness Systems shall repair or replace it (at Hoist Fitness Systems option) within a reasonable period of time. This warranty does not cover costs of removal, transportation or reinstallation. This warranty shall not apply if the defect was caused by misuse, neglect or normal wear and tear.
WARRANTY CLAIMS.
All claims require: Model number, Serial number, Date of installation, and any information supporting the existence of the alleged defect.
To complete Warranty Registration visit: www.HOISTFITNESS.com and click on the Warranty Registration link
Starting from the original date of purchase, normal wear and tear shall be considered as the following:
COMMERCIAL USE:
All malfunctions of upholstery, grips, and coatings that occur up to one year; all malfunctions of belts, or cables up to one year; all malfunctions of pulleys, bearings, or bushings that occur up to three years. The frame and body components are warranted for ten years, with structural moving parts warranted for five years.
LIGHT COMMERCIAL USE:
All malfunctions of upholstery, grips, and coatings that occur up to one year; all malfunctions of belts, or cables up to one year; all malfunctions of pulleys, bearings, or bushings that occur up to three years. The frame and body components are warranted for ten years, with structural moving parts warranted for five years.
HOME USE:
All malfunctions of grips, paint, and chrome that occur up to ten years; all malfunctions of electronic components, belts, cables, or upholstery that occur up to ten years; all malfunctions of pulleys, bearings, or bushings that occur up to ten years. The frame and all welded components are warranted for the life of the product.
PLEASE NOTE THAT NOT ALL HOIST PRODUCTS ARE MADE FOR COMMERCIAL USE.
Refer to the instructions page of your owners manual or consult with you fitness product dealer to establish if a product is made for commercial use or not. Using a non-commercial product in a commercial setting can result in serious injury or death! Hoist Fitness Systems sole responsibility shall be to repair or replace the component within the terms stated above. Hoist Fitness Systems shall not be liable for any loss or damage of any kind including any incidental or consequential damages resulting, directly or indirectly from any warranty expressed or implied or any other failure of this product.
LIGHT COMMERCIAL USE:
Our Light Commercial warranty applies to facilities that DO NOT charge monthly membership dues and where the equipment would be used by no more than 50 people per day. Examples of Light Commercial facilities include hotels, apartment complexes, personal training studios, fire stations, police stations, etc., that meet the criteria stated above.
WHAT IS NOT COVERED BY THIS WARRANTY:
Hoist’s sole obligation under this warranty is limited to either repair or replacement of parts, subject to the additions below. This warranty neither assumes nor authorizes any person to assume obligations other than expressly covered by this warranty.
NO CONSEQUENTIAL DAMAGES:
Hoist is not responsible for economic loss; profit loss; or special, indirect, or consequential damages.
WARRANTY IS NOT TRANSFERABLE:
This warranty is not assignable and applies only in favor of the original purchaser/user to whom delivered. Any such assignment or transfer shall void the warranties herein made and shall void all warranties, expressed, implied or statutory, except the one (1) and five (5) year warranties described above. These warranties are exclusive and in lieu of all other warranties, including implied warranty and merchantability or fitness for a particular purpose. There are no warranties which extend beyond the description on the face hereof.
TRANSPORTATION COSTS:
Hoist will accept parts covered under this warranty freight collect, provided that shipment has received prior approval. Hoist is not responsible for any other transportation costs, but will ship freight collect parts either repaired or replaced under these warranties.
Hoist Fitness Systems
11900 Community Rd.
Poway, CA. 92064
(800)548-5438
PLEASE KEEP THIS FOR YOUR RECORDS






















