SUNNY Health Fitness SF-S0978 Total Body Stepper Machine
IMPORTANT
Please retain owner’s manual for maintenance and adjustment instructions. Your satisfaction is very important to us, PLEASE DO NOT RETURN UNTIL YOU HAVE CONTACTED US:
[email protected] or 1 – 877 – 90SUNNY (877-907-8669).
IMPORTANT SAFETY INFORMATION
We thank you for choosing our product. To ensure your safety and health, please use this equipment correctly. It is important to read this entire manual before assembling and using the equipment. Safe and effective use can only be achieved if the equipment is assembled, maintained and used properly. It is your responsibility to ensure that all users of the equipment are informed of all warnings and precautions.
- Before starting any exercise program, you should consult your physician to determine if you have any medical or physical conditions that could put your health and safety at risk or prevent you from using the equipment properly. Your physician’s advice is essential if you are taking medication that affects your heart rate, blood pressure or cholesterol level.
- Be aware of your body’s signals. Incorrect or excessive exercise can damage your health. Stop exercising if you experience any of the following symptoms: pain, tightness in your chest, irregular heartbeat, shortness of breath, lightheadedness, dizziness or feelings of nausea. If you do experience any of these conditions, you should consult your physician before continuing with your exercise program.
- Keep children and pets away from the equipment. The equipment is designed for adult use only.
- Use the equipment on a solid, flat level surface with a protective cover for your floor or carpet. To ensure safety, the equipment should have at least 2 feet (60 cm) of free space all around it.
- Ensure that all nuts and bolts are securely tightened before using the equipment. The safety of the equipment can only be maintained if it is regularly examined for damage and/or wear and tear.
- Always use the equipment as indicated. If you find any defective components while assembling or checking the equipment, or if you hear any unusual noises coming from the equipment during exercise, discontinue use of the equipment immediately and do not use until the problem has been rectified.
- Wear suitable clothing while using the equipment. Avoid wearing loose clothing that may become entangled in the equipment.
- Do not place fingers or objects into the moving parts of the equipment.
- The maximum weight capacity of this unit is 220 pounds (100 KG).
- The equipment is not suitable for therapeutic use.
- To avoid bodily injury and/or damage to the product or property, proper lifting and moving are required.
- Your product is intended for use in cool and dry conditions. You should avoid storage in extreme cold, hot or damp areas as this may lead to corrosion and other related problems.
- This equipment is designed for indoor and home use only; it is not intended for commercial use.
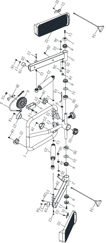
EXPLODED DIAGRAM

PARTS LIST
| No. | Description | Spec. | Qty. | No. | Description | Spec. | Qty. | |
| 1 | Main Frame | 1 | 19 | Cushion | Φ30*20 | 2 | ||
| 2 | Right Foot Bar | 1 | 20 | Cross Countersunk Head Tapping Screw | ST4.8*19 | 4 | ||
| 3 | Left Foot Bar | 1 | 21 | Exercise Band Buckle | 2 | |||
| 4 | Pulley Fixed Bracket | 1 | 22 | Cross Countersunk Head Tapping Screw | ST4.8*8 | 2 | ||
| 5 | Wire Rope | Φ6.5*355 | 1 | 23 | Hydraulic Cylinder | Φ38 | 2 | |
| 6 | Pulley | Φ100*Φ8.2*20 | 1 | 24 | Alloy Wrap | 2 | ||
| 7 | Cover | 2 | 25 | Plastic Gasket | Φ16*Φ10.2*1 | 2 | ||
| 8 | Bushing | Φ38*Φ19.1*12 | 4 | 26 | Magnet | Φ17*Φ11*12 | 1 | |
| 9 | Sensor Holder | Φ17*Φ11*8 | 1 | 27 | Foot Pad | 58.4*33.7*20 | 4 | |
| 10 | Sensor | 1 | 28 | Limit Plate | 1 | |||
| 11 | Hexagon Bolt | M6*20*S5 | 2 | 29 | Adjustment Knob | Φ60*M14 | 1 | |
| 12 | Hexagon Bolt | M6*36*8*S5 | 4 | 30 | Spacer | Φ38*Φ19.1*17.25 | 2 | |
| 13 | Nylon Nut | M6 | 4 | 31 | Washer | Φ38*Φ19.1*1 | 2 | |
| 14 | Hexagon Bolt | M8*40*15*S6 | 1 | 32 | Pedal | 320*120*67.5 | 2 | |
| 15 | Nylon Nut | M8 | 1 | 33 | Computer | 1 | ||
| 16 | Nylon Nut | M10 | 2 | 34 | Exercise Band | Φ8*640 | 2 | |
| 17 | Flat Washer | Φ12*Φ5.2*1 | 2 | 35 | Magnet Cover | Φ15*3.5 | 1 | |
| 18 | Hexagon Bolt | M5*10*S3 | 6 | 36 | Cross Countersunk Head Tapping Screw | ST3*8 | 1 |
Ordering Replacement Parts (U.S. and Canadian Customers only)
Please provide the following information in order for us to accurately identify the part(s) needed:
- The model number (found on cover of manual)
- The product name (found on cover of manual)
- The part number found on the “EXPLODED DIAGRAM” and “PARTS LIST” (found near the front of the manual)
Please contact us at [email protected] or 1 – 877 – 90SUNNY (877-907-8669).
ASSEMBLY INSTRUCTIONS
We value your experience using Sunny Health and Fitness products. For assistance with parts or troubleshooting, please contact us at [email protected] or 1-877-90SUNNY (877-907-8669).
STEP 1:
Remove the Main Frame (No. 1) from the box. Lift one Pedal (No. 32) up with your hand and ensure that the Wire Rope (No. 5) is put in the slot of the Pulley (No. 6) as shown in the picture.
STEP 2:
Get the Adjustment Knob (No. 29) from the manual bag. Then insert the Adjustment Knob (No. 29) into the Main Frame (No. 1) and adjust the tightness of the Adjustment Knob (No. 29) to the desired position.
STEP 3:
Connect 2 Exercise Bands (No. 34) to the 2 Exercise Band Buckles (No. 21) on the Main Frame (No. 1).
The assembly is complete!
MAINTENANCE & ADJUSTMENT GUIDE
![]() | ADJUSTING THE PEDAL STEPPING HEIGHT Turn the Adjustment Knob (No. 29) clockwise to increase the stepping height. Turn the Adjustment Knob (No. 29) counter-clockwise to decrease the stepping height. |
| CLEANING The stepper can be cleaned with a soft, clean, and damp cloth. Do not use abrasives or solvents on plastic parts. Please wipe your perspiration off the stepper after each use. Be careful not get excessive moisture on the computer display panel as this might cause electrical hazards or electronics failure. Please keep the stepper, especially the computer, out of direct sunlight to prevent screen damage. Please inspect all assembly bolts and pedals on the stepper for proper tightness every week. | |
| STORAGE Store the stepper in a clean and dry environment, away from children. | |
NOTES:
If you are having a hard time balancing on the stepper, please hold onto something for support.
Do not use the stepper for more than 15 minutes as the hydraulic cylinders may overheat and become damaged.
EXERCISE BAND INSTRUCTIONS
- Unscrew the hook nut located on the exercise band until the hook is open as shown in the picture below.
- Attach the exercise band hook onto the exercise band buckle and screw the hook nut closed until the exercise band buckle is secured with the hook nut.
- Assembly is done.

| Adjusting the Exercise Band Length | |
| To Lengthen Exercise Band | To Shorten Exercise Band |
| Push one side of the exercise band down and | Push the exercise band upward from the |
| then pull the bottom of the exercise band | bottom and then pull one side of the top |
| downward as shown in the picture below. | exercise band up as shown in the picture |
| Repeat this process until the exercise band is at | below. |
| the desired length. | Repeat this process until the exercise band is |
| NOTE: This adjustment decreases the tension on the exercise bands. | at the desired length. |
| NOTE: This adjustment increases the tension on the exercise bands. | |
![]() | ![]() |
| NOTE: When lengthening the exercise band, only one side of the exercise band can be pushed down. If the side that you are trying to push down does not move, try the other side of the exercise band. | |
CHANGING THE BATTERY


- Remove Computer (No. 33) from Main Frame (No. 1) and disconnect the link wire of Sensor (No. 10) from the Computer (No. 33).
- Remove the plastic cap from the battery seat.
- Remove the battery using your fingers.
- Insert the new battery using your fingers. Ensure that the positive side of the battery which is labeled with a + sign is facing upward once the new battery is in place.
- Place the plastic cap over the battery seat.
- Insert the link wire of Sensor (No. 10) onto the wire inserting hole on the back of Computer (No. 33).
- Insert the Computer (No. 33) onto Main Frame (No. 1).
EXERCISE COMPUTER
MODE: This button lets you to select a function. The computer will be reset by pressing the MODE button for 3~4 seconds except TOT. CNT (TOTAL COUNT).
SPECIFICATIONS:
CNT (COUNT) ——————————————————0~9999 TIMES
TMR (TIME) ———————————————————00:00~99:59 MIN
CAL (CALORIES) ————————————————-0~9999 KCAL
TOT. CNT (TOTAL COUNT) ————————————0~9999 TIMES
FUNCTIONS & OPERATIONS:
- CNT (COUNT):
Automatically accumulates the count of steps taken during exercise. The computer counts 1 step after you step once with each foot. - TMR (TIME):
Counts the total time of an exercise from start to finish. - CAL (CALORIES):
Counts the number of total calories burned during an exercise from start to finish. - TOT. CNT (TOTAL COUNT):
Displays total counts of steps since the battery is installed. To reset TOT. CNT (TOTAL COUNT), you need to remove the battery and reinsert. - S (SCAN):
Press the MODE button until the computer shows the flickering S. SCAN mode will automatically scan each function in the following order: CNT- TMR- TOT. CNT- CAL.
BATTERY:
- a. If you have an inaccurate reading on the meter, please replace the battery immediately.
- b. The computer uses one LR44H battery.
- c. The computer is auto-powered. It turns on when exercise begins, and it turns off when no movement is made between 4 to 5 minutes.
- d. All functions will automatically stop calculating when ‘STOP’ appears in the bottom right corner of the computer. This occurs when there is no signal for a period of 4 seconds. Once the exercise begins again, the computer will automatically start recalculating.






















