HOIST RS-1201-A PULL DOWN Fitness

Product Information RS-1201-A Pull Down
The RS-1201-A Pull Down is a weight training machine designed for home and commercial use. The machine is designed to provide the smoothest, most effective exercise motion possible. It features a ROC-IT weight cage that can be installed on either the left or right side of the machine. The machine is designed to be bolted to the exercise floor to prevent tipping, failure to do so may result in serious injury or death. The machine comes with a parts list, tools required for assembly, and instructions for assembly and usage.
Product Usage Instructions RS-1201-A Pull Down
Before beginning assembly, read the instructions thoroughly and ensure that all parts have been included in the shipment. Only use HOIST replacement parts when servicing, as failure to do so may result in personal injury and void your warranty. After assembly, check all functions to ensure correct operation. If you experience problems, recheck the assembly instructions to locate any possible errors made during assembly. If you are unable to correct the problem, call your authorized HOIST dealer.
Tools Required
- Ratchet Wrench 1/2, 9/16 and 3/4 Sockets
- Adjustable Wrench
- Rubber Mallet
- Tape Measure
- Level
- Hex Key Wrench Set
- Two People
Usage Instructions
Before beginning assembly please take the time to read instructions thoroughly. Please use the various lists in this manual to make sure that all parts have been included in your shipment. When ordering, use part number and description from the lists. Use only HOIST replacement parts when servicing. Failure to do so will void your warranty and could result in personal injury. HOIST equipment is designed to provide the smoothest, most effective exercise motion possible. After assembly, you should check all functions to ensure correct operation. If you experience problems, first recheck the assembly instructions to locate any possible errors made during assembly. If you are unable to correct the problem, call your authorized HOIST dealer. Be sure to have your serial number and this manual when calling. When all parts have been accounted for, continue on.
- Bolt the machine to the exercise floor to prevent tipping.
- Read the instructions thoroughly and ensure that all parts have been included in the shipment.
- Use the various lists in the manual to make sure all parts are accounted for and use the part number and description from the lists when ordering.
- Hand tighten hardware during assembly and wrench tighten all hardware after assembly.
- Ensure the use of weight stack #2 during assembly.
- Install cable and pulleys at the same time.
- Check all functions after assembly to ensure correct operation.
- If problems are encountered, refer back to the assembly instructions to locate any possible errors made during assembly.
- If problems persist, call your authorized HOIST dealer with your serial number and manual for assistance.
Following these instructions will ensure safe and effective usage of the RS-1201-A Pull Down weight training machine.
WARNING
TO PREVENT POSSIBLE TIPPING, BOLT THIS UNIT TO THE EXERCISE FLOOR. FAILURE TO DO SO MAY RESULT IN SERIOUS INJURY OR DEATH.
Note: Both Serial Number and Model Number are Required when Ordering Parts
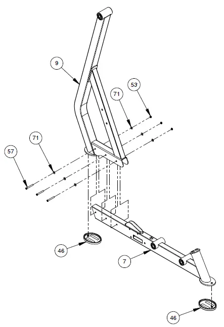
FRAME ASSEMBLY
ALTERNATE POSITION
THE ROC-IT WEIGHT CAGE IS DESIGNED TO BE INSTALLED ON EITHER THE LEFT OR RIGHT SIDE OF THE RS-1201-A IN ORDER TO ACCOMMODATE THE USER.
ASSEMBLE WEIGHT CAGE FIRST
NOTE:
- HAND TIGHTEN HARDWARE.
- INSTALL CABLE AND PULLEYS AT THE SAME TIME.
- SOME PARTS MAY HAVE BEEN REMOVED FOR CLARITY.
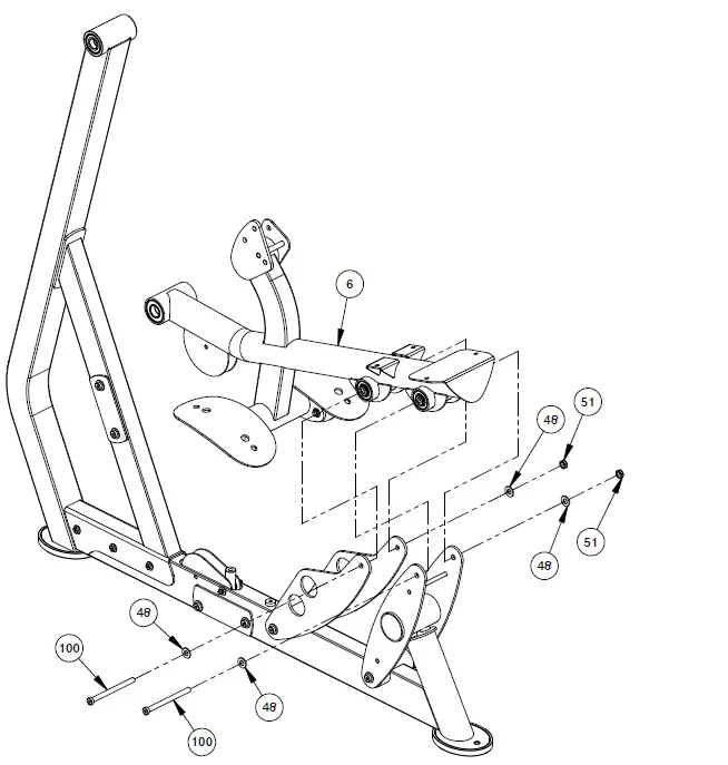
NOTE:
HAND TIGHTEN HARDWARE.

NOTE:
- HAND TIGHTEN HARDWARE.
- SOME PARTS MAY HAVE BEEN REMOVED FOR CLARITY.

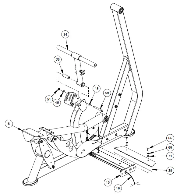
NOTE:
- WRENCH TIGHTEN HARDWARE.
- WRENCH TIGHTEN ALL PREVIOUSLY HAND TIGHTENED HARDWARE.
- SOME PARTS MAY HAVE BEEN REMOVED FOR CLARITY.
NOTE:
- WRENCH TIGHTEN HARDWARE.
- REPEAT ASSEMBLY FOR OPPOSITE SIDE.
- SOME PARTS MAY HAVE BEEN REMOVED FOR CLARITY.

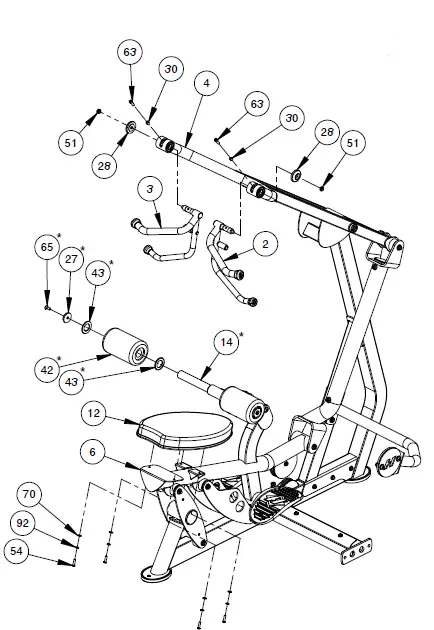
NOTE:
- WRENCH TIGHTEN HARDWARE.
- SOME PARTS MAY HAVE BEEN REMOVED FOR CLARITY.

NOTE:
- WRENCH TIGHTEN HARDWARE.
- INSTALL CABLE AND PULLEYS AT THE SAME TIME.
- SOME PARTS MAY HAVE BEEN REMOVED FOR CLARITY.

FINE TUNING:
LOOSEN JAM NUT AND THREAD BOLT IN/OUT TO GIVE THE CABLE PROPER TENSION. RE-TIGHTEN JAM NUT.
WARNING – CABLE BOLT MUST BE THREADED A MINIMUM OF 3/8″ WITH JAM NUT TIGHTENED SECURELY TO ENSURE PROPER CONNECTION.
NOTE:
- WRENCH TIGHTEN HARDWARE.
- SOME PARTS MAY HAVE BEEN REMOVED FOR CLARITY.

NOTE:
- WRENCH TIGHTEN HARDWARE.
- SOME PARTS MAY HAVE BEEN REMOVED FOR CLARITY.

NOTE:
- WRENCH TIGHTEN HARDWARE.
- REPEAT ASSEMBLY FOR OPPOSITE SIDE.
- SOME PARTS MAY HAVE BEEN REMOVED FOR CLARITY.

NOTE:
- WRENCH TIGHTEN HARDWARE. REPEAT ASSEMBLY FOR OPPOSITE SIDE.
- SOME PARTS MAY HAVE BEEN REMOVED FOR CLARITY.
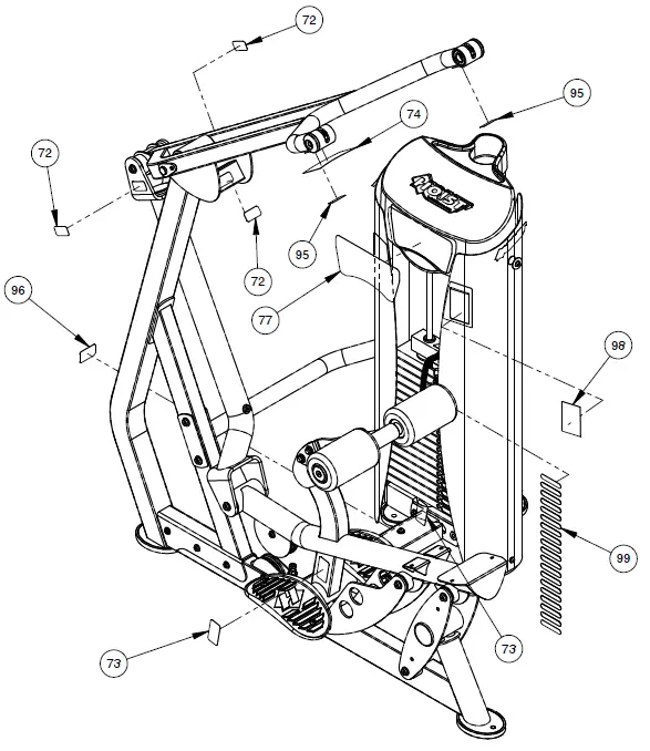
STOP
WHEN FINISHED WITH THIS STEP PLEASE SEE ROC-IT WEIGHT CAGE MANUAL FOR FINAL ASSEMBLY

IMPORTANT
NOW THAT THE RS-1201-A IS COMPLETELY ASSEMBLED TAKE TIME TO ASSURE THAT YOUR UNIT IS ASSEMBLED SQUARE AND PERPENDICULAR. IF NOT, IT WILL BE NECESSARY TO LOOSEN SOME FRAME HARDWARE TO RE-ALIGN THE FRAME AND RETIGHTEN BOLTS
PRE-ASSEMBLY

DECAL PLACEMENT
NOTE:
ALL DECALS ARE CENTERED UNLESS OTHERWISE STATED

DECAL REFERENCE


PART LIST
NOTE: SOME OF THESE PARTS MAY COME PRE-INSTALLED
| ITEM NO. | PART NUMBER | DESCRIPTION | QTY. |
| 2 | 026-01X3750 | RIGHT HANDLE ASSEMBLY | 1 |
| 3 | 026-01X3751 | LEFT HANDLE ASSEMBLY | 1 |
| 4 | 026-01X3800 | PRESS ARM ASSEMBLY | 1 |
| 5 | 026-01X2397 | PRESS ARM LINK ASSEMBLY | 1 |
| 6 | 026-01X3798 | SEAT ASSEMBLY | 1 |
| 7 | 026-01X3797 | MAIN BOTTOM TUBE ASSEMBLY | 1 |
| 8 | 026-01X2559 | REAR LINK ASSEMBLY | 1 |
| 9 | 026-01X3714 | FRONT UPRIGHT ASSEMBLY | 1 |
| 10 | 026-01X2581 | CROSS MEMBER ASSEMBLY | 1 |
| 11 | 026-01PL2124 | FOOTPLATE, MOLDED | 2 |
| 12 | 022-01PD2056 | SEAT PAD ASSEMBLY | 1 |
| 13 | 026-01X3176 | UPPER CROSS MEMBER ASSEMBLY | 1 |
| 14 | 026-01X3433 | ADJUSTABLE ROLLER PAD MOUNT | 1 |
| 15 | 026-01X2784 | PULL-PIN ASSEMBLY | 1 |
| 16 | 010-01C0358 | CABLE ASSEMBLY RS-1201-A – 137-13/32″ LG. | 1 |
| 18 | 014-0012013 | BEARING: BALL BEARING Ø2.44″ O.D. X Ø1.18″ I.D. | 2 |
| 19 | 014-0101005 | BUSHING: OILITE FLANGED Ø1.38″ O.D. X Ø1.00″ I.D. X .81″ LG. | 2 |
| 20 | 014-0012014 | BEARING: FLANGELESS – 25mm I.D. | 16 |
| 22 | 014-0014002 | 3/8-16 FLUSH MOUNT INSERT | 4 |
| 23 | 016-0201041 | END CAP: 3.00″ X .06″ WALL (BLACK) | 1 |
| 24 | 018-0001003 | CABLE PULLEY: Ø4.50″ | 2 |
| 25 | 019-0001001 | PLUG BUMPER | 5 |
| 26 | 026-01F0256 | BACKING PLATE | 1 |
| 27 | 026-01M0238 | FLATHEAD CAP Ø2.00″ ALUM. | 2 |
| 28 | 026-01M2647 | END CAP: DOMED Ø 2.75″ O.D. | 2 |
| 29 | 026-01M2360 | SHAFT – 25mm X 4.71″ LG. | 5 |
| 30 | 026-01M2043 | BOLT STAND-OFF | 2 |
| 31 | 026-01M1103 | THREADED CABLE ANCHOR Ø1.00″ O.D X 2.50″ LG. | 1 |
| 32 | 026-01M2629 | SHAFT – 1.181″ X 4.71″ LG. | 1 |
| 33 | 026-01M0932 | ALUMINIUM CAP: Ø1.25″ ID | 2 |
| 35 | 026-01M0983 | 45LB COUNTER WEIGHT | 1 |
| 36 | 026-01M1032 | SHAFT 1.00″ X 2.97″ LG. | 1 |
| 37 | 026-01P3021 | BACKING PLATE | 1 |
| 38 | 026-01P2475 | FRONT LINK PLATE | 2 |
| ITEM NO. | PART NUMBER | DESCRIPTION | QTY. |
| 39 | 026-01P2650 | CABLE SHIELD | 1 |
| 40 | 026-01P2653 | ‘H’ PLATE | 1 |
| 41 | 026-01P5137 | ROM PLATE | 1 |
| 42 | 022-01PDR018 | ROLLER PAD 5.00″ X 8.00″ LG. | 2 |
| 43 | 026-01PL0144 | PLASTIC WASHER 1.53″ I.D. X 2.50″ O.D. | 4 |
| 46 | 026-01PL2122 | OVAL-SHAPED RUBBER FOOT | 2 |
| 47 | 011-0701049 | 1/2″-13UNC X 1.50″ BHCS (Ni) | 2 |
| 48 | 013-1002006 | 1/2″ X 27mm SAE FLAT WASHER (Ni) | 38 |
| 49 | 014-0101020 | BUSHING: OILITE FLANGED Ø.63″ O.D. X Ø.38″ I.D. X .50″ LG. | 2 |
| 50 | 011-0116116 | 1/2″-13UNC X 3.25″ LOW HEAD SHCS (Ni) | 4 |
| 51 | 012-0504002 | 1/2″-13 UNC THIN NYLOCK NUT (Ni) | 22 |
| 53 | 012-0504005 | 3/8″-16 UNC THIN NYLOCK NUT (Ni) | 14 |
| 54 | 011-0701004 | 5/16″-18UNC X 1.25″ BHCS (Ni) | 4 |
| 55 | 011-0116145 | 3/8″-16UNC X 1.75″ LOW HEAD SHCS (Ni) | 1 |
| 56 | 011-0116148 | 3/8″-16UNC X 2.50″ LOW HEAD SHCS (Ni) | 2 |
| 57 | 011-0116150 | 3/8″-16UNC X 3.00″ LOW HEAD SHCS (Ni) | 3 |
| 58 | 011-0116117 | 1/2″-13UNC X 3.50″ LOW HEAD SHCS (Ni) | 2 |
| 59 | 011-0701060 | 1/2″-13UNC X 4.50″ BHCS (Ni) | 1 |
| 61 | 011-0116128 | 1/2″-13UNC X 6.25″ LOW HEAD SHCS (Ni) | 2 |
| 63 | 011-0701086 | 3/8″-16UNC X 1.00″ SHCS (Ni) | 2 |
| 65 | 011-0702003 | 3/8″-16UNC X 1.00″ FHCS (Ni) | 2 |
| 66 | 011-0701020 | 3/8″-16UNC X 1.00″ BHCS (Ni) | 14 |
| 68 | 013-1006003 | 3/8″ SPLIT LOCK WASHER (Ni) | 6 |
| 70 | 013-1002010 | 5/16″ SAE FLAT WASHER (Ni) | 4 |
| 71 | 013-1002007 | 3/8″ X 22mm FLAT WASHER (Ni) | 32 |
| 72 | 021-0003093 | DECAL MOVING PARTS 1.20″ X 2.38″ (HOR) | 3 |
| 73 | 021-0003113 | DECAL PINCH POINT 1.63″ X 3.25″ (VERTICAL) | 2 |
| 74 | 021-0003419 | DECAL PULL DOWN HANDLES | 1 |
| 77 | 021-0013302 | PLACARD RS-1201 LAT PULL DOWN | 1 |
| 78 | ROC-IT WEIGHT CAGE – A2 | ROC-IT WEIGHT CAGE | 1 |
| 79 | 026-01X2975 | FOOT PLATE MOUNT ASSEMBLY | 2 |
| 81 | 026-01M1137 | CABLE ANCHOR SHAFT Ø.38″O.D. X 3.0625″ LG. | 1 |
| 82 | 012-0504006 | 5/16″-18UNC THIN NYLOCK NUT (Ni) | 2 |
| ITEM NO. | PART NUMBER | DESCRIPTION | QTY. |
| 83 | 026-01M0937 | END CAP: ALUMINUM 1.0″ I.D. | 2 |
| 85 | 026-01X3694 | PIVOT SHAFT ASSEMBLY | 1 |
| 87 | 014-0012018 | SNAP RING – 25mm EXTERNAL | 10 |
| 88 | 014-0012019 | SNAP RING – 30mm EXTERNAL | 2 |
| 89 | 018-0002017 | PULLEY 6.00″ OD | 1 |
| 90 | 026-01M2322 | END CAP: DOMED Ø1.7500″ O.D. | 1 |
| 91 | 026-01PL2295 | RUBBER TUBE .75″ X 1.88″ | 2 |
| 92 | 013-1010003 | 5/16″ INTERNAL LOCK WASHER (Ni) | 4 |
| 94 | 011-0701048 | 1/2″-13UNC X 1.25″ BHCS (Ni) | 2 |
| 95 | 021-0003341 | DECAL PINCH POINT 1.07″ X 2.13″ (HORIZONTAL) | 2 |
| 96 | SERIAL # DECAL | DECAL HOIST SERIAL # 1.63″ X 2.63″ | 1 |
| 97 | 011-0116115 | 1/2″-13UNC X 3.00″ LOW HEAD SHCS (Ni) | 2 |
| 98 | 021-0003852 | ROC-IT QR DECAL LAT PULLDOWN | 1 |
| 99 | 021-0003934 | RS WEIGHT STACK DECAL #2 | 1 |
| 100 | 011-0116126 | 1/2″-13UNC X 5.75″ LOW HEAD SHCS (Ni) | 4 |
ABBREVIATIONS
- BZ = Black Zinc
- Ni = Nickel Plated
- SS = Stainless Steel
- WZ = White Zinc

BOLT SIZING CHART

WASHER SIZING CHART


MAINTENANCE SCHEDULE
| ROUTINE | COMMERCIAL / LIGHT COMMERCIAL MAINTENANCE | HOME MAINTENANCE | LATEST DATE ENTRY | |||||||||||||
| Inspect; Links, Pull Pins, Snap Locks, Swivels, Weight Stack Pins | DAILY | WEEKLY | ||||||||||||||
| Clean; Upholstery | DAILY | WEEKLY | ||||||||||||||
| Inspect; Cables or Belts and their tension | DAILY | WEEKLY | ||||||||||||||
| Inspect; Accessory Bars, and Handles | WEEKLY | 3 MONTHS | ||||||||||||||
| Inspect; All Decals | WEEKLY | 3 MONTHS | ||||||||||||||
| Inspect; All Nuts and Bolts, Tighten if needed | WEEKLY | 3 MONTHS | ||||||||||||||
| Inspect; Anti-Skid Surface | WEEKLY | 3 MONTHS | ||||||||||||||
| Clean & Lubricate; Guide Rods with a Teflon (PTFE) based lubricant (Superlube) | MONTHLY | 3 MONTHS | ||||||||||||||
| Lubricate; Seat Sleeves, Turcite Bushings, Linear Bearing | MONTHLY | 3 MONTHS | ||||||||||||||
| Clean and Wax; All Glossy Finishes | 6 MONTHS | YEARLY | ||||||||||||||
| Repack with Grease; Linear Bearings | 6 MONTHS | YEARLY | ||||||||||||||
| Replace; Cables, Belts and Connecting Parts | YEARLY | 3 YEARS | ||||||||||||||
HOIST FITNESS SYSTEMS GENERAL MAINTENANCE INFORMATION
Links, Pull-Pins, Snap Hooks, Swivels, Weight Stack Pins:
- Check all pieces for signs of visible wear or damage.
- Check springs in snap hooks and pull-pins for proper tension and alignment.
- If the spring sticks or has lost its rigidity, replace it immediately.
Upholstery:
- To ensure prolonged upholstery life and proper hygiene, all upholstered pads should be wiped down with a damp cloth after every workout.
- Periodically take the time to use a mild soap or an approved vinyl upholstery cleaner to deter the onset of cracking or drying. Avoid using any abrasive cleaners or cleaners not intended for use on vinyl.
- Replace ripped or warn upholstery immediately.
- Keep sharp or pointed objects clear of all upholstery.
Decals:
Inspect and familiarize yourself with any safety warnings or other user information posted on each decal.
Nuts and Bolts:
- Inspect all nuts and bolts for any loosening and tighten if needed.
- Go through a re-tightening sequence periodically to ensure that all hardware is tensioned proper.
Anti-Skid Surfaces:
These surfaces are designed to supply secure footing and need to be replaced if they appear worn or become slippery.
Belts and Cables:
- Hoist uses only high quality belt, and mil-spec cables.
- Visually inspect the belts and cables for fraying, cracking, peeling or discoloration.
- While the machine is not in use, carefully run your fingers along the belt or cable to feel for thinning or bulging areas.
- Replace belts and cables immediately at the first signs of damage or wear. Do not use equipment until belts or cables have been replaced.
Belt and Cable Tension:
- Referring to the Owners Manual, when belts or cables are used check all bolts attachments to be sure they are properly attached.
- Check slack in cables and re-adjust cable tension if needed. Seat Sleeves, Guide Rods:
- Wipe down adjusting tubes with a dust free rag before applying lubricant.
- Lubricate seat sleeves and Guide Rods with a Silicon or Teflon based lubricant spray.
Linear Bearings:
Referring to the Owners Manual carefully disassemble the bearing from its housing and place a finger full of light grease (lithium, super lube, etc.) into the inside of the bearing. Using your finger, press the grease into the ball-bearings and their tracks. repeat until the ball-bearing tracks are full of grease. Insert the shaft back into the bearing and wipe off excess grease
WEIGHT TRAINING TIPS
Use this manual to guide you through the basic exercises you can perform on your RS-1201-A HOIST® Fitness System. To gain maximum results and avoid possible injury, consult a fitness professional to develop your complete exercise program. Always consult your physician before starting any exercise program. To be successful in your exercise program, it is important to develop an understanding of the basic principles of strength training. Now that you have your RS-1201-A HOIST® Fitness System, it is only natural that you want to get started immediately. First, determine a set of realistic goals and objectives for yourself. By deciding on an exercise plan that is right for you prior to starting, you will contribute significantly to your success. Warm up properly before engaging in weight resistance training. Stretching, yoga, jogging, calisthenics or other cardiovascular exercise can help prepare your body for the heavier workload of lifting weights. Learn how to perform the exercise correctly before using heavy weight. Correct form is important to avoid injury and to ensure that you work the proper muscle groups. Know your limitations. If you are new to weight training or are embarking on an exercise regimen after a long layoff, start slowly and build foundational strength over a longer period of time. Pay attention to your breathing. Exhale when you exert is a general rule of thumb. Never hold your breath.
WEIGHT TRAINING EXERCISE LOG
S = Sets R = Repetition per set W = Weight used

HOIST FITNESS SYSTEMS LIMITED LIFETIME WARRANTY
Hoist Fitness Systems warrants this product to the original purchaser to be free from defects in workmanship and/or materials under normal use or service. If at any time a component part is defective, Hoist Fitness Systems shall repair or replace it (at Hoist Fitness Systems option) within a reasonable period of time. This warranty does not cover costs of removal, transportation or reinstallation. This warranty shall not apply if the defect was caused by misuse, neglect or normal wear and tear. WARRANTY CLAIMS. All claims require: Model number, Serial number, Date of installation, and any information supporting the existence of the alleged defect.
To complete Warranty Registration visit:
www.HOISTFITNESS.com and click on the Warranty Registration link
Starting from the original date of purchase, normal wear and tear shall be considered as the following:
- COMMERCIAL USE: All malfunctions of upholstery, grips, and coatings that occur up to one year; all malfunctions of belts, or cables up to one year; all malfunctions of pulleys, bearings, or bushings that occur up to three years. The frame and body components are warranted for ten years, with structural moving parts warranted for five years.
- LIGHT COMMERCIAL USE: All malfunctions of upholstery, grips, and coatings that occur up to one year; all malfunctions of belts, or cables up to one year; all malfunctions of pulleys, bearings, or bushings that occur up to three years. The frame and body components are warranted for ten years, with structural moving parts warranted for five years.
- HOME USE: All malfunctions of grips, paint, and chrome that occur up to ten years; all malfunctions of electronic components, belts, cables, or upholstery that occur up to ten years; all malfunctions of pulleys, bearings, or bushings that occur up to ten years. The frame and all welded components are warranted for the life of the product.
- PLEASE NOTE THAT NOT ALL HOIST PRODUCTS ARE MADE FOR COMMERCIAL USE. Refer to the instructions page of your owners manual or consult with you fitness product dealer to establish if a product is made for commercial use or not. Using a non-commercial product in a commercial setting can result in serious injury or death! Hoist Fitness Systems sole responsibility shall be to repair or replace the component within the terms stated above. Hoist Fitness Systems shall not be liable for any loss or damage of any kind including any incidental or consequential damages resulting, directly or indirectly from any warranty expressed or implied or any other failure of this product.
- LIGHT COMMERCIAL USE: Our Light Commercial warranty applies to facilities that DO NOT charge monthly membership dues and where the equipment would be used by no more than 50 people per day. Examples of Light Commercial facilities include hotels, apartment complexes, personal training studios, fire stations, police stations, etc., that meet the criteria stated above.
- WHAT IS NOT COVERED BY THIS WARRANTY: Hoist’s sole obligation under this warranty is limited to either repair or replacement of parts, subject to the additions below. This warranty neither assumes nor authorizes any person to assume obligations other than expressly covered by this warranty.
- NO CONSEQUENTIAL DAMAGES: Hoist is not responsible for economic loss; profit loss; or special, indirect, or consequential damages.
- WARRANTY IS NOT TRANSFERABLE: This warranty is not assignable and applies only in favor of the original purchaser/user to whom delivered. Any such assignment or transfer shall void the warranties herein made and shall void all warranties, expressed, implied or statutory, except the one (1) and five (5) year warranties described above. These warranties are exclusive and in lieu of all other warranties, including implied warranty and merchantability or fitness for a particular purpose. There are no warranties which extend beyond the description on the face hereof.
- TRANSPORTATION COSTS: Hoist will accept parts covered under this warranty freight collect, provided that shipment has received prior approval. Hoist is not responsible for any other transportation costs, but will ship freight collect parts either repaired or replaced under these warranties.
Hoist Fitness Systems 11900 Community Rd. Poway, CA. 92064 (800)548-5438
PLEASE KEEP THIS FOR YOUR RECORDS
HOIST RS-1201-A PULL DOWN Fitness
















