HOIST RS-1501-A ROC-IT Shoulder Press

Product Information
The RS-1501-A Shoulder Press is a piece of HOIST equipment designed to provide a smooth and effective exercise motion. It comes with both a serial number and model number, which are required when ordering parts. The machine code is A08. The assembly of the shoulder press requires tools such as a ratchet wrench, adjustable wrench, rubber mallet, tape measure, level, hex key wrench set, and two people.
Frame Assembly
The frame assembly of the RS-1501-A Shoulder Press requires wrench tightening of some hardware (63) and hand-tightening of all other hardware. The weight cage should be assembled first, and weight stack #1 should be used. The user can choose to install the weight cage on either the left or right side of the equipment. The light cabling option requires fine-tuning to ensure proper tension, while the heavy cabling option requires the installation of cable and pulleys at the same time.
Product Usage
Before beginning any exercise routine, it is important to consult with a physician to ensure that the exercise is safe for the individual’s health. Once cleared for exercise, the following instructions can be used to operate the RS-1501-A Shoulder Press:
- Adjust the seat height to ensure that the shoulders are level with the handles.
- Sit down on the seat and adjust the backrest to ensure that the back is comfortable and supported.
- Place hands on the handles with an underhand grip and lift the handles to shoulder height.
- Push the handles upward until they are fully extended but not locked out.
- Lower the handles back down to shoulder height and repeat for desired number of repetitions.
- After using the equipment, wipe it down with a clean cloth to prevent the buildup of sweat and bacteria.
It is important to note that proper form should be maintained throughout the exercise to prevent injury. The motion should be slow and controlled, and the shoulders should not be hunched or lifted. Additionally, the weight should be adjusted to a comfortable level for the individual’s strength and fitness level.
INSTRUCTIONS
- Before beginning assembly please take the time to read instructions thoroughly. Please use the various lists in this manual to make sure that all parts have been included in your shipment. When ordering, use part number and description from the lists. Use only HOIST replacement parts when servicing. Failure to do so will void your warranty and could result in personal injury.
- HOIST equipment is designed to provide the smoothest, most effective exercise motion possible. After assembly, you should check all functions to ensure correct operation. If you experience problems, first recheck the assembly instructions to locate any possible errors made during assembly. If you are unable to correct the problem, call your authorized HOIST dealer. Be sure to have your serial number and this manual when calling. When all parts have been accounted for, continue on.
TOOLS REQUIRED
- Ratchet Wrench
- 1/2″, 9/16″ and 3/4″ Sockets
- Adjustable Wrench
- Rubber Mallet
- Tape Measure
- Level
- Hex Key Wrench Set
- Two People
FRAME ASSEMBLY
ALTERNATE POSITION
THE ROC-IT WEIGHT CAGE IS DESIGNED TO BE INSTALLED ON EITHER THE LEFT OR RIGHT SIDE OF THE RS-1501-A IN ORDER TO ACCOMMODATE THE USER.
ASSEMBLE THE WEIGHT CAGE FIRST
NOTE:
- WRENCH TIGHTEN HARDWARE (63).
- HAND-TIGHTEN ALL OTHER HARDWARE.
- SOME PARTS MAY HAVE BEEN REMOVED FOR CLARITY.

NOTE:
- HAND-TIGHTEN HARDWARE.
- SOME PARTS MAY HAVE BEEN REMOVED FOR CLARITY.

NOTE:
- WRENCH TIGHTEN HARDWARE.
- WRENCH TIGHTEN ALL PREVIOUSLY HAND-TIGHTENED HARDWARE.
- SOME PARTS MAY HAVE BEEN REMOVED FOR CLARITY.

LIGHT CABLING OPTION
NOTE:
- WRENCH TIGHTEN HARDWARE.
- INSTALL CABLE AND PULLEYS AT THE SAME TIME.
- SOME PARTS MAY HAVE BEEN REMOVED FOR CLARITY.

HEAVY CABLING OPTION
NOTE:
- WRENCH TIGHTEN HARDWARE.
- INSTALL CABLE AND PULLEYS AT THE SAME TIME.
- SOME PARTS MAY HAVE BEEN REMOVED FOR CLARITY.

NOTE:
- WRENCH TIGHTEN HARDWARE.
- SOME PARTS MAY HAVE BEEN REMOVED FOR CLARITY.
- REPEAT THE STEPS FOR THE OPPOSITE SIDE.

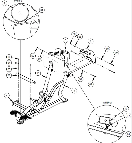
MAJOR ADJUSTMENT:
STEP 1:
- BE SURE USER SUPPORT (2) IS FULLY AT REST AND ENGAGING PLUG BUMPERS (51) AS SHOWN IN DETAIL BELOW.
NOTE:
- WRENCH TIGHTEN HARDWARE
- SOME PARTS MAY HAVE BEEN REMOVED FOR CLARITY.

MAJOR ADJUSTMENT:
STEP 2:
- LOOSEN JAM NUT (74) AND THREAD THE
- STOP IN/OUT SO STOP (73) COMES FULLY INTO CONTACT WITH THE PRESS ARM ASSEMBLY (5)
- AS SHOWN TO THE RIGHT. WHEN PROPERLY ADJUSTED, PRESS ARM ASSEMBLY (5) SHOULD JUST COME TO REST ON STOP (73), BUT SHOULD
- NOT LIFT PRESS ARM ASSEMBLY (5). ONCE STOP IS PROPERLY ADJUSTED, RE-TIGHTEN JAM NUT (74) TO SECURE STOP IN POSITION. FAILURE
- TO PROPERLY ADJUST MACHINE COULD RESULT IN DAMAGE TO THE MACHINE AND / OR INJURY TO THE USER.
NOTE:
- WRENCH TIGHTEN HARDWARE.
- SOME PARTS MAY HAVE BEEN REMOVED FOR CLARITY.

NOTE:
- WRENCH TIGHTEN HARDWARE.

NOTE:
- WRENCH TIGHTEN HARDWARE.
- SOME PARTS MAY HAVE BEEN REMOVED FOR CLARITY.
STOP
- WHEN FINISHED WITH THIS STEP PLEASE SEE ROC-IT WEIGHT CAGE MANUAL FOR FINAL ASSEMBLY.

IMPORTANT
- NOW THAT THE RS-1501-A IS COMPLETELY ASSEMBLED TAKE TIME TO ASSURE THAT YOUR UNIT IS ASSEMBLED SQUARE AND PERPENDICULAR. IF NOT,
- IT WILL BE NECESSARY TO LOOSEN SOME FRAME HARDWARE TO RE-ALIGN THE FRAME AND RETIGHTEN BOLTS.
PRE-ASSEMBLY
DECAL PLACEMENT
NOTE:
- ALL DECALS ARE CENTERED UNLESS OTHERWISE STATED.
- SOME PARTS MAY HAVE BEEN REMOVED FOR CLARITY.


PART LIST CONTINUED
- NOTE: SOME OF THESE PARTS MAY COME PRE-INSTALLED
| ITEM NO. | PART NUMBER | DESCRIPTION | QTY. |
| 1 | 026-01X5660 | BASE ASSEMBLY | 1 |
| 2 | 026-01X5658 | MAIN ASSEMBLY | 1 |
| 3 | 026-01X5659 | LINKAGE ASSEMBLY | 1 |
| 4 | 026-01X2387 | SEAT ASSEMBLY | 1 |
| 5 | 026-01X3273 | PRESS ARM ASSEMBLY | 1 |
| 6 | 026-01X2377 | CROSS MEMBER ASSEMBLY | 1 |
| 7 | 026-01X2975 | FOOTPLATE MOUNT ASSEMBLY | 2 |
| 8 | 026-01X3271 | CROSSBAR ASSEMBLY | 1 |
| 9 | 026-01X2402 | FOOTPLATE ASSEMBLY | 2 |
| 10 | 026-01X3272 | PRESS HANDLE ASSEMBLY | 1 |
| 11 | 026-01X2849 | RACHET PULL-PIN ASSEMBLY | 1 |
| 12 | 022-01PD2054-A | SEAT PAD ASSEMBLY | 1 |
| 13 | 022-01PD2055 | UPHOLSTERED HEAD PAD | 1 |
| 14 | 022-01PD2058 | BACK PAD ASSEMBLY | 1 |
| 15 | 010-01C0638 | CABLE ASSEMBLY RS-1501-A – 137.25″ LG. | 1 |
| 16 | 026-01F0256 | BACKING PLATE | 1 |
| 17 | 026-01F0289 | FLANGE | 1 |
| 18 | 026-01M1103 | THREADED CABLE ANCHOR Ø1.00″ O.D X 2.50″ LG. | 1 |
| 19 | 026-01M2360 | SHAFT – 25mm X 4.71″ LG. | 1 |
| 20 | 026-01M0760 | HEAVY FLANGED SPACER: Ø.67 O.D. X Ø.39 I.D. X .50 LG. | 2 |
| 21 | 026-01M2629 | SHAFT – 1.181″ X 4.71″ LG. | 1 |
| 22 | 026-01M2659 | SHAFT – 20mm X .5156″ ID X 4.71 LG. | 1 |
| 23 | 026-01M2618 | SHAFT- 20mm X .5156″ ID X 3.7500″ LG. | 1 |
| 24 | 026-01M0932 | ALUMINIUM CAP: Ø1.25″ ID | 2 |
| 25 | 026-01M0933 | ALUMINUM RING: Ø1.25″ ID | 2 |
| 26 | 026-01P2478 | CABLE SHIELD | 1 |
| 27 | 026-01P2653 | ‘H’ PLATE | 1 |
| 28 | 022-01PD2055-5 | PLASTIC HEAD PAD BACKING | 1 |
| 29 | 022-01PD2058-5 | PLASTIC BACK PAD BACKING | 1 |
| 30 | 026-01P2920 | HEAD BRACKET MOUNT | 1 |
| 31 | 026-01P2925 | PAD MOUNT BRACKET | 2 |
| 33 | 026-01PL0125 | E-Z GLIDE PLASTIC SLEEVE | 2 |
| 34 | 026-01PL2122 | OVAL-SHAPED RUBBER FOOT | 2 |
| 35 | 026-01PL2519 | PLASTIC SCUFF GUARD 11.05″ LG. WITH RIVETS | 1 |
| ITEM NO. | PART NUMBER | DESCRIPTION | QTY. |
| 36 | 026-01PL0206-29 | GRIP – OPEN END 1.00″ X 9.25″ LG. | 2 |
| 37 | ROC-IT WEIGHT CAGE – A2 | ROC-IT WEIGHT CAGE | 1 |
| 39 | 021-0003341 | DECAL PINCH POINT 1.07″ X 2.13″ (HORIZONTAL) | 2 |
| 40 | 021-0003093 | DECAL MOVING PARTS 1.20″ X 2.38″ (HOR) | 1 |
| 42 | 021-0004032 | DECAL ADJUST 1-7 VERTICAL TXT. | 1 |
| 43 | 021-0013304 | PLACARD RS-1501 SHOULDER PRESS | 1 |
| 44 | 014-0101020 | BUSHING: OILITE FLANGE Ø.63″ O.D. X Ø.38″ I.D. X .50″ LG. | 2 |
| 45 | 014-0012015 | BEARING: FLANGELESS 1.65″ O.D. X .79″ I.D. X .47″ WIDE | 4 |
| 46 | 014-0012014 | BEARING: FLANGELESS – 25mm I.D. | 2 |
| 47 | 014-0012013 | BEARING: BALL BEARING Ø2.44″ O.D. X Ø1.18″ I.D. | 2 |
| 48 | 014-0014002 | 3/8-16 FLUSH MOUNT INSERT | 4 |
| 49 | 016-0001003 | END CAP 1.50″ X 2.50″ (BLACK) | 1 |
| 50 | 018-0001003 | CABLE PULLEY: Ø4.50″ | 2 |
| 51 | 019-0001001 | PLUG BUMPER | 3 |
| 52 | 011-0701049 | 1/2″-13UNC X 1.50″ BHCS (Ni) | 2 |
| 53 | 011-0116116 | 1/2″-13UNC X 3.25″ LOW HEAD SHCS (Ni) | 6 |
| 57 | 011-0116129 | 1/2″-13UNC X 6.50″ LOW HEAD SHCS (Ni) | 1 |
| 58 | 013-1002006 | 1/2″ X 27mm SAE FLAT WASHER (Ni) | 30 |
| 59 | 012-0504002 | 1/2″-13 UNC THIN NYLOCK NUT (Ni) | 15 |
| 60 | 011-0701020 | 3/8″-16UNC X 1.00″ BHCS (Ni) | 18 |
| 61 | 011-0116145 | 3/8″-16UNC X 1.75″ LOW HEAD SHCS (Ni) | 2 |
| 62 | 011-0116146 | 3/8″-16UNC X 2.00″ LOW HEAD SHCS (Ni) | 1 |
| 63 | 011-0116148 | 3/8″-16UNC X 2.50″ LOW HEAD SHCS (Ni) | 1 |
| 64 | 013-1006003 | 3/8″ SPLIT LOCK WASHER (Ni) | 12 |
| 65 | 013-1002007 | 3/8″ X 22mm FLAT WASHER (Ni) | 34 |
| 66 | 012-0504005 | 3/8″-16 UNC THIN NYLOCK NUT (Ni) | 12 |
| 67 | 011-0701004 | 5/16″-18UNC X 1.25″ BHCS (Ni) | 2 |
| 68 | 011-0701003 | 5/16″-18UNC X 1.00″ BHCS (Ni) | 9 |
| ITEM NO. | PART NUMBER | DESCRIPTION | QTY. |
| 70 | 013-1002010 | 5/16″ SAE FLAT WASHER (Ni) | 10 |
| 71 | 011-0704001 | 3/8-16UNC X .75″ SQUARE HEAD (Ni) | 1 |
| 72 | 011-0711001 | SET SCREW: 1/4″-28 X .25″ LG. (Ni) | 4 |
| 73 | 020-0014027 | ADJUSTABLE STOP | 1 |
| 74 | 012-0505001 | 3/8″-16UNC JAM NUT (Ni) | 1 |
| 75 | 026-01M1137 | CABLE ANCHOR SHAFT Ø.38″O.D. X 3.0625″ LG. | 1 |
| 76 | 012-0504006 | 5/16″-18UNC THIN NYLOCK NUT (Ni) | 2 |
| 78 | 021-0003863 | ROC-IT QR DECAL SHOULDER PRESS | 1 |
| 79 | 021-0003933 | RS WEIGHT STACK DECAL #1 | 1 |
| 80 | SERIAL # DECAL | DECAL HOIST SERIAL # 1.63″ X 2.63″ | 1 |
| 81 | 013-1010003 | 5/16″ INTERNAL LOCK WASHER (Ni) | 11 |
| 83 | 011-0701021 | 3/8″-16UNC X 1.25″ BHCS (Ni) | 2 |
| 84 | 014-0012018 | SNAP RING – 25mm EXTERNAL | 2 |
| 85 | 014-0012017 | SNAP RING – 20mm EXTERNAL | 4 |
| 86 | 014-0012019 | SNAP RING – 30mm EXTERNAL | 2 |
| 87 | 018-0002017 | PULLEY 6.00″ OD | 1 |
| 89 | 011-0116122 | 1/2″-13UNC X 4.75″ LOW HEAD SHCS (Ni) | 1 |
| 90 | 011-0116126 | 1/2″-13UNC X 5.75″ LOW HEAD SHCS (Ni) | 3 |
| 91 | 011-0116115 | 1/2″-13UNC X 3.00″ LOW HEAD SHCS (Ni) | 2 |
ABBREVIATIONS
- BZ = Black Zinc
- Ni = Nickel Plated
- SS = Stainless Steel
- WZ = White Zinc
BOLT SIZING CHART
WASHER SIZING CHART

MAINTENANCE SCHEDULE
- Your equipment comes with a commercial maintenance decal.
- For personal, in home use, please follow the home maintenance schedule listed above.
- Never use ammonia, acid-based, or petroleum-based solvents on any portion of the machine as it may damage the finish.
HOIST FITNESS SYSTEMS GENERAL MAINTENANCE INFORMATION
Links, Pull-Pins, Snap Hooks, Swivels, Weight Stack Pins:
- Check all pieces for signs of visible wear or damage.
- Check springs in snap hooks and pull-pins for proper tension and alignment.
- If the spring sticks or has lost its rigidity, replace it immediately.
Upholstery:
- To ensure prolonged upholstery life and proper hygiene, all upholstered pads should be wiped down with a damp cloth after every workout.
- Periodically take the time to use a mild soap or an approved vinyl upholstery cleaner to deter the onset of cracking or drying. Avoid using any abrasive cleaners or cleaners not intended for use on vinyl.
- Replace ripped or warn upholstery immediately.
- Keep sharp or pointed objects clear of all upholstery.
Decals:
- Inspect and familiarize yourself with any safety warnings or other user information posted on each decal.
Nuts and Bolts:
- Inspect all nuts and bolts for any loosening and tighten if needed.
- Go through a re-tightening sequence periodically to ensure that all hardware is tensioned proper.
Anti-Skid Surfaces:
- These surfaces are designed to supply secure footing and need to be replaced if they appear worn or become slippery.
Belts and Cables:
- Hoist uses only high quality belt, and mil-spec cables.
- Visually inspect the belts and cables for fraying, cracking, peeling or discoloration.
- While the machine is not in use, carefully run your fingers along the belt or cable to feel for thinning or bulging areas.
- Replace belts and cables immediately at the first signs of damage or wear. Do not use equipment until belts or cables have been replaced.
Belt and Cable Tension:
- Referring to the Owners Manual, when belts or cables are used check all bolts attachments to be sure they are properly attached.
- Check slack in cables and re-adjust cable tension if needed.
Seat Sleeves, Guide Rods:
- Wipe down adjusting tubes with a dust free rag before applying lubricant.
- Lubricate seat sleeves and Guide Rods with a Silicon or Teflon based lubricant spray.
Linear Bearings:
- Referring to the Owners Manual carefully disassemble the bearing from its housing and place a finger full of light grease (lithium, super lube, etc.) into the inside of the bearing. Using your finger, press the grease into the ball-bearings and their tracks. repeat until the ball-bearing tracks are full of grease. Insert the shaft back into the bearing and wipe off excess grease.
PLEASE KEEP THIS FOR YOUR RECORDS
WEIGHT TRAINING TIPS
- Use this manual to guide you through the basic exercises you can perform on your RS-1501-A HOIST® Fitness System. To gain maximum results and avoid possible injury, consult a fitness professional to develop your complete exercise program.
- Always consult your physician before starting any exercise program.
- To be successful in your exercise program, it is important to develop an understanding of the basic principles of strength training. Now that you have your RS-1501-A
- HOIST® Fitness System, it is only natural that you want to get started immediately. First, determine a set of realistic goals and objectives for yourself. By deciding on an exercise plan that is right for you prior to starting, you will contribute significantly to your success.
- Warm up properly before engaging in weight resistance training. Stretching, yoga, jogging, calisthenics or other cardiovascular exercise can help prepare your body for the heavier workload of lifting weights.
- Learn how to perform the exercise correctly before using heavy weight. Correct form is important to avoid injury and to ensure that you work the proper muscle groups.
- Know your limitations. If you are new to weight training or are embarking on an exercise regimen after a long layoff, start slowly and build foundational strength over a longer period of time.
- Pay attention to your breathing. Exhale when you exert is a general rule of thumb. Never hold your breath.
- Enjoy your RS-1501-A HOIST® Fitness System!
WEIGHT TRAINING EXERCISE LOG
S = Sets R = Repetition per set W = Weight used
HOIST FITNESS SYSTEMS LIMITED LIFETIME WARRANTY
- Hoist Fitness Systems warrants this product to the original purchaser to be free from defects in workmanship and/or materials under normal use or service. If at any time a component part is defective, Hoist Fitness Systems shall repair or replace it (at Hoist Fitness Systems option) within a reasonable period of time. This warranty does not cover costs of removal, transportation or reinstallation. This warranty shall not apply if the defect was caused by misuse, neglect or normal wear and tear.
- WARRANTY CLAIMS. All claims require: Model number, Serial number, Date of installation, and any information supporting the existence of the alleged defect.
- To complete Warranty Registration visit: www.HOISTFITNESS.com and click on the Warranty Registration link
Starting from the original date of purchase, normal wear and tear shall be considered as the following:
- COMMERCIAL USE: All malfunctions of upholstery, grips, and coatings that occur up to one year; all malfunctions of belts, or cables up to one year; all malfunctions of pulleys, bearings, or bushings that occur up to three years. The frame and body components are warranted for ten years, with structural moving parts warranted for five years.
- LIGHT COMMERCIAL USE: All malfunctions of upholstery, grips, and coatings that occur up to one year; all malfunctions of belts, or cables up to one year; all malfunctions of pulleys, bearings, or bushings that occur up to three years. The frame and body components are warranted for ten years, with structural moving parts warranted for five years.
- HOME USE: All malfunctions of grips, paint, and chrome that occur up to ten years; all malfunctions of electronic components, belts, cables, or upholstery that occur up to ten years; all malfunctions of pulleys, bearings, or bushings that occur up to ten years. The frame and all welded components are warranted for the life of the product.
- PLEASE NOTE THAT NOT ALL HOIST PRODUCTS ARE MADE FOR COMMERCIAL USE. Refer to the instructions page of your owners manual or consult with you fitness product dealer to establish if a product is made for commercial use or not. Using a non-commercial product in a commercial setting can result in serious injury or death! Hoist Fitness Systems sole responsibility shall be to repair or replace the component within the terms stated above. Hoist Fitness Systems shall not be liable for any loss or damage of any kind including any incidental or consequential damages resulting, directly or indirectly from any warranty expressed or implied or any other failure of this product.
- LIGHT COMMERCIAL USE: Our Light Commercial warranty applies to facilities that DO NOT charge monthly membership dues and where the equipment would be used by no more than 50 people per day. Examples of Light Commercial facilities include hotels, apartment complexes, personal training studios, fire stations, police stations, etc., that meet the criteria stated above.
- WHAT IS NOT COVERED BY THIS WARRANTY: Hoist’s sole obligation under this warranty is limited to either repair or replacement of parts, subject to the additions below. This warranty neither assumes nor authorizes any person to assume obligations other than expressly covered by this warranty.
- NO CONSEQUENTIAL DAMAGES: Hoist is not responsible for economic loss; profit loss; or special, indirect, or consequential damages.
- WARRANTY IS NOT TRANSFERABLE: This warranty is not assignable and applies only in favor of the original purchaser/user to whom delivered. Any such assignment or transfer shall void the warranties herein made and shall void all warranties, expressed, implied or statutory, except the one (1) and five (5) year warranties described above. These warranties are exclusive and in lieu of all other warranties, including implied warranty and merchantability or fitness for a particular purpose. There are no warranties which extend beyond the description on the face hereof.
- TRANSPORTATION COSTS: Hoist will accept parts covered under this warranty freight collect, provided that shipment has received prior approval. Hoist is not responsible for any other transportation costs, but will ship freight collect parts either repaired or replaced under these warranties.
- Hoist Fitness Systems
- 11900 Community Rd.
- Poway, CA. 92064
- (800)548-5438
- PLEASE KEEP THIS FOR YOUR RECORDS




































