ELGT-150-C Class Ⅱ Constant Current Mode LED Driver
Instruction Manual
ELGT-150-Cseries
http://www.meanwell.com.cn/Upload/PDF/LED_EN.pdf
![]()
Features
Metal housing design with functional Ground
Class II design
Constant Current mode output
Built-in active PFC function
No load / Standby power consumption <0.5W
IP67 / IP65 rating for indoor or outdoor installations
Function options: output adjustable via potentiometer;
3 in 1 dimming (dim-to-off); Smart timer dimming; DALI;
Typical lifetime>50000 hours
5 years warranty
Applications
LED street lighting
LED harbor lighting
LED bay lighting
LED greenhouse lighting
LED flood lighting
Comply with class II application
GTIN CODE
MW Search: httosleiwww.meanwell.com(serviceGTIN.aspx
Description
ELGT-150-C series is a 105-150W LED AC/DC classic driver featuring the constant current mode and high voltage output. ELGT-150-C operates from 100-305VAC and offers models with different rated currents ranging between 700mA and 1400mA. Thanks to the high efficiency of up to 92%, with the fanless design, the entire series is able to operate for -40 C-+90 C case temperature under free air convection. The design of metal housing and IP67/1P65 ingress protection level allows this series to fit both indoor and outdoor applications. ELGT-150-C is equipped with various function options, such as dimming methodologies, so as to provide the optimal design flexibility for the LED lighting systems.
Model Encoding

| Type | IP Level | Function |
| Blank | IP67 | lo fixed. |
| A | IP65 | lo, adjustable through a built-in potentiometer. |
| B | IP67 | 3 in 1 dimming function (0-10Vdc, 10V PWM signal and resistance) |
| AB | IP65 | lo adjustable through built-in potentiometer& 3 in 1 dimming function (0-10Vdc, 10V PWM signal and resistance) |
| DA | IP67 | DALI control technology. |
| D2 | IP67 | Built-in Smart timer dimming and programmable function. |
SPECIFICATION
| MODEL | ELGT-15 0-C700 | ELGT-150-C1050 | ELGT-150-C140 00 | |||
| OUTPUT | RATED CURRENT | 700mA | 1050mA | 1400mA | ||
| RATED POWER | 200VAC – 305VAC | |||||
| 149.8W 150.15W 149.8W | ||||||
| IOOVAC – 18CNAC | ||||||
| 105W | 105W | 105W | ||||
| CONSTANT CURRENT REOCNitta | 107 – 214V | 7 2 – 143V | 54 – 107V | |||
| OPEN CRCUIT VOLTAGEepeu | 225V | 151V | 115V | |||
| CURRENT ADJ. RANGE | Adjusts tie KR A/A8-Type only (via brit-E% potentiometer) | |||||
| 3W – 700mA 525 – 1050mA 700 – 1400mA | ||||||
| CURRENT RIPPLE | 50% max. ©re led current | |||||
| CURRENT TOLERANCE | ±5.0% | |||||
| SET UP TIME paw< | 160Oms1115VAC 500ms/230NAC | |||||
| INPUT | VOLTAGE RANGE moo | 100- 305VAC 142 – 431VDC (Please refer to the “STATIC CHARACTERISTIC” section) | ||||
| FREQUENCY RANGE | 47 – 63Hz | |||||
| POWER FACTOR drat | PF L. 0.97/115VAC, PRL095/230VAC, PF>092/277VACfpful load (Please refer to ‘POWER FACTOR (PF)CHARACTERISTIC section) | |||||
| RM TOTAL HA ONICDISTORTION | IND< 20%(@bacg50%/115VC:©Icedt60%/230VAC; @loacg75%/277VAC) ( Plea se refer to ‘TOTAL HARMONIC D ISTORTION(T HD)” s ection) | |||||
| EFFICIENCY(rw) | 92% | I92% | I91% | |||
| AC CURRENT/rye) | I.7A/ II 5VAC 0.9A / 230VAC 0.7A/277VAC | |||||
| INRUSH CURRE NTme.) | COLD START 65A(twith$85ps measured at 50% Speak)/230VAC; Per NE MA 410 | |||||
| MAX. No. of PS Us on 16A CIRCUIT BREAKER | 3 wits (cacti’ breaker of Noe El) 16 units (circuit breaker of type at 230VAC | |||||
| LEAKAGE CURRENT | <0.7mA/ 240VAC | |||||
| NO LOAD 1 STAND-BY POWER CONSUMPTION | No bad power consumption <0.5W for Blank / A/ D2-Type Standby power consumption <0.5W fa B / DA-Type | |||||
| protect | SHORT CIRCUIT | Hiccup mode recovers automatically after fall modal: on is removed | ||||
| OVERVOLTAGE | 230 – 265V 1155 -180V 1128 – 1 5W | |||||
| Shut down of voltage. re-power on to recover | ||||||
| OVER TEMPERATURE | Shut down o/p vd tags, re-power onto recover | |||||
| RIWIONMENT | WORKING TEMP. | Tcase= 40 -+90C (Please refer to” OUTPUT LOAD vs TEMPERATURE section) | ||||
| MAX. CASE TEMP. | Tcasem•SOt | |||||
| WORKING HUMIDITY | 20 – 95% RH non-condensing | |||||
| STORAGE TEMP, HUMIDITY | -40- +800 , 10 – 95% RH | |||||
| TEMP. COEFFICIENT | ±0.03%1 C (0- 60C) | |||||
| VIBRATION | 10- 5C0Hz, 5G 12mi nilcycie, period for 72min. each along X, Y, and Z axes | |||||
| SAFETY 8 EMC | SAFETY STANDARDS | ENEC BS EN/EN61347-1(except for AB-Type), BS EN/EN61347-2-13(except for AB-Type) iidependent, BS EN/EN62384(except for AB-Type); EAC TP TC 004 JP65 or IP67 approved | ||||
| DALI STANDARDS | Complexe to IEC62386-101, 102, 207 for DA-Type only | |||||
| WITHSTAND VOLTAGE | UP-0/P:3.75KVAC I/P-CASE:3.75KVAC 0/P-CASE:1.5KVAC | |||||
| ISOLATION RESISTANCE | I!P-O/P, UP- FG, 0/ P- FG:100M Ohms! 500VDC / 25′(2170% RH | |||||
| EMC EMISSION | Corrphance to BS EN/EN55015.BS ENIN61000-3-2 Class C (lt load .r 60%) : BS E WEN61000-3-3: EAC TP TC 020 | |||||
| EMC IMMUNITY | Canplence to BS EN/EA€1000-4-2,3,4,5,6,8.11; BS EN/EN61547, ig hl industry level (surge Mmunily Lbe-Earti 6KV, Lbe-Lbe4KV); EAC TP TC 020 | |||||
| OTHERS | MTBF | 31(6.9K hrs min. Telcordia S R-332 (Bellcore):294.8K hrs min. MIL- HDBK-217F (25″C ) | ||||
| DIMENSION | 219163’35.5mm (L1/41-1) | |||||
| PACKING | 0.95Kg: 16pcs / 16.0(g / 0.77CUFT | |||||
NOTE
- All parameters NOT specially mentioned are measured at 230VAC input, rated current, and 25 C of ambient temperature.
- Please refer to “DRIVING METHODS OF LED MODULE”. For DA-Type, the Constant Current region is 60%-100% of maximum voltage underrated power delivery.
- De-rating may be needed under low input voltages. Please refer to the “STATIC CHARACTERISTIC” sections for details.
- The length of set-up time is measured at the first cold start. Turning ON/OFF the driver may lead to an increase in the setup time.
- The driver is considered as a component that will be operated in combination with the final equipment. Since EMC performance will be affected by the complete installation, the final equipment manufacturers must re-qualify EMC Directive on the complete installation again.
- This series meets the typical life expectancy of >50,000 hours of operation when Tcase, particularly@ point (or TMP, per DLC), is about 75°C or less.
- Please refer to the warranty statement on MEAN WELL’s website at https://www.meanwell.com
- The ambient temperature derating of 3.5°C/1000m with fanless models and 5°C/1000m with fan models for operating altitudes higher than 2000m(6500ft).
- For any application note and IP waterproof function installation caution, please refer to our user manual before using. https://www.meanwell.com/Upload/PDF/LED_EN.pdf
- To fulfill the requirements of the latest ErP regulation for lighting fixtures, this LED power supply can only be used behind a switch without being permanently connected to the mains.
* Product Liability Disclaimer: For detailed information, please refer to https://www.meanwell.coni/serviceDisclaimer.aspx
BLOCK DIAGRAM

DRIVING METHODS OF LED MODULE
※ This series works in constant current mode to directly drive the LEDs.

◎ This characteristic applies to Blank/A/B/AB/D2-Type, For DA-Type, the Constant Current area is 60%~100% Vo.
DIMMING OPERATION

※ 3 in 1 dimming function (for B/AB-Type)
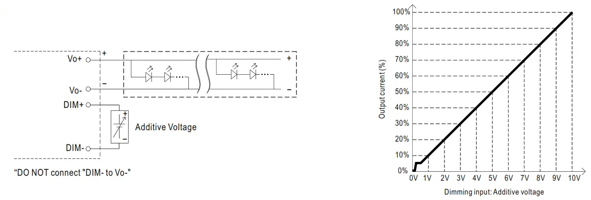
Output constant current level can be adjusted by applying one of the three methodologies between DIM+ and DIM-:
0 ~ 10VDC, or 10V PWM signal or resistance.
Direct connecting to LEDs is suggested. It is not suitable to be used with additional drivers.
Dimming source current from power supply: 100 A (typ.)
◎ Applying additive 0 ~ 10VDC

◎ Applying additive 10V PWM signal (frequency range 100Hz ~ 3KHz):

◎ Applying additive resistance:

Note :
- Min. dimming level is about 8% and the output current is not defined when 0%< Iout<8%.
- The output current could drop down to 0% when dimming input is about 0kΩ or 0Vdc, or 10V PWM signal with a 0% duty cycle.
※ DALI Interface (primary side; for DA-Type)
- Apply DALI signal between DA+ and DA-.
- DALI protocol comprises 16 groups and 64 addresses.
- The first step is fixed at 8% of output.
※ Smart timer dimming function (for D2-Type by User definition)
MEAN WELL Smart timer dimming primarily provides the adaptive proportion dimming profile for the output constant current level to perform up to 14 consecutive hours. 3 dimming profiles hereunder are defined accounting for the most frequently seen applications. If other options may be needed, please contact MEAN WELL for details.
Ex : ◎ D01-Type: the profile recommended for residential lighting

**: TIME matches Operating Time in the diagram whereas LEVEL matches Dimming Level.
Example: If a residential lighting application adopts D01-Type when turning on the power supply at 6:00 pm, for instance:
- The power supply will switch to the constant current level at 100% starting from 6:00 pm.
- The power supply will switch to the constant current level at 70% in turn, starting from 0:00 am, which is 06:00 after the power supply turns on.
- The power supply will switch to the constant current level at 50% in turn, starting from 1:00 am, which is 07:00 after the power supply turns on.
- The power supply will switch to the constant current level at 70% in turn, starting from 5:00 am, which is 11:00 after the power supply turns on.
The constant current level remains till 8:00 am, which is 14:00 after the power supply turns on.

**: TIME matches Operating Time in the diagram whereas LEVEL matches Dimming Level.
Example: If a street lighting application adopts D02-Type when turning on the power supply at 5:00 pm, for instance:
- The power supply will switch to the constant current level at 50% starting from 5:00 pm.
- The power supply will switch to the constant current level at 80% in turn, starting from 6:00 pm, which is 01:00 after the power supply turns on.
- The power supply will switch to the constant current level at 100% in turn, starting from 8:00 pm, which is 03:00 after the power supply turns on.
- The power supply will switch to the constant current level at 60% in turn, starting from 1:00 am, which is 08:00 after the power supply turns on.
- The power supply will switch to the constant current level at 80% in turn, starting from 4:00 am, which is 11:00 after the power supply turns on. The constant current level remains till 6:30 am, which is 14:00 after the power supply turns on.

**: TIME matches Operating Time in the diagram whereas LEVEL matches Dimming Level.
Example: If a tunnel lighting application adopts D03-Type when turning on the power supply at 4:30 pm, for instance:
- The power supply will switch to the constant current level at 70% starting from 4:30 pm.
- The power supply will switch to the constant current level at 100% in turn, starting from 6:00 pm, which is 01:30 after the power supply turns on.
- The power supply will switch to the constant current level at 70% in turn, starting from 5:00 am, which is 11:00 after the power supply turns on.
The constant current level remains till 6:30 am, which is 14:00 after the power supply turns on.
OUTPUT LOAD vs TEMPERATURE(NOTE 7.)

STATIC CHARACTERISTIC

※De-rating is needed under low input voltage.
POWER FACTOR (PF) CHARACTERISTIC

TOTAL HARMONIC DISTORTION (THD)

EFFICIENCY vs LOAD
ELGT-150-C series possess superior working efficiency that up to 92% can be reached in field applications.
※ 700mA Model, Tcase at 75℃

LIFETIME

MECHANICAL SPECIFICATION
※ Blank-Type

※ B/DA/D2-Type

※ A-Type

※ AB-Type

MANUAL INSTALLATION
Please refer to: http://www.meanwell.com/manual.html
File Name:ELGT-150-C-SPEC 2022-03-16



















