nVent HOFFMAN APX Pedestal Extension Instruction Manual
Package Content

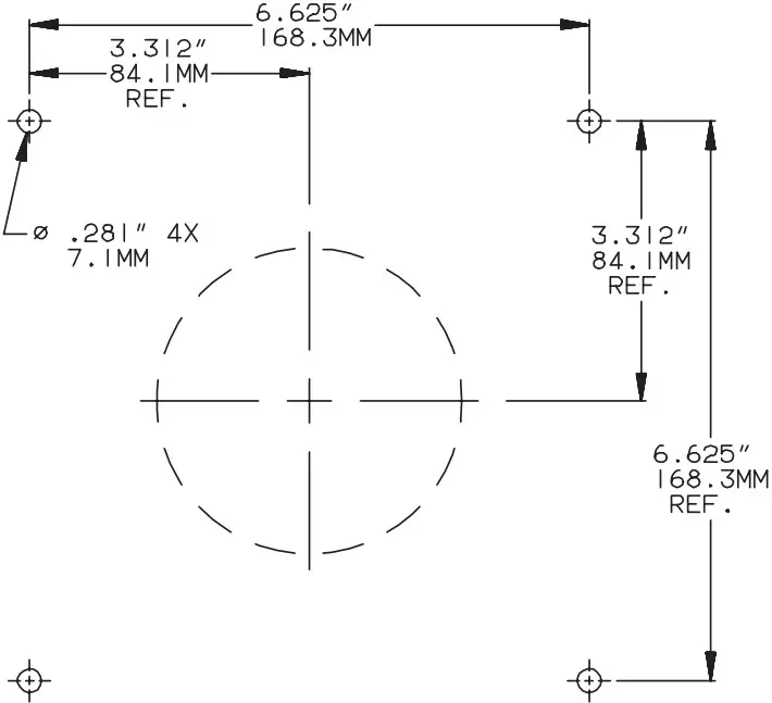
Dimension

Installation

© 2018 Hoffman Enclosures Inc. PH 763 422 2211 • nVent.com/HOFFMAN

nVent HOFFMAN APX Pedestal Extension Instruction Manual



© 2018 Hoffman Enclosures Inc. PH 763 422 2211 • nVent.com/HOFFMAN

Download manual
Here you can download full pdf version of manual, it may contain additional safety instructions, warranty information, FCC rules, etc.