HOFFMAN AST44 Enclosure Pedestal Columns

Product Information
- Product Name: AST44 AST88
- Revision: E
- Part Number: 35356001
- Model Number: 87567886
Product Usage Instructions
- Connect the product to a power source.
- Ensure that the product is securely placed on a stable surface.
- Read and understand the safety precautions mentioned in the user manual before operating the product.
- To turn on the product, use the power button located on the front panel.
- Follow the on-screen instructions to set up the product.
- Refer to the user manual for detailed instructions on using the product features and functions.
- If you encounter any issues or need assistance, refer to the troubleshooting section in the user manual or contact our customer support.
WARNING: To avoid serious product damage or personal injury, do not use this device in an overhead suspension application.
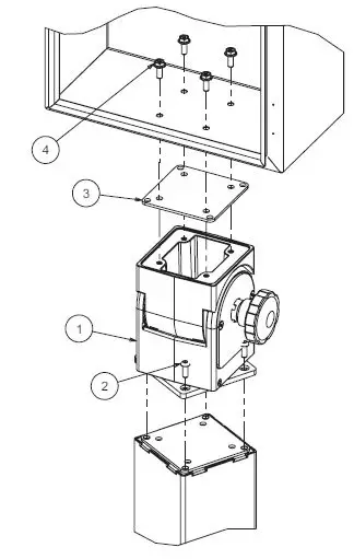
Installation Instructions

NOTE
- Enclosure stiffening brackets may be required in some applications.
- Contact your local Hoffman Sales Representative for more information.
- Tilt Knob: The tilt locking knob must be secured before attempting to adjust the tilt tension.
- Failure to do so may result in the unit moving unexpectedly.
- Torque: Min: 10 in-Ibs/1.1 Nm
- Max: 240 in-Ibs/26.7 Nm


- With rotation limiting screw and the mark on the base aligned, turn the limiting screw clockwise until it bottoms.
- Turn the limiting screw back counter-clockwise the number of turns associated with the desired rotation shown on page 4.
- If the rotation limiting screw is removed, the rotation is limited to 350°


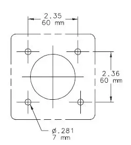
4×4 Mounting patterns
- Top Pattern

- Bottom Pattern

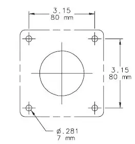
- 8×8 Mounting patterns

© 2018 Hoffman Enclosures Inc.
PH 763 422 2211
nVent.com/HOFFMAN P/N
35356001 87567886



















