XPOtool 30560 Car Battery Charger and Portable Booster

Read and follow the operating instructions and safety information before using for the first time. Technical changes reserved! Due to further developments, illustrations, functioning steps, and technical data can differ insignificantly. Updating the documentation If you have suggestions for improvement or have found any irregularities, please contact us. The information contained in this document may alter at any time without previous notice. It is prohibited to copy or spread any parts of this document in any way without prior written allowance. All rights re-served. The WilTec Wildanger Technik GmbH cannot be held accountable for any possible mistakes in this operating manual, nor in the diagrams and figures shown. Even though, the WilTec Wildanger Technik GmbH has undergone biggest possible efforts to ensure that the operating manual is complete, faultless, and up to date, mistakes cannot be entirely avoided. If you should find a mistake or wish to make a suggestion for improvement, we look forward to hearing from you.
Send an e-mail to:
[email protected]
or use our contact form:
https://www.wiltec.de/contacts/
The most recent version of this manual in various languages can be found in our online shop via:
https://www.wiltec.de/docsearch
Our postal address is: WilTec Wildanger Technik GmbH Königsbenden 12 52249 Eschweiler Germany To return orders for exchange, repair, or other purposes, please use the following address. Attention! To allow for a smooth execution of your complaint or return, it is important to contact our customer service team before returning the goods. Returns Department WilTec Wildanger Technik GmbH Königsbenden 28 52249 Eschweiler
E-mail: [email protected]
Tel: +49 2403 55592–0
Fax: +49 2403 55592–15
Introduction
Thank you for purchasing this quality product. To minimise the risk of injury we urge that our clients take some basic safety precautions when using this device. Please read the operation instruc-tions carefully and make sure you have understood its content. Keep these operation instructions safe.
Notes
- Switch the jump starter off before connecting the connection cables to the battery to avoid dan-gerous sparking from developing.
- Before removing the battery clamps from the battery, switch the device off.
- As explosive gasses might be created during the charging process, fire and sparking, etc. needs to be avoided.
- The red battery clamp is connected to the positive terminal and the black clamp to the negative terminal – NEVER switch them around!
- NEVER use the jump starter if the charging cables or clamps are damaged. Do not shake or push against the cables when charging.
- NEVER try to charge a frozen battery!
- Only use the fuse delivered in this device – NEVER exchange it for a bigger one!
- Before charging the battery, please clean it and check the battery voltage.
- Please note that the attached battery needs at least 50 Ah and may not exceed 750 Ah (Booster 430) or 800 Ah (Booster 630).
Safe handling of batteries
- When handling the battery, it is important to wear protective glasses and gloves. Contact of skin, eyes or clothing with the battery acid needs to be always avoided, as it is extremely corro-sive. If battery acid gets into the eyes, they need to be rinsed out immediately with a lot of water. Consult a doctor immediately after rinsing your eyes out. Acid splashes on the skin need to be immediately washed off with water and soap. On clothing, the acid can cause holes.
- Do not place the battery charger on flammable undergrounds whilst charging. The device warms up during its use. Place the device in such way as to be able to cool down and to have enough airflow. Never cover the airing holes.
- The charger device is only allowed to be used indoors. The device needs to be kept away from moisture and humidity. If the device should get wet, there is a danger of being electrocuted.
- When the battery is charged, small amounts of gas are released from the battery acid, which is normal. The gas leak is noticeable through the formation of bubbles. Attention! Bursting gas bubbles cause acid splashes in the vicinity of the battery! It is essential that you follow the in-structions for connecting the device, otherwise sparks can arise that will cause the gases (oxy-hydrogen!) to explode. The device must also not be operated near open flames. Never smoke when handling the battery! It is essential to ensure that there is good ventilation as the gas is explosive.
- Please note: Only charge common 12- or 24-V lead-acid batteries. Do not charge batteries which are not rechargeable. Only intact batteries can be charged. The charging duration de-pends on the level of charge of the battery. The level can be determined by measuring the density of acid with a common battery hydrometer. If you have a permanently sealed, mainte-nance-free battery, it may not be opened. With this type of battery, it is not required and possible to check the acid or correct it. To be able to charge the battery, all closure caps of the battery cells which can be removed should be taken off (see fig.). The acid level should then – if required – be checked. The acid level for an empty battery should be 0.5–1 cm above the lead strip in the battery cells. If this is not the case, distilled water needs to be refilled. Under no circum-stances tap water can be used. As the state of charge increases, the level of acid rises. To ensure that the battery will not overflow, the acid may not be filled up to the maximum marking. The lids are only allowed to be placed on the battery again after the charging process is finished
This is the only way of gasses created during charging being able to escape. A leak of minimal amounts of acid during charging is unavoidable
Working principle
With the battery being charged, the charging current depends on its type. In general, it is around 10 % above the maximum current of the battery.
Charging time
The charging time depends on the battery. A rule of thumb is charging time = battery capacity ÷ charging current During the charging process, the charging current continues to decrease, so that the calculated charging time is at least ¼ longer. The battery charger can charge one or more batteries at the same time, the charging time is then of course longer.

If you wish to start a vehicle with the booster, please note:
- If the engine is bigger, it is better to boost charge it for 15 min prior to trying to restart it.
- In case you wish to start a diesel engine, let the glow plugs preheat before trying to start the engine.
For charging connect the red battery clamp with the positive terminal and the black clamp with the neg-ative terminal – never swap them! Connect the connection cables of the charger with the battery. Connect the red cable (+) with the positive terminal (+) of the battery and the black cable (–) with its negative terminal (–). If the battery is still in the vehicle, connect the black cable (–) with the engine block, functioning as grounding. Ensure that the ignition and all electrical equipment parts are switched off. (If the vehicle has positive mass, connect the red cable (+) with the engine block.)
Operating Booster 430
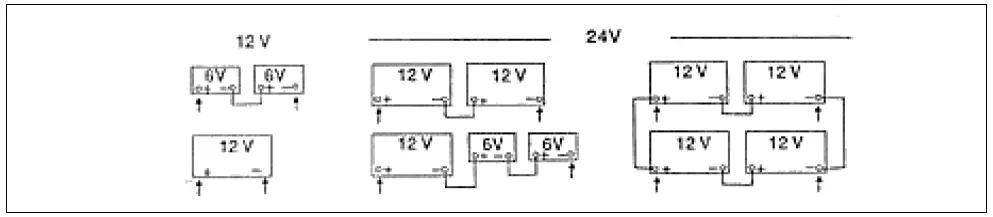
- First, choose the right battery voltage (12 V or 24 V), then connect the battery clamps with the battery poles.
- Switch the rocker switch 4 to “CB,” switch 2 to MIN or MAX, then switch 3 to “1” (normal charge) or “2” (boosted charge).
- Then turn the charger on by switching the main switch 5 to “on” (“I”); the charging process will start.
- If you wish to start a car engine, push switch 4 to “START,” then switch 5 to “on” (“I”), charge the battery for 2 min. Then disconnect the charger from the battery and try starting the car engine for max. 4–5 s. If the engine does not start after 3–4 tries, wait 10 more minutes before trying to boost charge the car battery again.
Control panel elements and their functions

Operating Booster 630
- First, choose the right battery voltage (12 V or 24 V), then connect the first battery clamp with the battery pole.
- Switch the operating switch 1 to “1,” “2” or “3” for a normal speed charging.
- On “4,” “5” and “6” the charging process is supported by the timer. To do this, the timer is set to the desired time.
- If you wish to start a car engine via the booster, turn operating switch 1 to “START,” charge the battery for 2 min. Then disconnect the charger from the battery and try starting the car en-gine for max. 4–5 s. If the engine does not start after 3–4 tries, wait 10 more minutes before trying to boost charge the car battery again.
Control panel elements

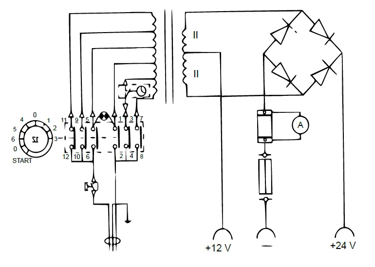
Circuit diagram


Disposal regulations
EU guidelines regarding the disposal of scrap electric appliances (WEEE, 2012/19/EU) were imple-mented in the law related to electrical and electronic equipment and appliances. All WilTec electric devices that fall under the WEEE regulations are labelled with the crossed-out wheeled waste bin logo. This logo indicates that this electric equipment must not be disposed with the domestic waste. The company WilTec Technik GmbH has been registered in the German registry EAR under the WEEE-registration number DE45283704. Disposal of used electrical and electronic appliances (intended for use in the countries of the European Un-ion and other European countries with a separate col-lection system for these appliances).
The logo on the article or on its packaging points out that this article must not be treated as normal house-hold waste but must be disposed to a recycling collec-tion point for electronic and electrical waste equipment. By contributing to the correct disposal of this article you protect the environment and the health of your fellow men. Environment and health are threatened by inap-propriate disposal. Material recycling helps reduce the consumption of raw materials. Additional information on recycling this article can be provided by your local community, municipal waste disposal facilities, or the store where you purchased the article
Address: WilTec Wildanger Technik GmbH Königsbenden 12 / 28 D-52249 Eschweiler
Important notice:
The reprint or reproduction, even of excerpts, and any commercial use, even in part, of this instruction manual require the written permission of WilTec Wildanger Technik GmbH. https://www.XPOtool.com Item 30560, 30562 Page 8 The Tool Experts

















