Zopoise ZA05-X007KCC-X001 Portable EV Charger

SAFETY TIPS
WARNING
- a. Please confirm the power level you are ready to connect before installation;
- b. The whole installation process needs professional personnel with electrician qualification to operate;
- c. Please do not operate under any circumstances that may cause electric leakage;
- d. When using the charging pile to charge the electric vehicle, please carefully read the instructions of the charging pile. Pay attention to the operation steps, practices or incorrect execution may lead to life danger, injury and equipment damage. Refuse to accept any claim arising therefrom. The operation can only be carried out when the contents of the instruction manual of the charging pile are fully understood and the specified conditions are met.
NOTICE
- a. The charging pile must be grounded through the grounding conductor of the permanent wiring system or equipment;
- b. Please avoid installing in the direct sunlight or exposure environment, and try to use the charging pile in a cool and ventilated place;
- c. Do not install and use the charging pile near flammable, explosive, combustible and chemical substances or steam;
- d. Before installing or cleaning the Charge Point, the power supply must be cut off to ensure that there is no power input. Do not touch the heat source, dirt or water source on the contact surface;
- e. Please use the charging post within the specified working parameters;
- f. Only connect electric vehicles. Do not connect other loads (electric tools, etc.). Do not use the charging post for other purposes than charging or other vehicles that do not support the AC charging standard of the country where the product is located;
- g. The charging pile must be checked regularly. If it is found to be defective, cracked, worn, damaged or otherwise damaged and inoperable, the charging pile shall be stopped immediately and the after-sales service telephone shall be called;
- h. Do not attempt to open, disassemble, modify or transform the charging pile without a professional electrician. The charging pile is not a device that can be maintained by users. Do not remove safety symbols, warning prompts, nameplates, signs or pipeline marks;
- i. If you or your car are exposed to rainstorm, lightning, heavy snow or other severe weather conditions, do not use the charging pile to prevent any parts from being damaged;
- j. Please handle with care when transporting the charging post. Do not subject it to strong external force impact, and do not drag, twist or step on the charging pile and cable to prevent damage to any parts. At any time, please avoid and prevent the charging post from being damaged by moisture, liquid and other foreign matters. If there is water, damage or corrosion, please do not use it. Do not touch or charge the cable and charging gun head with wires, tools or other sharp hard objects;
- k. If your vehicle is covered with car cover, car coat, please uncover and then use the charger to charge.
- I. User of the charger may affect or impair the function of any medical or implantable electronic device, such as cardiac defibrillators, pacemakers, etc.
FCC STATEMENTS
This device complies with part 15 of the FCC Rules. Operation is subject to the following two conditions:
- This device may not cause harmful interference, and;
- this device must accept any interference received, including interference that may cause undesired operation.
This equipment has been tested and found to comply with the limits for a Class A digital device, pursuant to part 15 of the FCC Rules. These limits are designed to provide reasonable protection against harmful interference when the equipment is operated in a commercial environment. This equipment generates, uses, and can radiate radio frequency energy and, if not installed and used in accordance with the instruction manual, may cause harmful interference to radio communications. Operation of this equipment in a residential area is likely to cause harmful interference in which case the user will be required to correct the interference at his own expense.
WARNING
Changes or modifications to this unit not expressly approved by the part responsible for compliance could void the user’s authority to operate the equipment.
RF EXPOSURE
This equipment complies with FCC radiation exposure limits set forth for an uncontrolled rolled environment. This equipment should be installed and operated with a minimum distance of20cm between the radiator and your body.
IMPORTANT INFORMATION
Specified use
- This type of product is a charging pile that can charge electric vehicles in indoor and outdoor areas (such as electric vehicles).
- When installing and connecting the charging pile, the relevant regulations of the local country or government shall be observed;
- The specified use of the equipment includes complying with the environmental conditions established for the equipment under any circumstances; * During the storage or use of the equipment, it is necessary to store the charging pile and its supporting components in a dry and ventilated indoor place with a temperature of – 30 °C~+50 °C and a daily average temperature of~ 35 °C within 24 hours; * Monthly average relative humidity~ 90% (25 °C), no condensation on the surface; * After the installation, the shell of the charging pile shall be kept sealed to avoid soaking in rain;
* The use site shall be free of explosive media, the surrounding media shall not contain harmful gases and conductive media that corrode metals and damage insulation, and shall not be filled with steam or serious mold; * The place of use should avoid direct sunlight. When installing outdoors, it is recommended to install sunshade facilities for the charging pile;
When the charging pile is not in use, the charging gun shall be placed 0.5 m~l.5 m away from the ground; - Equipment shall be developed, produced, inspected and filed according to relevant safety standards. Therefore, if the instructions and safety technical tips for the specified use are followed, the product will not cause property loss or endanger the health of personnel under normal conditions;
- The instructions contained in this manual must be strictly followed, otherwise potential safety hazards may occur or the safety devices may fail. Although this manual describes the relevant safety tips, it is still necessary to pay attention to the safety regulations and accident prevention regulations in accordance with the corresponding application;
- Due to technical or legal restrictions, it is impossible to supply all models/options to the region;
- If users have special requirements, they can negotiate with us.
About this Manual
- This manual is applicable to the following groups:
* The end customer (charge pile user).
* The technical staff of debugging and service - The final explanation of this manual belongs to the company.
USE OF PRODUCTS
Product Appearance Size
Product Appearance Introduction
Product Performance Description
|
a“‘tl a. C .n…. n :::; “ii‘i .n…. m ::::!. “….‘. ;:;· “‘ | Product Item | ZA05-X007KCC-X001 |
| Product Power | 7kW | |
| Operating Current | 32A(Max) | |
| Current Position | 16A-20A-24A-32A | |
| Installation Method | Portable/Wallbox | |
| Operating Voltage | 240Vac | |
| Operating Frequency | 50/60Hz | |
| Cable Length | 7m | |
| Indicator | 3-Color Indicator | |
| User Interface | 1.3inches OLED Screen | |
| Charging Method | Plug and Charge/ APP Charging(TuYa APP) | |
| Communication Method | WiFi&Bluetooth ( Optional) | |
| Appearance Size | 298 mm X105. 8 mm X53 mm | |
| Product Weight | <2. 7 kg | |
| a“‘tl .m…. .n…. o· ::J n :::; “..,‘ “.n ‘. m ::::!. – n “‘ | Over Voltage Protection | Input Voltage>20 %, relay is off |
| Under Voltage Protection | Input Voltage<20 %, relay is off | |
| Over Load Protection | Output Current>110 %, relay disconnected, the power supply needed to be cut off and restored | |
| Over Temperature Protectior | When the temperature of the main board reached 85 °C , the power was reduced to 50%, and it was turned off after 90°C | |
| Ground Protection | The earth wire or the charging earth wire was not broken, and the relay was broken | |
| Leakage Protection | Type:AC 30 m A, leakage, the relay was off | |
| nm :::T::J ““–‘‘<..,· ,n–O+::J –·3m ::J -•,-+ Cl | Operating Temperature | -30°C ~ +50°C |
| Operating Humidity | 5 %~ 95 % RH | |
| Operating Altitude | <2000 m | |
| Protection Degree | IP54 | |
| ;;o !i!i1i... !:r. | MTBF | 100, 000H |
| Warranty | 2Years | |
| Safety Standard | GB/ T 20234, GB/ T 18487, GB/ T 27930 NB/ T 33008, NB/ T 33002, UL 2231, IEC/ EN 61851-1, IEC/ EN 61851- 22 |
LED Indicator Instruction
| No. | Charge pile status | Indicator Color | Indicator Status |
| 1 | Standby | Yellow | Always on |
| 2 | Insert the Plug | Green | Always on |
| 3 | Charging | Green | Flashing |
| 4 | C PAbnormal | Red | Always on |
| 5 | Over voltage/Under voltage | Red | Flashes once every 15 |
| 6 | Un Earthed | Red | Flashes once every 25 |
| 7 | Over-current Protection | Red | Flashes once every 45 |
| 8 | Leakage Protection | Orange | Flashes once every 15 |
| 9 | Jver-temperature Protection | Orange | Flashes once every 25 |
Equipment Parts List
| No. | Equipment Parts | Quantity |
| 1 | AC Charging Pile | 1 |
| 2 | Fixing Cover | 1 |
| 3 | Gun Holder | 1 |
| 4 | Screw | 7 |
| s | Expandable Rubber Stopper | 7 |
| 6 | Certification | 1 |
| 7 | User Manual | 1 |
OPERATION GUIDE
Operation Steps

WALLBOX INSTALLATION METHOD
Wallbox Rendering
Fixing Cover Installation Drawing
As shown in the above figure, place the fixing cover on the wall at a proper height, mark the hole location on the wall with a pencil, and use an impact drill to drill three <)>7 holes on the wall according to the hole marking, and drill three <)>8 expansion rubber plugs in the three holes. Finally, place the wall hanging shell on the wall, align the fixing holes of the fixing cover with the wall holes, and fasten them with <)>5 tapping screws.
Gun Holder Installation Drawing
As shown in the above figure, place the gun holder on the wall at a proper height, mark the hole location on the wall with a pencil, and use an impact drill to drill four <)>7 holes on the wall according to the hole marking, and drill four <)>8 expansion rubber plugs in the four holes. Finally, place the gun holder on the wall, align the fixing holes of the gun holder with the wall holes, and fasten them with <)>5 tapping screws.
Installation Environment Requirements
- The installation position of the charging pile shall not be close to dangerous locations or areas such as water, oil and gas pipelines.
- The installation position shall be convenient for charging, the wiring length shall be shortened to reduce the energy consumption of cable resistance when laying lines.
- The wall hanging parts and fixed walls shall be fixed with screws. The installation wall shall be able to bear the gravity of the charging pile and its accessories, and shall not tilt after installation. The wall should not be too close to the internal line.
- The protection degree for indoor installation shall be at least IP 32, and that for outdoor installation shall be at least IP 54. it is recommended that the charging pile be installed in an environment with sunshade or umbrella; The lighting and passage at the installation site of the charging pile must be safe and smooth.
- A certain operating space shall be reserved for the installation of charging pile to facilitate the overhaul and maintenance of engineering personnel.
- It is recommended that the customer install a circuit breaker at the front end of the charging pile. The mini circuit breaker should meet local regulations.
Power Supply Requirements
The power supply mode of the portable AC charging pile is AC single-phase power supply, and the input electrical requirements are:
eAc Operating Voltage: Refer to pages;
- AC Operating Frequency: Refer to pages;
- The capacity of the power supply system shall be greater than the maximum operating power of the product;
- For the specification of power socket, please refer to Specification and Configuration
Table of Switch Socket
Troubleshooting Table
| Fault | Reasons&Solutions |
| Power LED is not lit | • No power supply * Damaged, please contact your service partnerO. |
| Unable to start charging | • The charging gun is not inserted correctly *Replug the charging gun and confirm the connection is OK. • The charging gun may be dirty or damaged in the locked area. * Clean or replace the charging gun. |
|
Power is not fully charged or charging time is increased | • Current drop due to high temperature of vehicle or charging pile * Visually check whether the plug device is dirty, worn or damaged. * If necessary, please contact your service partner. • Lack of power release due to external devices (power supply equipment, etc.). |
|
The fault status LED lights up red | eFault * First check the possible fault causes (*). * Cut off the power voltage of the charging pile, pull out the charging gun, and connect the power voltage again. •Damage * please contact your service partner. |
(*) Possible fault causes (fault status LED lights up):
In principle, the fault must be cleared by pulling out the charging gun. The following reasons may lead to failure: Un earthed, electric leakage, pile ID not set. Please contact your service partner to maintain the equipment
Maintenance
- The following routine maintenance items are only for reference, please refer to relevant standards and operation instructions for operation;
- Sunshade and rainproof measures shall be taken for the charging pile, and it is recommended to install a canopy outdoors;
- Regularly check whether the bolts of the charging pile are fastened, whether the connecting wire is loose, and whether the connection is not firm, and check whether there is short circuit;
- Pay attention to lightning protection and ensure effective shielding and reliable grounding of the charging pile;
- When using, try to control the output voltage and current of the charging pile within the nominal range, so as to ensure that the charging pile can work with the maximum efficiency;
- When the charging pile is out of service, the charging output shall be stopped first, then the power plug shall be pulled out and the power shall be cut off, then the cable shall be wound, and the charging pile shall be put back to its original position after the temperature of the charging pile drops to normal temperature;
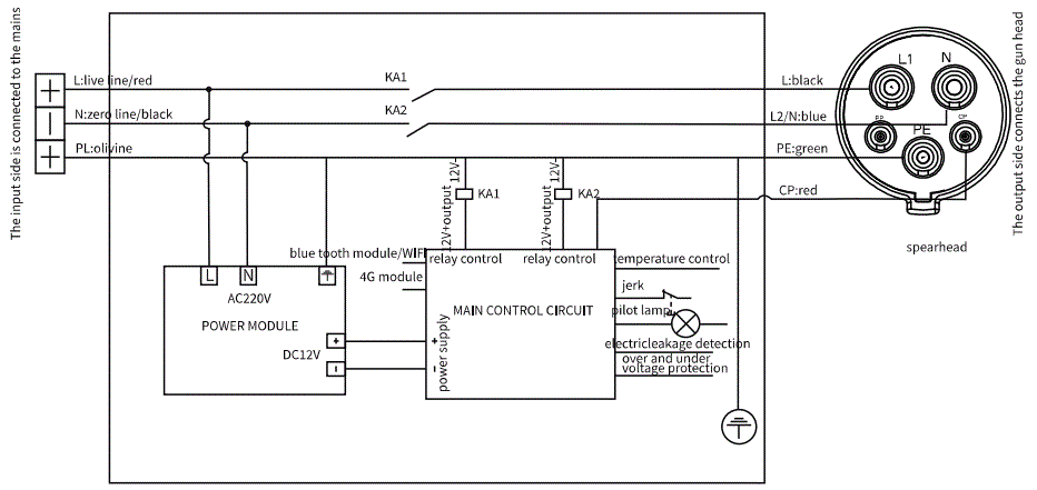
- The electrical schematic diagram of the charging pile is shown in the figure below.

Important matters
- To ensure that you can enjoy the warranty service, please ensure that the tear-proof label on your charging pile is intact;
- The warranty period of your charging pile shall be subject to the transportation and delivery period. If it cannot be provided, it shall be subject to the ex factory date of theequipment;
- Please show the original of the unit and invoice during warranty.


















