
ONE Smart EV Charger
User Manual
ONE Smart EV Charger
For the most recent version of this manual check our website.
Foreword.
First of all, thank you for purchasing a Veton Two charging station. We are proud of our craftsmanship and hope you enjoy it just as much.
Please read the operating instructions carefully. It contains, in addition to essential information on installation and use, important safety information, as well as the serial number of the Veton Two charging station.
As our product is an application and assembly of electrical systems, this installation must be carried out by a competent installer. For this reason, it is also strongly discouraged to disassemble the assembly carried out by Veton.
Incorrect installation or (re-)assembly may lead to, among other things, short-circuits, fire and/ or smoke, and serious bodily injury. Veton cannot be held liable for damage to persons, animals and/or objects resulting from non-compliance with the requirements in this manual.
Veton reserves the right to make any changes to the product (and/or its technical characteristics), and the instructions for use and/or installation, at any time and without prior notice.
If in doubt, always contact a professional or distributor of Veton products.
General provisions
Purpose of the document.
This operating and installation manual is part of the product and contains information for the user to safely operate the Veton.
Two charging point and for an authorized electrician to safely install it.
Handling this manual.
- Read the operation and installation manual before installing and commissioning the Veton Two charging station.
- Keep this manual within reach.
- Pass this manual on to a subsequent owner or user of the charging station (this document contains the serial number).
Regulatory use.
The Veton Two charging station is suitable for charging electric vehicles in accordance with IEC 61851-1, charging mode 3. In this charging mode, the charging station ensures that:
- The voltage is switched on only when the vehicle is connected correctly;
- The maximum current is adjusted.
- The AC/DC converter is located inside the vehicle.
Use of symbols and highlighting.
Danger.
High-risk hazard which, if not avoided, could result in death or serious injury.
indication.
The indication explains a technical peculiarity or possible damage to the product, if ignored.
Warranty and liability.
Veton is not liable for defects and damage that can be traced back to non-observance of the operating and installation instructions. This exclusion of liability applies in particular to:
- Improper use.
- Installation and commissioning by an unauthorized electrician.
- Repairs not carried out by a Veton service center.
- Use of non-original spare parts.
- Conversion of the device without explicit permission from Veton.
Safety
General.
The charging station may only be used by persons over 18 years of age.
The Veton Two charging station has been developed, manufactured, tested and documented in accordance with the relevant safety and environmental regulations.
Only operate the device in a technically perfect condition. Faults that adversely affect the safety of persons or the device must be rectified immediately by an authorized electrician in accordance with the nationally applicable regulations. The signaling in the vehicle may differ from this description. For this, the operating instructions of the respective vehicle manufacturer should always be read and observed.
General safety instructions.
- Dangerously high voltages in the device.
- Check the charging station for optical damage before use. Do not use the charging station if it is damaged.
- Installation, electrical connection and commissioning of the charging station may only be carried out by an authorized electrician.
- Do not remove markings, warning symbols or rating plate from the charging station.
- The charging outlet should only be replaced by an authorized electrician according to the instructions.
- It is strictly forbidden to connect other devices to the charging station.
- When the charging outlet is not in use, ensure it is covered.
- Ensure that the charging cable is protected from being run over or trapped and other mechanical hazards.
- If the charging station or charging outlet is damaged, notify the service center immediately. Do not use the charging station again.
- No persons should be in the vehicle during the charging process.
- Protect the charging outlet from contact with external heat sources, water, dirt and chemicals.
- Do not extend the charging cable with an extension cable or adapter to connect it to the vehicle.
- Remove the charging cable only by pulling the charging plug.
- Never clean the charging station with a pressure washer or similar device.
- Switch off the electric external power supply before cleaning the charging station.
- Ensure that only persons who have read these operating instructions have access to the charging station.
Safety instructions for the installation.
- Installation and connection of the charging station should only be carried out by an authorized electrician.
- Use only the supplied mounting material.
- The Veton Two safety concept is based on an earthing system that must always be guaranteed. The authorized electrician must ensure this during installation.
- Do not install the charging station in an explosive environment (Ex zone).
- Install the charging station so that the charging cable does not block passage.
- Do not install the charging station in environments with ammonia or ammonia-containing air.
- Do not mount the charging station where it could be damaged by falling objects (e.g. cable drums or tyres).
- Do not install the charging station near installations that spray water, e.g. car washes, pressure washers or garden hoses.
- Set up the charging station in such a way as to prevent vehicles from inadvertently driving into it and damaging it.
If damage cannot be excluded, take protective measures. - If the charging station is damaged during installation, it must be taken out of service. It must be replaced.
Safety instructions for the electrical connection.
- You should take into account local legal requirements for electrical installations, fire protection, safety regulations and escape routes at the planned installation location.
- Ensure that the electrical connections are de-energized before connecting the charging station to electricity.
- When commissioning the charging station for the first time, do not connect a vehicle yet.
- Ensure that the correct connecting cable is used for connection to the mains.
- Do not leave the charging station unattended when the installation cover is open.
- Do not install the charging station without an installation frame.
- Observe any notifications to the grid operator.
Safety instructions for commissioning.
- Commissioning of the charging station must only be carried out by an authorized electrician.
- The correct connection of the charging station must be checked by the authorized electrician before commissioning.
- Before commissioning the charging station, check the charging cable, charging plug and charging station for optical damage. It is not permitted to commission a damaged charging station or a charging station with a damaged charging cable/connector.
Scope of delivery
Charging station packaging contents
- 1 x Veton Two charging station
- 1 x Veton One/Two ground plate (including 4 x set screw – M8 x 10)
- 2 x concrete anchor – M10 x 200
- 2 x set screw – M8 x 20
- 2 x hexagonal flange nut – M10
- 4 x hexagon socket head cap screw – M10 x 12
- 1 x BBC Cellpack EasyCell® gel box
- 3M Scotchlok™ clamps (number depending on optional extras chosen)
Installation cabinet contents
- 1 x Veton Components Cabinet (components available separately on request)
Technical specifications
| Charging controller Phoenix Contact Charx SEC Series SEC-3XXX / SEC-1000 | Connectivity Ethernet, MQTT, Modbus TCP/RTU, REST API Optional 4G/2G connection |
| Charging specifications Mode 3 charging capability 3,7 – 22kW 3 x 400V+N (16A – 32A per phase) | Overload protection Dynamic load balancing |
| Web application Integrated web app to manage charging sessions | Charging output 2 x type 2 charging outlet 2 x 32A |
| OCPP compatibility Connect with provider of choice Optional MID certified monitors required | Energy monitoring (optional) 2 x MID certified energy monitor Calculation of transaction costs |
| Authentication Optional RFID integration | Open platform For own applications PLC Next based |
| Residual Current Detection Built-in Type B RCD / Residual Current Monitor 30mA AC/DC Type B or 6mA DC / 30mA AC Monitor | Dimensions 1152 x 154 x 186 mm H x W x D |
| Component housing Built-in utility closet 450 x 315 x 155 mm | Cabel 5G 6mm2 + 3 to 7 x 0.25mm2 (UTP) Between components and charger |
| Max. cable distance 100 meters Between components and charger | Ambient lighting LED courtesy light Separate control possible |
Charger housing
Powder coated steel & aluminium
Installation
This manual describes the (basic) installation of a Veton Two charging station. For reasons ranging from sustainability to modularity, the actual charging point and the electrical charging components are separated. The charging point is installed within reach of the vehicle(s), the charging components are placed in an installation cabinet, or other DIN-rail compatible cabinet.
The description of the installation in this chapter is limited to the placement of the charging station and the connection to the above-mentioned electrical charging components (cables to be laid prior to installation). The connection of the charging infrastructure to the current electrical installation is possible in several ways, and should be carried out with the professional judgment of an experienced electrician.
Tools and materials needed.
- Rapid concrete*
- Socket spanner or open-end spanners
- Socket spanner / socket spanner attachment – 8 mm
- Socket spanner / socket spanner attachment – 15 mm
- Allen spanner – 2.5 mm (included with BBC Cellpack EasyCell® gel box)
- Allen spanner – 3 mm
* The installation described in this manual uses rapid concrete for the installation. Alternative methods are possible.
- Hang the electrical cabinet*.
Attach the electrical cabinet supplied with the charging components near the electrical set-up of the property.
* This step only applies if your electric charging components were supplied in an installation cabinet.
- Place the ground plate*.
Place the ground plate with concrete anchors in the dug pit (within reach of the vehicle(s)). Pull the prepared cables through the front opening of the ground plate. Make sure the plate is stable, use additional support if necessary. Make sure the cables are long enough (at least 50cm), with these cables connections should be made later (in the illustration the cables are shown very short).
* There are several ways to place the ground plate. This method guarantees a secure fixing in the majority of situations. Alternative methods depend on the substrate and materials used when constructing the location where the charging station will be placed.
- Pour concrete.
Pour the necessary amount of rapid concrete to fill the excavated pit. Make sure that the concrete layer extends just below the ground plate, and that the concrete anchors extend sufficiently above the cement (20mm – 30mm above the ground plate). This is important because the rest of the charging station will be screwed on this plate. Make sure that there is enough space above the concrete so that the doors of the charging station have enough room to swing open.
- Attach ground plate and level.
Attach the 2 nuts (M10) on the concrete anchors to secure the plate. Adjust the provided adjusting screws* in the ground plate by tightening or loosening them. Use a level to do this.
* If the set screws already inserted are too short, the ground plate can be further adjusted by replacing them with the supplied longer set screws.
- Remove the M10 nuts and screws.
Unscrew the M10 nuts and screws from the ground plate, and keep them separate until the next step.
- Place and fix Veton Two.
Place the Veton One charging station on the ground plate. Reattach the 2 nuts (M10) to the concrete anchors to secure the charger. Then further secure the charger by screwing the 4 screws (2 x hexagonal tap bolt – M10 + 2 x socket head cap screw met binnenzeskant – M10) back into the holes provided.
- Connections.
Connect the power cables from the contactors to the charging outlets by screwing the corresponding wires into the terminal blocks included with the supplied BBC Cellpack EasyCell® gel boxes.
Place the terminal blocks with the fastened cables in the provided BBC Cellpack EasyCell® gel boxes. Then close the boxes until a clear click sound is heard.
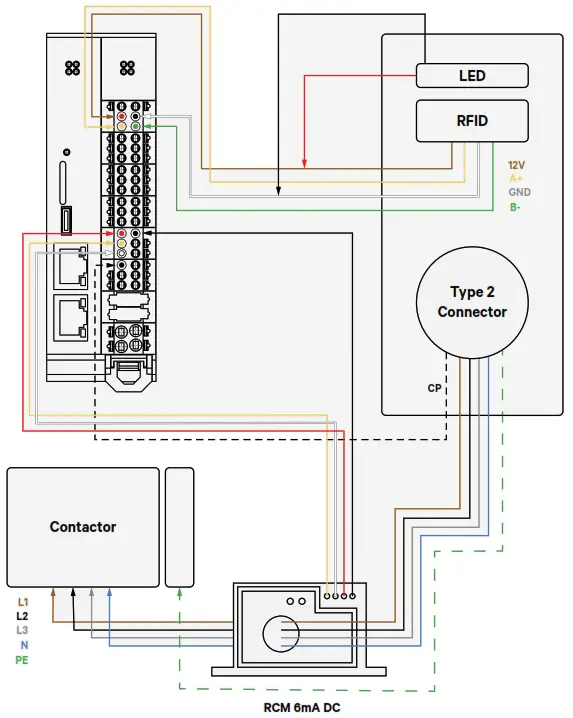
To connect the LED light, Control Pilot, Proximity Pilot and RFID reader (optional), Scotchlok™ clamps are included.
Connect the above mentioned cables in the cabinet to the corresponding cables from the cabinet according to the electrical diagram.
- Attach the gel box.
Insert the gel box from step 6 into the reflector, and attach it to the suspension points provided. Make sure the cables are hung behind the bracket with LED strip.
- Attach front plate.
Place the front plate in front of the post, making sure the hook is at the bottom. Tilt the front plate and place the hook in the cavity provided. Then tilt the top towards the post, making sure the bolts are placed in the corresponding holes. Then secure the plate by tightening the nuts (M5) on these bolts.
- Configuration.
The basic controller settings have already been set up, prior to delivery. For more information on setting up the web interface, please refer to the documentation at www.veton.be/quickstart-guides.
Operation
Your Veton Two charging station has been installed, inspected, and is ready for use. This section of the manual describes how to use the charging station, and what to consider to safely use it.
Always consider the vehicle requirements before starting vehicle charging.
Park the vehicle at the charging station in such a way that the charging cable is not tense.
Start charging
![]() | ![]() |
| Open the door of the One. | Remove the charging cable from the holder. |
![]() | ![]() |
| Insert the charging plug into the car’s charging port (maximum 4 meters from the One). | Close the door of the One. |
Scan RFID (if applicable).
Stop charging
![]() | ![]() |
| Interrupt the charging process on the vehicle side and remove the plug (this step is vehicle-specific). | Open the door of the One. |
![]() | ![]() |
| Insert the connector into the One’s cradle. Make sure the cable is fully inserted into the housing. | Close the door of the One. |
Interrupt the charging process on the vehicle side and remove the plug (this step is vehicle-specific).
Declaration of conformity
Manufacturer information
Veton BV
Boomsesteenweg 78/10
2630 Aartselaar
Belgium
Declares the conformity of the product:
Veton charging stations type One, Two, Wall and Wall+
In accordance with European directives:
Low voltage directive 2014/35/EU
EMC directive 2014/30/EU![]()
Application (harmonisation of legislation):
- ÖVE/EN 61851-1
- NBN EN 61851-1
- NEN EN IEC 61851-1
- SFS-EN 6185
- NF EN IEC 61851-1
- DIN EN 61851-1
- BS EN 61851-1
- CEI EN 61851-1
- NEK-EN-6185-1
All products listed bear the CE mark.
Duffel, 1 February 2022
![]() | ![]() |
| Brendan Brentjens, business manager | Jens Téblick, business manager |
Charging masterpieces.
Veton BV
Boomsesteenweg 78 / unit 10
2630 Aartselaar
Belgium
www.veton.be
[email protected]
+32 (0)3 375 51 20




































