PORTABLE EV CHARGER
USER MANUAL
(U Version : 1.0)
SAFETY TIPS
IMPORTANT SAFETY INSTRUCTIONS
WARNING: This manual contains important instructions for AC charger series that shall be followed during installation, operation and maintenance of the unit.
a. Read all the instructions before using this product;
b. This device should be supervised when used around children;
c. Do not put fingers into the electric vehicle connector;
d. Do not use the product when the charging cable has been damaged or frayed;
e. Do not use this product if the enclosure or the EV connector is broken, cracked, open, or shows any other indication of damage;
f. The whole installation should be operated by qualified professional electrician;
g. Be careful! Any incorrect operation may cause life danger, injury or equipment damage.
The manufacturer would refuse to accept any claim arising therefrom. Please make sure this instruction manual is fully understood and the specified conditions are met before any operations of the EV charger;
h. Please do not operate under any circumstances that may cause electric leakage;
i. Changes or modifications to this unit not expressly approved by the part responsible for compliance could void the user’ s authority to operate the equipment;
j. This equipment complies with FCC radiation exposure limits set forth for an uncontrolled rolled environment. This equipment should be installed and operated with a minimum distance of 20cm between the radiator and your body.
SAVE THESE INSTRUCTIONS
IMPORTANT INFORMATION
Specified use
- This type of product is a charger that can charge electric vehicles in indoor and outdoor areas;
- When installing and connecting the charger, the relevant regulations of the local country or government shall be observed;
- The specified use of the equipment includes complying with the environmental conditions under any circumstances;
- During the storage or use of the equipment, it is necessary to store the charger and its supporting components in a dry and ventilated indoor place with a temperature of -30 °C-+50 °C and a daily average temperature of < 35 °C within 24 hours;
- Monthly average relative humidity < 90% (25 °C), no condensation on the surface;
- After the installation, the shell of the charger shall be kept sealed to avoid soaking in rain;
- The place of use shall be free of explosive media, the surrounding media shall not contain harmful gases and conductive media that corrode metals and damage insulation, and shall not be filled with steam or serious mold;
- The place of use should avoid direct sunlight. When installing outdoors, it is recommend-edh to install sunshade facilities for the charger; When the AC charger is not in use, the charging gun shall be placed 0.5 m-1.5 m away from the ground;
- Equipment shall be developed, produced, inspected and filed according to relevant safety standards. Therefore, there will be no unnecessary property loss or personnel danger, if the instructions and safety standards are followed strictly;
- The instructions contained in this manual must be strictly followed, otherwise potential safety hazards may occur or the built-in protection devices may fail. Although this manual describes the relevant safety tips, it is still necessary to pay attention to the safety regulations and accident prevention regulations in accordance with the corresponding Applica-tion;
- Due to technical or legal restrictions, it is impossible to supply all models/options to the region;
- For any special requirements, pls feel free to contact us.
About this Manual
- This manual is applicable to the following groups:
- The end customer (charging user)
- The technical staff of debugging and service
- The final explanation of this manual belongs to the company.
USE OF PRODUCTS
Product Appearance Size

Product Appearance Introduction

[A] Input Wire
[B] Time Button
(C] Current Button
(D] Indicator
[E] Display Screen
[F] Panel
[G] Logo
[H] Output Wire
[ 1] Charging Gun
[ J] Plug
USE OF PRODUCTS
Product Performance Description
| Product Characteristics | ||
| Product Item | ZA05-UO3K5Series | ZA05-U007KSeries |
| Output Power | 3.5kW | 7kW |
| Operating Current | 16 A (Max) | 32 A (Max) |
| Current Adjustability | 8A-10A-13A-16A | 16A-20A-24A-32A |
| Installation Method | Portable/Wallbox | |
| Operating Voltage | Ll /L2 /PE;240 Vac(±-15 %) | |
| Operating Frequency | 60Hz±1Hz | |
| Cable Length | 3.5m/5m/7.5m | |
| AC Input Plug | NEMA 14-50P | |
| Connector Type | Type l(SAE J1772) | |
| Indicator | 3-Color Indicator | |
| User Interface | 1.3inches OLED Screen | |
| Charging Method | Plug and Charge/ APP Charging(Optional) | |
| Communication Method | WiFi Bluetooth(Option I) | |
| Appearance Size | 298 mm X 105 . 8 mm X 53 mm | |
| Product Weight | <4.2kg | |
| Protection Characteristics | ||
| Over Voltage Protection | Input Voltage> 120 %, relay is off | |
| Under Voltage Protection | Input Voltage<80 %, relay is off | |
| Over Load Protection | Output Current>1100/o, relay disconnected, the power supply needed to be cut off and restored | |
| Over Temperature Protection | When the temperature of the main board reached 85 °C, the power was reduced to 50%, and it was turned off after 90°C | |
| Ground Protection | The ground wire is not detected or the ground wire is disconnected during charging. The relay is disconnected. | |
| Leakage Protection | CCID20, leakage, the relay was off | |
| Environment Characteristics | |
| Operating Temperature | -30°C – +50°C (-22°F-+122°F) |
| Storage Temperature | -35°C – +80°C (-31°F-+176°F) |
| Operating Humidity | 5 % – 95 % RH |
| Operating Altitude | <2000 m |
| Protection Degree | TYPE 4 |
| Reliability | |
| MTBF | 100 , 000H |
| Warranty | 2Yea rd |
| Safety Standard | UL2594, UL2231-1/-2, UL1998, UL2251, UL991 |
LED Indicator Instruction
| No. | Charging Status | Indicator Color | Indicator Status |
| 1 | Standby | Blue | Always on |
| 2 | Insert the Plug | Green | Always on |
| 3 | Charging | Green | Flashing |
| 4 | C P Abnormal | Red | Always on |
| 5 | Over voltage/Under voltage | Red | Flashes once every 15 |
| 6 | Ground Fault | Red | Flashes once every 2S |
| 7 | Over-current Protection | Red | Flashes once every 4S |
| 8 | Leakage Protection | Purple | Flashes once every 15 |
| 9 | Over-temperature Protection | Purple | Flashes once every 2S |
Equipment Parts List
| No. | Equipment Parts | Quantity |
| 1 | AC Charging Pile | 1 |
| 2 | Fixing Cover | 1 |
| 3 | Gun Holder | 1 |
| 4 | Screw | 7 |
| 5 | Expandable Rubber Stopper | 7 |
| 6 | Certification | 1 |
| 7 | User Manual | 1 |
OPERATION GUIDE
Operation Steps
Plug the charger into the socket
Specification of Switch and Socket
| Power | Current | Switch/Socket |
| 3.5kW | 16A(Max) | 20A(2P not covered)/16A Socket |
| 7kW | 32A(Max) | 40A(2P not covered)/32A Socket |
For power safety, add overcurrent protection device/circuit breaker at the product input.
GROUNDING INSTRUCTIONS
This product must be grounded. If it should malfunction or break down, grounding provides a path of least resistance for electric current to reduce the risk of electric shock. This product is equipped with a cord having an equipment grounding conductor and a grounding plug.
The plug must be plugged into an appropriate outlet that is properly installed and grounded in accordance with all local codes and ordinances.
WARNING
Improper connection of the equipment grounding conductor is able to result in a risk of electric shock. Check with a qualified electrician or serviceman if you are in doubt as to whether the product is properly grounded. Do not modify the plug provided with the product if it will not fit the outlet, have a proper outlet installed by a qualified electrician.


OPERATION GUIDE
Steps for Adding APP Device
Download Method
For OS: Search Smart Life in the Apple Store to download and install it.
For Android: Search Smart Life in the Google Store to download and install it.
![]() | |||
| Step 1: Add Device Click “Add Device”. | Step 2: Connect the WIFI When adding a device for the first time, connect the device and mobile phone under the same WIFI. | Step 3: Loading Wait until the device is loaded. | Step 4: Loading Completed After loading, click “Add to enter the charging interface”. |
Tips:
Only when the device is added for the first time, the device and mobile phone need to be connected under the same WIFI. After the device is loaded, you only need to turn on Bluetooth to connect the device again.
APP Current Switch Step
![]() | |
| Step 1: Setting Click on the “Setting” TAB. | Step 2: Charging Current Click on Charging current to switch from 0-32A. |
Steps for APP Appointment Time
![]() | ||
| Step 1: Click Charging Mode. | Step 2: Click Delay Charging. | Step 3: Select Delay Charging time 1-12h and Confirm. |
Tips:
Hold down the current and time button at the same time to reset WiFi.
Charging Instructions on APP
![]() | ||
| Instructions 1: Swipe Right To Charge Insert the charging plug into the charging port, “Swipe right to charge”. | Instructions 2: Charging Record Users’ charging history can be viewed in the APP. | Instructions 3: Charging Completed After charging, click to turn off the power. |
WALLBOX INSTALLATION METHOD
Wall box Rendering

[A] Socket
[B] Charging Pile
[C] Fixing Cover
[D] Wall
[E) Plug
[F] Gun Holder
[G] Charging Gun
Fixing Cover Installation Drawing

[Al Wall
(B] Charging Pile
[C] 7 Wall Hole
[D]8 Expandable Rubber Stopper
[C] Fixing Cover
[F] 5 Self-tapping screw
As shown in the above figure, place the fixing cover on the wall at a proper height, mark the hole location on the wall with a pencil, and use an impact drill to drill three holes on the wall according to the hole marking, and drill three expansion rubber plugs in the three holes. Finally, place the wall hanging shell on the wall, align the fixing holes of the fixing cover with the wall holes, and fasten them with 5 tapping screws.
Gun Holder Installation Drawing

[A] 7 Wall Holes
[8]8 Expandable Rubber Stopper
[Cc] Wall
(D] Gun Holder
[E] Self-tapping screw
- As shown in the above figure, place the gun holder on the wall at a proper height, mark the hole location on the wall with a pencil, and use an impact drill to drill four 7 holes on the wall according to the hole marking, and drill four 8 expansion rubber plugs in the four holes. Finally, place the gun holder on the wall, align the fixing holes of the gun holder with the wall holes, and fasten them with 5 tapping screws.
Installation Environment Requirements
- The installation position of the charger shall not be close to dangerous locations or areas such as water, oil and gas pipelines;
- The installation position shall be convenient for charging, the wiring length shall be shortened to reduce the energy consumption of cable resistance when laying lines;
- The wall hanging parts and shall be fixed with screws. The installation wall shall be able to bear the gravity of the charger and its accessories, and shall not tilt after installation. The wall should not be too close to the internal line;
- The protection degree for indoor installation shall be at least TYPE 4, and that for outdoor installation shall be at least TYPE 4. It is recommended that the charger be installed in an environment with sunshade or umbrella; The lighting and passage at the installation site of the charger must be safe and smooth;
- Ascertain operating space shall be reserved for the installation of charger to facilitate the overhaul and maintenance of engineering personnel;
- It is recommended that the customer install a circuit breaker at the front end of the charger. The mini circuit breaker should meet local regulations.
Power Supply Requirements
The power supply mode of the portable AC charger is AC single-phase power supply, and the input electrical requirements are:
- AC Operating Voltage: Refer to page 6;
- AC Operating Frequency: Refer to page 6;
- The capacity of the power supply system shall be greater than the maximum operating power of the product;
- For the specification of power socket, please refer to Specification and Configuration Table of Switch Socket on page 8.
TROUBLESHOOTING
Troubleshooting Table
| Fault | Reasons & Solutions |
| Unable powering on | •Check the cable, make sure it connected correctly and reliable. •Check the cable, make sure it without any damage, open or loose contact problem. •Damaged, please contact service partner. |
| Not fully charged or Over time charged | •Check the charging gun, make sure it without any foreign matter inside. •Check the cable of charging gun, make sure it without any damage •Make sure the charging gun fully contacted. •Check the unlock button, make sure it locked. •Check car settings, make sure charging permitted. |
| Unable starting charge | •High temperature can cause current drop. •Check the contact-point of charging gun, make sure it was not severe wear. •Check the contact-point of car, make sure it was not severe wear. •Make sure the car without any short. •Too tong cable or low quality cable can cause this problem. •Low voltage or unstable voltage can cause this problem. |
| Fault light on | •Check the earth wire. make sure it connected well. •Check the emergency switch, make sure it turned on. •Device Failure, please service partner. |
| CP Fault | •Check the cable, make sure it without any damage, open or loose contact. •Check the CP contact-point of charging gun, make sure it was not severe wear and without any foreign matter inside. |
| Mobile phone can not found device | •Band of mobile phone and device are not match (must be connected by the same 2.4GHz WIFI) . •If device was bound to other mobile phone. the new one can not add it. If necessary. Restore Factory settings: Press current button and timer button at the same time until screen display WIFI &Blue tooth reset. White light on. |
(*) Possible fault causes (fault status LED lights up):
In principle, the fault must be cleared by pulling out the charging gun. The following reasons may lead to failure: Ground fault, electric teak age, pile ID not set. Please contact your service partner to maintain the equipment.
MAINTENANCE
Maintenance
- The following routine maintenance items are only for reference, please refer to relevant standards and operation instructions for operation;
- Sunshade and rainproof measures shall be taken for the charging pile, and it is recommended to install a canopy outdoors;
- Regularly check whether the bolts of the charging pile are fastened, whether the connecting wire is loose, and whether the connection is not firm, and check whether there is short circuit;
- Pay attention to lightning protection and ensure effective shielding and reliable grounding of the charging pile;
- When using, try to control the output voltage and current of the charging pile within the nominal range, so as to ensure that the charging pile can work with the maximum efficiency;
- When the charging pile is out of service, the charging output shall be stopped first, then the power plug shall be pulled out and the power shall be cut off, then the cable shall be wound, and the charging pile shall be put back to its original position after the temperature of the charging pile drops to normal temperature;
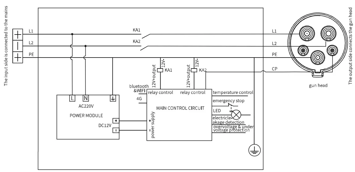
- The electrical schematic diagram of the charging pile is shown in the figure below.

Important Matters
- To ensure that you can enjoy the warranty service, please ensure that the tear-proof label on your charging pile is intact;
- The warranty period of your charging pile shall be subject to the transportation and delivery period. If it cannot be provided, it shall be subject to the ex factory date of the equipment;
- Please show the original of the unit and invoice during warranty.
MAINTENANCE
Model Number Definition

7.3.1 Code Table for Gun Wire Length
| Cable length | 3.5m | 5m | 6m | 6.5m | 7m | 7.5m |
| Code | A | B | C | D | E | F |
Code Table for Charging Method
| Charging method | Plug and play | Swipe card | Smart app charging |
| Code | A | E | F |
(*)Swipe card /smart app charging are optional function, which does’ t mean the unit you get has all the three charging methods.
Code Table for Version of AC Pile Main Board
| Mother board hardware version | Bas ice edition | Bluetooth WIFI version | Bluetooth version |
| Code | A | B | F |
MAINTENANCE
NOTICE
a. The charger must be grounded through the grounding conductor of the permanent wiring system or equipment;
b. Please avoid installing in the direct sunlight or exposure environment, and try to use the charger in a cool and ventilated place;
c. Do not install and use the charger near flammable, explosive, combustible and chemical substances or steam;
d. Before installing or cleaning the charger, the power supply must be cut off to ensure that there is no power input. Do not touch the heat source, dirt or water source on the contact surface;
e. Please use the charger within the specified working parameters;
f. Only connect electric vehicles. Do not connect other loads (electric tools, etc.). Do not use the charger for other purposes than charging or other vehicles that do not support the AC charger standard of the country where the product is located;
g. The charger must be checked regularly. If it is found to be defective, cracked, worn, damaged and inoperable, the charger shall be stopped immediately and the after-sales service telephone shall be called;
h, Do not attempt to open, disassemble, modify or transform the charger without a professional electrician. The charger is not a device that can be maintained by users. Do not remove safety symbols, warning prompts, nameplates, signs or pipeline marks;
i. If you or your car are exposed to rainstorm, lightning, heavy snow or other severe weather conditions, do not use the charger to prevent any parts from being damaged;
j. Please handle with care when transporting the charger. Do not subject it to strong external force impact, and do not drag, twist or step on the charger and cable to prevent damage to any parts. At any time, please avoid and prevent the charger from being damaged by moisture, liquid and other foreign matters. If there is water, damage or corrosion, please do not use it. Do not touch or charge the cable and charging gun head with wires, tools or other sharp hard objects;
k. If your EV is covered with a car cover or a car coat, please remove it before charging the car;
l. Users may affect or impair the function of the charger during usage if he/she wears any medical or implantable electronic device, such as cardiac defibrillators, pacemakers, etc;
m. During transportation, there should be no severe vibration, impact, exposure to sunlight, rain, or dumping of the charging pile.
FCC STATEMENTS
This device complies with part 15 of the FCC Rules. Operation is subject to the following two conditions:
(1) This device may not cause harmful interference, and;
(2) This device must accept any interference received, including interference that may cause undesired operation.
This equipment has been tested and found to comply with the limits for a Class A digital device, pursuant to part 15 of the FCC Rules. These limits are designed to provide reasonable protection against harmful interference when the equipment is operated in a commercial environment. This equipment generates, uses, and can radiate radio frequency energy and, if not installed and used in accordance with the instruction manual, may cause harmful interference to radio communications. Operation of this equipment in a residential area is likely to cause harmful interference in which case the user will be required to correct the interference at his own expense.
Zhuzhou Zooish Technology Co., Ltd.
website: http://www.zopoisetech.cn
Tel: +86-0731 2257 8388
Address: Building B, R&D Center, China Power Valley
Independent Innovation Park, High tech Zone,
Taiyuan District, Zhuzhou City, Hunan Province.






















