
APC-8 LED Power Supply
Instruction Manual
Installation Manual
Type LED Power Supply
FamiliesCEN, CLG, ELG, ELGC, ELN, FDHC, FDL, FDLC, GSC, HBG, HBGC, HLG, HLN, HLP, HSG, HVG, HVGC, IDLC(V), IDPC(V), LCM, LDC, LPC, LPF, LPFH, LPH, LPHC, LPL, LPLC, LPV, LPVL, NPF, ODLC(V), OWA, PCD, PLC, PLD, PLM, PLN, PLP, PWM, SLD, XBG, XLG, ULP
Note for LPHC-18,LPC-20,LPC-35,LPC-60,LPC-100,LPC-150/LPH-18,LPV-20,LPV-35,LPV-60, LPV-100, LPV-150/ APC,
APV,: Only for installation in devices that have a different primary use than the Lighting, examples copiers, overhead projectors, or for scale and Display lighting.”
Introduction
The LED power supply is a dedicated LED driving device that delivers a constant current/voltage or generates an adjustable current controlled by an external dimmer to LEDs. Depending on their types or design concept, some of them not only have PFC capability but also can be located in harsh environments such as dusty, humid places. Mean Well’s LED power supplies include metal cases, plastic cases, and PCB types.
Installation
- Before commencing any installation or maintenance work, please disconnect the power supply from the utility. Ensure that it cannot be re-connected inadvertently!
- Keep proper ventilation around the unit and do not stack any object on it. Also, a 10-15 cm clearance must be kept when the adjacent device is a heat source.
- Mounting orientations other than standard orientation or operating under high ambient temperature may increase the internal component temperature and will require a de-rating in output current. Please refer to the specification sheet to receive the optimum mounting position and information about the de-rating curve.
- The 4Current rating of an approved primary /secondary cable should be greater than or equal to that of the unit. Please refer to its specification.
- For LED power supplies with waterproof connectors, verify that the linkage between the unit and the lighting fixture is tight so that water cannot intrude into the system.
- For dimmable LED power supplies, make sure that your dimming controller is capable of driving these units. For those with “3 in 1” dimming or “2 in 1” dimming function, e.g. HLG or IDLC series, the output constant current level can be adjusted by applying one of the three methodologies between DIM+ and DIM-: 0/1 ~ 10VDC, 10V PWM signal or resistance. Please refer to the DIMMING OPERATION Section of the individual model specification sheet from https://www.meanwell.com/productSeries.aspx# for details.
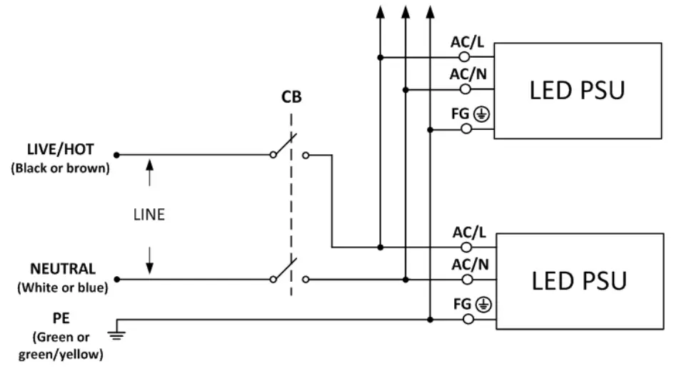
Note that the dimmable LED power supply series HLG-40H~320H, HLG-600H, HLG-60H~320H-C, HVG(C)-65~320, HVG-480, ELG, ELG-75~240-C, HBG, HBG-60P~240P, LPF(H), NPF, PWM, LCM HLP, HLN, IDLC(V), ODLC(V), IDPC(V), LDC dimming circuit is not isolated from the secondary output. - Wiring: The wire color will vary by country, please refer to the table below.
| Live and ACL | North America | European Harmonized |
| Neutral and ACN | Black | Brown |
| PE and FG (Class I only) | white | Blue |
| Green | Green/yellow |
Connect the FG wire (green or green/yellow) of the LED power supply to PE (green or green/yellow), this step can be skipped when the unit is marked class II, ungrounded.
Connect the ACL wire (black or brown) of the LED power supply to Live (black or brown).
Connect the ACN wire (white or blue) of the LED power supply to Neutral (white or blue).
8. The maximum number of the LED PSUs that can be connected to a circuit breaker at 230V is shown as below.
| Model | B10 | B16 | C10 | C16 | D10 | D16 |
| APC-8 | 11 | 17 | 18 | 29 | 37 | 59 |
| APC-12 | 11 | 17 | 18 | 29 | 37 | 59 |
| APC-16 | 8 | 13 | 14 | 23 | 28 | 46 |
| APC-25 | 5 | 9 | 9 | 15 | 18 | 30 |
| APC-35 | 3 | 5 | 6 | 9 | 12 | 19 |
| APC-8E | 11 | 17 | 18 | 29 | 37 | 59 |
| APC-12E | 11 | 17 | 18 | 29 | 37 | 59 |
| APC-16E | 8 | 13 | 14 | 23 | 26 | 42 |
| APV-8 | 11 | 17 | 18 | 29 | 37 | 59 |
| APV-12 | 11 | 17 | 18 | 29 | 37 | 59 |
| APV-16 | 8 | 13 | 14 | 22 | 28 | 44 |
| APV-25 | 5 | 9 | 9 | 15 | 18 | 30 |
| APV-35 | 4 | 6 | 6 | 10 | 13 | 21 |
| APV-8E | 11 | 17 | 18 | 29 | 37 | 59 |
| APV-12E | 11 | 17 | 18 | 29 | 37 | 59 |
| APV-16E | 8 | 13 | 14 | 22 | 28 | 44 |
| CEN-60 | 20 | 32 | 20 | 32 | 20 | 32 |
| CEN-75 | 16 | 25 | 16 | 25 | 16 | 25 |
| CEN-100 | 11 | 19 | 11 | 19 | 11 | 19 |
| CLG-60 | 20 | 32 | 20 | 32 | 20 | 32 |
| CLG-100 | 1 | 3 | 3 | 5 | 6 | 10 |
| CLG-150 | 1 | 3 | 3 | 5 | 6 | 10 |
| ELG-75 | 4 | 7 | 7 | 11 | 14 | 23 |
| ELG-100 | 2 | 3 | 4 | 6 | 8 | 12 |
| ELG-150 | 2 | 3 | 3 | 5 | 6 | 11 |
| ELG-200 | 2 | 4 | 4 | 6 | 6 | 10 |
| ELG-240 | 2 | 4 | 4 | 6 | 5 | 8 |
| ELG-300 | 1 | 2 | 2 | 4 | 5 | 8 |
| ELG-75-C | 4 | 7 | 7 | 11 | 14 | 23 |
| ELG-100-C | 2 | 3 | 4 | 6 | 8 | 12 |
| ELG-150-C | 2 | 3 | 4 | 6 | 8 | 13 |
| ELG-200-C | 1 | 2 | 2 | 4 | 5 | 9 |
| ELG-240-C | 2 | 3 | 4 | 6 | 5 | 8 |
| ELGC-300 | 1 | 2 | 2 | 4 | 5 | 8 |
| ELN-30 | 3 | 4 | 5 | 8 | 10 | 16 |
| ELN-60 | 2 | 3 | 3 | 5 | 7 | 11 |
| FDHC-100 | 6 | 9 | 9 | 16 | 11 | 18 |
| FDL-65 | 6 | 9 | 10 | 16 | 16 | 26 |
| FDLC-80 | 6 | 10 | 10 | 17 | 16 | 25 |
| FDLC-100 | 6 | 9 | 9 | 16 | 11 | 18 |
| GSC18 | 26 | 42 | 26 | 42 | 26 | 42 |
| GSC25 | 26 | 42 | 26 | 42 | 26 | 42 |
| GSC40 | 22 | 36 | 22 | 36 | 22 | 36 |
| HBG-60 | 18 | 28 | 20 | 32 | 20 | 32 |
| HBG-100 | 3 | 4 | 5 | 8 | 10 | 16 |
| HBG-160 | 2 | 4 | 4 | 7 | 9 | 15 |
| HBG-240 | 1 | 2 | 2 | 3 | 4 | 7 |
| HBG-60-P | 18 | 28 | 20 | 32 | 20 | 32 |
| HBG-100P | 3 | 4 | 5 | 8 | 10 | 16 |
| HBG-160P | 2 | 4 | 4 | 7 | 9 | 15 |
| HBG-240P | 1 | 2 | 2 | 3 | 4 | 7 |
| HBGC-300 | 1 | 2 | 2 | 4 | 5 | 8 |
| HLG-40H | 7 | 12 | 13 | 20 | 26 | 41 |
| HLG-60H | 6 | 9 | 10 | 16 | 20 | 32 |
| HLG-80H | 2 | 3 | 3 | 6 | 7 | 12 |
| HLG-100H | 3 | 4 | 5 | 8 | 10 | 16 |
| HLG-120H | 3 | 5 | 5 | 9 | 10 | 17 |
| HLG-150H | 2 | 4 | 4 | 7 | 8 | 13 |
| HLG-185H | 2 | 4 | 4 | 7 | 8 | 13 |
| HLG-240H | 1 | 2 | 3 | 4 | 5 | 8 |
| HLG-320H | 1 | 1 | 1 | 2 | 3 | 5 |
| HLG-480H | 0 | 1 | 1 | 2 | 3 | 5 |
| HLG-600H | 1 | 1 | 1 | 2 | 2 | 3 |
| HLG-60H-C | 5 | 8 | 8 | 13 | 16 | 26 |
| HLG-80H-C | 3 | 4 | 5 | 8 | 10 | 16 |
| HLG-120H-C | 2 | 4 | 4 | 6 | 8 | 13 |
| HLG-185H-C | 2 | 4 | 4 | 7 | 8 | 13 |
| HLG-240H-C | 1 | 2 | 2 | 3 | 4 | 7 |
| HLG-320H-C | 0 | 1 | 1 | 2 | 3 | 5 |
| HLG-480H-C | 0 | 1 | 1 | 2 | 3 | 5 |
| HLN-40H | 7 | 12 | 13 | 20 | 26 | 41 |
| HLN-60H | 6 | 9 | 10 | 16 | 20 | 32 |
| HLN-80H | 2 | 3 | 3 | 6 | 7 | 12 |
| HLP-40H | 7 | 12 | 13 | 20 | 26 | 41 |
| HLP-60H | 6 | 9 | 10 | 16 | 20 | 32 |
| HLP-80H | 2 | 3 | 3 | 5 | 6 | 10 |
| HSG-70 | 4 | 6 | 7 | 11 | 14 | 22 |
| HVG-65 (480V) | 7 | 12 | 12 | 20 | 25 | 40 |
| HVG-100 (480V) | 3 | 5 | 5 | 8 | 10 | 17 |
| HVG-150 (480V) | 2 | 4 | 4 | 6 | 8 | 13 |
| HVG-240 (480V) | 2 | 4 | 4 | 7 | 9 | 15 |
| HVG-320 (480V) | 1 | 2 | 2 | 4 | 5 | 8 |
| HVGC-65 (480V) | 7 | 12 | 12 | 20 | 25 | 40 |
| HVGC-100 (480V) | 3 | 5 | 5 | 8 | 10 | 17 |
| HVGC-150 (480V) | 2 | 4 | 4 | 6 | 8 | 13 |
| HVGC-240 (480V) | 2 | 4 | 4 | 7 | 9 | 15 |
| HVGC-320 (480V) | 1 | 2 | 2 | 4 | 5 | 8 |
| HVGC-650 (480V) | 1 | 2 | 2 | 4 | 5 | 8 |
| HVGC-1000 (480V) | 1 | 1 | 1 | 3 | 3 | 5 |
| IDLC-25(V) | 27 | 43 | 45 | 72 | 50 | 80 |
| IDLC-45(V) | 20 | 32 | 20 | 32 | 20 | 32 |
| IDLC-65(V) | 20 | 32 | 20 | 32 | 20 | 32 |
| IDPC-25(V) | 27 | 43 | 45 | 72 | 50 | 80 |
| IDPC-45(V) | 20 | 32 | 20 | 32 | 20 | 32 |
| IDPC-65(V) | 20 | 32 | 20 | 32 | 20 | 32 |
| LCM-25 | 16 | 26 | 27 | 44 | 50 | 80 |
| LCM-40 | 16 | 26 | 27 | 44 | 29 | 47 |
| LCM-60 | 15 | 25 | 20 | 32 | 20 | 32 |
| LCM-25DA | 16 | 26 | 27 | 44 | 50 | 80 |
| LCM-40DA | 16 | 26 | 27 | 44 | 29 | 47 |
| LCM-60DA | 15 | 25 | 20 | 32 | 20 | 32 |
| LCM-40U (115V) | 18 | 29 | 18 | 29 | 18 | 29 |
| LCM-60U (115V) | 12 | 19 | 12 | 19 | 12 | 19 |
| LCM-40UDA (115V) | 18 | 29 | 18 | 29 | 18 | 29 |
| LCM-60UDA (115V) | 12 | 19 | 12 | 19 | 12 | 19 |
| LDC-35 | 11 | 17 | 18 | 29 | 36 | 58 |
| LDC-55 | 11 | 17 | 18 | 29 | 36 | 58 |
| LDC-80 | 4 | 6 | 7 | 11 | 14 | 23 |
| LPC-20 | 5 | 8 | 9 | 14 | 18 | 29 |
| LPC-35 | 2 | 4 | 4 | 7 | 9 | 15 |
| LPC-60 | 2 | 3 | 3 | 6 | 7 | 12 |
| LPC-100 | 1 | 1 | 1 | 2 | 3 | 5 |
| LPC-150 | 2 | 3 | 4 | 6 | 5 | 8 |
| LPF-16 | 9 | 14 | 15 | 24 | 30 | 48 |
| LPF-25 | 8 | 12 | 13 | 21 | 27 | 43 |
| LPF-40 | 7 | 12 | 13 | 20 | 26 | 41 |
| LPF-60 | 5 | 8 | 9 | 14 | 18 | 29 |
| LPF-90 | 2 | 4 | 4 | 6 | 8 | 13 |
| LPF-16D | 9 | 14 | 15 | 24 | 30 | 48 |
| LPF-25D | 8 | 12 | 13 | 21 | 27 | 43 |
| LPF-40D | 7 | 12 | 13 | 20 | 26 | 41 |
| LPF-60D | 5 | 8 | 9 | 14 | 18 | 29 |
| LPF-90D | 2 | 4 | 4 | 6 | 8 | 13 |
| LPFH-60 (347V) | 3 | 5 | 5 | 9 | 11 | 18 |
| LPFH-60D (347V) | 3 | 5 | 5 | 9 | 11 | 18 |
| LPH-18 | 10 | 17 | 18 | 28 | 36 | 57 |
| LPHC-18 | 8 | 13 | 14 | 22 | 28 | 44 |
| LPL-18 (115V) | 10 | 16 | 16 | 27 | 20 | 32 |
| LPLC-18 (115V) | 7 | 12 | 12 | 20 | 20 | 32 |
| LPV-20 | 5 | 8 | 9 | 14 | 18 | 29 |
| LPV-35 | 2 | 4 | 4 | 7 | 9 | 14 |
| LPV-60 | 2 | 3 | 4 | 6 | 8 | 12 |
| LPV-100 | 1 | 2 | 2 | 3 | 4 | 7 |
| LPV-150 | 1 | 2 | 2 | 3 | 4 | 7 |
| LPVL-150 (115V) | 1 | 1 | 1 | 2 | 2 | 4 |
| NPF-40 | 6 | 9 | 10 | 16 | 20 | 32 |
| NPF-60 | 6 | 9 | 10 | 16 | 20 | 32 |
| NPF-90 | 2 | 3 | 3 | 6 | 7 | 12 |
| NPF-120 | 2 | 4 | 4 | 6 | 8 | 13 |
| NPF-40D | 6 | 9 | 10 | 16 | 20 | 32 |
| NPF-60D | 6 | 9 | 10 | 16 | 20 | 32 |
| NPF-90D | 2 | 3 | 3 | 6 | 7 | 12 |
| NPF-120D | 2 | 4 | 4 | 6 | 8 | 13 |
| NPF-200 | 2 | 3 | 3 | 5 | 6 | 11 |
| ODLC-45(V) | 20 | 32 | 20 | 32 | 20 | 32 |
| ODLC-65(V) | 20 | 32 | 20 | 32 | 20 | 32 |
| OWA-60E | 1 | 2 | 2 | 4 | 5 | 8 |
| OWA-90E | 2 | 3 | 3 | 6 | 7 | 12 |
| OWA-120E | 2 | 4 | 4 | 6 | 8 | 13 |
| OWA-200E | 2 | 3 | 3 | 5 | 6 | 11 |
| OWA-60U | 1 | 2 | 2 | 4 | 5 | 8 |
| OWA-90U | 2 | 3 | 3 | 6 | 7 | 12 |
| OWA-120U | 2 | 4 | 4 | 6 | 8 | 13 |
| OWA-200U | 2 | 3 | 3 | 5 | 6 | 11 |
| PCD-16A (115V) | 36 | 58 | 36 | 58 | 36 | 58 |
| PCD-16B | 80 | 128 | 80 | 128 | 80 | 128 |
| PCD-25A (115V) | 23 | 37 | 23 | 37 | 23 | 37 |
| PCD-25B | 50 | 80 | 50 | 80 | 50 | 80 |
| PCD-40B | 29 | 47 | 29 | 47 | 29 | 47 |
| PCD-60B | 20 | 32 | 20 | 32 | 20 | 32 |
| PLC-30 | 40 | 64 | 40 | 64 | 40 | 64 |
| PLC-45 | 26 | 42 | 26 | 42 | 26 | 42 |
| PLC-60 | 20 | 32 | 20 | 32 | 20 | 32 |
| PLC-100 | 1 | 3 | 3 | 5 | 6 | 10 |
| PLD-16A (115V) | 36 | 58 | 36 | 58 | 36 | 58 |
| PLD-16B | 80 | 128 | 80 | 128 | 80 | 128 |
| PLD-25 | 45 | 72 | 50 | 80 | 50 | 80 |
| PLD-40B | 29 | 47 | 29 | 47 | 29 | 47 |
| PLD-60B | 20 | 32 | 20 | 32 | 20 | 32 |
| PLM-12 | 100 | 160 | 100 | 160 | 100 | 160 |
| PLM-25 | 50 | 80 | 50 | 80 | 50 | 80 |
| PLM-40 | 29 | 47 | 29 | 47 | 29 | 47 |
| PLN-20 | 61 | 98 | 61 | 98 | 61 | 98 |
| PLN-30 | 40 | 64 | 40 | 64 | 40 | 64 |
| PLN-45 | 26 | 42 | 26 | 42 | 26 | 42 |
| PLN-60 | 20 | 32 | 20 | 32 | 20 | 32 |
| PLN-100 | 1 | 3 | 3 | 5 | 6 | 10 |
| PLP-20 | 57 | 92 | 61 | 98 | 61 | 98 |
| PLP-30 | 40 | 64 | 40 | 64 | 40 | 64 |
| PLP-45 | 26 | 42 | 26 | 42 | 26 | 42 |
| PLP-60 | 20 | 32 | 20 | 32 | 20 | 32 |
| PWM-40 | 6 | 9 | 10 | 16 | 20 | 32 |
| PWM-60 | 6 | 9 | 10 | 16 | 20 | 32 |
| PWM-90 | 2 | 3 | 3 | 6 | 7 | 12 |
| PWM-120 | 2 | 4 | 4 | 6 | 8 | 13 |
| PWM-200 | 2 | 3 | 3 | 5 | 6 | 11 |
| SLD-50 | 5 | 8 | 9 | 16 | 18 | 28 |
| SLD-80 | 5 | 8 | 9 | 16 | 18 | 28 |
| XBG-100 | 4 | 6 | 6 | 11 | 13 | 32 |
| XBG-160 | 2 | 4 | 4 | 7 | 8 | 13 |
| XBG-240 | 1 | 3 | 3 | 5 | 6 | 9 |
| XLG-25 | 3 | 5 | 5 | 8 | 11 | 17 |
| XLG-50 | 3 | 5 | 5 | 8 | 11 | 17 |
| XLG-75 | 3 | 9 | 5 | 14 | 10 | 16 |
| XLG-100 | 5 | 8 | 8 | 14 | 17 | 27 |
| XLG-150 | 3 | 4 | 5 | 8 | 8 | 12 |
| XLG-200 | 2 | 3 | 3 | 6 | 7 | 11 |
| XLG-240 | 1 | 2 | 2 | 4 | 5 | 9 |
| ULP-150 | 2 | 4 | 4 | 6 | 8 | 13 |
Note: These calculated values are based on the MCB S200 series manufactured by ABB except for the HVG/HVGC series, which are calculated by using the MCB S260 series of the same manufacturer.
9. Please confirm whether the installation wall or structural strength of the lamps is sufficient, and needs to be hung with safety cables for bay light application.
10. Device is a component power supply, proper insulation/isolation around interconnections should be provided at the system level. The single insulated wire should be coved by the system enclosure for safety concerns.
11. For other information about the products, please refer to www.meanwell.com for details.
Warning / Caution !!
- Risk of electrical shock and energy hazard. All failures should be examined by a qualified technician. Please do not remove the case of the power supply by yourself!
- Risk of irreparable damage. LED power supplies with IP64 to IP66 rating or IP67 rating with ADJ. the function must be located indoors or in a location where these units can be sheltered from the rain if outdoors. All products cannot be in the water.
- Please do not install LED power supplies in places with high ambient temperature or close to fire sources. Please refer to the specifications about the maximum ambient temperature limitations.
- Output current and output wattage must not exceed the rated values on the specifications.
- The FG (
) must be well connected to PE(protective earth) if the unit equips with it. - All MW’s PSUs are designed in accordance with EMC regulations and the related test reports are available by request. Since they belong to component power supplies and will be installed inside the system enclosure, when they are integrated into a system, the EMC characteristics of the end system must be re-verified again.
- If the external flexible cable or cord of this switching power supply is damaged, it shall be exclusively replaced by the manufacturer or his service agent or a similarly qualified person in order to avoid a hazard.
- This device complies with Part 15 of the FCC Rules. Operation is subject to the following two conditions:
(a) This device may not cause harmful interference, and
(b) this device must accept any interference received, including interference that may cause undesired operation. - Please install the LPF series with a fireproof enclosure of V1 or higher to connect peripheral equipment for BSMI certification.
- Recommend torque of assembly screw for APC/APV/PCD/PLD series: 3.2~4.8kgf-cm.
- The LED power supply needs to be disposed of together with lighting equipment after the end of its life.
Installation Manual
Manufacturer
MEAN WELL ENTERPRISES Co., LTD.
No.28, Wuquan 3rd Rd., Wugu Dist.,
New Taipei City 24891, Taiwan
Tel: +886-2-2299-6100
Web: www.meanwell.com
Branch Office
China MEAN WELL (GUANGZHOU) ENTERPRISES Co., LTD.
2F, A Building, Yuan industry Park,
Huangcun, Dongpu Town, Tianhe District, Guangzhou, China Post
Code:510660 Tel: +86-20-2887-1200
Web: www.meanwell.com.cn
China
MEAN WELL (GUANGZHOU) ENTERPRISES Co., LTD.
No.11, Jingu South Road, Huadong Town, Huadu District, Guangzhou, Guangzhou, China
Tel: +86-20-3773-7100
Web: www.meanwell.com.cn
China
SUZHOU MEAN WELL TECHNOLOGY Co., LTD.
No.77, Jian-Ming Rd. Dong-Qiao, Pan-Yang lnd. Park, Huang-Dai Town, Xiang-Cheng District, Suzhou, Jiang-Su, China
Post Code:215152
Tel: +86-512-6508-8600
Web: www.meanwell.cc
The U.S.A.
MEAN WELL USA, INC. 44030 Fremont Blvd., Fremont, CA 94538, U.S.A.
Tel: +1-510-683-8886
Web: www.meanwellusa.com
Europe
MEAN WELL EUROPE B.V. Langs de Werf 8, 1185XT Amstelveen,
The Netherlands
Tel: +31-20-758-6000
Web: www.meanwell.eu
Declaration of China RoHS Conformity
In order to reduce the impacts on the environment and take more responsibility for protecting the earth, MEAN WELL is confirming and announcing the conformity to China RoHS, and Administrative Measures for the Restriction of the Use of Hazardous Substances in Electrical and Electronic Products.
Environment-Friendly Use Period Label
Observing SJT 11364-2014, Marking for the Restricted Use of Hazardous Substances in Electronic and Electrical Products
Observing SJ/Z 11388-2009, General Guidelines of Environment-friendly Use Period of Electronic Information Products Appendix B, adopting table look-up to verify the Environment-Friendly Use Period
Names and Contents of Hazardous Substances Lists
| Part Name | Hazardous Substances | |||||
| Lead (Pb) | Mercury (Hg) | Cadmium (Cd) | Hexavalent chromium (Cre+) | Polybrominated biphenyls (PBB) | Polybrominated diphenyl ethers (PBDE) | |
| PCB and its components | X | 0 | X | 0 | 0 | 0 |
| Metal structure parts | X | 0 | 0 | 0 | 0 | 0 |
| Plastic structure parts | 0 | 0 | 0 | 0 | 0 | 0 |
| Accessories | 0 | 0 | 0 | 0 | 0 | 0 |
| Cables | X | 0 | 0 | 0 | 0 | 0 |
| 0: The concentration of the hazardous substances within the homogeneous material of that product is less than the concentration limits set by GB/T 26572-2011. X: The concentration of the hazardous substances within the homogeneous material of that product is over the concentration limits set by GB/T 26572-2011; however, it follows the standard advised by 2011/65/EU. | ||||||
Declaration of China VOC Conformity
In order to reduce the impacts on the environment and take more responsibility for protecting the earth, MEAN WELL is confirming and announcing the conformity to China’s Standardization Administration Releases VOC Standards
| Standard No. | Name of the Standard |
| GB 30981-2020 | Limit of harmful substances of industrial protective coatings |
| GB 33372-2020 | Limits for volatile organic compounds content in adhesive |
| GB 38507-2020 | Limits for volatile organic compounds (VOCs) In printing ink |
| GB 38508-2020 | Limits for volatile organic compounds content in cleaning agents |
Declaration of Five PBT TSCA Conformity
In order to reduce the impacts on the environment and take more responsibility for protecting the earth, MEAN WELL hereby confirms that the MEAN WELL product series comply with Use and Risk Management for Five PBT Chemicals under TSCA section 6(h)
| CAS No. | Substance Name |
| 1163-19-5 | Decabromodiphenyl ether (DecaBDE) |
| 68937-41-7 | Phenol, isopropylated, phosphate (3:1) PIP (3:1) |
| 732-26-3 | 2,4,6-Tris (tert-butyl) phenol (2,4,6-TTBP) |
| 133-49-3 | Pentachlorothiophenol (PCTP) |
| 87-68-3 | Hexachlorobutadiene (HCBD) |

MEAN WELL ENTERPRISES CO., LTD.
No.28, Wuquan 3rd Rd., Wugu Dist., New Taipei City 24891, Taiwan (R.O.C.)
Tel:+ 886-2-2299-6100
Fax: + 886-2-2299-6200
E-mail: [email protected]
http://www.meanwell.com
ISO-9001 CERTIFIED
Your Reliable Power Partner

















