Stewart FILMSCREEN QW-757 757 Virtual Cockpit Installation Guide
- 0 PURPOSE:
To Safely and correctly Install IMC Low Voltage Screen Control - 0 Scope: This procedure applies to understanding the IMC.
- 0 Definitions: 120 VDC – 120 Volts Direct Current
- 0 Reference Documents, Disclaimer:
Attention: All electrical connections must conform to local and NEC codes. Stewart Filmscreen cannot be held liable for faulty or sub-standard wiring. - 0 Procedures:
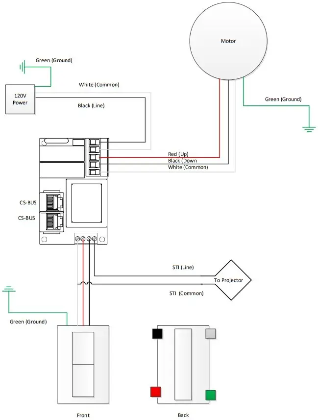
The IMC is a low voltage screen control that allows for switching conductors to be run in Class II (small wire, exposed, no conduit) and will interface with outboard video switching systems. The IMC has the capability of being operated through a wall switch, infrared remote, internet protocol (IP) control system, and a screen trigger through a projector. For a detailed look at what the IMC has on board, please see page 2. The IMC has the capability of being operated through a wall switch, infrared remote, remote, internet protocol (IP) control system (requires optional e-Node), Serial RS 232, (requires optional IBT-100) and a screen trigger through a projector.
The IMC comes prewired from the factory to the motor and to the power cable. For your reference, in the case of servicing, we broke down the pin layout for the high voltage side of the connections Always have a qualified electrician handle high voltage connections
| AC load side | IMC 100 | Motor Power Connections |
| BLACK | Pin 1 | AC Line + |
| WHITE | Pin 2 | AC Neutral |
| NC | Pin 3 | Motor BLACK Line |
| NC | Pin 4 | Motor Neutral |
| GREEN | Pin 5 | Connect Ground to “Grounding” lug on IMC housing. Also connect ground wire from motor housing to same lug |


| LVC Contacts | IMC 100 | COMMANDS |
| COMMON | Pin 1 | COMMON |
| CHANNEL 1 INPUT | Pin 2 | UP |
| CHANNEL 2 INPUT | Pin 3 | DOWN |
| SCREEN TRIGGER INPUT | Pin 4 | TRIGGER 3-15 VDC w/ COMMON |
IMC Wiring Diagram

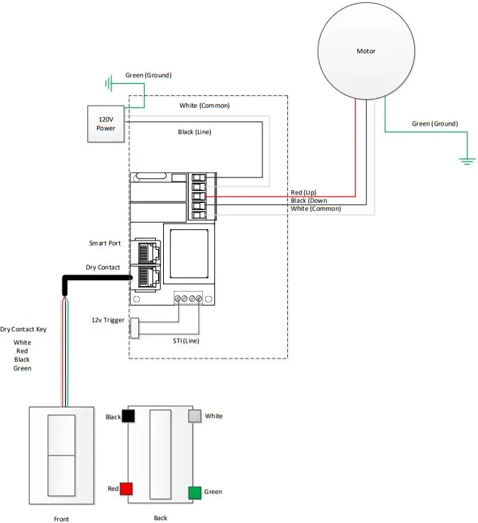
IMC Luxus G2 Wiring Diagram

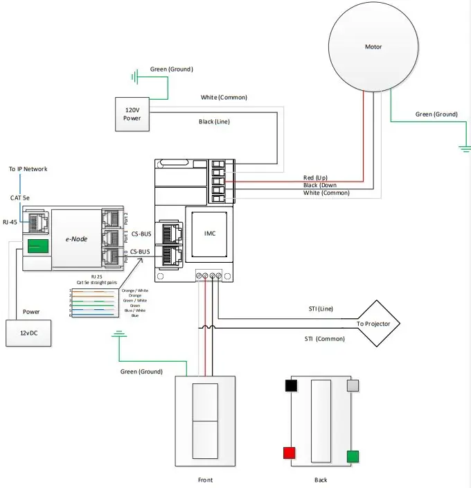
IMC with e-Node


















