Stewart FILMSCREEN VICS-120 VAC Video Interface Control System Owner’s Manual
The Stewart Filmscreen VICS was developed as an aftermarket version of th factory installed Screen Trigger Interface, STI. It works in exactly the same manner as the STI, except it is installed in an outboard fashion (black box). When operational, a 5 to 12-volt DC applied current to the VICS will signal the screen or panels to deploy. (Use the optional supplied wall transformer if a 5 to 12-volt signal is not available.) When the trigger signal is terminated, the screen or panels will retract.
A.Connecting & Operating the VICS with screen or panel motor and projector
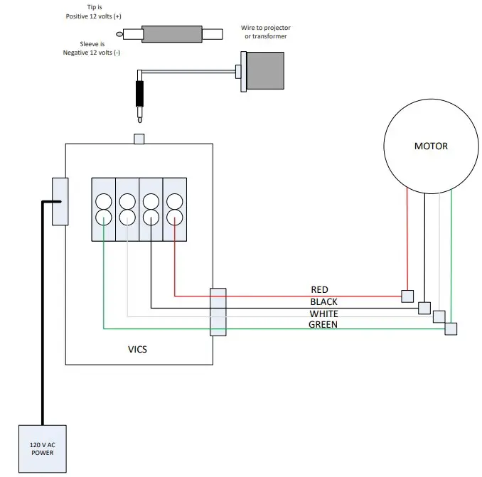
- Connect the motor leads to the terminal block per color code. (See wiring diagram below.) A 4 conductor 18 ga. (minimum) Romex cable or electrical service cord (SJO) is advised for this connection. Use the supplied wire nuts for connecting the motor leads to this cable.
- Connect a 2 conductor (Approx. 22 ga.) wire from the 5 to12-volt DC trigger output of your projector. Use the supplied 3.5-mm phono plugs to terminate the ends of this wire. The tip of the plug is positive.
- Next, plug in the main AC power cord to a standard 120 VAC (constant) outlet.
- The VICS is now ready for use. The LED will indicate when the 5 to volts are present and the roller will deploy. The LED will stay on after the roller stops at its down setting. When the 12-volt signal is terminated, the LED will go out and the roller will retract. If masking panels are operating (closing) without a trigger signal, simply reverse the direction leads (black & red) at the terminal block.
- Always make all wiring connections before the main AC power cord is plugged into the AC outlet . The motor’s power leads must be connected at the terminal block and the trigger wire connected at the VICS and source.
- Never unplug the trigger input wire while the VICS is plugged into an AC outlet.
- Never unplug the trigger input wire while the motor is in motion.
- Do Not insert the trigger plug into the VICS trigger jack when the VICS is connected to an AC outlet. Also, Do Not insert this plug into the VICS if the motor is operating.
- Always allow the motor to fully stop at its preset limit before reversing the trigger signal. Projection screen motors should not have their directions reversed while they are in motion
VICS Wiring Diagram

NOTE: If using a transformer, switch the secondary or Output of the transformer NOT the 120V Input of the transformer.
Optional 12 VOLT DC Transformer can be used to operate the screen by connecting it to a switch or a AC outlet.
DUAL VIDEO INTERFACE CONTROL SYSTEM
The Stewart Film screen Dual VICS control system utilizes two trigger boxes. The trigger input signal is then distributed (shared) to both boxes. This is done by running a parallel connection to the second box. When operational, a 5 to 12-volt DC applied current simultaneously to both VICS units will signal both masking panels to lower. When the trigger signal is terminated, the masking panels will retract.
B. Connecting the Audience Left VICS to the screen masking panel motor and projector.
- Connect the motor leads to the terminal block per color code. (See wiring diagram below.) A 4 conductor 18 ga. (minimum) romex cable or electrical service cord is advised for this connection. Use the supplied wire nuts for connecting the motor leads to an extension cable if needed. When connecting the second Audience Right unit, connect Black to Black and Red to Red.
- Connect a 2 conductor (Approx. 22 ga.) wire from the 5 to12-volt DC trigger output of your projector to the inputs of the VICS. Use the supplied 3.5-mm phono plugs to finish off the ends of this wire. The tip of the plug
is positive. - Next, plug in the main AC power cords to standard 110 VAC (constant) outlets
- The VICS boxes are now ready for use. The LED’s will indicate when the trigger signals are present and the panels will deploy. The LED’s will stay on after the roller stops at its down setting. When the 12-volt signal is terminated, the LED’s will go out and the masking panel roller will retract. When using the supplied wall transformer, there will be a slight delay before the panels retract.
Color Code Connections
(Audience Left)
| Motor | Terminal |
| Green | Green |
| White | White |
| Red | Black |
| Black | Black |
Dual VICS Wiring Diagram




















