
Art. 5590/303
VIDEO-INTERCOM SYSTEM WITH THREE ENTRANCE PANELS,
TWO OF WHICH ONLY AUDIO, WITH AUTOMATIC SWITCHING.
INSTALLATION AND OPERATION MANUAL

Product is according to EC Directive 2004/108/CE, 2006/95/CE and following norms. ![]()
GENERAL CHARACTERISTICS
Automatic switching module for 3 entrance panels; one video only, switching off audio, video and lock functions.
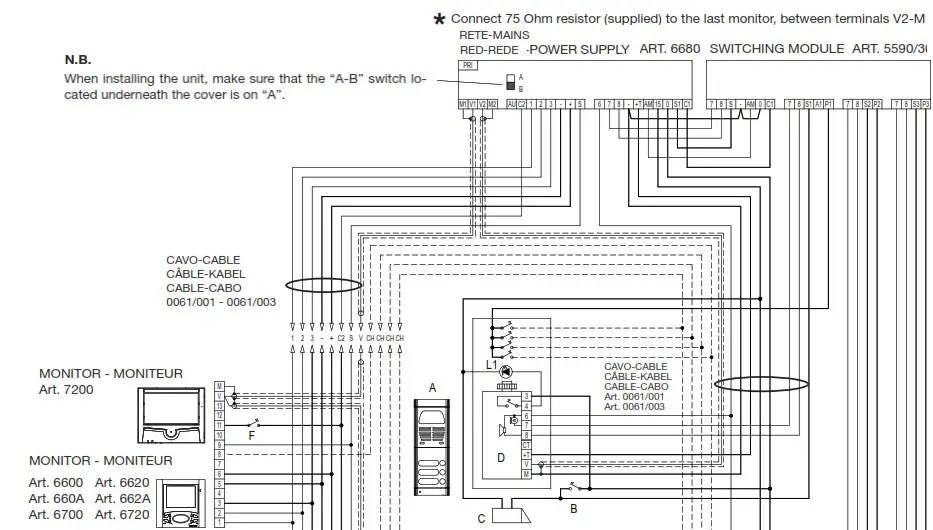
For use with power supply Art. 6580-81 with 15V~ calling (layout vc2193-1) or with power supply Art. 6680 with “SOUND SYSTEM” electronic calling (layout vc3032).
8-DIN module housing in grey ABS Plastic. These switching modules are provided with protective covers for removable terminal blocks; they may be mounted on DIN support or with expanding plugs with screws.
DIMENSIONS WITH COVERS INSERTED: 140X115X65
OPERATING PRINCIPLE
When a call is made from outside, video, audio and lock release functions of calling camera entrance panel are automatically inserted and operation of the other camera entrance panels is thus excluded.
Latest call has priority over previous ones.
NOTE: When the call comes from the only audio speech unit, the monitors are off.
Note: For the other versions of connections, see instructions enclosed with power supply Art. 6580-6581-6680




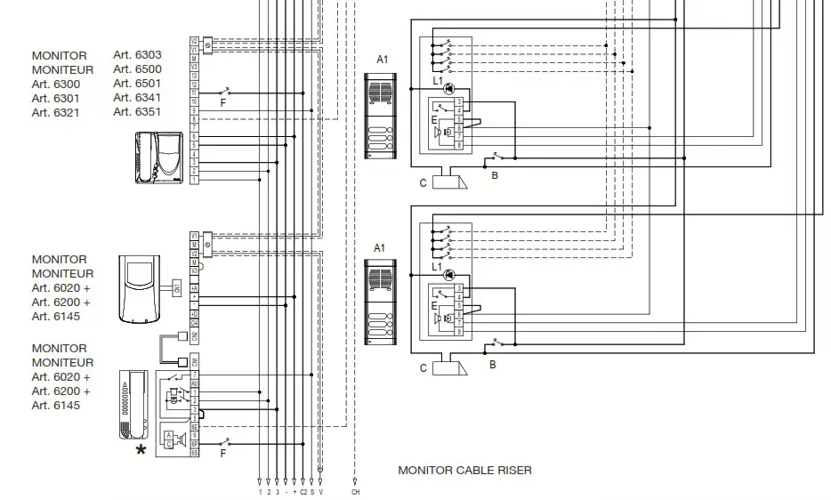
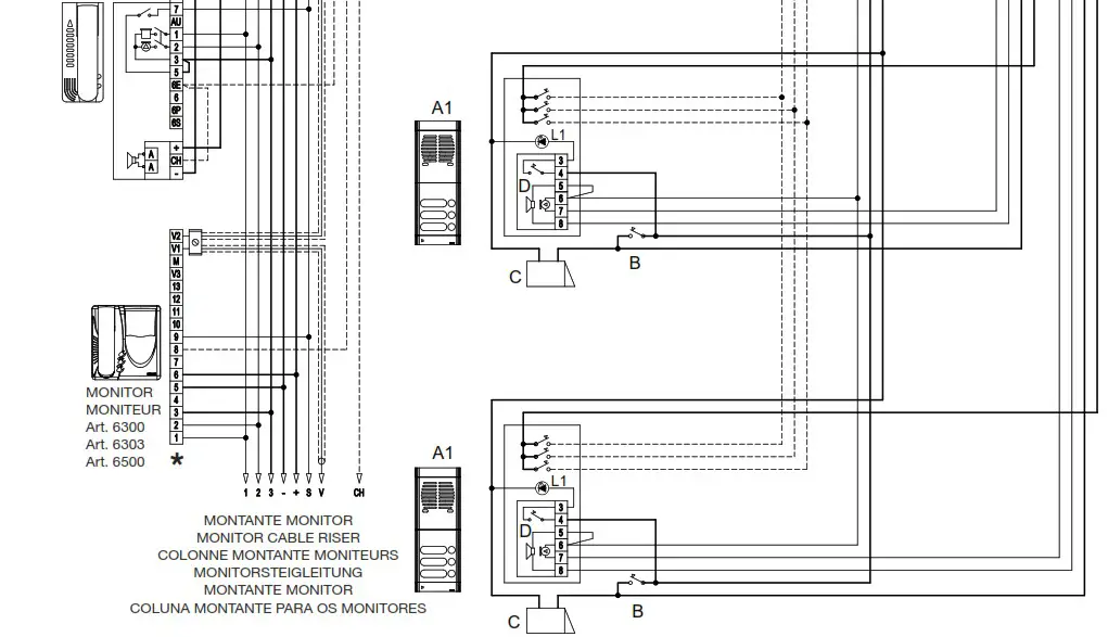
A1- ENTRANCE PANEL
A- TARGA PER VI DE O CI TO FO NO
B- PULSANTE SUPPLEMENTARE SERRATURA
C- SERRATURA ELETTRICA 12V~
D – POSTO ESTERNO
ART. 0930/000.04
E- CAMERA
L1- LED MODULE FOR ENTRANCE PANEL
(10 MODULI-MODULE-MODUL-MÓDULES LED MAX.)
30 MODULE CON ART. M832
40 MODULE LED CON ART. 832/030
| CAMERA ENTRANCE PANEL | CAMERA |
| Serie 8000 Serie 3300 Serie PATAVIUM Art. 2550/301-302 Serie 8100 Serie 1200 Serie 1300 | 0558-0559-(0570+0930/000.04) (570+930)-559C 0558-0559-559C 0558-0559-559C (0570+0930)-(0571+0930) (0570C+0930/000.04) 559A, 559B 559A, 559B 559A, 559B |
![]()
A1- ENTRANCE PANEL
A- TARGA PER VIDEOCITOFONO
B- PULSANTE SUPPLEMENTARE SERRATURA
C- ELECTRIC LOCK 12V~
D – OUTDOOR UNIT ART. 0930/000.04
E- CAMERA
L1- LED MODULE FOR ENTRANCE PANEL
(10 MODULE LED MAX.)
30 MODULE-LED CON ART. M832
40 MODULE-LED CON ART. 832/030
| CAMERA ENTRANCE PANEL | CAMERA |
| Serie 8000 Serie 3300 Serie PATAVIUM Art. 2550/301-302 Serie 8100 Serie 1200 Serie 1300 | 0558-0559-(0570+0930/000.04) (570+930)-559C 0558-0559-559C 0558-0559-559C (0570+0930)-(0571+0930) (0570C+0930/000.04) 559A, 559B 559A, 559B 559A, 559B |
![]()
N. vc2193
WIRING DIAGRAM FOR VIDEO-INTERCOM SYSTEM WITH THREE ENTRANCE PANEL; ONE VIDEO ONLY, WITH AUTOMATIC SWITCHING MODULE ART. 5590/303, MONITOR WITH “SOUND SYSTEM” CALL AND POWER SUPPLY ART. 6680.
SAFETY INSTRUCTIONS FOR INSTALLERS
- Carefully read the instructions on this leaflet: they give important information on the safety, use and maintenance of the installation.
- After removing the packing, check the integrity of the set. Packing components (plastic bags, expanded polystyrene etc.) are dangerous for children. Installation must be carried out according to national safety regulations.
- It is convenient to fit close to the supply voltage source a proper bipolar type switch with 3 mm separation (minimum) between contacts.
- Before connecting the set, ensure that the data on the label correspond to those of the mains.
- This apparatus must only be used for the purpose for which it was expressly designed, e.g. for audio or video door entry systems. Any other use may be dangerous. The manufacturer is not responsible for damage caused by improper, erroneous or irrational use.
- Before cleaning or maintenance, disconnect the set.
- In the event of faults and/or malfunctions, disconnect from the power supply immediately by means of the switch and do not tamper with the apparatus.
- For repairs apply only to the technical assistance centre authorized by the manufacturer.
- Safety may be compromised if these instructions are disregarded.
- Do not obstruct opening of ventilation or heat exit slots and do not expose the set to dripping or sprinkling of water. No objects filled with liquids, such as vases, should be placed on the apparatus.
- Installers must ensure that manuals with the above instructions are left on connected units after installation, for users’ information.
- All items must only be used for the purposes designed.
- WARNING: to prevent injury, this apparatus must be securely attached to the floor/wall in accordance with the installation instructions.
- This leaflet must always be enclosed with the equipment.
Directive 2002/96/EC (WEEE)
The crossed-out wheelie bin symbol marked on the product indicates that at the end of its useful life, the product must be handled separately from household refuse and must therefore be assigned to a differentiated collection centre for electrical and electronic equipment or returned to the dealer upon purchase of a new, equivalent item of equipment.
The user is responsible for assigning the equipment, at the end of its life, to the appropriate collection facilities. Suitable differentiated collection, for the purpose of subsequent recycling of decommissioned equipment and environmentally compatible treatment and disposal, helps prevent potential negative effects on health and the environment and promotes the recycling of the materials of which the product is made. For further details regarding the collection systems available, contact your local waste disposal service or the shop from which the equipment was purchased.
Risks connected to substances considered as dangerous (WEEE).
According to the WEEE Directive, substances since long usually used on electric and electronic appliances are considered dangerous for people and the environment.
The adequate differentiated collection for the subsequent dispatch of the appliance for the recycling, treatment and dismantling (compatible with the environment) help to avoid possible negative effects on the environment and health and promote the recycling of material with which the product is compound.
S60.559.2ES 03 04/2023

Viale Vicenza, 14
36063 Marostica VI – Italy
www.vimar.com

















