HIKVISION S213K Wireless Video Intercom

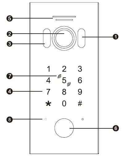
SPECIFICATIONS

| 1 | White light LED |
| 2 | Camera |
| 3 | Photosensitive resistance |
| 4 | Keypad |
| 5 | Speaker |
| 6 | Call button |
| 7 | Card area |
| 8 | Microphone |
PARAMETERS
- View angle: 120o
- Resolution: 1.3MP
- Night vision: White light LED(120o)
- Working current; voltage: 12~15V DC input; Working current standby≥150mA, Working≤300mA
- Working environment:
Working temperature: -20oC~ +50oC
Relative humidity: ≤95%
PARING WAY
- After the indoor monitor and outdoor station are powered on, dial the button of outdoor station to the right (as shown in pic 1)
- Long press the white button on the back of the outdoor station,
- Long press link button of indoor monitor at the same time (as shown in pic 2)
NOTEICE:
The indoor monitor dial code should be dialed to R. When the signal light on the right side of the indoor monitor link flashes quickly, release the indoor monitor and outdoor station buttons.

FUNCTIONS
Include RFID card + access controller + video and audio intercom. This product can be used for factories, homes, offices, banks and communities, etc. Keep your property safe like a bodyguard.
- The product includes a digital keypad module and a card swiping module. The keypad module is used for supervisor mode operation. The card swiping module is used to manage the operation of user cards.
- Compensation light and LED button light have photosensitive function. During the day, the white compensation light and LED key light will not light up. At night, the LED button light is always on; when calling at night, the white compensation light is automatically turned on to fill in the light.
ADMINISTRATOR OPERATION
- The default settings are as follows
The initial administrator password is 999999. Initial public unlock password is 123456.
The default door opening method is card opening. The default unlock time is 1 second.
The safe mode is off by default.
The public unlock password is enabled by default. - Enter the administrator operation mode:
* + Administrator Password + #
In standby mode, press * + administrator password (initial administrator password is 999999) + # to enter the administrator operation mode. At this time, the device Bi Bi-beeps twice and the call button flashes slowly, means entered administrator operation mode successfully.
In setting progress, if input is incorrect or the setting fails, the device will Bi Bi Bi Bi beeps four times. After setting done, if no more operations, the device will Bi Bi Bi beeps three times after 30 seconds, means automatically exit administrator operation mode.
NOTEICE: Press * button during any of the following settings can return to the previous level or exit the operating mode.
Modify administrator password, public unlock password and reset the device.
- Public unlock password
0 + 11+ # +New Password + # +Confirm Password+ #
Under administrator operation mode, press 0 (Call button light flash fast) +11 + # NNNNNN (six digits)+ # + NNNNNN (input password again) + #, the device Bi Bi beeps twice means set successfully.
How to use the public unlock password:
Input public unlock password on the keypad + #, if password correct then door will be unlocked. - Administrator password
Under administrator operation mode, press 0 (Call button light flash fast) +77 + # NNNNNN (six digits)+ # +NNNNNN (input password again)+ #, the device Bi Bi beeps twice means set successfully. - Reset
Under administrator operation mode, press 0 (Call button light flash fast) +99 + # (Bi beeps one time), device restored to factory setting.
NOTEICE: Reset the device will not delete user card, user password info and master card.
Setup unlock mode
- 3 + 00+ #
Under administrator operation mode, press 3 (Call button light flash fast) +00 + # (Bi Bi beeps twice) ——–The card unlock only. - 3 + 01+ #
Under administrator operation mode, press 3 (Call button light flash fast) + 01+ # (Bi Bi beeps twice)——The card or password unlock. - 3 + 02+ #
Under administrator operation mode, press 3(Call button light flash fast) + 02 +# (Bi Bi beeps twice)——The card and password unlock.
Modify the unlock time of relay
Under administrator operation mode, press 4 (Call button light flash fast) + 000~150(unlock time) + # (Bi Bi beeps twice means set successfully)
- 4 + 002 + #
Under administrator operation mode, press 4 (Call button light flash fast) + 002 + # (Bi Bi beeps twice means set successfully). Unlock time set to 2s, and so on. - 4 + 000 + #
Under administrator operation mode, press 4 (Call button light flash fast) + 000 + # (Bi Bi beeps twice means set successfully). This setting means first swipe card is on; swipe the card again is off.
Safety mode setup
- 5 + 00 + #
Under administrator operation mode, press 5 (Call button light flash fast) + 00 + # (Bi Bi beeps twice )———Turn off safety mode. - 5 + 01 + #
Under administrator operation mode, press 5 (Call button light flash fast) + 01 + # (Bi Bi beeps twice )——-Locked mode. (Means within 5 minutes, continue use wrong card or incorrect password for 10 times, the device will be locked out for 2 minutes, and automatically call indoor monitor. During this two minutes card and password won’t work. - 5 + 02 + #
Under administrator operation mode, press 5 (Call button light flash fast) + 02 + # (( Bi Bi beeps twice ) )——-Alarm mode ( Means within 5 minutes, continue to use wrong card or incorrect password for 10 times, the built in buzzer will alarm for 1 minute, and automatically call indoor monitor.
Enable and disable public unlock password
- 6 + 00 + #
Under administrator operation mode, press 6 (Call button light flash fast) +00+ # (Bi Bi beeps twice )———– Disable public unlock password. - 6 + 01 + #
Under administrator operation mode, press 6 (Call button light flash fast) +01+ # (Bi Bi beeps twice ) ———– Enable public unlock password.
Add master card
- 7 + #
Under administrator operation mode, press 7 (Call button light flash fast)+ # (Bi Bi beeps twice ) to enter add master card mode, the first card registered in this mode will be Add Card Master Card, second card registered in this mode will be Delete Card Master Card. After swipe two cards, administrator operation mode will be exited automatically. - NOTEICE:
Only two pcs master card allowed, both master cards are capable to unlock. New added master card will replace the original master card. - 8 + 01~08#
Under administrator operation mode, press 8 (call button light flashes quickly) + 01~08 (volume from small to large) + # (Bi Bi beeps twice) —— switch the ringing volume of the outdoor station.
Switch language
- 9 + 01 + #
Under administrator operation mode, press 9 (call button light flashes quickly) + 01 (language sequence) + # (Bi Bi beeps twice) —— to switch the language of the outdoor station. (00=Russian 01=English 02=Chinese 03=Spanish 04=Turkish 05= Portuguese 06=German 07=French 08=Italian 9=Bulgarian 10=Persian)
Upgrade by SD card
Upgrade the outdoor station program at the indoor monitor.
- Change the program file name to: flash_bk_8852_app.bin.
- Put the file in the root directory of the SD card.
- The outdoor station and indoor monitor must be paired successfully first.
- Put the card in and out of the indoor monitor, click the system setting on the indoor monitor, enter the password: 135792 to enter the program upgrade page.
- Click program upgrade and wait for the outdoor station to restart to upgrade successfully.
MANAGE USER CARD
There are two master cards, one is Add Master Card, another one is Delete Card Master Card (For modification of master card please refers to administrator operation point 6). User card can only managed by master card.
NOTEICE:
- Master card can’t be deleted, it can only be replaced by new adding master card.
- The master card and user card registered in door station 1 can’t unlock other door station. If user wants the card to unlock every door, user should register the card at every door station.
Add user card
- In standby mode, swipe add card master card 3 times within 15 seconds, call button light flash fast means entered add user card mode successfully.
- Swipe the unregistered blank card in RFID read area, when outdoor station buzzer with “Bi Bi” sound means this card is added successfully.
- If all user cards have been added, or user want to stop adding, just swipe add card master to end the add user card operation. (If no more operations, it will exit add user card mode automatically after 30s), at this time the call button back light always on and the device returns to the standby state.
Delete user card
Delete part of user card
- In standby mode, swipe delete card master card 3 times within 15 seconds, call button light flash fast means entered delete user card mode successfully.
- Swipe a registered user card on RFID read area, when buzzer with “Bi Bi” sound means this card is deleted successfully. mode successfully.
- If all user cards have been deleted, or user want to stop delete card, just swipe delete card or keep press the call button to exit delete user card mode. (If no more operations, it will exit delete user card mode automatically after 30s), at this time the call button back light always on and the device returns to the standby state.
Delete all user cards
- In standby mode , swipe delete card master card 3 times within 15 seconds, call button light flash fast means entered delete user card mode successfully.
- Under delete user card mode, swipe add card user card, buzzer with 7 times BI BI…… then delete all user cards and back to standby mode.
USER OPERATION
- User modify password by card:
* + User Card + old Password + # + New Password + # + Confirm Password + #
In standby mode, press * + swipe card +old password (default user password 0000) + # + NNNN (4 digits as new password) + # + NNNN (Input password again) +#, if no mistake on operation, then the video doorbell will beep Bi one time, means password modified successfully.
NOTEICE: Default user password can only use for fifirst time modify user password, it can’t be used for unlock. - Card access to unlock
In standby mode, swipe valid registered card at the RFID read area, can unlock the door and hear the indicate voice “The door is open, please come in”.
Card or password unlock
- In standby mode, swipe valid registered card at the RFID read area, can unlock the door and hear the indicate voice “The door is open, please come in”.
- In standby mode, input 4 digit user password at keypad + #, if password is right then unlock successfully and hear the indicate voice “The door is open, please come in”.
Card and password unlock
In standby mode, swipe valid registered card at the RFID read area, input 4 digit user password at keypad + #, if both card and password are valid can unlock the door and hear the indicate voice “The door is open, please come in”
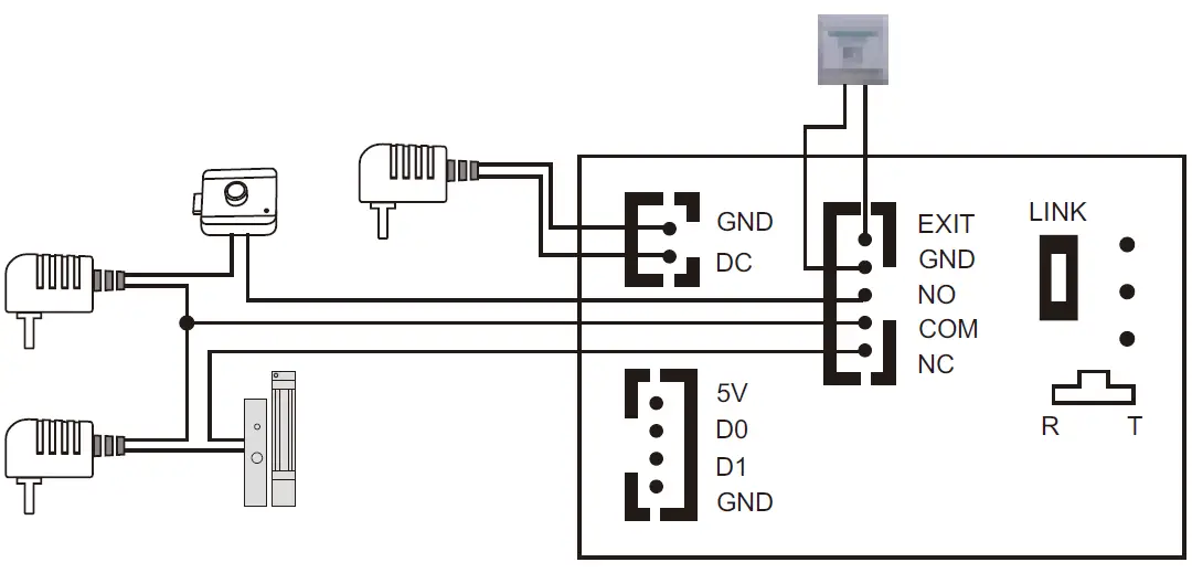
WIRING DIAGRAM

INSTALLATION DIAGRAM

ACCESSORIES

- Outdoor station ———————————————————– 1 PCS
- Plastic Anchors ———————————————————– 4 PCS
- Screws ———————————————————————— 4 PCS
- 3 pin line——————————————————————— 1 PCS
- User manual ————————————————————–1 PCS
- 7 pin line——————————————————————— 2 PCS
- Power adapter ———————————————————— 1 PCS
- IC card ———————————————————————-1 PCS
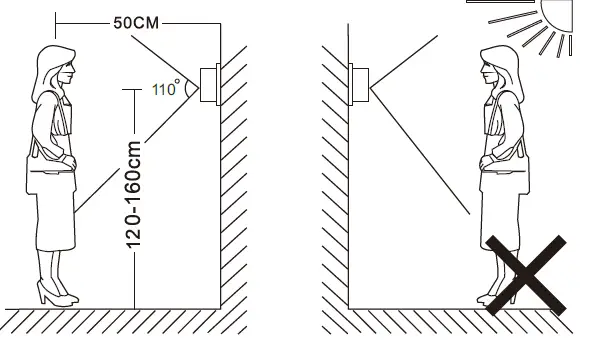
INSTALLATION PROCESS OF DOOR STATION

NOTE:
- Avoid installation of the device near strong radiation e.g. AC motor and lift.
- Maintenance should be complied with qualified technician.
- Avoid hard shake, beating and collision, otherwise the internal exact components maybe be damaged.
- Do not expose the outdoor camera under strong light or sunshine. Do not install the outdoor camera in the environment e.g. direct sunlight, contact rain, high
- temperature, high humidity, full of dust and chemistry corrosive.
- Select the most suitable position where the camera is located at user’s eye level.
- Switch off power supply before installation.
- Keep more than 30cm away from AC power supply to avoid external interference.
- Keep it away from the water and magnetic field.


















