SOMOGYI ELEKTRONIC DPV 270 Video Intercom Set

Safety and maintenance
figure 2
figure 3
| EN | |
| CONTENTS OF THE PACKAGE (Figure 1.) | |
| 1. | indoor monitor |
| 2. | outdoor camera |
| 3. | rain cover frame |
| 4. | adapter |
| 5. | wall hanger |
| 6. | screws |
| 7. | dowels |
| EN | |
| STRUCTURE OF THE OUTDOOR UNIT (Figure 2.) | |
| 1. | rain cover frames |
| 2. | infra LED lighting |
| 3. | camera |
| 4. | speaker |
| 5. | RFID module |
| 6. | bell button |
| 7. | microphone |
| EN | |
| STRUCTURE OF THE INDOOR UNIT (Figure 3.) | |
| 1. | Intercom |
| 2. | view on/off |
| 3. | door lock opener |
| 4. | hang up |
| 5. | answer |
| 6. | card slot |
| 7. | setting |
| 8. | scrolling |
| 9. | scrolling |
| 10. | volume |
figure 4
The products in the frame are not part of the set!
figure 5
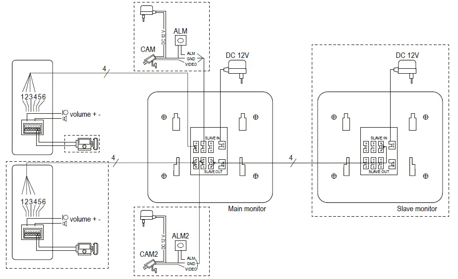
| EN | |
| DOOR1-2 | outdoor units with camera |
| CAM1-2 | surveillance camera and opening sensor options |
| SLAVE IN-OUT | additional indoor unit on/off |
| 12 V | the connector of the accessory adapter |
| TV-G | video output option for the TV, monitor |
figure 6
| EN | |
| 1. | Intercom |
| 2. | Ground |
| 3. | Video |
| 4. | Power |
| 5. | Lock+ |
| 6. | Lock- |
figure 7
COLOR VIDEO DOORPHONE
IMPORTANT SAFETY INSTRUCTIONS
READ THE INSTRUCTION MANUAL CAREFULLY BEFORE USE AND RETAIN IT FOR LAT-ER REFERENCE!
warning
- Before using the product for the first time, please read the instructions for use below and retain them for later reference. The original instructions were written in the Hungarian language.
- After unpacking, make sure that the device has not get damaged during transport. Keep chil-dren away from the packaging, if it contain a bag or other dangerous packaging material.
- This appliance may only be used by persons with impaired physical, sensory or mental ca-pabilities, or lacking in experience or knowledge, as well as children from the age of 8, if they are under supervision or have been given instruction concerning use of the appliance and they have understood the hazards associated with use. Children should not be allowed to play with the unit. Children may only clean or perform user maintenance on the appliance under supervision.
- Use only indoor, in dry circumstances.
- In case of injury of the mains adapter or any other type of malfunction, immediately power it off and contact a specialist.
- When it is not in use, unplug it from the mains.
- Keep the cables connecting the units away from other power cables.
- Using thin wire may cause the deterioration of sound and image quality.
- Do not operate the device near strong magnetic field.
- Protect it from dust, humidity, liquids, heat, dampness, frost, shock and direct thermal radiation or sunshine.
- Do not expose the unit to splashing water and do not place objects filled with liquid, for example glass on it.
- Open flame-source, such as lighting candle must not be placed on the unit.
- Do not disassemble or transform the unit as it may cause a fire, accident or electric shock.
- Due to the presence of mains voltage, observe the usual rules of life protection.
- It is forbidden to touch the adapter or the connection cable with wet hands.
- The appliance is not intended for public domain use but is intended for domestic use.
- IP44: protected against objects >1 mm and against water splashing from any angle.
- Due to continuous improvements, the technical data and design may change without any prior notice.
- The actual instruction manual is downloadable from www.somogyi.hu website.
- We don’t take the responsibility for printing errors which may occur, and apologize for them.
Caution: Risk of electric shock! Do not attempt to disassemble of modify the unit or its accessories. In case any part is damaged, immediately power off the unit and seek the assistance of a specialist.
DISPOSAL
Waste equipment must be collected and disposed separately from household waste be-cause it may contain components hazardous to the environment or health. Used or waste equipment may be dropped off free of charge at the point of sale, or at any distributor which sells equipment of identical nature and function. Dispose of product at a facility spe-cializing in the collection of electronic waste. By doing so, you will protect the environment as well as the health of others and yourself. If you have any questions, contact the local waste management organization. We shall undertake the tasks pertinent to the manufac-turer as prescribed in the relevant regulations and shall bear any associated costs arising.
COLOR VIDEO DOORPHONE
FEATURES
EXPANDABLE INTO A VERSATILE SECURITY SYSTEM
- 7” (17,5 cm) extra thin monitor and outdoor camera unit
- expandability: 2 outdoor units with camera, 3 indoor units with monitor, 2 surveillance camera, 2 opening sensors, television output*
- fast, convenient, safe, hygienic door opening for your family members
- 5+2 pcs proximity keys for contactless unlock-ing**
- takes a photo or a video recording of the visitor
- automatic and manual recording options
- memory expandable with microSD card (not included)
- ring volume and duration can be set according to the time of the day
- InterCom: home phone function for multiple indoor units
- illuminated touch buttons below the display
- outdoor wall-mountable unit
- night cam-era mode with hidden infrared LEDs
- illuminated bell button and aluminium front panel
- per unit selectable ringtone (12)
- view function with photo and video recording
- lock opening when using an external electric lock (option)
USE
The device is ideal for replacing regular door phone systems and doorbells. It can be expanded by connecting a second outdoor unit with camera and a second indoor unit (not included). In addition, regardless of its type, two ad-ditional surveillance cameras and external opening sensors (not included) can be connected. The video output can be connected to any television or monitor. These expansions require the help of a specialist and the purchase of the accessories. Photos or video recordings can be taken from visitors automatically or manually, the storage of them can be expanded by insert-ing a microSD card (not included) into the device. Two electric locks can be opened from the apartment, they need to be connected to the outdoor units. The appropriate sound and image quality depends on the distance between the devices and the cross-section of the cable used. For the given length we recommend at least the following cable cross sections: 0 – 10 m: 4 x 0,3 mm2 / 10 – 30 m: 4 x 0,5 mm2 / 30 – 50 m: 4 x 0,75 mm2
You need to purchase the appropriate 4-wire cable separately if you need longer than the nearly 10 meters long cable included in the packaging. Make sure that the cable is connected correctly for both units. The order of the colored wires of the outdoor unit is from left to right, the same is the order of the wires of the indoor unit from top to bottom (e.g. DOOR1). It is necessary to check, but usually these colors are used:
green: AUDIO / black: (-) GND / yellow: VIDEO / red: +12V
Terminals 5 and 6 of the outdoor unit can be connected with an electric lock. To do this, use two-core cable, in the desired length: 2 x 1,0 mm2 (not included).
If you have an electric lock installed, family members arriving home can conveniently open the lock using the supplied blue, contactless proximity keys (RFID).
Ask a specialist to install the doorphone system. The menu is multilingual, depending on the user, a basic knowledge of English may be required dur-ing use.
INSTALLATION
Outdoor unit
Weather protection must be provided. Install the outdoor unit into a dry place protected from rain and direct sunlight. Direct sunlight can degrade image quality. Use a special protective cover if necessary. The external unit is powered form the monitor. Connect with spring-cage connectors according to the wiring diagram. On the back, you can use a screwdriver to adjust the microphone sensitivity (left screw) and the speaker volume (right screw). After installing the rain cover, place the camera on the hanger on the inside and top of the rain cover, then pull it down and secure it to the bottom with a short screw (supplied). Remove the protective film from the lens, if equipped. If you also use an electric lock, it must be connected to the external unit. If you do not use an external door opener circuit, the power requirement of the electric lock must not exceed the parameters 12 V DC / 500 mA. An external transformer and relay must be used to operate a higher power lock, but this is basically recommended in all cases. If you purchase another outdoor unit of the same type, you can also connect it to the indoor unit (DOOR2). This ensures that the system works at both entrances.
Indoor unit
Depending on the distance between the two units, the connection cable included in the package may be extended or replaced by a specialist as described in the “USE” section. The required wiring must be purchased separately based on individual needs. Guide them so that they are not in-jured and are protected from the weather and physical influences. Before plugging in the AC adapter, check that it is connected properly.
Screw the accessory metal frame to the wall, hang it, and then pull down the indoor unit until it stops. First, plug the AC adapter into the rightmost socket on the top row. The outdoor unit is connected to the upper left front connector (DOOR1). Make sure that the order of the last four colored wires is the same for the outdoor and indoor units.
If you purchase one or two additional indoor units of the same type, you can also connect it to the first indoor unit (SLAVE IN or SLAVE OUT). This ensures the operation of the system in up to three rooms / floors / buildings. Do not place the device in a place exposed to sunlight, high temperatures and moisture. There should be no electrical equipment nearby that could interfere with its operation; e.g. TV, WiFi router, microwave, computer…
POSSIBILITY OF COMPLETE ALARM AND MONITORING SYSTEM
This device can be the center of a complete home alarm and surveillance system. In addition to the outdoor unit with up to 2 cameras, you can con-nect two additional surveillance cameras and opening sensor switches to the indoor unit, for example to indicate the opening of a door and window. An image of an unauthorized intruder can even be viewed on a television or monitor while a photo or video is taken of it on a microSD card inserted in the indoor unit.
Have this solution discussed with a specialist, taking into account local spe-cifics. You can obtain the necessary additional accessories from specialist shops, based on the wiring diagram above.
RECEIVING VISITORS
By pressing the bell button on the outdoor unit, the outdoor and indoor unit beeps repeatedly (approx. 30s) and the screen turns on during the call (ap-prox. 90s). The visitor’s image is displayed on the monitor.
- If you want to talk with him/her, press the large ANSWER button and the tone mutes, the conversation can be started.
- If you have an electric lock, you can let the visitor in with the lock release button. When the shutter is opened, the color of the LED ring on the outdoor unit changes. The
- lock can only be opened from the inside during a connection – this protects against accidental opening.
- Finally, hang up the conversation. (You can also use this key to cancel a call when the ringtone sounds.)
- If you have two outdoor units and (almost) press the ring button on both at the same time, the first call button unit will take precedence. The monitor will not indicate if the other external unit is receiving an alarm in the mean-time – only if you have finished talking from that first unit.
- The monitor also turns off automatically after approx. After 2 minutes. That can be the length of a conversation.
- If you do not answer the call, approx. the monitor will turn off after one and a half minutes.
- In ANSWER mode, depending on the status of the SETTING menu, you can take a manual photo or video by pressing the SETTING (gear) but-ton on the side of the monitor. A recording is made automatically at the moment of ringing.
CALL FORWARDING BETWEEN THE INDOOR UNITS
If the conversation with the visitor is already taking place as described above, you have the option of a second indoor unit – e.g. to a more distant room – forward the call to a family member.
- Press the INTERCOM button and a ringtone will sound.
- You can answer the call on the other indoor unit with the ANSWER button.
- If it has an electric lock, the visitor can also be admitted from the sec-ond device with the lock release button.
- Hang up the conversation.
- When you forward a call, the first indoor unit turns off and the target unit rings. At the same time, the visitor’s image is displayed on the screen.
- Call forwarding only works if one unit has “MASTER” and the other “SLAVE” in the menu and they are connected properly.
VIEW
In standby mode, you can check the area around the entrance (approx. 60s) by pressing the VIEW button. You can hear what is happening outside, but your voice cannot be heard through the speaker of the outdoor unit. 2 external camera units and 2 additional cameras can be connected to the indoor unit at the same time. If all are enabled in the SETTING menu, up to 4 camera images can be viewed in succession on the indoor unit. By pressing the VIEW button, you can scroll through the images of the cameras for approx. operating them for 60-60 s in a row: DOOR1-CAM1-DOOR2-CAM2, then turn off the monitor
- In the meantime, if you want to talk to a person near that outdoor unit, press the ANSWER button.
- If you have an electric lock, you can let the visitor in with the lock release button.
- Finally, hang up the conversation and turn off the screen.
- If you have only one outdoor unit, you can exit this function by pressing the VIEW button again – or exit automatically after approx. 60 s. In the SETTING menu, the other camera options must be turned off: DOOR2, CAM1, CAM2. 80-120 photos in the internal memory (64M), which can be expanded with a microSD card. The amount (size) of photos depends on their content, such as lighting conditions and colors.
- In case of two indoor units, you can initiate the viewing of images from outdoor cameras on each.
- If a conversation with the outdoor unit is in progress while the CALL button is pressed on another outdoor unit, the conversation will be interrupted and the new visitor’s mage will be displayed on the monitor with a ringing tone. The call must then be answered with the ANSWER button.
- In VIEW mode, depending on the status of the SETUP menu, you can take a manual photo or video by pressing the SETUP (gear) button on the side of the monitor.
TAKING A PHOTO OR VIDEO RECORDING
When the visitor rings or the buildable surveillance-alarm system alarms a photo or video is taken automatically – depending on the menu settings you can also use the side SETTING button to take recordings manually while talking or using the view function. In PHOTO mode, you can store about 80-120 photos in the internal memory (64M), which can be expanded with a microSD card. The amount (size) of photos depends on their content, such as lighting conditions and colors.
Example of setting the time: SETTING button to display the main menu / use the scroll buttons to move to the SYSTEM icon / SETTING button / move to the TIME icon / SETTING button / move to the year / SETTING button / move the flashing year with the scroll buttons / fix with the SET-TING button / move to the months / SETTING button / set the actual month / SETTING button / move to the days / SETTING button / set the actual day / SETTING button / move to the hours / SETTING button / set the number of hours/ SETTING button / move to the minutes / SETTING button / scroll the minutes / fix with the SETTING button / move to the RETURN icon / with the SETTING button you can scroll back one level in the menu system
| SYSTEM | LANGUAGE | English, Deutsch, Francais… | selectable languages |
| TIME | Year, Month, Day, Hour, Minute | setting the year, month, day, hour, minutes | |
|
INFORMATION | Software Version, Release Date, Format SD, Format Flash, Backup Pictures, Update, Reboot | software version and date, format memory card and internal memory, back up photos to card, update, restart | |
| RING | Ring Select | Door1: 01-12 , Door2: 01-12 | 12 selectable ringtones for the two outdoor units |
| Ring Volume | Ring Vol1, Ring Vol2, Ring Vol3 (Time / Volume / Ring Time) | three different volumes and ring times can be set for three periods | |
| MODE | Mode | Master / Slave | primary or secon- dary device |
| Door 2 Status | ON-OFF | activation of a second external unit | |
| Door1 Unlock Time | 0 – 10s | 1.electric lock operating time | |
| Door2 Unlock Time | 0 – 10s | 2.electric lock operating time | |
| Record Mode | Snapshot / Record | shoothing mode: photo or video | |
| ALARM | CAM1 Sensor Type | ON / OFF | 1.opening sensor activation |
| CAM2 Sensor Type | ON / OFF | 2.opening sensor activation | |
| CAM1 | ON / OFF | 1.survelliance camera acti- vation | |
| CAM2 | ON / OFF | 2.survelliance camera acti- vation | |
| CAM1 Ring Time | 0 – 30s | 1.opening sensor signal duration | |
| CAM2 Ring Time | 0 – 30s | 2.opening sensor signal duration | |
| Alarm Record | Snapshot / Record | recording mode: photo or video |
| COLOUR | Door 1 | Brightness / Contrast / Colour | 1.outdoor unit: brightness / sharpness / color (0-50) |
| Door 2 | Brightness / Contrast / Colour | 2.outdoor unit: brightness / sharpness / color (0-50) | |
| CAM 1 | Brightness / Contrast / Colour | 1.survelliance camera: bright- ness / sharpness / color (0-50) | |
| CAM 2 | Brightness / Contrast / Colour | 2.survelliance camera kamera: brightness / sharpness / color (0-50) | |
| FILES | Record Files | Play / Delete File / Delete All | play video, dele- te, delete all |
| Snapshot Files | Play / Delete File / Delete All | view photo, delete, delete all | |
| RETURN | one level up / exit |
SYSTEM
- select the menu language
- set the current time and date
- you can check the firmware version number and release date, format memory, save photos, firmware update and reboot (professional only)
- it is recommended to format the inserted microSD card (option) firstly
- not all the functions are available depending on the condition of the device
RING
- you can select different beeps for the two outdoor units, if you buy a second one later
- set different ring volumes and durations for up to three times of the day (e.g. quieter and shorter beeps when resting)
- period: 00:00-23:59 / volume: 00-10 / duration: 15-60 s
- if you adjust the volume in the menu, first set the side manual volume control to maximum (they affect each other)
MODE
- set the first indoor unit as the priority: MASTER
- if you later buy a second indoor unit, it must be the SLAVE device (marked SLAVE socket in the wiring diagram)
- the outdoor units and additional cameras / opening sensors are connected to the MASTER unit
- when using an outdoor unit, turn off the status of Door2: OFF
- the operating duration of the lock (not included) can be separately for each outdoor unit (the lock set by a specialist installer)
- the lock must be obtained and installed in accordance with the design of the door
- you can select if you want a photo taken or a video recorded when the bell is ringed
- you can also record manually later by pressing the side SETTING button
ALARM
- with the involvement of a specialist, you can expand the doorphone with max. two additional surveillance cameras and opening sensors of any type in addition to the max. two outdoor units (see wiring diagram)
- in case of CAM1, CAM2 Sensor Type „ON” setting, the system detectswhether a closing or opening (quiescent current) contact is connected as an opening sensor
- after the installation of the sensors, the surveillance cameras are also able to sound an alarm or make an automatic recording of the intruder
- the ALARM settings are set by the installer specialist
COLOUR
- sets the image quality of the max. 4 cameras that can be connected to the system (brightness – sharpness- color)
- when using the basic set, you can control the image quality of one outdoor unit
FILES
- find photos and videos separately in the two separate libraries
- the names of the files include the creation date and time
- for a file selected with the scroll buttons, the SETTING button offers three options: view, delete, or delete all photos/recordings
RETURN
- by selecting the RETURN icon and pressing the SETTING button, you can always move up one level in the menu system until the complete exit
- if you don’t press a button, approx. after 60 seconds it automatically exits the settings
ADDITIONAL INFORMATION ABOUT ALARM FUNCTIONS (ALARM OPTION)
In addition to the two outdoor units with camera, the doorphone can be ex-panded by a specialist with two surveillance cameras of any type and open-ing sensors. (CAM1 and CAM2 connectors on the MASTER indoor unit)
- When the ALM and GND contacts are operated, the alarm is heard on the speaker of the indoor unit for about 120 s. If you touch HANG UP button during this time, the alarm stops. Depending on the menu setting, a photo or video can be taken automatically.

- the two sensors can have opening or closing contacts
- in case of CAM1, CAM2 Sensor Type „ON” setting, the system recogniz-es that wether there is a closing or an opening contact connected as an opening sensor –either version can be used
- external +12V power supply required for opening sensors and “foreign” cameras (without it only max. 150 mA)
- the ALARM menu functions for installation can be set by a specialist
USING THE PROXIMITY KEYS (RFID)
If you have an electric lock, you can not only let guests in by the touch of a button while you are at home, but you and your family members can also conveniently enter when arriving home. If you approach one of the supplied 5 blue keys to the RFID module on the outdoor unit, the lock opens for about 3s. This is indicated on the outdoor unit by a short beep and a change in the blue light ring. The keys are aligned to your door phone via unique coding.
In addition to opening, the RFID module can also delete keys or re-pair them. Should you lose one of them or want to restrict the access of some-one formerly given a key, you can delete all keys by a single move, so that unauthorized people cannot enter your home. After deleting, you have to re-pair the blue keys with the door phone. If you do not re-pair either of them (for example, a lost one) it can no longer open the lock. If you want to grant access to more than five people, or replace a lost or damaged key, additional key sets can be purchased: “DPV 270RFID”. You have to register these with the device before you can use them. Up to 24 keys can be paired with the system.
Meaning of the colours: the blue user (USER) key is used for opening the lock, the red one (CLEAN) for deleting all cards from the system at once, and the yellow one (ADD) for adding blue keys. The cards supplied with the door phone are already configured for the unit. If necessary, you can use the following options.
Adding a new blue user key:
Move the yellow key close to the sensor. Double short beeps indicate that you have switched to adding mode. Place the blue key you want to add close to the sensor. A triple beep indicates successful adding. Then you can move on to the next blue key to be registered, and so on. After app. 20 seconds of inactivity, or if you approach with the yellow key again, the device exits the key adding mode. This is confirmed by a long beep. Keys newly added will have the same code as the ones previously paired.
Deleting all previously paired (blue) user keys
Move the red delete key (CLEAN) close to the sensor. A long beep indicates that you have deleted all blue user keys used so far. After the beep, the device returns to normal mode. The next time you use a deleted key, you will hear triple beeps and it will no longer open the lock. If you want, you can use the yellow key to re-pair the blue keys you want to use in the future. Should you encounter any problem registering your keys, please, contact our authorised service shop.
TROUBLESHOOTING
If there is no sound or image, check, that
- whether connection is according to the regulation
- whether there is power supply
- no wire is damaged
- If the conversation can be heard quietly or the image quality is poor, check that
- have used wires of sufficiently large cross-section
- do not exceed the recommended distances
- do not interfere with nearby electrical equipment for operation
- whether the menu and side volume control settings are correct
CLEANING
Before cleaning, power off the device by unplugging it from the mains! Use a soft, dry cloth. Do not use aggressive cleaners and liquids.




















