POTTER RMS-6T-EXP-WP Explosion Proof Manual Pull Stations

INTRODUCTION
- UL Listed, FM Approved, Marine and Nema 4X Rated, CSFM Listed, MEAApproved, ADA Compliant
- Single Action
- High gloss red enamel
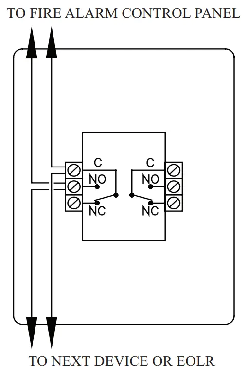
- Double pole double throw switch
- Screw terminal connections
Ordering Information
Stock No. Model No.
1000400 RMS-6T-EXP-WP
Description
Single-action
explosion-proof
manual pull station
Description
TheRMS-6T-EXP-WPis a high-quality, die-castmetal, explosion-proof manual fire alarm pull station available in either single or dual action configurations. The RMS-6T-EXP-WP is approved for NEMA-4X applications and is UL Listed and Factory Mutual Approved for use in Class I, Groups B, C, and D; Class II, Groups E, F, and G; and Class III hazardous environments. The RMS-6T-EXP-WP has a DPDT switch with terminal strip connections.
Operation
TheRMS-6T-EXP-WPsingle-actionstationisoperatedsimplybypulling the pull handle on the front of the station as far down as it will go, at which point the handle locks into place, and is easily visible from up to 50 feet. The activated station is reset by opening the station with a key, placing the handle in the normal, upright position, and re-locking the station. Optional dual action Lift and Pull or Break Glass adapter offer added security against unwanted activation without complicating the overall pull station operation.
Architects And Engineers Specifications
The manual pull station shall be UL Listed and FM Approved for Explosion-Proof, Marine and NEMA 4X applications for use in the intended environment. It shall be painted red with raised white identification lettering. The station shall have two sets of form C contacts. It shall be a non-coded, single-action station that shall latch in the activated position. When activated, the latched handle shall be easily recognizable as being in the activated position when viewed from a distance of at least fifty feet. A locking mechanism shall be provided to prohibit unauthorized reset of the manual station. A key shall be required to unlock and reset the station.
Accessories
LP: Lift and Pull (Dual action)
DAH: Break glass adapter (Dual action)
Options
Custom colors (Must specify color)
Custom silk screening (LP and DAH lettering)
Custom wording (Must specify wording)
Specifications
| Switch Rating | 1 Amp @ 30 VDC 1 Amp @ 125/250 VAC |
| Switch Type | DPDT |
| Terminal size | 12 TO 22 AWG |
| Temperature | -35° to 66°C (-30° to 150°F) |
| Humidity: | 85% relative humidity at 86°F |
| Explosion Hazard Classifications | Class I Groups B,C and D Class II Groups E, F and G Class III |
| Weatherproof Classification | NEMA Type 4X |
| Conduit Fittings | 2 |
| Conduit Fitting Size | 3/4″ – 14 NPT |
| Color | Face Plate – Red with raised white letters Push/Pull Handle – White with raised red letters |
Wiring Diagram

Potter Electric Signal Co., LLC • St. Louis, MO • Cust Service: 866-240-1870 • Tech Support:866-956-1211• Canada 888-882-1833• www.pottersignal.com

CUSTOMER SUPPORT


















