Miele PFD 101 U Professional Dishwashers

Installation notes
For safe installation and commissioning of the dishwasher please read the installation plan, the service documentation, the installation diagram, and the operating instructions. This installation plan includes the dimensions of the appliance, the technical data, and the requirements to be met on site for the installation of the dishwasher.
Installation re-quirements
Installation and commissioning work should be performed by a qualified and trained service technician in accordance with local and national safety regulations. Installation must comply with all local codes and regulations.
Surrounding area
Condensate can build up in the area surrounding the dishwasher. Any cabinetry and fittings in the room must, therefore, be suitable for this purpose.
Vapor-barrier film for built-in appliances
The vapor-barrier film supplied with the dishwasher protects the countertop from damage caused by steam when the door is opened. Attach the vapor-barrier film above the door, underneath the countertop.
Electrical connection
All work on the electrical connection should be carried out by Miele Service, an authorized Miele dealer, or a qualified service technician.
Plug Connection
The dishwasher should be connected to the electricity supply via an electrical socket outlet.
Hard-wired
If the dishwasher is hard-wired to the power supply, an appropriate circuit breaker for the circuit in compliance with local code must be used. The electrical socket outlet and the power switch must be accessible after the appliance has been installed. This is to enable any ser-vicing work. The power cord must be protected from the risk of thermal damage.
Equipotential bonding and grounding
This machine must be grounded in accordance with the local code.
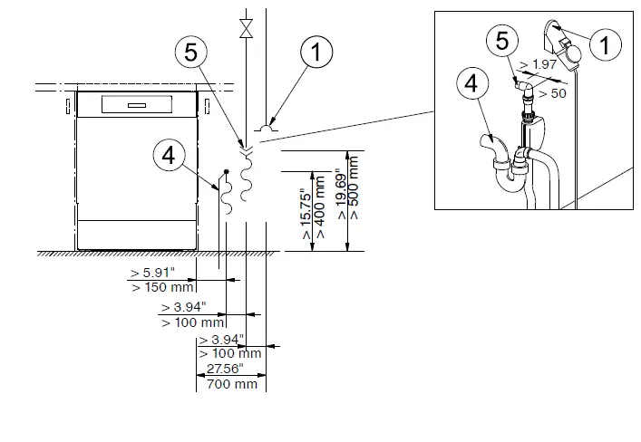
Water connection
The dishwasher must only be connected to fully vented pipework. A brief increase in the water pressure can damage components of the dishwasher.
Water intake
The quality of the incoming water must comply with the requirements for drinking water in the country in which the dishwasher is being operated. The dishwasher must be connected to the water supply in strict accordance with current local and national water authority regulations. It can be connected to cold or hot water supplies. Connecting the dish-washer to a hot water supply will reduce program cycle times. For short program cycle times, the water pressure of at least 29 psi (200 kPa) is also required. If this type of shut-off valve is not available, only a qualified installer may connect the dishwasher to the domestic water supply. The shut-off valve should remain accessible once the dishwasher has been installed so that the water supply can be shut off whenever the appliance is not in use.
Drainage
The dishwasher drainage hose should be connected to a separate on-site drain for the dishwasher only. If no separate drain is available, we recommend connecting it to a dual-chamber siphon. When using a drain loop additional backflow prevention is not required. If the hose is to be directly connected to the drainage outlet on-site, use the hose clip supplied with the dishwasher. The on-site connector for the drain hose can be used for various hose diameters. If the connector extends more than 1″ (30 mm) into the drain hose, it must be shortened. Otherwise, the drain hose can become clogged. Lay the drain hose so that it does not kink and is not subjected to pressure or tugged. If the on-site drain connection is situated lower than the guide path for the lower basket rollers in the open door, a siphoning effect during a program can cause the appliance to empty itself of water. In this case, lay the drain hose with a bend in it so that its highest point is at least level with the guide path for the lower basket rollers.
Undercounter appliance
PFD 101 U
Built-in appliance
PFD 102 i
Front panel dimensions
| Length | 19.7″–25.7″ | 500–654 mm |
| Thickness | 0.63″–0.79″ | 16–20 mm |
| Weight | 8.8–24.3 Ibs | 4–11 kg |
Fully integrated appliance
PFD 104 SCVi
Front panel dimensions
| Length | 27.2″–31.9″ | 690–810 | mm |
| Thickness | 0.63″–0.79″ | 16–20 mm | |
| Weight | 11–26.5 lbs | 5–12 kg | |
Connections on the back of the appliance
On-site connections
- Electrical connection
- Equipotential bonding and grounding
- Wastewater
- Cold or hot water
| Dimensions and weights | ||||
| PFD 101 U | PFD 102 i | PFD 104 Vi | ||
| Height | [inches] | 31.7 | 31.7 | 33.3 |
| [mm] | 805 | 805 | 845 | |
| Height adjustment | [inches] | 2.56 | 2.56 | 2.56 |
| [mm] | 65 | 65 | 65 | |
| Width | [inches] | 23.5 | 23.5 | 23.5 |
| [mm] | 598 | 598 | 598 | |
| Depth | [inches] | 22.4 | 22.4 | 22.4 |
| [mm] | 570 | 570 | 570 | |
| Depth with door open | [inches] | 45.9 | 45.9 | 47.4 |
| [mm] | 1165 | 1165 | 1205 | |
| Max. toe-kick return | [inches] | 4.53 | 4.53 | 4.53 |
| [mm] | 115 | 115 | 115 | |
| Weight | [ibs] | 97 | 92.6 | 112 |
| [kg] | 44 | 42 | 51 | |
| Max. floor load | [N] | 1000 | 1000 | 1000 |
| Emission levels | ||||
| PFD 101 U | PFD 102 i | PFD 104 Vi | ||
| Sound power level | [dB(A) re 1 pW] | 48 | 48 | 45 |
| The sound pressure level in the workplace | [dB(A)] | 35.1 | 35.1 | 31.4 |
Electrical connection
Standard electrical connection
Voltage: AC 120 V
Frequency: 60 Hz
Fuse rating: 15 A
Plug: 5–15P NEMA
Power cord cross-section: 3 x AWG14
Heat output: 1.3 kW
Total rated load: 1.4 kW
Possible voltage variant
PFD 102 i and PFD 104 SCVi only
| Voltage | 2N AC 208–240 V | |
| Frequency | 60 Hz | |
| Fuse rating | 2 x 30 A | |
| Plug | 14–30P NEMA | |
| Power cord length | 5.6 ft/1.7 m | |
| Power cord cross-section | 4 x AWG10 | |
| Heat output | 3.5–3.8 kW | |
| Total rated load
Water intake | 3.7–4 kW | |
| Max. water temperature | 140 °F | 60 °C |
| Max. water hardness | 66.5 mmol/l | |
| Max. water hardness | 36 °dH | |
| Water connection pressure | 5 – 1000 a | |
| On-site threaded connection (flat seal) | 3/4″ Hose thread | |
| Connection hose length | 4.9 ft | 1.5 m |
| Connection hose extension * | 4.9 ft | 1.5 m |
- Optional accessory
Max. water temperature: 180 °F: 82 °C
Drain hose length: 4.9 ft: 1.5 m
Max. drain hose length: 13 ft: 4 m
Max. drain height: 3.3 ft: 1 m
Hose inner diameter: 0.87″: 22 mm
On-site hose sleeve (x length): 0.87″ x 1.18″: 22 x 30 mm
Operating conditions
| Ambient temperature | +41 – +104 °F | +5 – +40 °C | |
| Relative humidity: Up to 88 °F (31 °C), maximum | 80 % | ||
| Linear decreasing to 104 °F (40 °C) | 50 % | ||
| Max. altitude above sea level up to | 13,123 ft | 4,000 m |
Storage and transportation conditions
Ambient temperature: -4 – +140 °F: -20 – +60 °C
Relative humidity: 10–85 %
Air pressure: 500–1060 hPa
Min. site access dimensions including transport pallet
| Height | 38.2″ | 970 mm |
| Width | 26.4″ | 670 mm |
| Depth | 26.4″ | 670 mm |



















