58605 20A Plasma Cutter
20 AMP – 120 VOLT
Owner’s Manual
Visit our website at: http://www.harborfreight.com
Email our technical support at: [email protected]
58605
Safety Instructions
Save This Manual Keep this manual for safety warnings and precautions, assembly, operating, inspection, maintenance, and cleaning procedures. Write the product’s serial number on the back of the manual near the assembly diagram (or month and year of purchase if the product has no number). Keep this manual and the receipt in a safe and dry place for future reference.
When unpacking, make sure that the product is intact and undamaged. If any parts are missing or broken, please call 1-888-866-5797 as soon as possible.
Copyright© 2021 by Harbor Freight Tools®. All rights reserved. No portion of this manual or any artwork contained herein may be reproduced in any shape or form without the express written consent of Harbor Freight Tools. Diagrams within this manual may not be drawn proportionally. Due to continuing improvements, the actual product may differ slightly from the product described herein. Tools required for assembly and service may not be included.
WARNING
Read this material before using this product. Failure to do so can result in serious injury. SAVE THIS MANUAL.
| WARNING SYMBOLS AND DEFINITIONS | |
| This is the safety alert symbol. It is used to alert you to potential personal injury hazards. Obey all safety messages that follow this symbol to avoid possible injury or death. | |
DANGER | Indicates a hazardous situation that, if not avoided, will result in death or serious injury. |
| Indicates a hazardous situation that, if not avoided, could result in death or serious injury. | |
| Indicates a hazardous situation that, if not avoided, could result in minor or moderate injury. | |
| NOTICE CAUTION | Addresses practices not related to personal injury. |
IMPORTANT SAFETY INSTRUCTIONS
WARNING
Read all safety warnings and instructions.
Failure to follow the warnings and instructions may result in electric shock, fire, and/or serious injury. Save all warnings and instructions for future reference.
- DANGER! people with pacemakers should not use this plasma cutter or be nearby during use. plasma cutters, such as this one, produce strong, fluctuating electromagnetic fields that can cause pacemaker interference or pacemaker failure. people with pacemakers should consult their physician(s) for advice.
- Maintain a safe working environment.
Keep the work area well-lit. Make sure there is an adequate surrounding workspace. Keep the work area free of obstructions, grease, oil, trash, and other debris. Do not use in areas near flammable chemicals, dust, and vapors. Do not use it in a damp or wet location. - Never leave the plasma cutter unattended when it is plugged into an electrical outlet.
Turn off the Plasma Cutter, and unplug it from its electrical outlet before leaving.
Unplug the plasma cutter from its electrical outlet before performing any inspection, maintenance, or cleaning procedures, including changing accessories. - Avoid unintentional starting. Make sure the switch is in the off position before plugging it in. Make sure you are prepared to begin work before turning on the Plasma Cutter.
- Prevent eye injury and burns. Wearing personal protective equipment reduces the risk of injury.
• Wear an ANSI-approved welding helmet featuring at least a number 10 shade lens rating.
• Leather leggings, fire-resistant shoes, or boots should be worn when using this product. Do not wear pants with cuffs, shirts with open pockets, or any clothing that can catch and hold molten metal or sparks.
• Keep clothing free of grease, oil, solvents, or any flammable substances. Wear dry, insulating gloves and protective clothing.
• Wear an approved head covering to protect the head and neck. Use aprons, capes, sleeves, shoulder covers, and bibs designed and approved for welding and cutting procedures.
• When welding/cutting overhead or in confined spaces, wear fire-resistant ear plugs or ear muffs to keep sparks out of ears. - Maintain labels and nameplates on the plasma cutter. These carry important information. If unreadable or missing, contact Harbor Freight Tools for a replacement.
- prevent accidental fires. Remove any combustible material from the work area.
• When possible, move the work to a location well away from combustible materials. If relocation is not possible, protect the combustibles with a cover made of fire-resistant material.
• Remove or make safe all combustible materials for a radius of 35 feet (10 meters) around the work area. Use a fire-resistant material to cover or block all open doorways, windows, cracks, and other openings.
• Enclose the work area with portable fire-resistant screens. Protect combustible walls, ceilings, floors, etc., from sparks and heat with fire-resistant material.
• If working on a metal wall, ceiling, etc., prevent ignition of combustibles on the other side by moving the combustibles to a safe location. If relocation of combustibles is not possible, designate someone to serve as a fire watch, equipped with a fire extinguisher, during the cutting process and for at least one-half hour after the cutting is completed.
• Do not weld or cut on materials having a combustible coating or combustible internal structure, as in walls or ceilings, without an approved method for eliminating the hazard.
• Do not dispose of hot slag in containers holding combustible materials. Keep a fire extinguisher nearby and know how to use it.
• After welding or cutting, make a thorough examination for evidence of fire. Be aware that easily visible smoke or flame may not be present for some time after the fire has started. Do not weld or cut in atmospheres containing dangerously reactive or flammable gases, vapors, liquids, and dust.
• Provide adequate ventilation in work areas to prevent the accumulation of flammable gases, vapors, and dust. Do not apply heat to a container that has held an unknown substance or a combustible material whose contents, when heated, can produce flammable or explosive vapors. Clean and purge containers before applying heat. Vent closed containers, including castings, before preheating, welding, or cutting.
• Only use compressed air or nitrogen to operate the Plasma Cutter. Never use other compressed gases. Don’t exceed the maximum PSI for this product as stated on the specification table on page 5.
INHALATION HAZARD:
Welding and cutting produce TOXIC FUMES.
Exposure to welding or cutting exhaust fumes can increase the risk of developing certain cancers, such as cancer of the larynx and lung cancer. Also, some diseases that may be linked to exposure to welding or cutting exhaust fumes are:
• Early onset of Parkinson’s Disease
• Heart disease
• Ulcers
• Damage to the reproductive organs
• Inflammation of the small intestine or stomach
• Kidney damage
• Respiratory diseases such as emphysema, bronchitis, or pneumonia
Use natural or forced air ventilation and wear a respirator approved by NIOSH to protect against the fumes produced to reduce the risk of developing the above illnesses.- Avoid overexposure to fumes and gases.
Always keep your head out of the fumes. Do not breathe the fumes. Use enough ventilation or exhaust, or both, to keep fumes and gases from your breathing zone and general area.
• Where ventilation is questionable, have a qualified technician take an air sampling to determine the need for corrective measures. Use mechanical ventilation to improve air quality. If engineering controls are not feasible, use an approved respirator.
• Work in a confined area only if it is well ventilated, or while wearing an air-supplied respirator.
• Follow OSHA guidelines for Permissible Exposure Limits (PELs) for various fumes and gases.
• Follow the American Conference of Governmental Industrial Hygienists recommendations for Threshold Limit Values (TLVs) for fumes and gases.
• Have a recognized specialist in Industrial Hygiene or Environmental Services check the operation and air quality and make recommendations for the specific welding or cutting situation. - Keep hoses away from the welding/cutting area.
Examine all hoses and cables for cuts, burns, or worn areas before each use. If any damaged areas are found, replace the hoses or cables immediately. - Proper cylinder care. Secure cylinders to a cart, wall, or post, to prevent them from falling. All cylinders should be used and stored in an upright position. Never drop or strike a cylinder. Do not use cylinders that have been dented. Cylinder caps should be used when moving or storing cylinders. Empty cylinders should be kept in specified areas and clearly marked “empty.”
- Never use oil or grease on any inlet connector, outlet connector, or cylinder valves.
- Use only supplied torch on this plasma cutter. Using components from other systems may cause personal injury and damage to components within.
- Use proper EXtEnSiOn cOrD. Make sure your extension cord is in good condition. When using an extension cord, be sure to use one heavy enough to carry the current your product will draw. An undersized cord will cause a drop in line voltage resulting in loss of power and overheating. A 50-foot extension cord must be at least 12 gauge in diameter, and a 100-foot extension cord must be at least 10 gauge in diameter. If in doubt, use the next heavier gauge. The smaller the gauge number, the heavier the cord.
- Avoid tipping. Do not place it on an unstable or tilted surface.
- Do not use it for pipe-thawing.
- KEEP CHILDREN AWAY. All visitors should be kept at a safe distance from the work area.
- MAKE WORKSHOP KID PROOF with padlocks, master switches, or by removing starter keys.
- USE RIGHT Plasma Cutter. Don’t force Plasma Cutter or attachments to do a job for which it was not designed.
- SECURE WORK. Use clamps or a vise to hold work. It’s safer than using your hand and it frees both hands to operate Plasma Cutter.
- MAINTAIN PLASMA CUTTER WITH CARE. Keep Plasma Cutter clean for best and safest performance. Follow instructions for changing accessories.
- Inspect before every use; do not use if parts lose or damaged.
Symbology
| VAT | Volts Alternating Current |
| A | Amperes |
| OCV | Open Circuit Voltage |
| Electric Shock Hazard. Do not touch energized parts. | |
| Inhalation Hazard. Keep your head out of fumes and use proper ventilation. | |
| Read the manual before setup and/or use. | |
| Fire Hazard. Keep flammable materials away during welding. Spatter can cause accidental fires. | |
| Arc Ray Hazard. Wear a welding helmet with a properly rated filter lens. | |
| Pacemaker Hazard. Welding processes may interfere with pacemakers. Consult a doctor before use. |
Specifications
| Rated Input | 120 VAC/ 60 Hz / 20 A • 120 VAC/ 15 A with adaptor | |
| Open Circuit Voltage (OCV) | 400 V | |
| Output Range | 20 A Plug: 10 – 20 A | 15 A Plug: 10 –16 A |
| Rated Output Voltage | Cutting current 20 A • Working voltage 115 VDC | |
| Rated Duty Cycle | 35% @ 20 A 60% @ 16 A 100% @ 12 A | |
| Cutting Capacity | 22 gauge (0.79 mm) – 5/16″ (8.0 mm) | |
| Arc Striking System | High-Frequency arc ignition | |
| Gas Type | Clean, dry, oil-free air, or nitrogen gas | |
| Air Requirements | 5 CFM @ 70 –110 PSI | |
| Air Inlet | 1/4″ – 18 NPT | |
Setup
Read the EntirE iMpOrtant SaFEty inFOrMatiOn section at the beginning of this manual including all text under subheadings therein before setting up or use of this product.
Note: For additional information regarding the parts listed in the following pages, refer to the Assembly Diagram near the end of this manual.
Note: This Plasma Cutter may be shipped with a protective plug covering the Air Inlet. Remove this plug before set up.
Functions
power plug
- A 120 VAC, 20 A plug is wired into this item.
- This item includes a 120 VAC, and 15 A Plug Adapter to use the unit on a 120!VAC, 15!A circuit.
Air Supply
DANGER
TO PREVENT SERIOUS INJURY AND DEATH FROM EXPLOSION:
Use only clean, dry, regulated, oil-free, compressed air or nitrogen gas with this plasma cutter.
Do not use oxygen, acetylene, carbon dioxide, combustible gases, or any other bottled gas as a power source for this plasma cutter.
- Use a compressor that is capable of
supplying 5 CFM @ 70!–110 PSI. - Incorporate a filter, regulator with pressure gauge, dryer, in-line shutoff valve, and quick coupler for best service. an in-line shutoff ball valve is an important safety device because it controls the air supply even if the air hose is ruptured. the shutoff valve should be a ball valve because it can be closed quickly.
Note: In humid locations, multiple dryers may need to be incorporated to keep the air dry. Moisture in air SUPPLY May causes SHORTENED COMPONENT LIFE AND POOR CUT QUALITY.
Note: Do not use an oiler system with this plasma cutter. the oil will mix with the air being propelled, causing poor results. - Attach an air hose to the compressor’s air outlet. Connect the air hose to the Air Inlet on the back of the Plasma Cutter. Other components, such as a coupler plug and quick coupler, will make operation more efficient but are not required.
Note: Air flow, and therefore Plasma Cutter performance can be hindered by undersized air supply components. The air hose must be long enough to reach the work area with enough extra length to allow free movement while working.
Setting the compressor’s air pressure
- Set the Plasma Cutter’s power Switch to the OFF position.
- Turn on the air compressor according to the manufacturer’s directions and allow it to build up pressure until it cycles off.
- Verify that the air compressor’s output air pressure regulator is between.
- Inspect the air connections for leaks. Repair any leaks found.
Operation
Read the EntirE iMpOrtant SaFEty inFOrMatiOn section at the beginning of this manual including all text under subheadings therein before set up or use of this product.
Controls and Indicators
- Output current Knob
Turn the Output Current Knob to the desired current (10 to 20 amps). Lower currents reduce circuit breaker tripping. Adjust as needed after test cuts. Thicker material will use greater amperage. The thinner material will use lower amperage. - Power On Light
The green light turns on when the power is on. - Cutting Light
The red light turns on during the cutting operation. - Thermal Overload Light
Yellow light turns on if the Plasma Cutter shuts down due to overload. Stop using the Plasma Cutter while leaving the Power Switch ON to allow the cooling fan to operate. The light will turn off automatically when the Plasma Cutter cools down. Continue use while paying attention to The duty Cycle discussed on page 10. - Power Switch
Use to turn unit ON and OFF. - Power cord
- Air pressure regulator
- Air Inlet
- Air pressure Gauge
- Air Dryer
Preparation and Work Area
Warning! prevent eye serious injury and burns. Wearing personal protective equipment reduces the risk of serious injury.
- Wear an ANSI-approved welding helmet featuring at least a number 10 shade lens rating.
Leather leggings, fire-resistant shoes, or boots should be worn when using this product. Do not wear pants with cuffs, shirts with open pockets, or any clothing that can catch and hold molten metal or sparks.
Keep clothing free of grease, oil, solvents, or any flammable substances. Wear dry, insulating gloves and protective clothing. Wear an approved head covering to protect the
head and neck. Use aprons, capes, sleeves, shoulder covers, and bibs designed and approved for welding and cutting procedures.
Wear fire-resistant ear plugs or ear muffs to keep sparks out of ears. Do not breathe arc fumes. Use natural or forced air ventilation and wear a NIOSH-approved respirator.
Warning! TO prEVEnt SEriOuS inJury:
Prevent accidental fires. remove any combustible material from the work area. - Remove or make safe all combustible materials for a radius of 35 feet (10 meters) around the work area. Use a fire-resistant material to cover or block all open doorways,
windows, cracks, and other openings. Enclose the work area with portable fire-resistant screens. Protect combustible walls, ceilings, floors, etc., from sparks and heat with fire-resistant covers. - The floor and surrounding area must not be flammable. A clean concrete floor is recommended. The cutting process will eject molten metal slag onto the floor, and it will scatter for 8-10 feet or more in all directions. Keep multiple ABC-type fire extinguishers near the work area.
- Place the Plasma Cutter on a sturdy, level surface at least six feet from the work area. Allow at least 18″ around all sides of the Plasma Cutter for airflow.
- Place the Plasma Cutter on a sturdy, level surface at least six feet from the work area.
- Put the workpiece on a sturdy metal work table that is open below the cutting area. Molten slag will be blown through the workpiece, and must be able to fall away freely.
Mount the workpiece to be cut to the work table so that the cutting debris falls to the concrete floor. - Set up Air Supply according to instructions on page 7.
- Verify that the Power Switch is in the OFF position, then plug the Plasma Cutter:
a. into an appropriate 120!VAC outlet rated to at least 20 amps to limit nuisance circuit breaker tripping or
b. into an appropriate 120!VAC outlet rated to at least 15 amps, connecting the included 15 A Plug Adapter to the end of the Power Cord. - PLASMA cutting tips:
Using a Plasma Cutter is a skill that requires time and effort to do well.
a. Practice striking and maintaining an arc on scrap workpieces before beginning work. This will help determine the best settings for the Plasma Cutter for the material at hand.
b. All metals that conduct electricity can be cut. See cutting capacity on page 5 for thickness capabilities. Very thin or very thick metals are more difficult to cut cleanly.
c. Set the air pressure between 70 and 110 PSI. Increased air pressure will increase plasma speed and cutting pressure. Air pressure and amperage should be adjusted in tandem air pressure needs to increase as amperage increases. However, low amperage cuts will require less air pressure for a more stable cut.
d. Generally start with a mid-range amperage setting and adjust up or down from there. Increased amperage will increase cutting heat. This is needed with thicker and harder metals. However, increased amperage will reduce Duty Cycle time. (See page10.)
e. Move the Torch more slowly for thicker and harder metals, and more quickly for thin or soft metals. Keep the Torch moving while cutting.Thicker Material High amps
More air pressureThinner Material Low amps
Less air pressure
Basic Operation
DANGER
PLASMA ARC CAN CAUSE SERIOUS INJURY, INCLUDING SEVERE CUTS, BURNS, PERMANENT EYE DAMAGE, AND BLINDNESS!
Once the trigger is squeezed, the arc will ignite IMMEDIATELY. The Torch does not need to contact the workpiece before the pilot arc ignites. Do not look at the Plasma Arc without an ANSI-approved welding helmet featuring at least a number 10 shade lens rating. •
- BEFORE EACH USE, inspect the general condition of the Plasma Cutter. Check for:
• loose hardware
• damaged cord/electrical wiring
• cooling fan operation
• cracked or broken parts
• any other condition that may affect its safe operation.
Have a qualified technician correct any problems before operation. - MAINTAIN TORCH COMPONENTS BEFORE EVERY USE AND AFTER EVERY HOUR OF OPERATION.
Make sure the Torch is completely cool, then:
a. Disassemble the Torch.
b. Inspect the cutting tip.
Replace if the interior is damaged, or if the opening is enlarged or gouged. Clean inside as needed with steel wool, (remove any pieces of steel wool afterward).
c. Inspect the Electrode. replace if pitted 1/16″ or more or if misshapen. IMMEDIATELY REPLACE WORN COMPONENTS.
d. Make sure all other internal torch components are undamaged, clean, and free of debris.
e. nOticE: assemble Electrode just snug using a wrench, but do not overtighten.
f. Insert the Cutting Tip into the torch.
g. Assemble the Retaining Cup tightly.
DO NOT USE WITH WORN COMPONENTS.
USING WORN COMPONENTS WILL VOID THE WARRANTY AND DAMAGE THE PLASMA CUTTER.
Duty Cycle
Duty Cycle is the equipment specification that defines the number of minutes within a 10-minute period that a piece of equipment can safely operate.
When using a 120V 15A circuit, this Plasma Cutter has a 60% duty cycle at 16 amps, which means that it may be used only 6 minutes at 16 amps out of any 10-minute period, and must be rested for the remaining 4 minutes.
When using a 120V 20A circuit, this Plasma Cutter has a 35% duty cycle at 20 amps, which means that it may be used only 3.5 minutes at 20 amps out of any 10-minute period, and must be rested the remaining 6.5 minutes.
NOTICE: Failure to follow the duty cycle limitations of this Plasma Cutter can easily damage this equipment and will void the warranty.
- Securely attach the Ground Clamp to a part of the workpiece or metal work table that is clean, dry, and free from paint, oil, or dirt. Clamp as close as possible to the planned cut without exposing the Clamp to damage.
- When everything is in place for cutting, set the Power Switch to the On position. The green Power Light will illuminate, but the Torch is not yet energized.
- Orient yourself to one side of the cutting area, and move the Welding Helmet (sold separately) over your eyes.

- Position the Torch near the workpiece at the start of the cut.
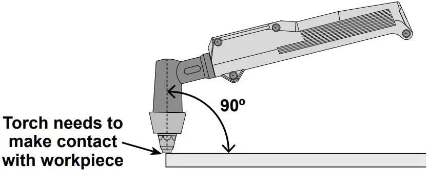
Keep Cutting Tip at a 90º angle to the workpiece, and in contact with the workpiece.
- Do not press the trigger until the torch is in position to start cutting. Starting at the edge of the workpiece, press and hold the Trigger to strike the pilot arc. When the arc ignites, start slowly moving the Torch along the cut line.

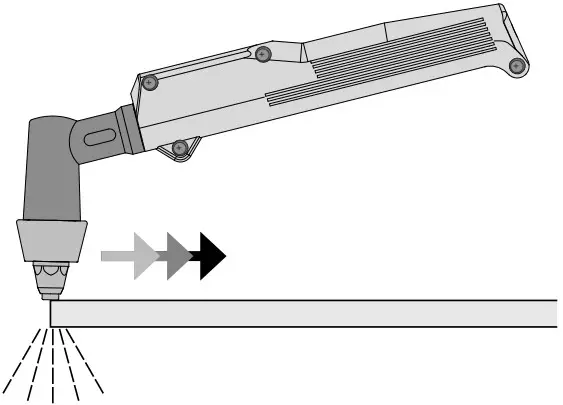
- Slowly move the Torch along the cutting line with the Cutting Tip trailing.
Note: Keep the Torch Cutting Tip pointed straight (90º) into the workpiece and in contact with the surface throughout the cut. Consistent workpiece contact and cutting speed are critical. Sparks should pass through the workpiece at a slight angle.
- If sparks start shooting up from the workpiece instead of passing through, the Torch is being moved too quickly so the cut is not being made completely. Move the Torch along the workpiece more slowly to cut completely.

- If sparks pass straight down through the bottom of the workpiece instead of at a slight angle, the Torch is being moved too slowly. This could cause the arc to extinguish. Move the Torch a little faster.
Note: if the plasma cutter suddenly shuts off, check:
a. torch contact with the workpiece.
b. poor workpiece grounding.
c. dirty/painted workpiece.
d. thermal Overload tripping. (See number 4 on page 8.)
- Pause briefly at end of the cut.

- Release the Trigger. The air will continue to come out of the Torch for a few seconds once the Trigger is released to cool off the Torch components.
- When finished cutting:
a. Lift the Torch from the workpiece and set it down on a cool part of the metal work table.
b. Wait 10 minutes for the Plasma Cutter to cool down with the Power Switch On so the fan continues to operate.
c. Press the Power Switch to the OFF position.
d. Turn the air supply off and disconnect the airlines.
e. Unplug the Power Cord from the electrical outlet.
Maintenance
Procedures not specifically explained in this manual must be performed only by a qualified technician.
WARNING
TO PREVENT SERIOUS INJURY FROM ACCIDENTAL OPERATION OR ELECTRIC SHOCK:
Make sure the power Switch of the plasma cutter is in its “OFF” position and that the plasma cutter is unplugged from the electrical outlet before performing any inspection, maintenance, or cleaning procedures.
To prevent serious injury from plasma cuter file:
Do not use damaged equipment. if abnormal noise, vibration, or leaking air occurs, have the problem corrected before further use.
Cleaning and Maintenance
Note: These procedures are in addition to the regular checks and maintenance explained as part of the regular operation of the air-operated tool.
- BEFORE EACH USE, disassemble the torch, inspect and replace worn components, then reassemble the torch tightly according to number 2 on page 10.
- Daily – air Supply Maintenance: Every day, maintain the air supply according to the component manufacturers’ instructions. Drain the dryer regularly. Performing routine air supply maintenance will allow the tool to operate more safely and will also reduce wear on the tool.
- PERIODICALLY, blow the dust from the cooling vents with compressed air.
- If the unit repeatedly shuts down from thermal overload, stop all use. Has the Plasma Cutter been inspected and repaired by a qualified service technician?
- Opening the Plasma Cutter will void the warranty, and may result in damage to equipment or possible personal injury.
DO NOT OPEN THE HOUSING.
Any repairs must be completed by a qualified technician. - Store the Plasma Cutter and accessories in a clean and dry location out of reach of children.
WARNING! TO PREVENT SERIOUS INJURY: If the supply cord of this Plasma Cutter is damaged, it must be replaced only by a qualified service technician.
Troubleshooting
IMPORTANT!
Be certain to shut off the plasma cutter, and disconnect it from power and air before adjusting, cleaning, or repairing the unit. a technician should discharge all capacitors before performing any internal procedures.
THE FAN RUNS SWITCHED ON BUT THE ARC WILL NOT IGNITE
ARC IGNITES FOR SEVERAL SECONDS BUT THEN OUT
CUT GOES ONLY PARTIALLY THROUGH THE WORKPIECE
FASTF CUTTING TIP WEAR OR EXCESSIVE SLAG FORMATION

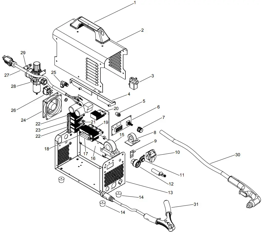
parts List and Diagram
PLEASE READ THE FOLLOWING CAREFULLY
THE MANUFACTURER AND/OR DISTRIBUTOR HAS PROVIDED THE CIRCUIT DIAGRAM, PARTS LIST, AND ASSEMBLY DIAGRAM IN THIS MANUAL AS A REFERENCE TOOL ONLY. NEITHER THE MANUFACTURER NOR DISTRIBUTOR MAKES ANY REPRESENTATION OR WARRANTY OF ANY KIND TO THE BUYER THAT HE OR SHE IS QUALIFIED TO MAKE ANY REPAIRS TO THE PRODUCT, OR THAT HE OR SHE IS QUALIFIED TO REPLACE ANY PARTS OF THE PRODUCT. IN FACT, THE MANUFACTURER AND/OR DISTRIBUTOR EXPRESSLY STATES THAT ALL REPAIRS AND PARTS REPLACEMENTS SHOULD BE UNDERTAKEN BY CERTIFIED AND LICENSED TECHNICIANS, AND NOT BY THE BUYER. THE BUYER ASSUMES ALL RISK AND LIABILITY ARISING OUT OF HIS OR HER REPAIRS TO THE ORIGINAL PRODUCT OR REPLACEMENT PARTS THERETO OR ARISING OUT OF HIS OR HER INSTALLATION OF REPLACEMENT PARTS THERETO.
parts List
| part | Description | Qty |
| 1 | Handle | 1 |
| 2 | Top Housing | 1 |
| 3 | Solenoid Valve | 1 |
| 4 | Beam | 1 |
| 5 | Air Interface | 1 |
| 6 | Display PCB | 1 |
| 7 | Output Current Knob | 1 |
| 8 | Transfer PCB | 1 |
| 9 | Bracket | 1 |
| 10 | Torch Cable Socket | 1 |
| 11 | Torch Trigger Connector | 1 |
| 12 | Ground Clamp Cable Socket | 1 |
| 13 | Bottom | 1 |
| 14 | Foot | 4 |
| 15 | Transformer | 1 |
| 16 | HF PCB | 1 |
| 17 | Resistor | 1 |
| 18 | Radiator | 1 |
| 19 | Fast Recovery Diode | 3 |
| 20 | Radiator | 1 |
| 21 | IGBT | 2 |
| 22 | Radiator | 2 |
| 23 | Radiator Support Bar | 1 |
| 24 | Fan | 1 |
| 25 | Air Regulator Connector | 1 |
| 26 | Power Switch | 1 |
| 27 | Power Cord | 1 |
| 28 | Air Pressure Regulator | 1 |
| 29 | Air Inlet Connector | 1 |
| 30 | Torch | 1 |
| 31 | Ground Clamp | 1 |
| 32 | 120!VAC 15!A Plug Adapter (not shown) | 1 |
Assembly Diagram

Record the product’s Serial number Here:
Note: if the product has no serial number, record the month and year of purchase instead.
Note: Some parts are listed and shown for illustration purposes only, and are not available individually as replacement parts. Specify UPC 193175442161 when ordering parts.
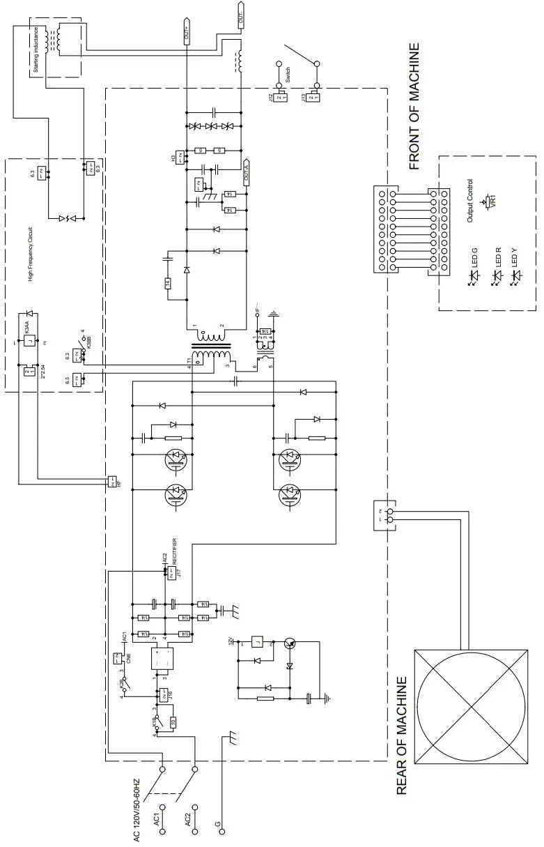
Wiring Diagram

Limited 90-Day Warranty
Harbor Freight Tools Co. makes every effort to assure that its products meet high quality and durability standards, and warrants to the original purchaser that this product is free from defects in materials and workmanship for the period of 90 days from the date of purchase. This warranty does not apply to damage due directly or indirectly, to misuse, abuse, negligence or accidents, repairs or alterations outside our facilities, criminal activity, improper installation, normal wear, and tear, or lack of maintenance. We shall in no event be liable for death, injuries to persons or property, or for incidental, contingent, special or consequential damages arising from the use of our product. Some states do not allow the exclusion or limitation of incidental or consequential damages, so the above limitation or exclusion may not apply to you. THIS WARRANTY IS EXPRESSLY IN LIEU OF ALL OTHER WARRANTIES, EXPRESS OR IMPLIED, INCLUDING THE WARRANTIES OF MERCHANTABILITY AND FITNESS.
To take advantage of this warranty, the product or part must be returned to us with transportation charges prepaid. Proof of purchase date and an explanation of the complaint must accompany the merchandise.
If our inspection verifies the defect, we will either repair or replace the product at our election or we may elect to refund the purchase price if we cannot readily and quickly provide you with a replacement. We will return repaired products at our expense, but if we determine there is no defect, or that the defect resulted from causes not within the scope of our warranty, then you must bear the cost of returning the product.
This warranty gives you specific legal rights and you may also have other rights which vary from state to state.
26677 agoura road
calabasas, ca 91302
1-888-866-5797
b. Inspect the cutting tip.























