MICHIGAN PLASMA30 30A Plasma Cutter

SAVE THESE INSTRUCTIONS
GENERAL SAFETY RULES
WARNING: Read and understand all instructions. Failure to follow all instructions listed below may result in serious injury.
CAUTION
Do not allow persons to operate or assemble this PLASMA30 until they have read this manual and have developed a thorough understanding of how the PLASMA30
WARNING
The warnings, cautions, and instructions discussed in this instruction manual cannot cover all possible conditions or situations that could occur. It must be understood by the operator that common sense and caution are factors which cannot be built into this product, but must be supplied by the operator
IMPORTANT SAFETY CONSIDERATIONS
- Keep the environment you will be welding in free from flammable materials.
- Always keep a fire extinguisher close to your welding environment.
- Always have a qualified person install and operate this equipment.
- Make sure the area is clean, dry and well ventilated. Do not operate the welder in humid, wet or poorly ventilated areas.
- Always have your welder maintained by a qualified technician in accordance with local, state and national codes.
- Always be aware of your work environment. Be sure to keep other people, especially children, away from you while welding.
- Keep harmful arc rays shielded from the view of others.
- Mount the welder on a secure bench or cart that will keep the welder secure and prevent it from tipping over or falling.
Your Machine’s Condition
- Check ground cable, power cord and welding cable to be sure the insulation is not damaged. Always replace or repair damaged components before using the welder.
- Check all components to ensure they are clean and in good operating condition before use.
Use of Your Machine
- Do not operate the welder if the output cable, electrode, MIG gun, wire or wire feed system is wet. Do not immerse them in water. These components and the welder must be completely dry before attempting to use them.
- Follow the instructions in this manual.
- Keep welder in the off position when not in use.
- Connect ground lead as close to the area being welded as possible to ensure a good ground.
- Do not allow any body part to come in contact with the welding wire if you are in contact with the material being welded, ground or electrode from another welder.
- Do not weld if you are in an awkward position. Always have a secure stance while welding to prevent accidents. Wear a safety harness if working above ground.
- Do not drape cables over or around your body.
- Wear a full coverage helmet with appropriate shade (see ANSI Z87.1 safety standard) and safety glasses while welding.
- Wear proper gloves and protective clothing to prevent your skin from being exposed to hot metals, UV and IR rays.
- Do not overuse or overheat your welder. Allow proper cooling time
between duty cycles. - Keep hands and fingers away from moving parts and stay away from the drive rolls.
- Do not point MIG gun at any body part of yourself or anyone else.
- Always use this welder in the rated duty cycle to prevent excessive heat and failure.
Specific Areas of Danger, Caution or Warning
Electrical Shock
- Electric arc machines can produce a shock that can cause injury or death. Touching electrically live parts can cause fatal shocks and severe burns. While cutting, all metal components connected to the wire are electrically hot. Poor ground connections are a hazard, so secure the ground lead before cutting.
- Wear dry protective apparel: coat, shirt, gloves and insulated footwear.
- Insulate yourself from the work piece. Avoid contacting the work piece or ground.
- Do not attempt to repair or maintain the welder while the power is on.
- Inspect all cables and cords for any exposed wire and replace immediately if found.
- Use only recommended replacement cables and cords.
- Always attach ground clamp to the work piece or work table as close to the weld area as possible.
- Do not touch the welding wire and the ground or grounded work piece at the same time.
- Do not use a welder to thaw frozen pipes.
Fumes and Gases
- Fumes emitted from the welding process displace clean air and can result in injury or death.
- Do not breathe in fumes emitted by the welding process. Make sure your breathing air is clean and safe.
- Work only in a well-ventilated area or use a ventilation device to remove welding fumes from the environment where you will be working.
- Do not weld on coated materials (galvanized, cadmium plated or containing zinc, mercury or barium). They will emit harmful fumes that are dangerous to breathe. If necessary use a ventilator, respirator with air supply or remove the coating from the material in the weld area.
- The fumes emitted from some metals when heated are
extremely toxic. Refer to the material safety data sheet for
the manufacturer’s instructions. - Do not weld near materials that will emit toxic fumes when heated. Vapors from cleaners, sprays and degreasers can be highly toxic when heated.
UV and IR Arc Rays
- The welding arc produces ultraviolet (UV) and infrared (IR) rays that can cause injury to your eyes and skin. Do not look at the welding arc without proper eye protection.
- Always use a helmet that covers your full face from the neck to top of head and to the back of each ear.
- Use a lens that meets ANSI standards and safety glasses. For welders under 160 Amps output, use a shade 10 lens; for above 160 Amps, use a shade 12. Refer to the ANSI standard Z87.1 for more information.
- Cover all bare skin areas exposed to the arc with protective clothing and shoes. Flame-retardant cloth or leather shirts, coats, pants or coveralls are available for protection.
- Use screens or other barriers to protect other people from the arc rays emitted from your welding.
- Warn people in your welding area when you are going to strike an arc so they can protect themselves.
Fire Hazards
- Do not weld on containers or pipes that contain or have had flammable, gaseous or liquid combustibles in them. Welding creates sparks and heat that can ignite flammable and explosive materials.
- Do not operate any electric arc welder in areas where flammable or explosive materials are present.
- Remove all flammable materials within 35 feet of the welding arc. If removal is not possible, tightly cover them with fireproof covers.
- Take precautions to ensure that flying sparks do not cause fires or explosions in hidden areas, cracks or areas you cannot see.
- Keep a fire extinguisher close in the case of fire.
- Wear garments that are oil-free with no pockets or cuffs that will collect sparks.
- Do not have on your person any items that are combustible, such as lighters or matches.
- Keep work lead connected as close to the weld area as possible to prevent any unknown, unintended paths of electrical current from causing electrical shock and fire hazards.
- To prevent any unintended arcs, cut wire back to ¼” stick out after welding.
Hot Materials
- Welded materials are hot and can cause severe burns if handled improperly.
- Do not touch welded materials with bare hands.
- Do not touch MIG gun nozzle after welding until it has had time to cool down.
Sparks/Flying Debris
- Welding creates hot sparks that can cause injury. Chipping slag off welds creates flying debris.
- Wear protective apparel at all times: ANSI-approved safety glasses or shield, welder’s hat and ear plugs to keep sparks out of ears and hair.
Electromagnetic Field
- Electromagnetic fields can interfere with various electrical and electronic devices such as pacemakers.
- Consult your doctor before using any electric arc welder or cutting device
- Keep people with pacemakers away from your welding area when welding.
- Do not wrap cable around your body while welding.
- Wrap MIG gun and ground cable together whenever possible.
- Keep MIG gun and ground cables on the same side of your body.
Shielding Gas Cylinders Can Explode
- High pressure cylinders can explode if damaged, so treat them carefully.
- Never expose cylinders to high heat, sparks, open flames, mechanical shocks or arcs.
- Do not touch cylinder with MIG gun.
- Do not weld on the cylinder
- Always secure cylinder upright to a cart or stationary object.
- Keep cylinders away from welding or electrical circuits.
- Use the proper regulators, gas hose and fittings for the specific application.
- Do not look into the valve when opening it.
- Use protective cylinder cap whenever possible
PROPER CARE, MAINTENANCE AND REPAIR
WARNING
Always have power disconnected when working on internal components. Do not touch or handle PC board without being properly grounded with a wrist strap. Put PC board in static proof bag to move or ship. Do not put hands or fingers near moving parts such as drive rolls of fan.
PLASMA30 Use and Care
Do not modify the PLASMA30 in any way. Unauthorized modification may impair the function and/or safety and could affect the life of the equipment. There are specific applications for which the PLASMA30 was designed.
- Always check of damaged or worn out parts before using the PLASMA30. Broken parts will affect the PLASMA30 operation. Replace or repair damaged or worn parts immediately.
- When PLASMA30 is not in use, store it in a secure place out of the reach of children. Inspect it for good working condition prior to storage and before re-use.
Caring for the Environment
When a tool is no longer usable it should not be disposed of with household waste, but in an environmentally friendly way. Please recycle where facilities exist. Check with your local council authority for recycling advice. Recycling packaging reduces the need for landfill and raw materials. Reuse of recycled material decreases pollution in the environment. Please recycle packaging where facilities exist. Check with your local council authority for recycling advice.
Transport and Storage
- Hold the handle or the bottom to move it.
- The machines should be firmly secured during transportation.
- The machines should be stored out of the rain.
- Keep notice of Attention sign on the packing box.
DESCRIPTION
The PLASMA30 is an efficient method of cutting metal. Its working principle is to use compressed air as the ionization medium and forms a high-density plasma arc heat source by the torch nozzle’s compression effect, which as a result melts the metal. The melted metal will be blown off by the high speed air flow and at the same time to forms a narrow cutting slot, thus the metal can be cut very rapidly.
This cutting equipment has good features such as easy operation, energy saving, high speed cutting, narrow cutting slot, and low deformation of work pieces. It is suitable for almost all metal plate and pipe materials, including mild steel, stainless steel, aluminum, copper, titanium, nickel alloy, cast iron etc. It is widely used in many industries such as ship building, motor manufacturing, metal structures, boiler making, pressure vessel and pipe making, medical appliance and machinery manufacture etc.
Specifications and Dimensions
- Item PLASMA30
- Input power 240V (220 ~ 240)
- Frequency 50/60Hz
- Rated input current 20A
- Rated input capacitance 4.8KVA
- No-load voltage 420V
- Rated working voltage 92V
- PLASMA cutting current 10 ~ 30A
- Rated duty cycle 25%
- Welding current (10min) 25%@30A
- Max Mild Steel Cutting Thickness 10mm
- 10min/100% 15A
- Insulation class H
- Enclosure protection IPS1S
- Cooling type Fan cooled
- Dimension 375×180×275(L×W×Hmm)
- Weight 6.4kg
Unpacking
- Remove cartons, bags or Styrofoam containing the welder and accessories.
- Check the contents with the packing list below.
- Item QTY
- PLASMA30 power source 1 unit
- 5M PT31 Plasma torch 1pc
- 3M Earth Clamp 1pc
- Guide wheel 1pc
- Hose Clamp 1pc
- Regulator w/nitto coupler 1pc
- Wrench 1pc
- Spare nozzles 3pc
- Spare electrodes 3pc
- Operator’s Manual 1
- After unpacking unit, inspect carefully for any damage that may have occurred during transit. Check for loose, missing, or damaged parts. Shipping damage claim must be filed with carrier.
Front Control Panel

- Cut Current Setting Knob Adjusts the cut amperage
- Power Indicator: When the machine is turned on, the power indicator will be on.
- Working Indictor: When the cutting torch be triggered, the working indictor will be on
- Alarm Indicator: When the thermal indicator is on, it shows the machine is overloaded and the internal temperature is too high. Cut output will turn off automatically but the fan will still be working. When the internal temperature is decreased, the overload light will turn off and the machine will be ready to weld.
INSTALLATION
Power Requirement
AC single phase 240V, 50/60 Hz fused with a suitable time delayed fuse or circuit breaker is required
WARNING
High voltage danger from power source! Consult a qualified electrician for proper installation of receptacle. This welder must begrounded while in use to protect the operator from electrical shock. Do not remove grounding prong or alter the plug in any way. Do not use any adapters between the welder’s power cord and the power source receptacle. Make sure the POWER switch is OFF when connecting your welder’s power cord to a properly grounded 240Vac, 50/60Hz, single phase power source.
Extension Cord
It is strongly recommended that an extension cord should not be used because of the voltage drop they produce. This drop in voltage can affect the performance of the welder. If you need to use an extension cord it must be at least 6mm2 and less than 8 min length.
Installation & Maintenance of the Torch & Replacement of the Spare Parts
Please notice: Please make sure the power supply switch is off before loading/unloading the cutting torch and replacing the spare parts. The installation of the torch’s spare parts should follow the order according to the pictures listed below. Replace the nozzle when it becomes ineffective and effects cutting performance. The electrode should be replaced when it is shortened to about 2mm Ensure cables and pipes are not damage or excessively worn

Appearance and Connection

Operation
- Switch on the power supply switch at rear of the machine. Check the front panel to ensure none of the warning lights are ‘on’. If it is normal you should hear the fan run; and the (Power Indicator) should be on.
- Adjust air regulator valve to required pressure to suit cutting thickness.
Manual cutting
Manual Contact Cutting
Put the torch’s nozzle at the start of the work piece (with slight touch or lift). Turn on the torch switch to ignite the plasma pilot. After the work piece is cut thoroughly, then move the torch along the cutting direction uniformly. The cutting speed should be aimed to cutting thoroughly. If the speed is too quick, the work piece won’t be cut thoroughly, or if too slow, the cut quality would be affected and could result in a broken arc. Turn off the torch after the cutting, then the plasma pilot will extinguish and then withdraw the torch. The cutting process is finished.
Notice while cutting
It’s better to start cutting at the edge of the work piece, unless you must do perforation cutting of the work piece. Keep a space between the nozzle and the work space. If the torch is pressed into the work piece heavily it will make the nozzle stick onto the work piece.It is recommended to “pull” rather than “push” during the cutting process Keep the torch’s nozzle vertical against the work piece, and observe if the arc is moving along the cutting line. Do not repeatedly press the torch switch rapidly, otherwise the pilot system and relative work piece will be destroyed.
| Material | Steel plate thickness | Cutting Current (A) | PSI | Air Flow L/min |
| Steel | 2-5mm | 15 – 20 | 60 | 200 |
| Steel | 6-8mm | 20 – 28 | 65 | 200 |
| Steel | 10mm | 28-30 | 70 | 200 |
| Stainless Steel | 2-4mm | 15 – 20 | 55 | 200 |
| Stainless Steel | 4-6mm | 20 – 30 | 65 | 200 |
SERVICE, MAINTENANCE, TRANSPORTATION & STORAGE
The welder needs regular maintenance as following:
- Periodically clean dust, dirt, grease, etc. from your welder.
- Every six months, or as necessary, remove the cover panel from the welder and airblow any dust and dirt that may have accumulated inside the welder.
- Replace power cord, ground cable, ground clamp, or electrode assembly when damaged or worn.
- Store in a clean dry facility free from corrosive gas, excess dust and high humidity. Temperature range from 10°F-120°F and the relative humidity not more than 90%.
- When transporting or storing the welder after use, it is recommended to repack the product as it was received for protection. (Cleaning is required before storage and you must seal the plastic bag in the box for storage.
Maintenance and Service
- The PLASMA30 welder is a semi-automatic gas shielded welder. To properly
operate & maintain the welder can assure it of good performance and prolong
its operating life. Only the qualified personnel are allowed to be in charge of
repairing. It is strongly recommended customers contact with our company or
agent for technical, repairing, accessories supply and service back-up when they
feel unable to work out the technical hitch or problems. - Maintenance job should be conducted by an authorised service agent.
- The newly installed welder or it not in use for some time needs to be surveyed
the insulation resistances between each winding and every winding to case with
multimeter, which cannot be less than 2.5MΩ. - Keep from rain, snow and long-term exposing to sunlight when welder is used outdoor.
- If the welder is not in use either for a long time or temporarily, it should be kept dry and have good ventilation to free it from moisture, eroded or toxic gas. The tolerable temperature ranges from -20°C+55°C, and the relative humidity cannot be more than 90%.
- Dust removal
- The professional maintenance personnel should use dry compressed air (use air compressor or bellows) to remove the dust inside the machine. The part adhering to grease must be cleaned with cloth while make sure there are no loosing parts existed in the tightened places and connected cable. Usually, the machine should be cleaned once a year if the dust accumulation problem is not very serious, while it needs cleaning once or even twice every quarter if the dust accumulation problem is serious.
- Regularly check the input & output cables of welder to guarantee they are firmly connected.
- Regularly check the gas system, for any abnormal sound and for any loose components.
- Keep torch cable direct when welding.
- Regularly clean the nozzle (do not knock the torch head to remove debris. Don’t remove the feeder device by pulling the torch cable.
- Use welding specific wire, not inferior or rusty wire
ATTENTION
- The welder voltage is high, so the safety precautions should be implemented before repairing to avoid accidental shock. Under no circumstance can anyone except authorised service agents should open the case of the machine.
- Switch off the power source each time when removing dust.
No touching inside cable or work piece while removing dust. While practicing to use your new welder, experiment holding the torch in different positions until you find the one that seems to work best for you.
PLASMA30 TROUBLE SHOOTING CHART
| No | Breakdown | Analysis | Solutions |
|
1 |
Alarm Indicator On | Voltage is too high (≥15%) | Switch off power source; Check the main supply; Restart welder when power recovers to normal state. |
| Voltage is too low (≤15%) | |||
| Circumstance temperature is too high. | It will automatically recover when the temperature low down. | ||
| Using over the rated duty- cycle. | It will automatically recover when the temperature low down. | ||
| 2 | Cooling Fan not working or turning very slowly | Fan appears damaged | Replacement may be required. Contact the place of purchase for a qualified repair agent. |
| Fan’s down-lead not working | Contact the place of purchase for a qualified repair agent. | ||
| Fan’s leaf is blocked | Clean the block | ||
|
4 | No response after turning on power supply | Switch broken | Replacement may be required. Contact the place of purchase for a qualified repair agent |
| Power supply switch not working | Replacement may be required. Contact the place of purchase for a qualified repair agent | ||
| Fuse appears damaged | Replacement may be required. Contact the place of purchase for a qualified repair agent | ||
| Transformer not working | Replacement may be required. Contact the place of purchase for a qualified repair agent | ||
| Main controlling board appears damaged | Replacement may be required. Contact the place of purchase for a qualified repair agent | ||
|
5 |
No response after turning on the torch switch | Switch and down-lead are broken | Replacement may be required. Contact the place of purchase for a qualified repair agent. |
| Switch board not working | Replacement may be required. Contact the place of purchase for a qualified repair agent. | ||
| Main controlling board appears damaged | Replacement may be required. Contact the place of purchase for a qualified repair agent. | ||
| Transformer appears damaged | Replacement may be required. Contact the place of purchase for a qualified repair agent. |
| 7 | Others | Please connect with our company |
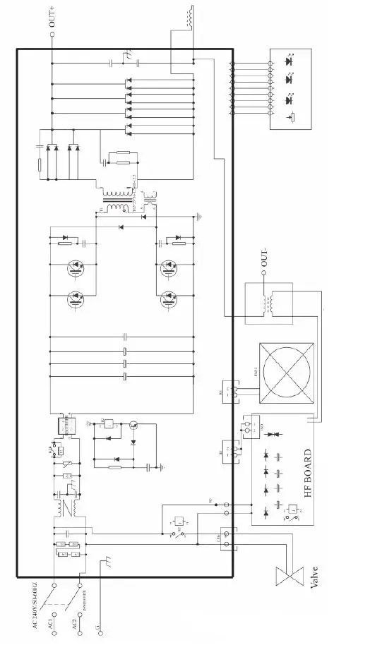
MAIN CIRCUIT CHART

PARTS BREAKDOWN

| NO. | Part Name | Materiel Code | QTY |
| 1 | Top Cover | S2043552 | 1 |
| 2 | Handle | 20300439 | 1 |
| 3 | Handle Cover | 20300441 | 1 |
| 4 | Pneumatic Connector | 12700095 | 1 |
| 5 | Pressure Relief Valve | 70100894 | 1 |
| 6 | Power Cable | 12700925 | 1 |
| 7 | Cable Clip | 30406017 | 1 |
| 8 | Switch | 30715118 | 1 |
| 9 | Front Plastic | 30203265 | 1 |
| 10 | Fan Cover | 30401010 | 1 |
| 11 | Fan | 30712234 | 1 |
| 12 | Inductance | 30605443 | 1 |
| 13 | Bottom Case | S2043553 | 1 |
| 14 | Quick Connector | VS020619 | 1 |
| 15 | Insulation Base | 20300420 | 1 |
| 16 | Air Connector | 30704107 | 1 |
| 17 | Angle Iron | 30304237 | 2 |
| 18 | Cutting Grab Connector | VS021755 | 1 |
| 19 | Window | 30203266 | 1 |
| 20 | Knob | 30406066 | 1 |
| 21 | Panel | 30206642 | 1 |
| 22 | Given PCB | S3002727 | 1 |
| 23 | Arc Striking PCB | S3003065 | 4 |
| 24 | Beam | 30206641 | 1 |
| 25 | Pneumatic Connector | 30703051 | 2 |
| 26 | Solid Volve | 70100079 | 1 |
| 27 | Pneumatic Connector | 12700479 | 1 |
| 28 | High Frequency PCB | S3003064 | 1 |
| 29 | Main PCB | F3E00520 | 1 |
WARRANTY INFORMATION
This warranty is provided by Total Tools (Importing) Pty Ltd 20 Thackray Road, Port Melbourne, VIC 3207 (we, us, our).
Express warranty
Subject to the exclusions set out below, we warrant that this product will be free from defects in materials or workmanship for a period of 12 months from the date of purchase. The benefits conferred by this warranty are in addition to all rights and remedies which you may be entitled to under the Australian Consumer Law, and any other statutory rights you may have under other applicable laws. This warranty does not exclude, restrict, or modify any such rights or remedies.
Warranty exclusions
This express warranty does not apply where a defect or other issue with the product is caused by normal wear and tear, misuse, or abuse of the product.
Consumer guarantees
Our goods come with guarantees that cannot be excluded under the Australian Consumer Law. You are entitled to a replacement or refund for a major failure and for compensation for any other reasonably foreseeable loss or damage. You are also entitled to have the goods repaired or replaced if the goods fail to be of acceptable quality and the failure does not amount to a major failure.
Warranty claims
To make a claim under this warranty, you must bring the product along with the proof of purchase and any other documentary evidence which you think is relevant to the Total Tools’ place of purchase where the claim will be handled on our behalf. Any cost incurred by you in bringing the product to the place of purchase will be borne by you. To make a claim under this warranty, the product and proof of purchase must be returned to the Total Tools place of purchase during the warranty period specified above. If your warranty claim is accepted, we (or the Total Tools store that handles the claim on our behalf) will, at our discretion, repair or replace the product, or refund money to you and take back the product
| MULTI80S2 POWER SOURCE | Warranty Period |
| Original main Transformer | 1 Year |
| Original main power rectifiers, printed circuit boards and power switch semiconductors | 2 Year |
| PLASMA30 ACCESSORIES | Warranty Period |
| Electrode holder, earth clamp and cables | 3 months |
















