FETTEC FET59 AIO 35A N Module

Introduction
Thank you for purchasing the FETtec AIO 35A – N.
Features
FC:
- Latest STM32G4 Processor
- 170Mhz + Math accelerator
- MPU6000
- Supply voltage 12-25V (3S-6S Lipo voltage)
- 2x dedicated onboard 5V BEC for VTX (max. 600mA each)
- 5V BEC for RX
- 5V/16V BEC for VTX (switchable and real Pit*)
- 1x 8 pin connector for solder free VTX, cam connection and OSD or digital systems
- VCC, GND, Video in, Video out, BEC 5V/16V, VCS/TX3, RX3
- 2x 4 pin connector for receiver and VTX
- Signal, telemetry, 5V, gnd
- Gnd, 5V, TX1, RX1
- 5 UART serials
- UART 1 free
- UART 2 used for Receiver
- UART 3 free
- UART 4 free
- UART 5 used for ESCs / TLM / Onewire
- Solder pad for RGB LEDs
- Supported ESC protocols
- PWM, Oneshot125, Oneshot42, Dshot150/300/600/1200/2400, FETtec Onewire
- KISS FC firmware
real Pit-Mode: A power supply pin which is remotely switchable
ESC:
- Active current limiting @ 35A
- Input voltage: 3s-6s
- High quality 40V MOSFETs
- STM32G071 @ 64MHz
- up to 128 kHz Motor PWM
- Full sine wave control
- Automatic input signal detection
- PWM, Oneshot125, Oneshot42, Dshot150/300/600/1200/2400, FETtec Onewire
- FETtec ESC firmware
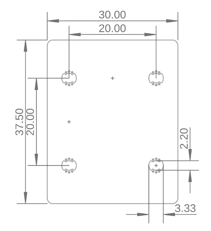
- Maximum outside dimensions: 30 x 37,5mm
- Mounting hole arrangement: 20 x 20mm with M2 mounting hole (expandable to M3)
- Overall height: 7,9mm
- Weight: 8,9 g
- Connector type: JST-SH-1mm
Safety warning
- Remove propeller before flashing and configuration
- always flash latest firmware before operation
- Please check periodically for firmware updates in the FETtec Configurator
- Do not file the mounting holes as this may cause damage
Recommended steps for installation of the FETtec AIO 35A – N
- Connect to FETtec Configurator and update to the latest firmware (see firmware update and settings)
- Install the AIO in your copter (see Connection diagrams for correct wiring and installation)
- Make sure everything is connected properly and check without propellers
- Connect to KISS GUI to proceed with final configuration of the FETtec AIO 35A – N (FC configuration)
Connection Diagram
Connection Layout top
Receiver connector:
- GND
- 5V
- TLM: Telemetry signal to receiver
- SIG.: Receiver signal to FC
Acronym explanation:
- Motor 1 – 4: pads for motor connection
- GND: Reference Signal Ground
- 3-6S – / +: Battery input voltage (12V-27V)
- Reset: Reset button to force the FC in bootloader mode, not needed for normal operation
- RGB_LED: pad for LED connection
- 5V/GND/RX4/TX4: free serial
Connection Layout bottom
The 8 pin connector combines all necessary connections for analog or digital VTX and camera. It includes:
- VCC (Lipo+)
- GND for cam and VTX
- Video in: Analog video signal from cam
- Video out: Analog video to VTX
- BEC 5V/16V: power supply for cam and/or VTX, switchable voltage, real Pit capable
- VCS/TX3: for smart audio / tramp configuration or TX for digital FPV systems
- RX3: for digital FPV systems
4 pin connector:
- GND
- 5V
- TX1: function configurable in GUI
- RX1: function configurable in GUI
Firmware update and settings
The FETtec AIO 35A – N works with KISS/FETtec FC firmware version 1.3RC47i or later !The FC and ESC of the FETtec AIO 35A – N board are flashable over the FETtec Configurator.
Download the FETtec Configurator here: https://github.com/FETtec/Firmware/releases.
FC Firmware update 
choose USB and select the correct COM Port and press connect. You should see the FETtec FC G4 as shown. Click “Remote Firmware” button and select the latest available firmware.Press “Flash selected!” FC is flashed now! Settings can be made in the KISS GUI.
Download:
https://github.com/flyduino/kiss-gui/releases
Reconnect USB after this step!
We recommend to always use the latest available firmware to get the best user experience. If you like to try new features and firmware developments you can join our Discord channel and download the latest beta firmware to try on your own risk (https://discord.gg/pfHAbahzRp)
ESC Firmware update
- Choose KISS FC Passthrough and press connect.

- all devices should show up now. The Overview page allows to flash individual ESCs.

- The Setting page allows to adjust all available ESC parameter.
- Reverse rotation direction
- Slow start
- 3D mode
- PWM min & max signal
- ESC Beep enabled
- Current calibration
- Individual ESC ID (for use on onewire protocol)

- In the Telemetry page you can spin the motors, view and debug the motor telemetry.
Dimensions
- Maximum outside dimensions: 30 x 37,5mm
- Mounting hole arrangement: 20 x 20mm with M2 mounting hole (expandable to M3)
- Overall height: 7,9mm
- Highest part on each PCB side: 3,2mm
- Weight: 8,9 g
Do not file the mounting holes as this may cause damage!





















