Holybro 11051 FETtec FC G4 v1.7

FETtec FC G4 Product Information
The FETtec FC G4 is a flight controller designed for use in unmanned aerial vehicles (UAVs) such as quadcopters and drones. It comes with a range of features including a graphic OSD, full KISS tuning, filter for PIDs, rates, and settings, LED control for RGB LED and Racewire, VTX, live data graphs for voltage, motor RPM, current, motor temperature, gyro values, and link quality, KISS GPS support with live map, custom graphic pilot logo, stick overlay, and custom layout that can be deactivated for usage of digital systems. It also has a real Pit-Mode with a power supply pin that is remotely switchable.
The FETtec FC G4 can be installed easily using the recommended steps provided in the user manual. It can be connected to analog or digital VTX and camera via an 8-pin connector that combines all necessary connections. It also provides 4 ESC signal pads for solder connection of single ESCs. Receivers can be connected via receiver connector or receiver solder pads. The FC also supports both analog and digital FPV systems.
To configure the FETtec FC G4, users need to download the KISS GUI and connect the FC via USB. The FC can then be activated in the KISS GUI and set up according to the user’s preferences. Users can also use the backup function to save their configuration settings as a text file. Firmware updates can be done using the FETtec Configurator available for download on GitHub.
FETtec FC G4 Product Usage Instructions
- Install the FETtec FC G4 using the recommended steps provided in the user manual.
- Connect analog or digital VTX and camera via the 8-pin connector that combines all necessary connections.
- Connect ESCs via the 8-pin cable that comes with FETtec 4in1 ESC 45A or 35A. For other ESCs, make sure the signal pinout is correct, otherwise change accordingly.
- Connect receivers via receiver connector or receiver solder pads.
- Connect analog or digital FPV systems via FPV connector or FPV solder pads. Note that RX and TX connection is only used for cameras that support serial connection.
- Download the KISS GUI and connect the FETtec FC G4 via USB. Open the KISS GUI and select the serial port on which the FC shows up and press connect. Activate the FC by pressing activate on the following prompt. Set up the FC according to your preferences and use the backup function to save your configuration settings as a text file.
- For firmware updates, download the FETtec Configurator and select the serial port the FC shows up on. Choose USB and select the correct COM Port, then press connect. Select the latest available firmware and press flash selected. The FC will be flashed and settings can be made in the KISS GUI.
- To update the FETtec OSD board, connect to FETtec Configurator and flash via FC passthrough latest firmware before your first flight.
Features
- Latest STM32G4 Processor
- 170Mhz + Math accelerator
- MPU6000
- Supply voltage 6-27V (2S-6S Lipo)
- 2x dedicated onboard BEC (max. 600mA each)
- 5V BEC for RX
- 5V/16V BEC for VTX (switchable and real Pit*)
- 2x 8 pin connector for solder free ESC connection
- Connector 1: ESC signal 1-4, telemetry, VCC, GND
- Connector 2: ESC signal 5-8 (depending on UAV type 1-4), telemetry, VCC, GND
- 1x 8 pin connector for solder free VTX, cam connection and OSD or digital systems
- real Pit* VCC, GND, Video in, Video out, BEC 5V/16V, VCS/TX3, RX3
- 2x 6 pin connectors for serials
- RX1, TX1, 3.3V, VCC, 5V, GND
- RX3, VCS/TX3, RGB LED, VCC, 5V, GND
- 1x 4 pin connector for receiver
- Signal, TLM, 5V, GND
- 5 UART serials
- UART 1 free
- UART 2 used for Receiver
- UART 3 free
- UART 4 used for onboard OSD, can be set free
- UART 5 used for ESCs / TLM / Onewire
- 4 ESC solder pads (Signal/GND) in each corner
- Buzzer pads
- 4 tiny RGB LEDs (selectable color)
- Supported ESC protocols
- PWM, Oneshot125, Oneshot42, Dshot150/300/600/1200/2400, FETtec Onewire
- FETtec KISS firmware
- Onboard OSD
- Graphic OSD (STM32)
- Full KISS Tuning
- Filter (PIDs, Rates, Settings)
- LED control (RGB LED, Racewire)
- VTX
- Live data graphs (Voltage, motor rpm, current, motor temp, gyro values, link quality)
- KISS GPS support + live map
- Custom graphic pilot logo
- Stick overlay
- Custom layout
- can be deactivated for usage of digital systems
- Maximum outside dimensions: 37,2 x 37,2mm, without outside tips 30 x 30mm
- Mounting hole arrangement:
- 20 x 20mm with M2 mounting hole (expandable to M3)
- 30 x 30mm with M3 mounting hole
- 30 x 30mm mounting hole tips are removable to reduce overall FC size
- Mounting hole arrangement:
- Overall height: 7,9mm
- Weight: 5,37g
- Connector type: JST-SH-1mm
Safety warning
- Remove propeller before flashing and configuration
- always flash latest firmware before operation
Recommended steps for installation of the FETtec FC G4
- Connect to FETtec Configurator and update to the latest firmware (see FC firmware update)
- Install the FC in your copter (see Connection diagrams for correct wiring and installation)
- Make sure everything is connected properly and check without propellers
- Connect to KISS GUI to proceed with final configuration of the FETtec FC G4 (FC configuration)
Connection Diagram
Connection Layout top
The 8 pin connector combines all necessary connections for analog or digital VTX and camera. It includes:
- Real Pit VCC (Lipo+)
- GND for cam and VTX
- Video in: Analog video signal from cam
- Video out: Analog video to VTX
- BEC 5V/16V: power supply for cam and/or VTX, switchable voltage, real Pit capable
- VCS/TX3: for smart audio / tramp configuration or TX for digital FPV systems
- RX3: for digital FPV systems
6 pin connector (SER3):
- RX3: for digital FPV systems or other functions configurable in GUI (same for VCS/TX3)
- VCS/TX3: for smart audio / tramp configuration or TX for digital FPV systems
- RGB LED: PWM signal pin to control WS2812 LEDs or similar (configurable in GUI)
- VCC: Battery voltage
- 5V
- GND
Connection Layout bottom
8 pin ESC connector 1:
- VCC: Battery voltage out to supply FC power
- GND
- TLM/Onewire: ESC Telemetry signal to FC or Onewire signal pin (depending on configuration)
- ESC signal 1-4: ESC signal output for each ESC
8 pin ESC connector 2:
- VCC: Battery voltage out to supply FC power
- GND
- TLM/Onewire: ESC Telemetry signal to FC or Onewire signal pin (depending on configuration)
- ESC signal 5-8: ESC signal output for each ESC (outputs ESC signal 1-4 if UAV type is configured as BI, TRI, QUAD)
Receiver connector:
- GND
- 5V
- TLM: Telemetry signal to receiver (see page 10 receiver connection diagram for further information)
- Signal: Receiver signal to FC (see page 10 receiver connection diagram for further information)
6 pin connector (SER1):
- RX1: function configurable in GUI
- TX1: function configurable in GUI
- 3,3V
- VCC: Battery voltage
- 5V
- GND
Acronym explanation:
- BEC 5V/16V: switchable voltage (in GUI) and real Pit capable
- GND: Reference Signal Ground
- Onboard OSD Jumper: bridge to deactivate onboard OSD and to activate RX4 and TX4
- Real Pit VCC: real Pit capable VCC pin
- Reset: Reset button to force the FC in bootloader mode, not needed for normal operation
- SIG.: receiver signal (serial)
- TLM: Telemetry signal output for receiver (Serial)
- TLM / Onewire: ESC telemetry input or Onewire signal depending on configuration
- VCC: Battery input voltage (6V-27V)
- VCS: Video control signal (smart audio/tramp)
- VID. in: Analog video signal to OSD
- VID. out: Analog video signal from OSD
ESC connection diagram
ESC connection via 8 pin connector
For easy ESC connection via 8 pin cable FETtec FC G4 to FETtec 4in1 ESC 45A (same for FETtec 4in1 ESC 35A), cable included with FETtec ESCs. Any other ESC is usable (please make sure the signal pinout is correct, otherwise change accordingly).
Single ESC connection diagram
The FETtec FC G4 provides 4 ESC signal pads for solder connection of single ESCs.
Receiver connection diagram
Receivers can be connected via receiver connector (on bottom side of FC) or receiver solder pads (on top side of FC)
- TBS Crossfire

- SBUS receiver / FrSky R-XSR

Analog FPV connection diagram
VTX and cam can be connected via FPV connector (on top side of FC) or FPV solder pads (on top side of FC).
Note: RX and TX connection is only used for cameras which support serial connection
Digital FPV connection diagram
Caddx Vista FPV system
Fatshark Shark Byte system
FC configuration
Download KISS GUI: https://github.com/flyduino/kissfc-chrome-gui/releases.
After installing the KISS GUI connect the FETtec FC G4 via USB. Open the KISS GUI and select the serial port on which the FC shows up and press connect.
Activate the FETtec FC G4 in the KISS GUI by pressing activate on the following prompt.
Now you can set up the FC according to your wishes. To ensure that your settings are not getting lost, use the backup function by pressing the button “backup” and saving the configuration as a text file.
FC firmware update
For Firmware updates download the FETtec Configurator available here: https://github.com/FETtec/Firmware/releases.
After installing the FETtec Configurator open it and select the serial port the FC shows up and press connect.
We recommend to always use the latest available firmware to get the best user experience. If you like to try new features and firmware developments you can join our Discord channel and download the latest beta firmware to try on your own risk (https://discord.gg/pfHAbahzRp)
OSD Firmware
Please update the FETtec OSD Board before your first flight!
To update the FETtec OSD connect to FETtec Configurator and flash via FC passthrough latest firmware.
Settings
All settings can be set up directly in the OSD To get in the menu move the sticks in the shown direction at the start: Throttle 50%, then move Yaw left, Pitch up



Issues in the picture
- OSD SYNC → AUTO SYNC
- in case of unsharp lines play with LEFT/WITH values try to avoid WITH values above 400
- make a PAL/NTSC layout reset
Move elements in the OSD menu
- Choose LAYOUT → SET POSITIONS in the SETTINGS.
- Now the elements are movable along the grid.
- Skip between the elements and select them to set new position.
- To exit the ´move menu´ hold stick Yaw left for a few seconds
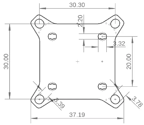
Dimensions

- Maximum outside dimensions: 37,2 x 37,2mm, without outside tips 30 x 30mm
- Mounting hole arrangement:
- 20 x 20mm with M2 mounting hole (expandable to M3)
- 30 x 30mm with M3 mounting hole
- 30 x 30mm mounting hole tips are removable to reduce overall FC size
- Overall height: 7,9mm
- Highest part on each PCB side: 3,2mm
- Weight: 5,37g




















