
FETtec FC G4
Manual

Introduction
Thank you for purchasing the FETtec FC G4.
Features
- Latest STM32G4 Processor
- 170Mhz + Math accelerator
- MPU6000
- Supply voltage 6-27V (2S-6S Lipo)
- 2x dedicated onboard BEC (max. 600mA each)
- 5V BEC for RX
- 5V/16V BEC for VTX (switchable and real Pit*)
- 2x 8 pin connector for solder free ESC connection
- Connector 1: ESC signal 1-4, telemetry, VCC, GND
- Connector 2: ESC signal 5-8 (depending on UAV type 1-4), telemetry, VCC, GND
- 1x 8 pin connector for solder free VTX, cam connection and OSD or digital systems
- real Pit* VCC, GND, Video in, Video out, BEC 5V/16V, VCS/TX3, RX3
- 2x 6 pin connectors for serials
- RX1, TX1, 3.3V, VCC, 5V, GND
- RX3, VCS/TX3, RGB LED, VCC, 5V, GND
- 1x 4 pin connector for receiver
- Signal, TLM, 5V, GND
- 5 UART serials
- UART 1 free
- UART 2 used for Receiver
- UART 3 free
- UART 4 used for onboard OSD, can be set free
- UART 5 used for ESCs / TLM / Onewire
- 4 ESC solder pads (Signal/GND) in each corner
- Buzzer pads
- 4 tiny RGB LEDs (selectable color)
- Supported ESC protocols
- PWM, Oneshot125, Oneshot42, Dshot150/300/600/1200/2400, FETtec Onewire
- FETtec KISS firmware
- Onboard OSD
- Graphic OSD (STM32)
- Full KISS Tuning
- Filter (PIDs, Rates, Settings)
- LED control (RGB LED, Racewire)
- VTX
- Live data graphs (Voltage, motor rpm, current, motor temp, gyro values, link quality)
- KISS GPS support + live map
- Custom graphic pilot logo
- Stick overlay
- Custom layout
- can be deactivated for usage of digital systems
- Maximum outside dimensions: 37,2 x 37,2mm, without outside tips 30 x 30mm
- Mounting hole arrangement:
- 20 x 20mm with M2 mounting hole (expandable to M3)
- 30 x 30mm with M3 mounting hole
- 30 x 30mm mounting hole tips are removable to reduce overall FC size
- Mounting hole arrangement:
- Overall height: 7,9mm
- Weight: 5,37g
- Connector type: JST-SH-1mm
*real Pit-Mode: A power supply pin which is remotely switchable
Safety warning
- Remove propeller before flashing and configuration
- always flash latest firmware before operation
Recommended steps for installation of the FETtec FC G4
- Connect to FETtec Configurator and update to the latest firmware (see FC firmware update)
- Install the FC in your copter (see Connection diagrams for correct wiring and installation)
- Make sure everything is connected properly and check without propellers
- Connect to KISS GUI to proceed with final configuration of the FETtec FC G4 (FC configuration)
Connection Diagram
Connection Layout top

The 8 pin connector combines all necessary connections for analog or digital VTX and camera. It includes:
- Real Pit VCC (Lipo+)
- GND for cam and VTX
- Video in: Analog video signal from cam
- Video out: Analog video to VTX
- BEC 5V/16V: power supply for cam and/or VTX, switchable voltage, real Pit capable
- VCS/TX3: for smart audio / tramp configuration or TX for digital FPV systems
- RX3: for digital FPV systems
6 pin connector (SER3):
- RX3: for digital FPV systems or other functions configurable in GUI (same for VCS/TX3)
- VCS/TX3: for smart audio / tramp configuration or TX for digital FPV systems
- RGB LED: PWM signal pin to control WS2812 LEDs or similar (configurable in GUI)
- VCC: Battery voltage
- 5V
- GND
Connection Layout bottom

8 pin ESC connector 1:
- VCC: Battery voltage out to supply FC power
- GND
- TLM/Onewire: ESC Telemetry signal to FC or Onewire signal pin (depending on configuration)
- ESC signal 1-4: ESC signal output for each ESC
8 pin ESC connector 2:
- VCC: Battery voltage out to supply FC power
- GND
- TLM/Onewire: ESC Telemetry signal to FC or Onewire signal pin (depending on configuration)
- ESC signal 5-8: ESC signal output for each ESC (outputs ESC signal 1-4 if UAV type is configured as BI, TRI, QUAD)
Receiver connector:
- GND
- 5V
- TLM: Telemetry signal to receiver (see page 10 receiver connection diagram for further information)
- Signal: Receiver signal to FC (see page 10 receiver connection diagram for further information)
6 pin connector (SER1):
- RX1: function configurable in GUI
- TX1: function configurable in GUI
- 3, 3V
- VCC: Battery voltage
- 5V
- GND
Acronym explanation:
- BEC 5V/16V: switchable voltage (in GUI) and real Pit capable
- GND: Reference Signal Ground
- Onboard OSD Jumper: bridge to deactivate onboard OSD and to activate RX4 and TX4
- Real Pit VCC: real Pit capable VCC pin
- Reset: Reset button to force the FC in bootloader mode, not needed for normal operation
- SIG.: receiver signal (serial)
- TLM: Telemetry signal output for receiver (Serial)
- TLM / Onewire: ESC telemetry input or Onewire signal depending on configuration
- VCC: Battery input voltage (6V-27V)
- VCS: Video control signal (smart audio/tramp)
- VID. in: Analog video signal to OSD
- VID. out: Analog video signal from OSD
ESC connection diagram
ESC connection via 8 pin connector
For easy ESC connection via 8 pin cable
FETtec FC G4 to FETtec 4in1 ESC 45A (same for FETtec 4in1 ESC 35A), cable included with FETtec ESCs.
Any other ESC is usable (please make sure the signal pinout is correct, otherwise change accordingly)

Single ESC connection diagram
The FETtec FC G4 provides 4 ESC signal pads for solder connection of single ESCs

Receiver connection diagram
Receivers can be connected via receiver connector (on bottom side of FC) or receiver solder pads (on top side of FC)
TBS Crossfire

SBUS receiver / FrSky R-XSR
Analog FPV connection diagram
VTX and cam can be connected via FPV connector (on top side of FC) or FPV solder pads (on top side of FC)

Note: RX and TX connection is only used for cameras which support serial connection
Digital FPV connection diagram
Caddx Vista FPV system

Fatshark Shark Byte system

FC configuration
Download KISS GUI: https://github.com/flyduino/kissfc-chrome-gui/releases
After installing the KISS GUI connect the FETtec FC G4 via USB. Open the KISS GUI and select the serial port on which the FC shows up and press connect.
Activate the FETtec FC G4 in the KISS GUI by pressing activate on the following prompt

Now you can set up the FC according to your wishes. To ensure that your settings are not getting lost, use the backup function by pressing the button “backup” and saving the configuration as a text file.
FC firmware update
For Firmware updates download the FETtec Configurator available here: https://github.com/FETtec/Firmware/releases
After installing the FETtec Configurator open it and select the serial port the FC shows up and press connect.
choose USB and select the correct COM Port and press connect.
You should see the FETtec FC G4 as shown.
Click “Remote Firmware” button and select the latest available firmware.
Press “Flash selected!”
FC is flashed now!
Settings can be made in the KISS GUI.

We recommend to always use the latest available firmware to get the best user experience.
If you like to try new features and firmware developments you can join our Discord channel and download the latest beta firmware to try on your own risk (https://discord.gg/pfHAbahzRp)
OSD Firmware
Please update the FETtec OSD Board before your first flight!
To update the FETtec OSD connect to FETtec Configurator and flash via FC passthrough latest firmware.
Settings
All settings can be set up directly in the OSD
To get in the menu move the sticks in the shown direction at the start: Throttle 50%, then move Yaw left, Pitch up
Mode 1:
Mode 2:
In the menu:

OSD settings:

Issues in the picture
- OSD SYNC → AUTO SYNC
- in case of unsharp lines play with LEFT/WITH values try to avoid WITH values above 400
- make a PAL/NTSC layout reset
Choose LAYOUT → SET POSITIONS in the SETTINGS.
Now the elements are movable along the grid.
Skip between the elements and select them to set new position.
To exit the ´move menu´ hold stick Yaw left for a few seconds
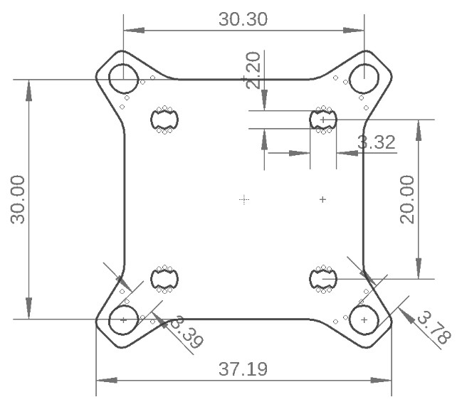
Dimensions

Maximum outside dimensions: 37,2 x 37,2mm, without outside tips 30 x 30mm Mounting hole arrangement:
- 20 x 20mm with M2 mounting hole (expandable to M3)
- 30 x 30mm with M3 mounting hole
- 30 x 30mm mounting hole tips are removable to reduce overall FC size
Overall height: 7,9mm
Highest part on each PCB side: 3,2mm
Weight: 5,37g



















