FETTEC FC G4 N Flight Controller User Manual
Introduction
Thank you for purchasing the FETtec FC G4 – N.
Features
- Latest STM32G4 Processor
- 170Mhz + Math accelerator
- MPU6000
- Supply voltage 6-27V (2S-6S Lipo)
- 2x dedicated onboard BEC (max. 600mA each)
- 5V BEC for RX
- 5V/16V BEC for VTX (switchable and real Pit*)
- 2x 8 pin connector for solder free ESC connection
- Connector 1: ESC signal 1-4, telemetry, VCC, GND
- Connector 2: ESC signal 5-8 (depending on UAV type 1-4), telemetry, VCC, GND
- 1x 8 pin connector for solder free VTX, cam connection and OSD or digital systems
- real Pit* VCC, GND, Video in, Video out, BEC 5V/16V, VCS/TX3, RX3
- 2x 6 pin connectors for serials
- RX1, TX1, 3.3V, VCC, 5V, GND
- RX3, VCS/TX3, RGB LED, VCC, 5V, GND
- 1x 4 pin connector for receiver
- Signal, TLM, 5V, GND
- 5 UART serials
- UART 1 free
- UART 2 used for Receiver
- UART 3 free
- UART 4 free
- UART 5 used for ESCs / TLM / Onewire
- 4 ESC solder pads (Signal/GND) in each corner
- Buzzer pads
- 4 tiny RGB LEDs (selectable color)
- Supported ESC protocols
- `PWM, Oneshot125, Oneshot42, Dshot150/300/600/1200/2400, FETtec Onewire
- FETtec KISS firmware
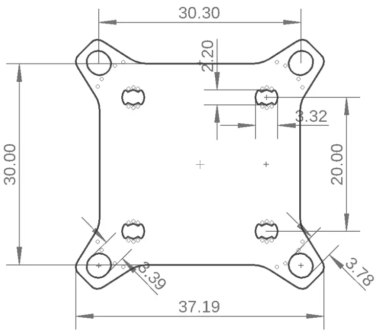
- Maximum outside dimensions: 37,2 x 37,2mm, without outside tips 30 x 30mm
- Mounting hole arrangement:
- 20 x 20mm with M2 mounting hole (expandable to M3)
- 30 x 30mm with M3 mounting hole
- 30 x 30mm mounting hole tips are removable to reduce overall FC size
- Mounting hole arrangement:
- Overall height: 7,9mm
- Weight: 5,37g
- Connector type: JST-SH-1mm
*real Pit-Mode: A power supply pin which is remotely switchable
Safety warning
- Remove propeller before flashing and configuration
- always flash latest firmware before operation
Recommended steps for installation of the FETtec FC G4 -N
- Connect to FETtec Configurator and update to the latest firmware (see FC firmware update)
- Install the FC in your copter (see Connection diagrams for correct wiring and installation)
- Make sure everything is connected properly and check without propellers
- Connect to KISS GUI to proceed with final configuration of the FETtec FC G4 – N (FC configuration)
Connection Diagram
Connection Layout top
The 8 pin connector combines all necessary connections for analog or digital VTX and camera. It includes:
- Real Pit VCC (Lipo+)
- GND for cam and VTX
- Video in: Analog video signal from cam
- Video out: Analog video to VTX
- BEC 5V/16V: power supply for cam and/or VTX, switchable voltage, real Pit capable
- VCS/TX3: for smart audio / tramp configuration or TX for digital FPV systems
- RX3: for digital FPV systems
6 pin connector (SER3):
- RX3: for digital FPV systems or other functions configurable in GUI (same for VCS/TX3)
- VCS/TX3: for smart audio / tramp configuration or TX for digital FPV systems
- RGB LED: PWM signal pin to control WS2812 LEDs or similar (configurable in GUI)
- VCC: Battery voltage
- 5V
- GND
Connection Layout bottom
8 pin ESC connector 1:
- VCC: Battery voltage out to supply FC power
- GND
- TLM/Onewire: ESC Telemetry signal to FC or Onewire signal pin (depending on configuration)
- ESC signal 1-4: ESC signal output for each ESC
8 pin ESC connector 2:
- VCC: Battery voltage out to supply FC power
- GND
- TLM/Onewire: ESC Telemetry signal to FC or Onewire signal pin (depending on configuration)
- ESC signal 5-8: ESC signal output for each ESC (outputs ESC signal 1-4 if UAV type is configured as BI, TRI, QUAD)
Receiver connector:
- GND
- 5V
- TLM: Telemetry signal to receiver (see page 10 receiver connection diagram for further information)
- Signal: Receiver signal to FC (see page 10 receiver connection diagram for further information)
6 pin connector (SER1):
- RX1: function configurable in GUI
- TX1: function configurable in GUI
- 3,3V
- VCC: Battery voltage
- 5V
- GND
Acronym explanation:
- BEC 5V/16V: switchable voltage (in GUI) and real Pit capable
- GND: Reference Signal Ground
- Real Pit VCC: real Pit capable VCC pin
- Reset: Reset button to force the FC in bootloader mode, not needed for normal operation
- SIG.: receiver signal (serial)
- TLM: Telemetry signal output for receiver (Serial)
- TLM / Onewire: ESC telemetry input or Onewire signal depending on configuration
- VCC: Battery input voltage (6V-27V)
- VCS: Video control signal (smart audio/tramp)
ESC connection diagram
ESC connection via 8 pin connector
For easy ESC connection via 8 pin cable
FETtec FC G4 – N to FETtec 4in1 ESC 45A (same for FETtec 4in1 ESC 35A), cable included with FETtec ESCs.
Any other ESC is usable (please make sure the signal pinout is correct, otherwise change accordingly)
Single ESC connection diagram
The FETtec FC G4 – N provides 4 ESC signal pads for solder connection of single ESCs

Receiver connection diagram
Receivers can be connected via receiver connector (on bottom side of FC) or receiver solder pads (on top side of FC)
TBS Crossfire
SBUS receiver / FrSky R-XSR
Analog FPV connection diagram
VTX and cam can be connected via FPV connector (on top side of FC) or FPV solder pads (on top side of FC)
Note: RX and TX connection is only used for cameras which support serial connection.
Digital FPV connection diagram
Caddx Vista FPV system
Fatshark Shark Byte system
FC configuration
Download KISS GUI: https://github.com/flyduino/kissfc-chrome-gui/releases
After installing the KISS GUI connect the FETtec FC G4 – N via USB. Open the KISS GUI and select the serial port on which the FC shows up and press connect.
Activate the FETtec FC G4 – N in the KISS GUI by pressing activate on the following prompt.
Now you can set up the FC according to your wishes. To ensure that your settings are not getting lost, use the backup function by pressing the button “backup” and saving the configuration as a text file.
FC firmware update
For Firmware updates download the FETtec Configurator available here: https://github.com/FETtec/ESC-Configurator
After installing the FETtec Configurator open it and select the serial port the FC shows up and press connect.
- choose USB and select the correct COM Port and press connect.

- You should see the FETtec FC G4 as shown.
- Click “Remote Firmware” button and select the latest available firmware.
- Press “Flash selected!”

- FC is flashed now!
- Settings can be made in the KISS GUI

We recommend to always use the latest available firmware to get the best user experience.
If you like to try new features and firmware developments you can join our Discord channel and download the latest beta firmware to try on your own risk (https://discord.gg/pfHAbahzRp)
Dimensions

Maximum outside dimensions: 37,2 x 37,2mm, without outside tips 30 x 30mm
Mounting hole arrangement:
- 20 x 20mm with M2 mounting hole (expandable to M3)
- 30 x 30mm with M3 mounting hole
- 30 x 30mm mounting hole tips are removable to reduce overall FC size
Overall height: 7,9mm
Highest part on each PCB side: 3,2mm
Weight: 5,37g
























