
FETtec AIO 35A – N
Manual 
Introduction
Thank you for purchasing the FETtec AIO 35A – N.
Features
FC:
- Latest STM32G4 Processor
◦ 170Mhz + Math accelerator
◦ MPU6000 - Supply voltage 12-25V (3S-6S Lipo voltage)
- 2x dedicated onboard 5V BEC for VTX (max. 600mA each)
◦ 5V BEC for RX
◦ 5V/16V BEC for VTX (switchable and real Pit*) - 1x 8 pin connector for solder free VTX, cam connection and OSD or digital systems
◦ VCC, GND, Video in, Video out, BEC 5V/16V, VCS/TX3, RX3 - 2x 4 pin connector for receiver and VTX
◦ Signal, telemetry, 5V, gnd
◦ Gnd, 5V, TX1, RX1 - 5 UART serials
◦ UART 1 free
◦ UART 2 used for Receiver
◦ UART 3 free
◦ UART 4 free
◦ UART 5 used for ESCs / TLM / Onewire - Solder pad for RGB LEDs
- Supported ESC protocols
◦ PWM, Oneshot125, Oneshot42, Dshot150/300/600/1200/2400, FETtec Onewire - KISS FC firmware (FETtec Alpha FC firmware flashable)
*real Pit-Mode: A power supply pin which is remotely switchable
ESC:
- Active current limiting @ 35A
- Input voltage: 3s-6s
- High quality 40V MOSFETs
- STM32G071 @ 64MHz
- up to 128 kHz Motor PWM
- Full sine wave control
- Automatic input signal detection
◦ PWM, Oneshot125, Oneshot42, Dshot150/300/600/1200/2400, FETtec Onewire - FETtec ESC firmware
- Maximum outside dimensions: 30 x 37,5mm
◦ Mounting hole arrangement: 20 x 20mm with M2 mounting hole (expandable to M3) - Overall height: 7,9mm
- Weight: 8,9 g
- Connector type: JST-SH-1mm
Safety warning
- Remove propeller before flashing and configuration
- always flash latest firmware before operation
- Please check periodically for firmware updates in the FETtec Toolset
- Do not file the mounting holes as this may cause damage
Recommended steps for installation of the FETtec AIO 35A – N
- Connect to FETtec Configurator and update to the latest firmware (see firmware update and settings)
- Install the AIO in your copter (see Connection diagrams for correct wiring and installation)
- Make sure everything is connected properly and check without propellers
- Connect to KISS GUI/FETtec Toolset to proceed with final configuration of the FETtec AIO 35A (FC configuration)
Connection Diagram

Receiver connector:
- GND
- 5V
- TLM: Telemetry signal to receiver
- SIG.: Receiver signal to FC
Acronym explanation:
- Motor 1 – 4: pads for motor connection
- GND: Reference Signal Ground
- 3-6S – / +: Battery input voltage (12V-27V)
- Reset: Reset button to force the FC in bootloader mode, not needed for normal operation
- RGB_LED: pad for LED connection
- 5V/GND/RX4/TX4: free serial
Connection Layout bottom
The 8 pin connector combines all necessary connections for analog or digital VTX and camera.
It includes:
- VCC (Lipo+)
- GND for cam and VTX
- Video in: Analog video signal from cam
- Video out: Analog video to VTX
- BEC 5V/16V: power supply for cam and/or VTX, switchable voltage, real Pit capable
- VCS/TX3: for smart audio / tramp configuration or TX for digital FPV systems
- RX3: for digital FPV systems
4 pin connector:
- GND
- 5V
- TX1: function configurable in GUI
- RX1: function configurable in GUI
Note: A unit’s transmit signal (TX) must match the corresponding receiver (RX) at the other end.
It must therefore be wired crosswise in order to transmit a signal
Configuration
The FETtec AIO 35A – N works with FETtec KISS firmware version 1.3RC47i or later !
The FC and ESC of the FETtec AIO 35A – N Board are flashable via the FETtec Configurator.
Download the FETtec Configurator here: https://github.com/FETtec/Firmware/releases.
Or use the online tool https://gui.fettec.net/.
FC update (KISS)
choose USB and select the correct COM Port and press connect.
You should see the FETtec FC G4 as shown.
Click “Remote Firmware” button and select the latest available firmware. Press “Flash selected!”
FC is flashed now!
Settings can be made in the KISS GUI.
Download: https://github.com/flyduino/kissgui/releases
Reconnect USB after this step!
We recommend to always use the latest available firmware to get the best user experience.
If you like to try new features and firmware developments you can join our Discord channel and download the latest beta firmware to try on your own risk (https://discord.gg/pfHAbahzRp)
FC update and settings (FETtec Alpha FC firmware)
- Open FETtec Toolset https://gui.fettec.net and choose ALPHA Configurator.
- Connect the FETtec FC via USB.
- Open the ALPHA Configurator and select open port. Choose the serial port on which the FC shows up and press connect.

- If you have KISS FC firmware running on your FC, you will get a warning if you want to flash FETtec Alpha FC firmware. Press “OK”

- “Select new firmware to flash”.
We always recommend flashing the latest available firmware.
- Confirm to flash FETtec ALPHA firmware by pressing “OK”

- FC firmware update is done!
The FC needs a restart after that, therefore the com port is requested to be selected and connected again Now you can customize everything in the GUI according to your wishes. Please connect everything like described in the manual of the AIO.
The receiver signal will get auto detected (supported systems are Frsky Sbus+S-Port, CRSFv2 and CRSFv3 and Ghost).
Get back to KISS
If the FETtec Alpha FC firmware is flashed on your FC and you want to get back to KISS firmware, follow these steps:
- Open FETtec Toolset https://gui.fettec.net/
- Connect the FETtec FC via USB.
- Press the reset button once
- Open the FETtec ESC Configurator and select “USB” and connect.
- Choose the serial port on which the FC shows up and press connect.

- Now the FC shows up and you can select KISS Firmware (FETtec FC G4 1.3-RC47m) in “Remote Firmware” and press “Flash selected!”

- Flashing to KISS FC firmware done.

Firmware updates
For firmware updates it is the same procedure as flashing the FETtec Alpha FC firmware.
Connect FC via open port and choose “Firmware”.
Now you can flash the latest firmware update via “Select new firmware to flash” or choose“Flash local file”.
We always recommend to use the latest available firmware to get the best user experience.
If you like to try new features and firmware developments you can join our Discord channel to be always up to date (https://discord.gg/pfHAbahzRp).
Settings
You can set up the FC according to your wishes in the ALPHA Configurator.
All functions are explained in the respective category.
For more information and help use the FETtec Alpha FC firmware manual available at www.fettec.net/download
ESC update and settings
Choose KISS FC Passthrough and press connect.
all devices should show up now.
The Overview page allows to flash individual ESCs.
The Setting page allows to adjust all available ESC parameter.
– Reverse rotation direction
– Slow start
– 3D mode
– PWM min & max signal
– ESC Beep enabled
– Current calibration
– Individual ESC ID (for use on onewire protocol)
In the Telemetry page you can spin the motors, view and debug the motor telemetry.
OSD
The FETtec AIO 35A – N has no analog onboard OSD but you can connect the FETtec OSD Board which is also available in our shop www.fettec.net
For more information about settings read the FETtec OSD Board manual https://fettec.net/download/
Note: A unit’s transmit signal (TX) must match the corresponding receiver (RX) at the other end.
It must therefore be wired crosswise in order to transmit a signal
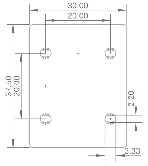
Dimensions
Maximum outside dimensions: 30 x 37,5mm
Mounting hole arrangement: 20 x 20mm with M2 mounting hole (expandable to M3)
Overall height: 7,9mm
Highest part on each PCB side: 3,2mm
Weight: 8,9 g
Do not file the mounting holes as this may cause damage!




The FC needs a restart after that, therefore the com port is requested to be selected and connected again Now you can customize everything in the GUI according to your wishes. Please connect everything like described in the manual of the AIO.





















