ECOLAB 0617695 Foamatic Automatic Units

Description
The Foamatic unit is used for automatic cleaning via stationary pipe connections in e.g. production areas, production machinery or difficult‐to‐get‐at places.
The unit is used for laying out of spray or foam detergents and desinfectants as well as
pressure water for rinsing. The time lag and the media of the activity in question are
controlled by the built‐in controller and the internal valves. Combined with the externally placed area valves, a precise and uniform dosing is achieved.
In addition to automatic cleaning assignments, the Foamatic is available in a design with one or two pneumatic blocks for manual cleaning. One block makes it possible for the user to work with one manual outlet when laying out foam detergent and when rinsing with pressure water. The second block makes it possible to lay out spray or foam desinfection.
A standard Foamatic unit is available with three different injector sizes, producing 150, 300 and 450 L foam per minute respectively, using approx. 7 bar air pressure. However, this requires a sufficiently large air volume, 200 ‐ 450 l/min.
Furthermore the unit is delivered with one, two or three sections. Each section makes up one type of detergent or desinfection for spray or foam lay out. All units are delivered with one valve for water/rinsing.
Table: Foamatic model program
| Description | Function |
| Foamatic Mainstation A1 150 | One section with 150 liter injector |
| Foamatic Mainstation A1 300 | One section with 300 liter injector |
| Foamatic Mainstation A1 450 | One section with450 liter injector |
| Foamatic Mainstation A2 150 | Two sections with 150 liter injector |
| Foamatic Mainstation A2 300 | Two sections with 300 liter injector |
| Foamatic Mainstation A2 450 | Two sections with 450 liter injector |
| Foamatic Mainstation A3 150 | Three sections with 150 liter injector |
| Foamatic Mainstation A3 300 | Three sections with 300 liter injector |
| Foamatic Mainstation A3 450 | Three sections with 450 liter injector |
For all versions you may choose one, two or no manual block.
Chemicals
This unit is prepared for Ecolabs chemical product palette. The chemical is supplied from separate containers. For this purpose a User Pack, mounted directly below the cabinet, is available.
The Foamatic unit is mainly made of stainless steel.
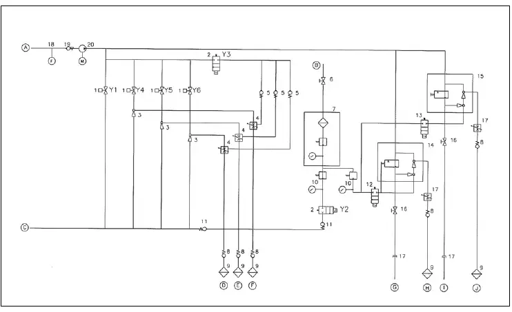
Flow Chart
Below flow chart illustrates a model with three sections for detergents and two manual blocks. 
- Water inlet
- Air inlet
- Outlet
- Detergent 1
- Detergent 2
- Valve with actuator (Y1,Y4,Y5,Y6)
- Solenoid valve (Y2,Y3)
- Injector
- Dosing valve
- Non‐return valve for water
- Ball valve
- Air regulator / filter / manometer Non‐return valve for detergent Filter
- Detergent 3
- Manual outlet
- Detergent
- Manual outlet
- Detergent
- Air regulator / manometer
- Non‐return valve for air
- Manual 5/2‐ways valve
- Manual 3/2‐ways valve
- Pneumatic rinse/foam
- Pneumatic desinfection
- Ball valve
- Quick coupling for hose
El diagram 
Maintenance
in general the Foamatic unit is maintenance free, as it consists of only a few moving parts. However, to ensure optimum operation it is very important to maintain both pump and compressor.
Always make sure that no valves, pipes or hose connections are leaking. In order to achieve optimum suction from the containers, please make sure that all clamps are correctly mounted and secured. Last but not least check filters in the end of the suction hoses.
In order to keep a high level of hygiene the Foamatic cabinet should be cleaned with clean water both inside and outside. If the unit is very filthy we recommend using a mild detergent. For further information, please con‐tact your Ecolab service department.
The outer side of the cabinet can be rinsed with clean water. In order to avoid damages to the controller and other electric parts, we recommend using a cloth or a sponge to clean the inside of the cabinet. Cleaning with running water inside the cabinet should only be done in the lower part of the cabinet.
Use
Always install the Foamatic unit in frost‐free rooms only.
The unit is delivered complete and ready for mounting on a wall or a suitable rack. The unit is mounted on the enclosed wall bracket according to description in the installation guide. It is very important that all pipe connections are thoroughly rinsed before installation.
It is very important to use correct nozzle sizes where foam, desinfection or rinsing is carried out. E.g. the foam volume produced by the injectors must comply with the nozzle volume. If the injectors produce 150 l/min, and three valves for one zone are used, the amount of litres on the three valves must also be approx 150 l. If this is not observed, the quality of the foam will not be satisfactory. – For further information do not hesitate to contact Ecolabs service department.
Service
Only authorised and qualified personnel is allowed to carry out service on the unit. Only carry out service when the Foamatic unit is disconnected and depressurised.
- Disconnect the power supply
- Shut of the water supply
- In order to depressurise the outlet side ‐ open an external valve.
The unit is built in sections, which makes it possible to do service on a separate section. However, the Foamatic unit is not operational without this section. One section for water and one section for each detergent.
4.1 Components
- Master controller
Maintenance free.
In case of defects: please contact service technician. - ACC‐01
Maintenance free.
In case of defects: exchange unit. - Non‐return valve, water
Maintenance free.
I case of defects, exchange non-return valve. - Non‐return valve, detergents
Maintenance free.
In case of defects, exchange non-return valve. - Non‐return valve, air
Maintenance free
In case of defects, exchange the non-return valve.
Troubleshooting
The unit does not start up
| 1 | Is voltage available? | Secure voltage supply to the unit. |
| 2 | Is pressure water available? | Check the booster unit. Is the main supply open? |
| 3 | Defect fuse? | Exchange the fuse. |
| 4 | No connection between controller and control panel? | Check cabel connection between controller and control panel. |
| 5 | Contact service technician. |
Unsatisfying foam quality
| 1 | Unsuitable detergent? | Change to suitable detergent. |
| 2 | Concentration of detergent too low? | Adjust the concentration on the dosing valve. |
| 3 | Is the air pressure too high or low? | Adjust the air pressure on the regulator. |
| 4 | Stemmer dyserne i zonerne overens med volumen af injektoren? | Exchange or clean nozzles in the zone. |
| 5 | Is the suction filter clogged up? | Clean filter |
| 6 | Is the volume of water and pressure in the unit sufficient? | Secure correct water supply and water pressure. |
| 7 | Is the injector clogged up? | Disassemble injector and clean nozzle. |
| 8 | Contact service technician. |
Recommended Spareparts
Spare parts for standard Foamatic unit with one detergent.
| Item no | Description | Quantity |
| 0664034 | Non return valve, air | 1 |
| 0664080 | Non return valv, rinse | 1 |
| 0664073 | Non return valve, detergent | 1 |
| 637000 | Air regulator | 1 |
| 939904 | O‐Ring union | 1 |
Identification plate ‐ Specifications
The most important specifications of the unit are found on the model tag. For explanation of the individual numbers of the model tag, see below: 
- Producer
- Type
- Order number
- Date
- Max. temperature
- Max. flow
- Max. pressure
- Serial number
Water
| Supply pressure (bar) | 2-10 |
| Min. water supply (l/min) | 200 |
| Max. water supply (l/min) | 300 |
| Max temperature (C0) | 70 |
Air
| Supply (bar | 6-10 |
| Consumption (l/min) | 200-450 |
El
| Voltage 50/60 Hz | 380-440 |
| Fuse (A) | 25 |
| External valves | 24V DC |
General
| Dimensions (H x B x D) Standard | 1075 X 560 X 385 |
| Weight (kg) | 150 |
ECOLAB 0617695 Foamatic Automatic Units


















